1. Основные характеристики и параметры радиоприёмных устройств (рпу)
| Вид материала | Документы |
Содержание9.3.1 Транзисторные детекторные. 10. Детектирование импульсных сигналов Основные параметры 12. Частотные детекторы (ЧД). Основные параметры Главный недостаток |
- Лекция Внешние устройства компьютера, 309.96kb.
- Проект №3/271 «Параметры семантической характеристики слова в толковом словаре», 40.33kb.
- Общая трудоемкость изучения дисциплины составляет 3 зет (108 час), 49.28kb.
- Программа междисциплинарного экзамена для поступления в магистратуру по направлению, 51.62kb.
- Методические указания к лабораторным работам по курсу «Электроника», 384.45kb.
- Назипов Рамиль Хайретдинович Назначение и устройство компьютера урок, 165.22kb.
- Классификация и основные параметры, 145.52kb.
- Типы и характеристики интерфейсов, 204.95kb.
- Термины и терминологические сочетания: основные характеристики, 619.93kb.
- Руководство по эксплуатации лтк10У. 11. 00. 000Рэ ООО "цинус завода гаро", 463.33kb.

tg( = K .
5. Частотные характеристики: К = f() - модуль коэффициента передачи от модулирующей функции.

- без учета параметров нагрузки.


Верхняя граничная частота без учета нагрузки зависит:
1/в=в=С(Ri||R).
С точи зрения частотной характеристики сопротивления нагрузки R надо уменьшать. в>max - определяет безинерционный режим работы детектора.

- условие безинерционной работы, где m - глубина модуляции.U - безинерционный детектор.
U - инерционный детектор.
9.3. Особенности построения АД.
Схема АД реализуется двумя способами - последовательная и параллельная.
Ранее мы рассматривали последовательные диодные детекторы.
Один из ее недостатков - непосредственно к диоду прикладываются большие значения постоянного тока и напряжения.
Рассмотрим параллельный детектор.

Главное назначение - защита диода от больших токов и потенциалов со входа ( эту роль выполняет емкость С ).
Недостаток: включение дополнительного RC-фильтра. Наличие этого фильтра влияет на параметры детектора.
Различие последовательного и параллельного детектора в параметрах в основном только во входном сопротивлении: Rвх||=Rвх ||R||Rф , т.е. наличие Rф уменьшает входное сопротивление параллельного детектора.
Еще одной разновидностью детектора является следующая схема:

Здесь улучшена фильтрация ВЧ - колебания за счет С. С - шунтирующая блокировочная емкость.
Недостатки: меньшее входное сопротивление , остальные параметры также хуже.
Возможный вариант - двухтактовая схема детектора:

Достоинства: в 2 раза больше входное сопротивление, выше Кд, улучшена фильтрация несущего колебания.
Все рассмотренное относится к кристаллическим и вакуумным диодами.
К особенностям детекторов на полупроводниковых диодах относится: обратное сопротивление диода.

- различная для разных полупроводниковых диодов.Наличие Rобр. приводит к изменению сопротивления нагрузки: Rн =R||Rобр. Таким образом уменьшается коэффициент передачи детектора. Rвх=R||Rобр. - уменьшается также входное сопротивление.
Увеличивается верхняя граничная частота и уменьшается условие безинерционности работ детектора.
Вторая особенность - влияние емкости p-n-перехода, которая влияет на выходной каскад УПЧ.
Должно быть: Ск>>Cд , где Ск - емкость контура, Сд - собственная емкость диода.
Все рассмотренные схемы (их работа) зависит от амплитуды входного сигнала.
Режим квадратичный: Uвх>0,05-0,01В.
Экономичный режим: Uвх>0,1-0,5 В.
Квадратичный режим: Uвх>0,7-0,8 В.
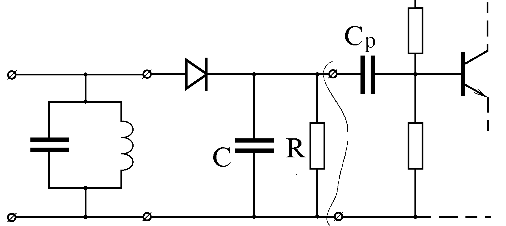
9.3.1 Транзисторные детекторные.
Используются когда надо совместить две операции - детектирование и усиление.
Используемые здесь нелинейности обоих переходов - база-эмиттер, база-коллектор.
Рассмотрим эмиттерный детектор:

( транзистор включен по схеме с общим эмиттером).
9.3.2. Коллекторный детектор.

( транзистор включен по схеме с общим коллектором).
Эмиттерная схема используется чаще. Сопротивление базового делителя выбирается меньше, чем у усилителя.
Это нужно, чтобы лучше развязать базу-эмиттер (базу-коллектор) и чтобы транзистор был в режиме отсечки.
Условие для выбора блокировочной емкости: 1/Cбл<
Т.к. Сбл. параллельна входу транзистора, то Сбл.>>Cвх транзистора в первом случае и Сбл.<
В таких схемах Rвх в два-три раза выше, чем входное сопротивление усилителя на этих транзисторах.
Свх здесь в два-три раза меньше, чем входная емкость усилителя на таких же транзисторах.
10. Детектирование импульсных сигналов.
В качестве несущего колебания используется последовательность радио- или видеоимпульсов.В зависимости от вида входного сигнала на практике различают три вида детекторов:
1. Импульсный детектор - выделение огибающей каждого импульса.
2. Пиковый детектор - выделение огибающей последовательности радиоимпульсов.
3. Детектор видиоимпульсов - выделение огибающей последовательности видеоимпульсов.
10.1. Импульсный детектор.
Обычно используется схема параллельного и последовательного детектора.
Последовательный детектор:


Рассмотрим режим детектирования сильных сигналов.

tсп - время спада;
tу - время установления.
ИД вносит искажения сам в передний и задний фронты радиоимпульса.
tуСRок , где Rок - резонансное сопротивление контура. , где SR>>1
tу2,3CR, где R - нагрузка, и SR меньше либо равно 0.5.
tсп2,3C(R||Rобр), где Rобр - обратное сопротивление диода.
10.2. Пиковый детектор (ПД).

в огибающей последовательности импульсов полезный сигнал;
max - его максимальная частота.
Т - период следования.
Т - период несущего колебания.
Обычно используется схема параллельного диодного детектора.
Выбор параметров аналогичен случаю параллельного детектора для режима сильного детектирования.
Но есть и различия: р=RC, где р - время разряда, либо р=C(R||Rобр), где р>>T.
з=RCi , где з - время заряда, Ri - сопротивление диода, где р<
Для работы нужно, чтобы Т<
10.3. Детектор видеоимпульсов.

Здесь должно выполняться условие:
р>>T, з<<и.
- условие безинерционности детектора.11. Фазовый детектор (ФД).
Его назначение: преобразование мгновенной фазы сигнала в напряжение, изменяющееся по закону модулирующей функции (полезного сигнала).
, где
- полная фаза. Главная задача - выделить с(t). Таким образом надо иметь информацию о и ,таким образом нужно иметь некоторый опорный генератор.
Основные параметры:
1. Детекторная характеристика: U =f(с), где U0=const.

рабочие области характеристики там, где сохраняется линейность.
а) Крутизна детекторной характеристики:
SФД = dU /dc , при /2 и 3/2.
б) Область линейности характеристики: c. Отсюда следует - надо иметь максимальную крутизну и максимальную область линейности характеристики.
2. Входное сопротивление ФД.
3. Выходное сопротивление ФД.
4. Допустимый уровень линейных и нелинейных искажений. Уровень линейных искажений определяется допустимым уровнем частотных и фазовых искажений.
Нелинейные искажения определяются максимальным изменением амплитуды U0, которые дают допустимый уровень нелинейных искажений.
Встречаются три схемы построения ФД:
1) ФД вектромерного типа;
2) ФД коммутационного типа;
3) ФД синхронного типа.
11.1. ФД вектромерного типа.
В них образуется векторная сумма опорного и выходного напряжения При этом полученная информация заключена в величине угла между этими векторами.
Изменение фазы (угла) преобразуется в изменений результирующего вектора, т.е. фазовая модуляция превращается в амплитудную.

Затем происходит операция амплитудного детектирования.
Используются две схемы построения: однотактная и балансная.
Рассмотрим однотактную схему:




С увеличением с растет Uд.
Найдем детекторную характеристику:
; U0>>UcТогда U =
,где KД - коэффициент передачи амплитудного детектора.
с - рабочая область.
Достоинство: простота.
Недостатки: малый линейный участок, малая крутизна детекторной характеристики, детекторная характеристика не проходит через 0.
Поэтому на практике обычно применяются балансные схемы:

U =

Считаем, что 0=0.
;
;
;
. Здесь имеются три случая:



а) с=/2 б) с</2 в) с</2
Тогда выражение для детекторной характеристики:
U =
==
, где 

<< 1 ; U =

Т.к. U0>>Uc U KдUc cos(c).
Достоинства: Большая линейность характеристики, если U0=Uc/2, то будет максимум области линейности характеристики; большая крутизна; характеристика проходит через ноль.
Недостаток: более сложное построение.
11.2. Фазовый детектор коммутационного типа.
Строятся на балансной схеме и основа их - два ключевых элемента.
Опорное напряжение здесь - последовательность прямоугольных импульсов.

В качестве ключей используются диоды или транзисторы.
Опорное напряжение на ключи подается синфазно, т.е. на выходе не влияет.
Uвх подается парафазно:

Пусть с - между опорным и выходным сигналом.
U будет максимально т.е. разность I1 и I2 на сопротивление.

Пусть с=/2, т.к. Iср1 и Iср2
U =0.

Детекторная характеристика:
U KдUc cos(c) , где Кд - коэффициент передачи.
Достоинства: больший диапазон линейности характеристики; возможность реализации этого детектора в интегральном исполнении.
11.3. Синхронный фазовый детектор.

, где c - информационная фаза.
. После фильтрации на выходе будет: U

12. Частотные детекторы (ЧД).
Осуществляют мгновенное преобразование частоты входного сигнала в амплитуду выходного сигнала, изменяющегося по закону модулирующего сообщения.
Основные параметры:

1. Детекторная характеристика: U =(f), Uc=const , f0 - центральная частота (частота перегиба характеристики). Только такая форма характеристики используется в системах АПЧ ( цифрами 1 и 2 обозначены формы скатов).
а) Крутизна детекторной характеристики:
, при f = f0 .б) Полоса характеристики: fчд;
в) Область линейности характеристики: fлд;
г) Форма скатов характеристики.
2. Выходное сопротивление.
3. Выходное сопротивление.
4. Допустимое искажение выходного сигнала при изменении Uc.
Если ЧД используется в основном тракте приемника ЧМ-сигнала, то здесь должна быть широкая полоса и большая область линейности характеристики.
В другом случае ЧД является чувствительным элементом системы АПЧ; здесь главное требование - детекторная характеристика должна проходить через 0 и должна иметь максимальную крутизну.
Все разновидности ЧД делятся на две группы:
1) В начале ЧМ-сигнал преобразуется в АМ-сигнал, который подвергается амплитудному детектированию;
2) ЧМ-сигнал преобразуется в ФМ-сигнал, который подвергается фазовому детектированию.
12.1. ЧД на основе амплитудного детектора.
, где c - закон ЧМ-сигнала.
- идеальная дифференциальная цепь; на нее падает Uвх.Тогда:
. 
Второй вариант использования - идеальное избирательное устройство, у которого:

Тогда схема такого детектора:

на расстроенном колебательном контуре ЧМ-сигнал превращается в АМ-сигнал.
Главный недостаток: малая крутизна детекторной характеристики; малая область линейности и узкая полоса. Поэтому обычно применяют балансный ЧД:


- обобщенная расстройка:

,
, f0 = fp1 - fp2 , f = f - f0.
dэ - эквивалентное затухание колебания контура:
, где С - эквивалентная емкость колебательного контура, т.е. :
, где m1 и m2 - коэффициент включения к трансформатору и диоду.Rэкв - эквивалентное сопротивление колебательного контура (собственное сопротивление контура параллельно выходному сопротивлению транзистора и параллельно входному сопротивлению АД). U = Kd K0 Uвх (), где K0 - коэффициент усиления резонансного усилителя на резонансной частоте:
, Kd - коэффициент передачи АД.
, где
- нормированная детекторная характеристика.Достоинства: большая крутизна, большая область линейности, большая полоса, и характеристика проходит через ноль, т.е. схему можно применять в АПЧ.
Недостаток: зависимость детекторной характеристики ( выходное напряжение ) от амплитуды входного сигала, т.е.: если Uвх меняется, то появляется паразитная АМ сигнала.
Подобные ЧД распространены в СВЧ-диапазоне. Они используются для демодуляции несущего колебания и чувствительного элемента системы АПЧ.
Основу их составляют высокодобротный избирательный колебательный контур.
