Державні будівельні норми україни конструкції будинків І споруд
| Вид материала | Документы |
| Таблиця И.3 - Значення лінійних коефіцієнтів теплопередачі (k Тип вузла |
- Державні будівельні норми україни конструкції будинків І споруд, 1977.17kb.
- Державні будівельні норми україни, 7582.77kb.
- Державні будівельні норми україни конструкції будинків І споруд улаштування покриттів, 1403.44kb.
- Державні будівельні норми україни інженерне обладнання будинків І споруд, 2916.58kb.
- Державні будівельні норми україни Інженерне обладнання будинків І споруд, 3922.28kb.
- Державні будівельні норми україни інженерне обладнання будинків І споруд системи протипожежного, 3841.33kb.
- Норматив™ pro пользователь: тов ``Централь`` sn: 00999807 19. 07. 2010 державні будівельні, 1620.93kb.
- Державні будівельні норми україни витяг, 81.61kb.
- Закон україни, 818.89kb.
- Державні будівельні норми україни інженерне обладнання будинків І споруд проектування, 3959.62kb.
де kj – лінійний коефіцієнт теплопередачі, Вт/(м . К), j-го теплопровідного включення, для конструкцій, що не включені в таблицю И.3, значення цього показника визначаються за результатами розрахунків двомірних (тримірних) температурних полів згідно з И.5;
Lj – лінійний розмір, м, j-го теплопровідного включення за внутрішньою поверхнею термічно неоднорідної огороджувальної конструкції.
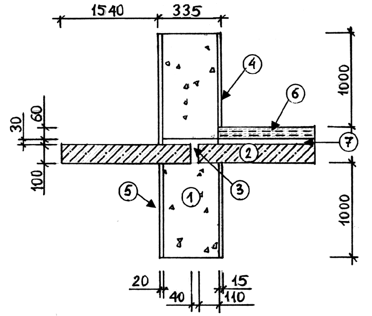
Таблиця И.3 - Значення лінійних коефіцієнтів теплопередачі (k) вузлів сполучення огороджувальних конструкцій
Тип вузла | Конструктивні елементи вузла | k вузла, Вт/( м К) |
| 1. Вузол сполучення балконної плити та зовнішніх стінових панелей | ||
![]() |
| k балкон=0,44 |
| 2. Вузол сполучення цокольної стінової панелі з рядовою зовнішньою панеллю та з плитою перекриття над підвалом | ||
![]() |
| k підвал=0,16 |
| 3. Вузол кутового сполучення стінових панелей | ||
![]() ![]() |
| k кута = 0,23 |




