Пособие для разработки методик по электрическим измерениям и испытаниям отдельных видов электрооборудования напряжением до и выше 1 кв часть II
| Вид материала | Документы |
- Вид работ №20. 11. «Монтаж и демонтаж трансформаторных подстанций и линейного электрооборудования, 21.36kb.
- Рекомендации по технологическому проектированию воздушных линий электропередачи напряжением, 486.43kb.
- Общие правила, 1335.1kb.
- Концепция настоящего стандарта основана на двух принципах: 1 Следует различать следующие, 182.68kb.
- Типовая инструкция по охране труда для электромонтера по обслуживанию лэп, электрооборудования, 125.41kb.
- Правила устройства электроустановок (пуэ) Заземление и защитные меры электробезопасности, 2678.23kb.
- Учебное пособие рпк «Политехник» Волгоград, 1200.72kb.
- «Северо-Запад», 187.63kb.
- Рекомендации Организации Объединенных Наций по промышленному развитию (юнидо); Стандарты, 33.53kb.
- Требования электробезопасности понятие «электробезопасность». Электробезопасность, 1094.57kb.
2.2.9. Проверка работы переключающего устройства и снятие круговой диа-
граммы.
Снятие круговой диаграммы следует производить на всех положениях переклю-
чателя. Круговая диаграмма не должна отличаться от снятой на заводе-изготовителе.
Проверку срабатывания переключающего устройства и давления контактов следует
производить согласно заводским инструкциям.
Круговую диаграмму переключающего устройства снимают при повороте веду-
щего вала от одного заранее выбранного положения до другого, затем при повороте об-
ратно. Диаграмму снимают таким образом, чтобы проверить работу
всех контактов контактора и избирателя.
Для реакторных устройств круговую диаграмму снимают при одном полном обо-
роте вертикального вала независимо от того, происходит ли за это время одно или два
переключения.
Для резисторных устройств, имеющих отдельный контактор, круговая и времен
ная диаграммы снимаются при переключении не менее, чем на два положения подряд,
так как эти устройства обычно работают со сдвигом регулировочных ответвлений.
Для трехфазных устройств допускается производить по фазное испытание, а для
устройств с параллельным соединением контактов проверяют одновременность размы
кания и замыкания параллельных контактов.
Если имеется предизбиратель, круговую диаграмму снимают между положениями
переключающего устройства, в пределах которых он участвует в переключениях.
Снятие круговой диаграммы РПН с реакторами. Для снятия круговой диаграммы необходим металлический диск с прикрепленной к нему круговой шкалой из электрокартона или бумаги, разделенной на 3600 через 10. Диаметр диска для удобства отсчета должен быть 300 - 350 мм.
Диск со шкалой укрепляют на вертикальном валу переключателя, при этом ось
вала должна проходить через центр шкалы.
Для отсчета угла поворота вала служит неподвижная стрелка, укрепленная на не-
подвижной части приводного механизма. Для повышения точности отсчета плоскость
шкалы должна быть перпендикулярна оси вертикального вала переключателя. Перед
началом измерений шкала устанавливается так, чтобы указательная стрелка показывала
нуль.
На силовых трансформаторах с РПН последних выпусков диск изготавливается на
заводе и укрепляется на верхней крышке приводного механизма. В этом случае указа-
тельную стрелку прикрепляют к одному из болтов нониусной муфты вертикального ва-
ла. Сливается масло из бака РПН, снимается крышка, контакты контактора протираются
насухо от масла.
Перед снятием круговой диаграммы переключающее устройство
устанавливают в обычных, рекомендуемых заводом-изготовителем положениях, напри-
мер, 5-е для РНТ-13 и 11-е для РНТ-18, РНТ-20, причем для исключения влияния люф-
тов приводной механизм ставят в исходное положение вращением его рукоятки в ту же
сторону, в какую будут вращать рукоятку при последующем снятии круговой диаграм-
мы.
В практике применяется несколько различных схем для снятия круговых диа
грамм - метод сигнальных ламп и метод амперметра-вольтметра.
Метод сигнальных ламп. Направление вращения приводного механизма при его
установке должно совпадать с направлением вращения при последующем снятии диа-
граммы; это исключает влияние люфтов переключающего устройства.
Электрическую схему для испытания собирают таким образом, чтобы моменты
замыкания и размыкания контактов избирателя и контактора фиксировались загоранием
и погасанием сигнальных ламп.

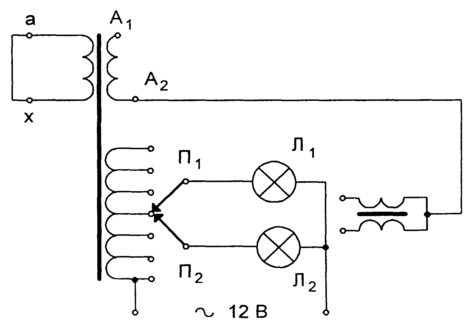
Рис. 2.12. Схема снятия круговой диаграммы
переключающего устройства с предизбирателем и мостиковым включением дугогасительных контактов.
П - контакты предизбирателя; П1, П2 - контакты избирателя;
К1, К2, К3 - контакты контактора; Л1, Л2 - сигнальные лампы.
На рис. 2.12 представлена схема снятия круговой диаграммы переключающего уст-
ройства с предизбирателем и мостиковым включением дугогасительного контактора,
реализующая данный метод. К контактам К1 и К2 подключается лампа на 12 В, а на вы-
воды А - Х подается питание от постороннего источника 220 В через реостат. Положение
реостата регулируется таким образом, чтобы при разомкнутом контакторе сигнальные
лампы горели с заметным накалом. Вместо сигнальных ламп можно включить ампер-
метры.
На рис. 2.13 представлена схема снятия круговой диаграммы с контактором и из-
бирателем при выведенной средней точке реактора.

Рис. 2.13. Схема снятия круговой диаграммы с контакторами
и избирателями при выведенной средней точке реактора
При снятии круговой диаграммы необходимо собрать схему, включить питание и
убедиться, что при размыкании контактов контактора загораются соответствующие сиг-
нальные лампы. Установить переключающее устройство в исходное положение. В этом
положении лампы гореть не должны. Медленно вращать рукоятку приводного механиз-
ма в сторону следующего положения. Размыкание контактов К1 контактора отмечают по
загоранию лампы JI1, а размыкание контактов избирателя П1 - по погасанию этой лампы.
Если устройство собрано неправильно (вместо контактов избирателя П1 переключаются
контакты П2), лампа не гаснет, а наоборот, загорается более ярко и может перегореть.
При дальнейшем вращении отмечают замыкание контактов П1 избирателя на следую-
щем положении (по загоранию лампы Л1) и замыкание контактов К1 контактора (по по-
гашению соответствующей лампы).
Продолжая вращение в ту же сторону, контролируют работу другой половины пе-
реключающего устройства с помощью сигнальной лампы JI2.
После прихода в следующее фиксирующее положение (по показаниям цифры в
окошечки коробки привода) продолжают вращение рукоятки привода немного дальше,
после чего снимают диаграмму в обратную сторону. При всех случаях загорания и по-
гасания сигнальных ламп фиксируются показания угла поворота диска шкалы.
Из прямого и обратного хода переключателя высчитывают его люфт.
Результаты измерений углов записывают в таблицу (см. табл. 2.11). При необхо-
димости отдельной проверки работы переключателей П1 и П2 дугогасительными кон-
тактами К1 и К2 нужно заложить изоляционные прокладки и повторно снять круговую
диаграмму.
Схема снятия круговой диаграммы переключающего устройства без отдельного
контактора представлена на рис. 2.14. Порядок снятия круговой диаграммы для данных
переключателей аналогичен представленному выше.
Метод "амперметра-вольтметра". Данный метод может быть применен при
наличии на месте измерения прибора К-50 или амперметра и вольтметра.
Для снятия круговой диаграммы необходимо собрать схему представленную на
рис. 2.15.
Таблица 2.11. Результаты измерения углов при снятии круговой диаграммы
| Операция | Л, | | Углы поворота вала | |||||
| ход от....... к........ | ход от....... к........ | |||||||
| а | Ь | с | а | Ь | с | |||
| К1 открывается | Загорается | Не горит | | | | | | |
| П1 открывается | Гаснет | Не горит | | | | | | |
| П1 закрывается | Загорается | Не горит | | | | | | |
| К1 закрывается | Гаснет | Не горит | | | | | | |
| К2 открывается | Не горит | Загорается | | | | | | |
| П2 открывается | Не горит | Гаснет | | | | | | |
| П2 закрывается | Не горит | Загорается | | | | | | |
| К2 закрывается | Не горит | Гаснет | | | | | | |

Рис. 2.14.схема снятия круговой диаграммы переключающего устройства без отдельного контактора
Затем подать питание на схему от автотрансформатора. Установить ток равный
примерно 5 А (ток протекает по цепи 1-А-К1-В-2). Медленно вращая рукоятку привод-
ного механизма, наблюдают за показаниями амперметра. При размыкание К1 (ток падает с 5 до 2 А) произвести отсчет углов по шкале углов (при разомкнутом К1 ток протекает по цепи 1-А- П1-Д- П2- К2-В-2).
Продолжая вращать рукоятку приводного механизма, фиксируют угол поворота
вала переключателя, при котором повышается напряжение (цепь тока разрывается), что
означает факт размыкания контакта П1. Продолжают вращать рукоятку и фиксируют
понижение напряжения по вольтметру (в цепи появляется ток). Данный факт означает
переход контакта П1 в следующее положение.

Рис. 2.15. Схема снятия круговой диаграммы
методом "амперметра-вольтметра".
При дальнейшем вращении рукоятки переключателя фиксируется угол включения
контакта контактора К1 по увеличению величины тока до 5 А.
Затем вращают рукоятку переключателя в обратном направлении и отмечают все
точки на шкале градусов, при которых происходят изменения тока или напряжения (по
аналогии с прямым ходом переключателя).
Подобным образом снимают круговые диаграммы на всех фазах, используя вна-
чале контакты К1, а затем контакты К2.
Из "прямого" и "обратного" хода вертикального вала вычисляют люфт приводно-
го механизма.
По результатам измерений строятся круговые (развернутые) диаграммы переклю-
чающих устройств.
Круговые диаграммы переключающих устройств с реактором отечественного
производства должны удовлетворять следующим требованиям:
- отрезок "а" (угол перекрытия контактов) на развернутой диаграмме должен быть
не меньше величины, указанной в табл. 2.12, в противном случае требуется регулировка
горизонтального вала переключателя;
- величина люфта, т.е. сдвиг между "прямым" и "обратным" ходом переключате-
ля, не должен быть более величины, указанной в заводской инструкции. Большой люфт является результатом плохой сборки или указывает на износ деталей переключающего механизма;
- промежуток, выраженный в углах поворота вертикального вала, в течение кото-
рого контактор закрыт, должен быть расположен симметрично относительно промежут-
ка, в течение которого переключатель закрыт;
- если развернутая диаграмма целиком несимметрична относительно линии 1800,
то необходима регулировка вертикального вала, соединяющего приводной механизм с
контакторной коробкой.
Совершенно недопустима такая работа переключающего устройства, при которой
переключатель открывается и закрывается, когда контактор закрыт.
Для ориентировки на рис. 2.1б приведены развернутые диаграммы переключаю-
щих устройств типа РНТ-13, РНТ-18, РНТ-20.
Таблица 2.12. Значения угла перекрытия контактов
| Тип переключающего устройства | Угол перекрытия, 0 |
| PHT-13 | 25-30 |
| PHT-18 | 15-20 |
| PHT-20 | 30 |
Снятие круговой диаграммы РПН с резисторами. Главная особенность рези-
сторных устройств РПН - наличие специального аккумулирующего узла, обеспечиваю-
щего завершение начавшегося процесса переключения с заданной скоростью независи-
мо от скорости приводного механизма. В качестве такого узла используется пружинный
привод быстродействующего контактора. Значительную часть времени переключения
таких устройств составляет время завода переключающих пружин. После окончания завода пружины освобождаются и запасенная в них энергия расходуется на быстрое переключение контактора в другое положение.
Поскольку переключение контактора совершается очень быстро, для резисторных
устройств РПН снимают не только диаграмму совместной работы контактора с избира-
телем в зависимости от угла поворота входного вала, но также диаграмму работы кон-
тактов контактора в зависимости от времени (осциллографируют временную диаграм-
му).
Проверка диаграммы совместной работы избирателя и контактора производится
методом "сигнальной лампы" по схеме приведенной на рис.2.17.
При сборке измерительной схемы следует обратить внимание на качество кон-
тактных соединений проводов. С этой целью к проводам, подсоединенным к контактам
контактора (маркировка 31-32) следует напаять зажимные контакты ("крокодилы").
Круговая диаграмма должна сниматься непрерывно, например, с положения 9 до
положения 12 и обратно.
Рекомендуется также снять диаграмму в двух крайних положениях, например, с 2-
го в 1-й и с 18-го в 19-й, для того, чтобы убедиться в правильности работы мальтийской
передачи и приводного механизма переключающего устройства.
Полный цикл переключения соответствует 33 оборотам вертикального вала при-
водного механизма (для устройств типа РС-3).

Рис. 2.16, а. Развернутая круговая диаграмма переключателя PHT-13.

Рис. 2.16, б. Развернутая круговая диаграмма переключателя PHT-18.
Конец переключения фиксируется по появлению "черной точки" в специальном
окне на приводе устройства.
Правильность работы переключающего устройства обеспечивается соблюдением
определенной очередности работы контактов избирателя и контактора. Наблюдая за по-
гасанием и загоранием сигнальной лампы и отмечая при этом число оборотов верти-
кального вала, можно судить об очередности работы контактов избирателя и контакто-
ра. Результаты снятия круговой диаграммы переключателя типа РС-3 фиксируются в
таблице (см. табл. 2.13).

Рис. 2.16, в. Развернутая круговая диаграмма переключателя РНТ-20.
Таблица 2.13. Таблица результатов снятия круговой диаграммы
переключателя типа РС-3
| Положение переключателя | Число оборотов вертикального вала с начала движения | ||||
| до начала движения контактов в избирателе | до размыкания контактов избирателя | до замыкания новоизбранного контакта избирателя | до переключе- ния контактов избирателя | до остановки движения вертикального вала | |
| Норма | 9 | 13 | 23 | 24-26 | 33 |
| 2-1 | | | | | |
| 9-10 | | | | | |
| 10-9 | | | | | |
| 10-11 | | | | | |
| 11-10 | | | | | |
| 18-19 | | | | | |
| 19-18 | | | | | |
Примечание: Диаграмма снимается при вращении привода вручную.
