Пособие для разработки методик по электрическим измерениям и испытаниям отдельных видов электрооборудования напряжением до и выше 1 кв часть II
| Вид материала | Документы |
- Вид работ №20. 11. «Монтаж и демонтаж трансформаторных подстанций и линейного электрооборудования, 21.36kb.
- Рекомендации по технологическому проектированию воздушных линий электропередачи напряжением, 486.43kb.
- Общие правила, 1335.1kb.
- Концепция настоящего стандарта основана на двух принципах: 1 Следует различать следующие, 182.68kb.
- Типовая инструкция по охране труда для электромонтера по обслуживанию лэп, электрооборудования, 125.41kb.
- Правила устройства электроустановок (пуэ) Заземление и защитные меры электробезопасности, 2678.23kb.
- Учебное пособие рпк «Политехник» Волгоград, 1200.72kb.
- «Северо-Запад», 187.63kb.
- Рекомендации Организации Объединенных Наций по промышленному развитию (юнидо); Стандарты, 33.53kb.
- Требования электробезопасности понятие «электробезопасность». Электробезопасность, 1094.57kb.
2.2.6. Проверка коэффициента трансформации.
Коэффициент трансформации силовых трансформаторов определяют для провер-
ки соответствия паспортным данным и правильности подсоединения ответвлений обмо-
ток к переключателю. Проверка производится на всех ступенях переключения. Коэффи-
циент трансформации должен отличаться не более, чем на 2% от значений, полученных
на том же ответвлении на других фазах, или от данных завода-изготовителя. Для транс-
форматоров с РПН разница между коэффициентом трансформации не должна превы-
шать значения ступени регулирования.
Из предусмотренных ГОСТ-3484-77 методов определения коэффициента транс-
формации в практике наладочных работ используется метод двух вольтметров. По это-
му методу к одной из обмоток трансформатора подводится напряжение и двумя вольт-
метрами одновременно измеряется подводимое напряжение и напряжение на другой
обмотке трансформатора. Подводимое напряжение не должно превышать номинальное
и в то же время должно составлять не менее 1% номинального напряжения. Для
трехфазных трансформаторов измерения можно проводить при трехфазном и однофаз-
ном возбуждении.
При испытаниях трехфазных трансформаторов измеряют линейные напряжения
на одноименных зажимах обоих обмоток. Если возможно измерить фазные напряжения,
то коэффициент трансформации можно определить по фазным напряжениям одноимен-
ных фаз. При однофазном возбуждении трансформатора с соединением обмоток звезда-
треугольник коэффициент трансформации измеряют с поочередным закорачиванием одной из фаз, соединенных в треугольник. Измерения проводятся на свободной паре фаз. Коэффициент трансформации определяется по формулам

где k1ф, k2ф,kЗф фазные коэффициенты трансформации;
UАВ, UВС, UАС, Uab, Ubc, Uac - измеренные напряжения на обеих обмотках трансформа-
тора.
Переход к линейному коэффициенту трансформации осуществляется по формуле

При однофазном возбуждении трансформатора с соединением обмоток звезда с
нулевым выводом - треугольник напряжение подводится поочередно к каждой фазе, при
этом не нужно закорачивать фазы. В этом случае определяется фазный коэффициент
трансформации

Схемы измерения коэффициентов трансформации однофазных трансформаторов
и трехфазных с различными схемами соединения обмоток приведены на рис. 2.4.
Коэффициент трансформации находят для всех ответвлений обмоток и всех фаз.
При испытаниях трехобмоточных трансформаторов достаточно определить коэффици-
ент трансформации для двух пар обмоток.







Рис. 2.4. Схемы измерения коэффициента трансформации силовых
трансформаторов.
а - однофазных; б - трехфазных по трехфазной схеме возбуждения; в - трехфазных с соединением обмоток Υ/ Υ по однофазной схеме возбуждения; г - трехфазных с соединением обмоток Υ/Δ по однофазной схеме возбуждения; д - трехфазных с соединением обмоток Υ/Δ, по однофазной схеме возбуждения.
2.2.7. Проверка группы соединений трехфазных трансформаторов и поляр-
ности выводов однофазных трансформаторов.
Группа соединения обмоток трансформатора характеризует угловое смещение
векторов линейных напряжений обмотки НН относительно векторов линейных напря-
жений обмотки ВН. Проверка производится при монтаже, если отсутствуют паспортные
данные или есть сомнения в достоверности этих данных. Группа соединений должна со-
ответствовать паспортным данным и обозначениям на щитке.
Проверить группу соединений обмоток трансформатора можно одним из сле-
дующих методов: двух вольтметров, фазометра (прямой метод), постоянного тока. Наи-
большее распространение получил метод постоянного тока.
Метод постоянного тока. В соответствии с данным методом проверка группы
соединения трехфазных трансформаторов производится следующим образом.
К одной паре зажимов обмотки ВН, например к зажимам "А-С", подключают
кратковременно источник постоянного тока (аккумулятор) напряжением 2-12 В, а к за-
жимам обмотки НН "а-в", "в-с", "а-с" поочередно подключают магнитоэлектрический
вольтметр (гальванометр) и определяют полярность выводов.
Для определения полярности необходимо произвести девять измерений для трех
случаев питания обмотки ВН: "А-В", "В-С", "С-А". При этом надо определить отклоне-
ние стрелки прибора, подключенного поочередно к выводам НН: "а-в", "в-с", "с-а" (пер-
вая буква указывает, что к ней должен быть присоединен "плюс" батареи или прибора).
Отклонение стрелки гальванометра вправо обозначается знаком плюс, влево - минус.
Полученные результаты сравнивают с данными, приведенными в табл. 2.9.
При сборке схемы следует строго следить за тем, чтобы подключение батареи и
гальванометра к зажимам трансформатора было выполнено по признакам полярности
(см. рис. 2.5).
Аналогичный метод используется для однофазных трансформаторов, а также для
трехфазных - при выведенной нулевой точке обмоток и при соединении обмоток Δ/Δ,
когда соединение в треугольник выполняется вне бака трансформатора. Группу соеди-
нений определяют по схеме рис. 2.б путем поочередной проверки полярности зажимов
"А-Х" и "а-х" магнитоэлектрическим вольтметром (нулевым гальванометром) при под-
ведении к зажимам "А-Х" напряжения постоянного тока 2 - 12 В. Полярность зажимов
"А-Х" устанавливают при включении тока. После проверки полярности зажимов "А-Х"
вольтметр отсоединяют, не отсоединяя питающего провода, и присоединяют его к за-
жимам "а-х". Полярность зажимов "а-х" определяют в момент включения и отключения
тока. Если полярность зажимов "а-х" при включении тока совпадает с полярностью за-
жимов "А-Х", а при отключении - противоположна, то трансформатор имеет группу со-
единения 0, в противном случае - группу соединения б.
Желательно, чтобы гальванометр имел нуль посередине шкалы. Можно пользо-
ваться прибором, имеющим нуль с краю шкалы, но при этом необходимо

Рис. 2.5. Схема проверки группы соединения обмоток трехфазных трансформаторов методом импульсов постоянного тока.

Рис. 2.6. Схема проверки группы соединения обмоток однофазных трансформаторов методом импульсов постоянного тока.
стрелку сдвинуть с нуля поворотом корректора. При возникновении сомнения в пра-
вильности обозначения зажимов гальванометра, их полярность можно установить, под-
ключив к гальванометру через большое сопротивление элемент батареи. Плюсовым за-
жимом гальванометра будет тот, при подключении к которому плюса элемента стрелка
гальванометра отклонится вправо. При отсутствии на месте измерения сопротивления
достаточной величины, гальванометр можно загрубить путем его шунтирования медным
проводом диаметром 0.1 - 0.5 мм. Следует иметь в виду, что отсчет отклонения стрелки
прибора на выводах НН необходимо производить в момент замыкания выводов обмотки
ВН на батарею. В противном случае это приведет к ошибочным данным (в момент раз-
мыкания цепи батареи показания прибора на стороне НН будут обратными).
Результаты опыта сводятся в таблицу, в которой отклонение стрелки вправо от-
мечается знаком плюс (+), влево - знаком минус (-), а отсутствие отклонения - нулем (0).
Табл. 2.9 составлена при условии, что плюсовой вывод источника тока и плюсовой за-
жим гальванометра подключаются к зажиму, обозначенному в таблице первым. Так, на-
пример, при определении отклонения стрелки гальванометра, подключенного к зажимам
"с-а", при подаче питания на зажим "А-В" "плюс" гальванометра должен быть подключен к зажиму "с" трансформатора, а "Плюс" источника питания к зажиму "А" трансформатора.
Таблица 2.9. Показания гальванометра при определении
группы соединения обмоток трехфазных трансформаторов
| Питание подведено к зажимам | Отклонение стрелки гальванометра, присоединенного к зажимам | ||||||||
| аЬ | Ьс | са | аЬ | bc | са | АЬ | Ьс | са | |
| | для группы 0 | для группы 4 | для группы 8 | ||||||
| АВ | + | - | - | - | - | + | - | + | - |
| ВС | - | + | - | + | - | - | - | - | + |
| СА | - | - | + | - | + | - | + | - | - |
| | для группы 6 | для группы 10 | для группы 2 | ||||||
| АВ | - | + | + | + | + | - | + | - | + |
| ВС | + | - | + | - | + | + | + | + | - |
| СА | + | + | - | + | - | + | - | + | + |
| | для группы 11 | для группы 3 | для группы 7 | ||||||
| АВ | + | 0 | - | 0 | - | + | - | + | 0 |
| ВС | | + | 0 | + | 0 | - | 0 | - | + |
| СА | 0 | - | + | - | + | 0 | + | 0 | - |
| | для группы 1 | для группы 5 | для группы 9 | ||||||
| АВ | + | - | 0 | - | 0 | + | 0 | + | - |
| ВС | 0 | + | - | + | - | 0 | - | 0 | + |
| СА | - | 0 | + | 0 | + | - | + | - | 0 |
Прямой метод (фазометром). Последовательную обмотку однофазного фазомет-
ра через реостат подключают к зажимам одной из обмоток, а параллельную обмотку - к
одноименным зажимам другой обмотки испытываемого трансформатора К одной из об-
моток трансформатора подводят напряжение, достаточное для нормальной работы фа-
зометра. По измеренному углу определяют группу соединений обмоток. При определе-
нии группы соединений трехфазных трансформаторов проводят не менее двух измере-
ний (для двух пар соответствующих линейных зажимов трансформатора). Схема про-
верки представлена на рис. 2.7.
Метод двух вольтметров. При проверке группы соединения этим методом со-
единяют зажимы "А" и "а" испытываемого трансформатора подводят к одной из обмо-
ток напряжение и измеряют последовательно напряжения между зажимами "Х-х" при
испытании однофазных трансформаторов и между зажимами "в-В", "в-с" и "с-В" при
испытании трехфазных трансформаторов. Измеренные напряжения (см. рис. 2.8) срав-
нивают с вычисленными по формулам табл. 2.10.
2.2.8. Измерение тока и потерь холостого хода.
В соответствии с требованиями ПУЭ производится одно из измерений:
а) при номинальном напряжении. Измеряется ток холостого хода. Значение тока
не нормируется;

Рис. 2.7. Схема проверки группы соединения
обмоток силового трансформатора методом фазометра.


Рис. 2.8. Схемы проверки группы соединения обмоток силовых трансформаторов методом двух вольтметров.
б) при малом напряжении. Измерение производится с приведением потерь к но-
минальному напряжению или без приведения (метод сравнения).
Опытом холостого хода трансформатора называется включение одной из его об-
моток (обычно низкого напряжения) под номинальное напряжение. Потребляемый при
этом ток называют током холостого хода Iхх (обычно выражают в % от Iном).
Таблица 2.10. Векторные диаграммы и расчетные формулы для определения
группы соединения силовых трансформаторов
| Группа соеди- нения | Угло- вое сме- щение ЭДС, 0 | Возможное соединение обмоток и век- торная диаграмма линейных ЭДС | Ub-B(Ux-X) | Ub-C | Uc-B |
| Номер формулы | |||||
| 0 | 0 | ΥΥ; ΔΔ; ΔΖ ![]() | 1 | 2 | 2 |
| 1 | 30 | ΥΔ; ΥΔ; ΔΖ ![]() | 3 | 3 | 4 |
| 11 | 330 | ΥΔ; ΔΥ; ΥΖ ![]() | 3 | 4 | 3 |
Примечание: Формулы табл. 2.10

где U2 > и Кл соответственно линейное напряжение на зажимах обмотки низшего напряжения и
линейный коэффициент трансформации.

Потребляемую при этом активную мощность называют потерями холостого хода
Рхх (кВт). Эта мощность расходуется, в основном, на перемагничивание электротехни-
ческой стали (потери на гистерезисе) и на вихревые токи. Ток и потери холостого хода
являются паспортными данными силовых трансформаторов.
Потери холостого хода трансформаторов Рхх, измеренные при нормальной часто-
те и весьма малом возбуждении (порядка нескольких процентов от номинального на-
пряжения трансформатора), можно пересчитать к потерям холостого хода при номи-
нальном напряжении по формуле

где Р’хх= Ризм – Рпр потери, измеренные при подводимом при измерении на-
пряжении (возбуждении) U;
Рпр и Ризм - соответственно мощность, потребляемая приборами и суммарные
потери в трансформаторе и приборах.
n - показатель степени, равный для горячекатаной стали 1,8; для холоднокатаной стали - 1,9.
Заводы-изготовители производят измерения потерь холостого хода при номи-
нальном напряжении и при малом (обычно 380 В) напряжении.
Измерение потерь холостого хода может быть произведено также при напряже-
нии, равном 5 - 10% номинального. Отличие полученных значений потерь от заводских
данных должно быть не более 10% для однофазных и не более 5% для трехфазных.
Измерение потерь холостого хода производится при напряжении и по схемам,
указанным в протоколе испытания завода-изготовителя.
Если завод-изготовитель производил измерения потерь холостого хода только при
номинальном напряжении трансформатора, то следует измерение потерь холостого хода
произвести при напряжении 380 В и выполнить пересчет их к номинальному напряже-
нию по формуле, указанной выше.
В дальнейшем измерение потерь холостого хода следует производить при напря-
жениях 380 В. У исправных трехфазных трехстержневых трансформаторов соотношение
потерь, как правило, не отличается от соотношений, полученных на заводе-
изготовителе, более, чем на 5%.
Для трансформаторов, имеющих переключающее устройство с токоограничи-
вающим реактором, дополнительно производится опыт холостого хода на промежуточ-
ном положении "Мост".
Измерение потерь холостого хода при напряжении 380 В следует производить до
измерения сопротивления обмоток постоянному току и прогрева трансформатора постоянным током.
При измерении потерь и тока холостого хода следует применять измерительные
приборы класса точности 0,5. Для измерений могут использоваться переносные измери-
тельные комплекты типа К-50 (К-51).
При измерении потерь и тока холостого хода при номинальном напряжении об-
моток выше 0,4 кВ рекомендуется применять измерительные трансформаторы класса
точности 0,2.
Потери холостого хода трехфазных трехстержневых трансформаторов измеряют
при трехфазном или однофазном возбуждении.
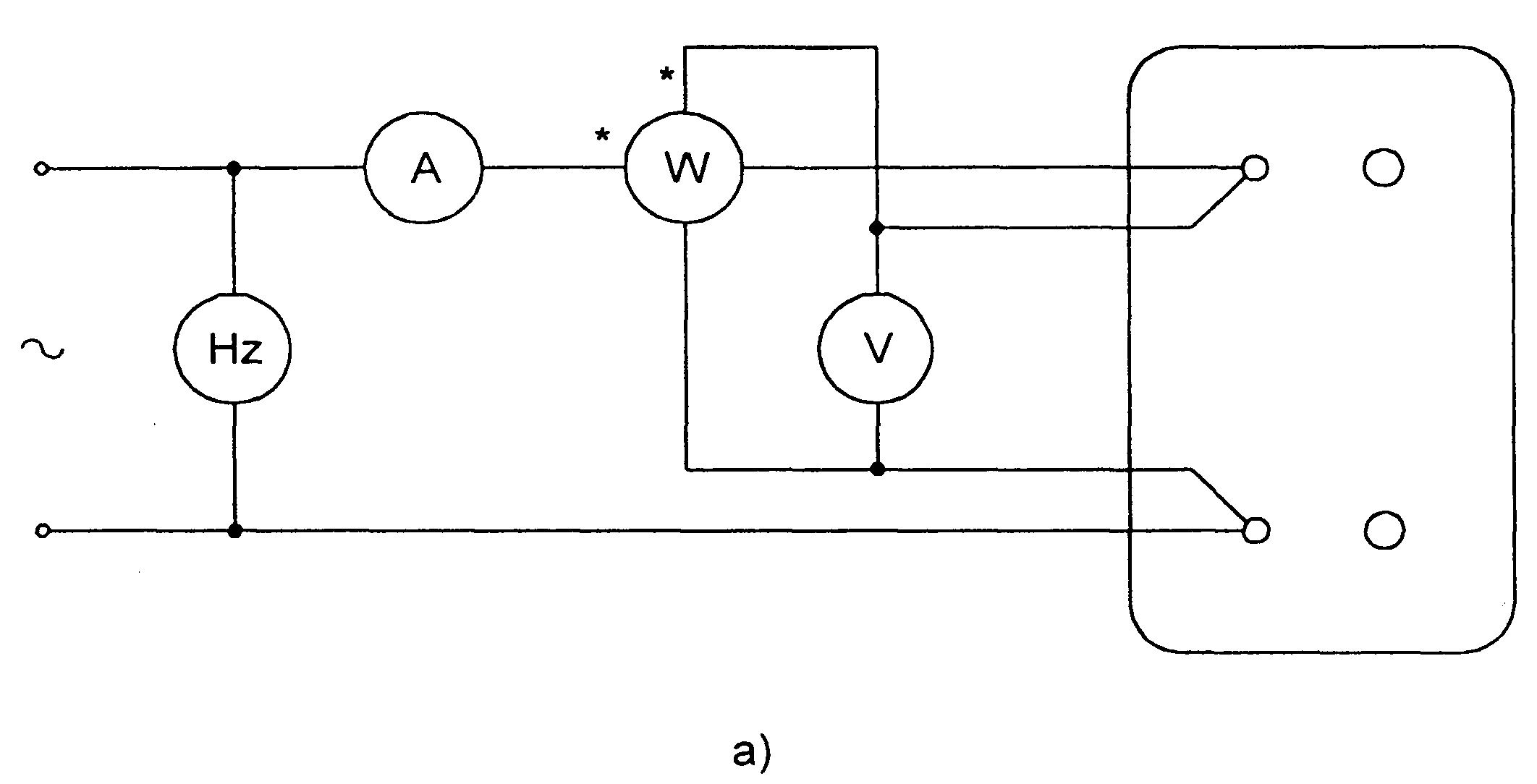
При трехфазном возбуждении измерения производят двумя однофазными ватт
метрами или одним трехфазным ваттметром (см. рис. 2.9).
Измеренные потери определяются как алгебраическая сумма потерь, измеренных
каждым ваттметром. Потери в трансформаторе определяют как разность измеренных
суммарных потерь и потерь в приборах (см. рис. 2.10), поскольку потери в приборах мо-
гут быть соизмеримы с потерями холостого хода.


Рис. 2.9. Схемы включения приборов при проведении опыта холостого
хода силовых трансформаторов.
а - для однофазных трансформаторов; б - для трехфазных трансформаторов.
Ток холостого хода трансформатора определяют как среднеарифметическое зна-
чение токов трех фаз.
При измерении потерь холостого хода при однофазном возбуждении напряжени-
ем 380 В проводят три опыта с приведением трехфазного трансформатора к однофазно-
му путем поочередного замыкания накоротко одной из его фаз и возбуждении двух дру-
гих фаз.
Первый опыт - замыкают накоротко обмотку фазы А, возбуждают фазы В и С
трансформатора и измеряют потери.
Второй опыт - замыкают накоротко обмотку фазы В, возбуждают фазы А и С
трансформатора и измеряют потери.


Рис. 2.10. Схемы измерения потерь холостого хода в трехфазных трансформаторов.
а - для измерения суммарных потерь; б - для измерения потерь в приборах.

Соединение первичной обмотки в треугольник

Соединение первичной обмотки в звезду с выведенной нулевой точкой
Группа соединения Υ0/Δ.
Рис. 2.11.а. Схемы возбуждения трехфазных трансформаторов
Третий опыт - замыкают накоротко обмотку фазы С, возбуждают фазы А и В
трансформатора и измеряют потери.


Группа соединения Y/Δ


Группа соединения Υ/Υ
Рис. 2.11.6. Схемы однофазного возбуждения трехфазных трансформаторов
Обмотки любой фазы замыкают накоротко на соответствующих выводах одной из
обмоток трансформатора. Схемы однофазного возбуждения трехфазного трансформато-
ра для измерения потерь при малом напряжении для различных групп соединений при-
ведены на рис. 2.11.
Потери в трансформаторе при напряжении U’

где U’ - приложенное напряжение при замерах потерь холостого хода;
P’0АВ, Р’0ВС, Р’0АС - потери, определенные при указанных выше опытах (за вычетом
потерь в приборах) при одинаковом значении подводимого напряжения.
Приведенные к номинальному напряжению потери трансформатора измеренные при некотором малом напряжении U’ определяются

где n — зависит от сорта трансформаторной стали: для горячекатаной 1,8; для холоднокатаной 1,9.
При отсутствии дефектов и одинаковых значениях подведенного напряжения,
приближенные соотношения между значениями фазовых потерь будут следующими:
- при соединении возбуждаемой обмотки в звезду (с доступной нейтралью) или
треугольник потери, измеренные при подведении питания к выводам обмоток фазы "А"
и "С" практически одинаковы и, как правило, не менее, чем на 25% больше потерь, из-
меренных при подведении питания к выводам обмотки средней фазы "В";
- при соединении возбуждаемой обмотки в звезду без доступной нейтрали потери,
измеренные при подведении питания к выводам "АВ" и "ВС", практически одинаковы, а
потери, измеренные при подведении питания к выводам "АС" на 25%
больше потерь, измеренных при подведении питания к выводам "АВ" и "ВС".
Необходимо иметь ввиду, что если измеряют потери у нескольких одинаковых
трансформаторов (одинаковая трансформаторная сталь и одинаковая величина подво-
димого напряжения), то у сравниваемых трансформаторов одинаковым значениям по-
терь холостого хода при номинальном напряжении (указанным заводом-изготовителем),
должны соответствовать приблизительно одинаковые значения потерь при малом на-
пряжении. Кроме того, у одинаковых трансформаторов соотношения фазовых потерь
должны быть приблизительно равными.



