Методические указания по курсу "основы схемотехники " Для студентов дневного, заочного, ускоренного и дистанционного обучения
| Вид материала | Методические указания |
- М. А. Бонч-Бруевича Методические указания к курсовому проектированию предварительных, 789.79kb.
- Методические указания к выполнению индивидуальных заданий для студентов дневного, 229.08kb.
- Методические указания по выполнению курсовых работ по дисциплине «теоретические основы, 468.27kb.
- Методические указания и контрольные задания к внеаудиторной самостоятельной работе, 722.31kb.
- Управлением Минобразования России общие методические указания, 378.75kb.
- Методические указания по выполнению курсовой работы по дисциплине, 543.48kb.
- Методические указания и контрольные задания к внеаудиторной самостоятельной работе, 500.1kb.
- Методические указания для студентов факультета психологии санкт-петербург, 262.38kb.
- Методические указания Ухта 2006 удк 681 06(076), 958.16kb.
- Методические указания к курсовой работе по дисциплине «Строительная теплофизика» для, 420kb.
Методические указания
по курсу
"ОСНОВЫ СХЕМОТЕХНИКИ "
Для студентов дневного, заочного, ускоренного и
дистанционного обучения
ВВЕДЕНИЕ
Курс “Основы схемотехники” предназначен для изучения принципов построения аналоговых узлов и устройств, применяемых в системах телекоммуникаций. Под термином "схемотехника" понимается, в первую очередь, умение составлять, анализировать, и рассчитывать принципиальные схемы основных функциональных узлов электронной аппаратуры.
Не смотря на бурное развитие и очевидные преимущества цифровой, микропроцессорной техники и методов цифровой обработки сигналов, аналоговая схемотехника продолжает применяться и развиваться. Более того, знание аналоговой электроники приобретает все большее значение.
Это связано, во первых, с тем, что по мере развития цифровой технологии повышаются требования к качеству входных и выходных аналоговых сигналов.
Во-вторых, многие устройства реализовать в цифровом виде полностью не удается либо в силу технологических ограничений (например, обработка в реальном времени сигналов ВЧ и СВЧ диапазонов требует слишком большого быстродействия цифровых систем, недостижимых на данном этапе технического развития), либо в силу функциональных ограничений (например, системы снятия и воспроизведения акустических сигналов, некоторые системы управления и сигнализации и другие требуют аналоговых окончаний - датчиков, микрофонов, громкоговорителей и т.п., а также устройств сопряжения с ними), либо с точки зрения технико-экономических показателей, поскольку в ряде случаев выполнить обработку сигналов в аналоговом виде оказывается значительно проще и дешевле, чем в цифровом.
С увеличением степени сложности систем управления объектами при построении современной аппаратуры зачастую используется комбинированная схемотехника, то есть в состав устройств входят аналоговые и цифровые микросхемы и микро-ЭВМ.
Кроме этого, знание схемотехнических особенностей построения аналоговых и цифровых интегральных схем позволяют использовать их более полно, иногда даже в тех режимах, для которых они не предназначены.
Курс "Основы схемотехники" основан на таких дисциплинах, как "Теория электрических цепей" и "Электронные, твердотельные приборы и микроэлектроника". Он может рассматриваться как общетехнический, являющийся базовым для таких дисциплин, как "Многоканальные системы телекоммуникаций", "Радиорелейная связь", "Передача дискретной информации", и как специальный, имеющий самостоятельное значение при разработке и эксплуатации систем передачи. Эта дисциплина включает, помимо цикла лекций (в объеме 6 часов), практическое занятие, цикл лабораторных работ (6 часов), контрольную работу и завершается сдачей экзамена.
Настоящие методические указания составлены на основе [6] и содержат перечень изучаемых вопросов, а также варианты заданий для контрольной работы и рекомендации по их выполнению. Приводимые расчетные соотношения и справочный материал позволяют студентам выполнить контрольную работу после ознакомления с соответствующими разделами одного из рекомендуемых учебников без использования какой-либо дополнительной литературы.
Литература
а) Основная.
1. Войшвилло Г.В. Усилительные устройства. – М.: Радио и связь, 1983. – 264с
2. Мурадян А.Г., Разумихин В.М., Тверецкий М.С. Усилительные устройства. – М.: Связь, 1975. – 280с.
3. Травин Г.А. Основы схемотехники устройств радиосвязи, радиовещания и телевидения. Ч.1, 2 – Новосибирск: СибГУТИ, 2001, 2002г.
б) Дополнительная
4. Цыкин Г.С. Усилительные устройства. – М.: Связь, 1971. – 386с.
5. Остапенко Г.С. Усилительные устройства. – М.: Радио и связь, 1989. – 400с.
6. Самарин М.С. Методические указания и задание на контрольную работу по курсу "Усилительные устройства" для студентов заочного отделения специальности 0708. – М.: МЭИС, 1990. – 39с.
1 Усилитель – основа аналоговой схемотехники
В современных системах телекоммуникаций, измерительной и вычислительной техники и многих других областях электроники самое широкое распространение получили усилители электрических сигналов. Они могут использоваться в различных аналоговых функциональных узлах, предназначенные для формирования и передачи сигналов по линиям связи. Усилители, генераторы, компараторы, преобразователи, активные фильтры, логические элементы, устройства регенерации строятся на основе усилительных каскадов, работающих в различных режимах и охваченных различными цепями межкаскадных и обратных связей. Усиление электрических сигналов является фундаментальным свойством всей аппаратуры обработки сигналов.
В общем случае усилением называется процесс управления энергией источника питания с целью получения на выходе усилительного устройства сигнала большей мощности, качественные показатели которого с заданной степенью точности соответствуют аналогичным характеристикам исходного сигнала.
Современные усилители строятся на основе использования новейшей элементной базы электронной техники в дискретном (на базе биполярных и полевых транзисторов) и интегральном (на базе интегральных микросхем - ИМС) исполнении. На рисунке 1 представлена обобщенная функциональная схема усилительного тракта, включающая в себя усилитель с собственным источником питания, источник сигнала и нагрузку усилителя.

Рисунок 1 – Общая функциональная схема усилителя.
Усилитель имеет входную и выходную сигнальные цепи и цепи питания. Во входную цепь включается источник сигнала, от которого к входу усилителя подводится сигнал с напряжением Uвх, током Iвх и мощностью Рвх. В выходную цепь включается нагрузка, к которой от усилителя подводится усиленный сигнал с напряжением Uвых, током Iвых и мощностью Pвых. К цепи питания усилителя подключается источник питания постоянного тока, мощность которого Р0 преобразуется в мощность усиленного сигнала Рвых.
Главным отличительным признаком усилителя является его способность увеличивать мощность сигнала, получая Рвых > Pвх. Это означает, что усилитель является активным четырехполюсником, что на схеме рисунка 1 отмечено треугольником – знаком усиления.
Приводимая в литературе классификация усилителей по ширине спектра усиливаемых частот, назначению, типу используемых усилительных элементов и другим признакам – весьма условна. Отличительных признаков существует достаточно много [1 - 5].
2 Основные технические показатели усилителей
Существуют несколько десятков показателей (характеристик или параметров) усилителей. Обычно для описания возможностей конкретного усилителя в техническом паспорте приводятся только 5 – 8 наиболее важных показателей.
Технические показатели усилителей характеризуют свойства усилителей и позволяют оценить их пригодность для выполнения конкретной технической задачи. Технические показатели усилителей зависят от схемотехники усилителей и от свойств используемой в них элементной базы [1, c . 10...41], [2, c .14...33], [3, c . 11...29].
Выделяют следующие основные технические показатели усилителей:
1. Входные и выходные показатели (данные), к которым относятся: входные и выходные ток, напряжение, мощность, а также входное и выходное сопротивление;
2. Коэффициенты усиления (по току, напряжению и мощности) и коэффициент полезного действия.
3. Амплитудная характеристика и взаимосвязанные с ней собственные (внутренние) помехи; нелинейные искажения, возникающие из-за присутствия в схемах нелинейных элементов, то есть элементов, параметры которых меняются при изменении амплитуды поданного на них сигнала, и динамический диапазон.
4. Линейные искажения – амплитудно-частотные (частотные), фазо-частотные (фазовые) и переходные и взаимосвязанные с ними амплитудно – частотная (АЧХ), фазо-частотная (ФЧХ) и переходная (ПХ) характеристики. Линейные искажения возникают из-за присутствия в схемах реактивных элементов.
5. Стабильность показателей, учитывающая зависимость параметров усилителей от дестабилизирующих факторов (температуры, дрейфа напряжения источников питания и т.д.).
6. Надежность, то есть способность устройства выполнять заданные функции в течение определенного времени.
Вопросы для самопроверки
- Перечислите основные показатели усилителя.
- Какие искажения называются линейными, нелинейными?
- Что такое частотные и переходные искажения? Что является мерой (количественной оценкой) этих искажений?
- При какой форме фазовой характеристики отсутствуют фазовые искажения в усилителе?
- Почему в усилителе возникают нелинейные искажения? Что является мерой этих искажений?
- Что такое динамический диапазон усилителя и как он связан с амплитудной характеристикой усилителя?
- Что показывают коэффициенты усиления? Как их выразить через напряжения, токи и мощности (в том числе в дБ)? Какая связь между ними?
3 Обратная связь и ее влияние на параметры усилителя
Обратной связью (ОС) называют такую связь между цепями усилителя, посредством которой энергия из последующих цепей и каскадов передается в предыдущие, то есть в направлении, обратном тому, в котором происходит процесс усиления сигнала.
Обратная связь (ОС) – это объективное свойство активных управляемых систем. В усилительных устройствах часть энергии выходного сигнала неизбежно снова попадает на вход (паразитная ОС) или вводится преднамеренно (полезная или внешняя ОС).
При положительной обратной связи (ПОС) сигнал обратной связи подается во входную цепь в фазе с сигналом, поступающим от источника и вызывает увеличение коэффициента усиления. Положительная ОС ухудшает основные качественные параметры усилителя, может привести к самовозбуждению усилителя и в усилительной технике применяется редко.
При отрицательной обратной связи (ООС) сигнал обратной связи подается во входную цепь в противофазе с сигналом, поступающим от источника. В этом случае появляется возможность за счет уменьшения сквозного коэффициента усиления в широких пределах изменять все качественные показатели усилителей в желательном направлении.
Распространенной схемой каскада с ООС является эмиттерный или истоковый повторители, которые обладают весьма высоким входным и малым выходным сопротивлениями.
Значительная часть усилителей, выполненных на интегральных микросхемах и дискретных элементах, охватывается цепями внешней обратной связи. Таким способом удается корректировать АЧХ, создавать усилители определенного функционального назначения (логарифмические усилители, интеграторы и т.д.). Однако многокаскадные усилители могут самовозбуждаться из-за нежелательных фазовых сдвигов в петле обратной связи, то есть в случаях, когда отрицательная обратная связь становится положительной. Выбирая необходимым образом форму годографа петлевого усиления (возвратного отношения), можно добиться желаемой устойчивости. Для этой цепи обычно используются частотно-зависимые корректирующие цепи.
В аппаратуре многоканальной электросвязи обратные связи используются практически во всех усилителях. Особенно широкое применение получили линейные усилители, устанавливаемые через каждые несколько километров вдоль кабельных линий. Высокую стабильность их параметров и независимость параметров от условий эксплуатации удалось достигнуть за счет использования глубокой обратной связи с дифференциальными трансформаторами на входе и выходе.
Часто самовозбуждение многокаскадных усилителей наступает из-за паразитных обратных связей. В зависимости от причины их возникновения используются различные способы устранения или уменьшения паразитных ОС: рациональный монтаж, экранировка, установка развязывающих фильтров в цепях питания.
При построении любых линий многоканальной электросвязи в тракт передачи сигналов приходится включать последовательно большое число усилителей, регенераторов и другой аппаратуры, которые должны обладать высокостабильными параметрами при воздействии разнообразных дестабилизирующих факторов (изменение температуры, давления, влажности, замена элементов, старение элементов и др.). Таким образом, использование ООС в аппаратуре МЭС практически обязательно [1, c. 4I...64], [2, c. 34...56], [3, c. 30...47]. [1, c. 211...232], [2, c. 302...333], [3, c. 248...261,310...318].
Основные расчетные формулы, применяемые при расчете параметров усилителя с обратной связью, приведены в таблице 1.
Таблица 1 – Основные расчетные формулы к разделу "Обратная связь"
| Глубина обратной связи, где - коэффициент передачи цепи обратной связи, КЕ – сквозной коэффициент усиления. | F = 1 + KЕ = 1+ Т |
| Сквозной коэффициент усиления | ![]() |
| Нестабильность коэффициента передачи | ![]() |
| Коэффициент нелинейных искажений | ![]() |
| Напряжение собственных помех | ![]() |
| Коэффициент частотных искажений | ![]() |
| Входное сопротивление (формула Блекмана), где Fвх(0) и Fвх() – соответственно глубина обратной связи при коротком замыкании и холостом ходе источника сигнала. | ![]() |
| Выходное сопротивление (формула Блекмана), где Fвых(0) и Fвых() – соответственно глубина обратной связи при коротком замыкании и холостом ходе нагрузки. | ![]() |
Вопросы для самопроверки
- Что такое обратная связь, петля обратной связи, чем отличается отрицательная обратная связь от положительной?
- Дайте определение возвратной разности и возвратного отношения (петлевого усиления и глубины обратной связи).
- Какие преимущества и недостатки имеет ООС?
- Причины самовозбуждения усилителя. Возможно ли самовозбуждение усилителя с ООС? Сформулируйте критерий устойчивости Найквиста.
- Перечислите способы снятия и введения обратной связи.
- Как зависит выходное сопротивление усилителя от способа снятия ООС?
- Как зависит входное сопротивление усилителя от способа ввода ООС?
- Как применить правило короткого замыкания и холостого хода для определения способа снятия и подачи ООС?
- Дайте определение сквозного коэффициента усиления. Как он меняется при введении цепи ООС?
- Дайте определение нестабильности коэффициента усиления. Как ООС влияет на него?
- Поясните на примере возможность уменьшения нелинейных искажений с помощью ООС.
- Как изменяются частотные искажения усилителя, охваченного цепью ООС?
- Дайте определение частотно-зависимой ООС.
- Расскажите о свойствах усилителя с комбинированной обратной связью.
- Какие свойства приобретают усилители с обратной связью мостового типа?
- Сформируйте критерий устойчивости Найквиста.
- Расскажите о принципах реализации устойчивых усилителей.
- Расскажите о способах подавления ОС.
4 Принципы построения усилительных схем
В зависимости от функций, выполняемых усилительным устройством в конкретной системе, выбирается его структурная схема, элементная база и ее режим работы, а также способы и виды подачи питания, регулировок и т. д.
Среди усилительных элементов наибольшее распространение получили биполярные и полевые транзисторы. Один из электродов транзистора всегда является общим для входной и выходной цепей. Существуют три схемы включения усилительных приборов (их названия совпадают с названием общего электрода), и в зависимости от этого усилительные свойства каскада, входные и выходные характеристики значительно изменяются. Комбинируя соответствующим образом схемы включения усилительных приборов, удается наиболее оптимально согласовать усилитель с источником сигнала и нагрузкой, построить межкаскадные связи, используя в качестве элемента связи конденсатор, трансформатор, оптроны, или применить непосредственную связь.
По цепям питания межкаскадная развязка осуществляется наиболее часто с помощью простейших RC и LC цепей.
Действенная стабилизация режимов работы усилительных приборов реализуется за счет использования цепей ООС по постоянному току, но иногда применяются и термозависимые элементы.
По способу подачи смещения и стабилизации различают схемы с фиксированным током базы, фиксированным напряжением смещения, а также схемы с коллекторной, эмиттерной и комбинированной стабилизацией [1, c. 64...134], [2, c. 57...94], [3, c. 48...I62] .
Вопросы для самопроверки
- Какая из возможных схем включения усилительных приборов позволяет получить наибольший коэффициент усиления по мощности?
- Какой каскад необходимо применить на выходе усилителя для согласования с малым сопротивлением нагрузки?
- Каковы основные достоинства каскадов с ОБ, ОК и ОЭ?
- Что такое граничная частота транзистора? Как она зависит от схемы включения транзистора?
- Сравните режимы работы А и В по коэффициенту полезного действия.
- В каких случаях целесообразно использовать режимы А, В, С и D?
- Почему нагрузочная прямая постоянного тока в трансформаторном каскаде при низкоомной нагрузке проходит более круто, чем нагрузочная прямая переменного тока, а в резисторном каскаде наоборот?
- Какие существуют способы межкаскадной связи? Назовите их достоинства и недостатки.
- Какие существуют способы стабилизации тока покоя? Поясните принцип работы схем стабилизации.
- Как протекают постоянные токи в типовых схемах резисторных каскадов?
- Поясните назначение элементов схем подачи смещения и стабилизации.
- Составьте принципиальные схемы эмиттерного и истокового повторителей напряжения.
- Покажите, что коэффициент усиления по напряжению у повторителей всегда меньше единицы.
- Перечислите основные свойства (эмиттерного, истокового) повторителя и докажите их, используя основные положения теории отрицательной обратной связи.
5 Каскады предварительного усиления
Каскады предварительного усиления, работающие при незначительных амплитудах входного сигнала, можно считать линейными. Основываясь на указанном допущении, для удобства выяснения частотных, фазовых и переходных характеристик такие каскады можно представить в виде эквивалентных схем и производить расчет элементов принципиальных схем аналитическим методом. При составлении эквивалентных схем изображаются элементы цепи каскада, по которым протекает переменная составляющая переменного тока (рис.2). При этом усилительный элемент (транзистор) заменяют эквивалентной схемой, изображенной в системе физических параметров, источник питания заменяют проводником, поскольку его сопротивление переменному току близко к нулю. Для упрощения анализа на эквивалентной схеме могут не показываться сопротивление и емкость в цепи эмиттера, являющимися элементами обратной связи. Влияние этих элементов часто анализируется отдельно.
Принципиальная схема простейшего резисторного каскада предварительного усиления с транзистором, включенным по схеме с общим эмиттером, и эмиттерной стабилизацией приведена на рисунке 2. Каскад часто называют резисторным с емкостной связью с нагрузкой. Элементы Rн и Cн - эквивалентные параметры нагрузки, например, входное сопротивление и входная емкость следующего каскада; Rг - выходное сопротивление источника (генератора) сигнала (ег). В области нижних частот сильно возрастает сопротивление разделительных конденсаторов Ср и блокировочного конденсатора Сэ. За счет возрастания реактивного сопротивления последнего в области нижних частот возникает ООС. В области верхних частот входная цепь транзистора шунтируется сопротивлением емкости
С0 вх =Сг + См + Свх э , (1)где Сг - емкость генератора; См - емкость монтажа; Свх э - входная емкость транзистора, включенного с общим эмиттером.

Рисунок 2 – Каскад предварительного усиления на биполярном транзисторе (пунктирными линиями показаны пути протекания входного и выходного переменного тока)
Выходная цепь транзистора шунтируется емкостью
С0 = Свых + См + Сн , (2)
где Свых - выходная емкость транзистора, Сн – емкость нагрузки, См – емкость монтажа, учитывающая паразитные связи между элементами вследствие конструктивных особенностей расположения компонентов на печатной плате.
По указанным причинам происходит падение коэффициента усиления в области нижних и верхних частот. Амплитудно-частотная характеристика (АЧХ) резисторного каскада имеет вид, показанный на рисунке 3. По оси ординат отложен относительный (нормированный) коэффициент усиления
, (3)где K(f) - коэффициент усиления на произвольной частоте f; K0 - коэффициент усиления в области средних частот, в пределах которой сопротивление емкости нагрузки достаточно велико, а сопротивление разделительного конденсатора Ср2 достаточно мало, чтобы с ними можно не считаться, так как всегда выполняется условие Cр2 >> C0. Аналогичное условие выполняется и для входной цепи каскада.
Искажения АЧХ производится по ее неравномерности, которая часто выражается в процентах в пределах полосы пропускания f = fв – fн или через коэффициент частотных искажений (М), показывающий, во сколько раз отличается коэффициент передачи на текущей частоте K(f) от коэффициента передачи на средней частоте K0:
(4)Неравномерность АЧХ + % максимальные отклонения коэффициента усиления в пределах f относительно его значения на какой-то оговоренной частоте f0 в области средних частот. У резисторного каскада без коррекции наблюдается только спад АЧХ. Поэтому к расчету должны приниматься
и
- относительные коэффициенты усиления на нижней (fн ) и верхней ( fв ) рабочей частоте. При этом коэффициенты частотных искажений определяются по формуле:
(5)
Рисунок 3 – Типовая нормированная амплитудно-частотная характеристика резисторного каскада
В области верхних частот при правильном выборе транзистора величина искажений определяется только постоянной времени нагружающей цепи (Rв экC0), причем, считается, что выходное сопротивление транзистора много больше Rк.
Эквивалентное сопротивление нагрузки в области верхних частот:
(6)Искажения, вносимые входной цепью, рассчитывается при проектировании предыдущего каскада.
Величина допустимых искажений в области нижних частот распределяется (с учетом разрешенной к применению элементной базы, а также других соображений) между переходной цепью (с учетом влияния выходной разделительной емкости Ср) – Мнр и цепью СэRэ – Мнэ. Если ограничения не оговариваются, то можно ориентировочно принять
(7)Тогда
, (ГОСТ ) (8)
, (ГОСТ), (9)где Sэ - крутизна характеристики тока эмиттера.
Прочие элементы схемы рассчитываются, исходя из соображений обеспечения необходимого режима работы транзистора по постоянному току. Принимаются меры по стабилизации тока покоя, поскольку он может существенно меняться особенно при изменении температуры переходов транзистора. От степени стабильности тока покоя зависит постоянство коэффициента усиления каскада и величина нелинейных искажений выходного сигнала.
При расчете параметров предыдущего каскада его сопротивление нагрузки Rн определяется входным сопротивлением следующего каскада, а емкость нагрузки Сн – входной емкостью рассчитываемого каскада:
R/н=(1/Rб1+1/Rб2+1/Rвх v) -1 ; (10)
С/н = (0.16/fтrэ)+ Ск(1+К), (11)
где Rб1 и Rб2 - резисторы в цепи базового делителя;
Rвх V - входное сопротивление транзистора;
Rэ=(0.026/Iк) - сопротивление эмиттера;
Ск - емкость коллекторного перехода;
fт - граничная частота транзистора;
К - коэффициент усиления каскада;
Iк - ток покоя.
Параметры fт и Ск – выбираются из справочника; Rб1, Rб2, Rвх V и К определяются в процессе расчета.
Другие схемы включения усилительных приборов (с общим коллектором, общей базой или аналогичными по назначению электродами полевых транзисторов) применяются более редко из-за меньшего коэффициента усиления мощности. Однако в широкополосных усилителях и усилителях, работающих в диапазоне высоких и сверхвысоких частот, последние два способа включения усилительных приборов широко применяются. В частности, схема с общим коллектором, получившая название «эмиттерный повторитель», используется в качестве буферного каскада для развязки последующих и предыдущих каскадов (уменьшения их влияния друг на друга), поскольку коэффициент передачи по напряжению такой схемы близок к единице, входное сопротивление составляет сотни кОм, а выходное – единицы Ом. Схема эмиттерного повторителя приведена на рисунке 4.

Рисунок 4 – Схема эмиттерного повторителя на биполярном транзисторе
В цепи питания пунктиром показаны элементы фильтра (Rф, Сф), который часто используют при построении многокаскадных усилителей для устранения паразитной обратной связи по цепи питания, что повышает устойчивость усилителя.
С целью коррекции амплитудно-частотной характеристики в области верхних частот или коррекции формы переходной характеристики в области малых времен часто используют явление резонанса либо частотно-зависимую ООС. Для коррекции АЧХ в области нижних частот, а также переходной характеристики в области времен применяют частотно- зависимые ООС и частотно- зависимые нагрузки.
При необходимости усиливать сигналы с полосой в десятки и сотни мегагерц применяются усилители с распределенным усилением, в которых используются принцип сложения сигналов на искусственной линии задержки.
В каскадах предварительного усиления часто применяют трансформаторную межкаскадную связь с использованием резонансных явлений. В связи с развитием микроэлектроники получили широкое распространение каскады с непосредственной (гальванической) связью.
[1, c. 134...183] , [2, c. 94...118] , [3, c. 163...245] .
Вопросы для самопроверки
- Что такое эквивалентный генератор тока (напряжения)?
- Нарисуйте принципиальную схему резисторного каскада на транзисторе. Покажите пути, про которым проходят постоянная и переменная составляющие коллекторного тока, а также пути протекания постоянной и переменной составляющих тока базы.
- Нарисуйте эквивалентную схему резисторного каскада на транзисторе для области средних частот. Определите коэффициенты усиления тока, напряжения, мощности.
- Нарисуйте эквивалентную схему резисторного каскада в области нижних частот. Поясните причину возникновения частотных искажений.
- Нарисуйте эквивалентную схему резисторного каскада в области верхних частот . Поясните причину возникновения частотных искажений.
- Какие искажения возникают при усилении резисторным каскадом импульсных сигналов?
- Для какой цели ставятся блокирующие конденсаторы в цепи истока, эмиттера, катода и экранирующей сетки?
- Что такое площадь усиления?
- На каком принципе основана работа схем высокочастотной коррекции с помощью корректирующих катушек?
- Как можно корректировать АЧХ с помощью цепи Rф Сф ? Нарисуйте эквивалентную схему каскада.
- Приведите пример использования частотно-зависимых цепей ООС с целью коррекции АЧХ резисторных каскадов.
- Каковы достоинства и недостатки трансформаторных каскадов?
- Нарисуйте эквивалентную схему трансформатора и объясните причины возникновения частотных искажений.
- Каково назначения входного трансформатора?
6. Выходные и предвыходные каскады
Выходные и предвыходные каскады являются каскадами мощного усиления, так как работают при максимальном или достаточно полном использовании характеристик усилительных приборов. Выходные каскады предназначены для обеспечения заданной мощности в нагрузке. Таким образом, схемотехника выходного каскада, выбор усилительного элемента и его режима работы определяются параметрами нагрузки. Расчет каскадов усиления мощности часто ведут графоаналитическим способом. В зависимости от назначения усилителя нагрузка подключается непосредственно к усилительному прибору через разделительный конденсатор или трансформатор. С целью увеличения КПД в выходных каскадах усилителей часто применяют двухтактные схемы, работающие в режиме "В" или точнее в режиме "АВ" (для уменьшения коэффициента гармоник).
Большинство усилителей звуковой частоты в настоящее время выпускаются с бестрансформаторными выходными каскадами на комплиментарных транзисторах с параллельным возбуждением. Для использования в области высоких частот комплиментарные пары (два транзистора с одинаковыми параметрами, но разной структуры: p-n-p и n-p-n) подобрать трудно. В мощных выходных бестрансформаторных каскадах в указанной области частот используют транзисторы одинаковой структуры с последовательным возбуждением. Применяются и другие схемные решения.
Ранее считалось, что бестрансформаторные усилители непригодны для усиления групповых сигналов при частотном уплотнении каналов связи из-за заметных нелинейных искажений. Теперь они широко применяются для передачи по кабелю самых разнообразных широкополосных сигналов.
Очень широко в аппаратуре многоканальной электросвязи применяются однотактные трансформаторные каскады. Основные достоинства каскада:
а) с помощью трансформатора для любого усилительного прибора можно обеспечить нагрузку оптимальной величины при любой по величине внешней нагрузке. Оптимальной принято считать такую нагрузку, при которой транзистор работает в режиме отдачи максимальной мощности при допустимом уровне нелинейных искажений, т.е. возможно полно используется по току и напряжению;
б) постоянная составляющая тока коллектора не протекает через нагрузку, КПД каскада повышается;
в) с помощью трансформатора можно перейти от несимметричного выхода транзистора к симметричной нагрузке.
В радиоэлектронике применяются и двухтактные трансформаторные каскады, работающие в режиме А. Они обладают еще некоторыми достоинствами: отсутствуют четные гармоники – то есть уменьшаются нелинейные искажения, переменная составляющая тока транзисторов не протекает через источник питания - устраняется опасность возникновения паразитных обратных связей, отсутствует постоянное подмагничивание сердечника трансформатора - снижают требования к магнитопроводу, каскад не реагирует на синфазные помехи - снижаются требования к пульсациям напряжения питания.
Для возбуждения двухтактных каскадов применяются фазоинверсные каскады, среди которых наиболее распространенные нашли каскады на комплиментарных транзисторах, трансформаторные, с разделенной нагрузкой и с эмиттерной связью. [1, c. 183...211] , [2, c. 118...141] , [3, c. 122...163] .
Вопросы для самопроверки
- Дайте определение каскада мощного усилителя.
- Как строится нагрузочная прямая однотактного трансформаторного каскада мощного усиления на транзисторе, работающем в режиме А?
- Дайте определение оптимальной нагрузке каскада.
- Почему точку покоя каскада, работающего в режиме В, выбирают не на оси абсцисс выходных характеристик, а несколько смещают вверх?
- Двухтактный каскад в режиме А. Основные достоинства.
- Расскажите об основных достоинствах и недостатках трансформаторных каскадов усиления мощности .
- Как строится нагрузочная прямая резисторного каскада мощного усиления (режим А)?
- Нарисуйте схему бестрансформаторного усилителя на комплиментарных транзисторах с разделительным конденсатором на выходе. Покажите пути прохождения тока через нагрузку.
- Нарисуйте схему бестрансформаторного усилителя на комплиментарных транзисторах с непосредственной связью с нагрузкой . Покажите пути прохождения тока через нагрузку.
- Нарисуйте схему бестрансформаторного усилителя на транзисторах одинаковой структуры с последовательным возбуждением. Поясните принцип работы схемы.
- Нарисуйте схемы фазоинверсных каскадов . Сравните их по качественным показателям.
8. Усилители на интегральных микросхемах
В результате разработки и освоения массового выпуска интегральных микросхем ИМС появилась возможность создавать сложную высоконадежную радиоэлектронную аппаратуру. В настоящее время промышленность освоила выпуск практически всех известных функциональных узлов, кроме мощных каскадов с выходной мощностью более 20...50 Вт.
Технология изготовления твердотельных ИМС предусматривает одновременное формирование однотипных элементов. Появилась возможность реализации дифференциальных каскадов с высокой симметрией плеч и, следовательно, возможность создания усилителей постоянного тока (УПТ) с очень малой величиной дрейфа нуля. На их базе созданы операционные усилители (ОУ) – универсальные, многофункциональные усилители с высокостабильными показателями, с помощью которых можно производить обработку аналоговых и импульсных сигналов по алгоритму, определяемому структурой внешних цепей и устройств. Операционные усилители стали основой элементной базы современной аналоговой электроники в целом.
Идеальный ОУ характеризуется более чем десятком отличительных признаков, среди которых для проведения простейших расчетов достаточно знать только четыре:
- Коэффициент усиления ОУ без обратной связи
. При этом условии в случае введения ООС коэффициент усиления рассчитывается по формуле;
KUF = KU / (1+ KU) (12)
С учетом KU , можно утверждать, что К >>1. Тогда
KUF 1/ , (13)
где - коэффициент передачи цепи ОС. Это условие достижения стабильности всех параметров функционального узла, собранного на ОУ.
- Рабочий частотный диапазон: fн = 0,
- условие универсальности.
- Входное сопротивление без ООС
, выходное сопротивление Rвых 0 - условие отсутствия влияния на источник сигнала и отсутствия влияния нагрузки на параметры ОУ.
- Если на входе ОУ сигнала нет, то его не должно быть на выходе, то есть если оба входа закорочены на корпус, то на выходе ОУ должен быть нулевой потенциал.
У реальных ОУ коэффициент усиления KU =500...106, а АЧХ круто падает при увеличении частоты сигнала.
Для проведения инженерных расчетов удобно пользоваться АЧХ, приведенной на рисунке 5. Она строится следующим образом. На оси ординат в логарифмическом масштабе откладывается паспортная величина KU, а на оси абсцисс частота единичного усиления f1 - это частота ,на которой KU уменьшается до единицы.
Пусть KU = 105 , f1 = I МГц . Затем от отметки на оси ординат проводится прямая до частоты f1/KU Гц , и эта точка соединяется с отметкой f1. Всегда соблюдается закономерность: чем больше KU , тем меньше f1 .
Входное сопротивление может достигать нескольких ГОм, а выходное составляет десятки - сотни Ом.
Р
исунок 5 – Амплитудно-частотная характеристика реального ОУ
Амплитудная характеристика ОУ приведена на рисунке 6.

Рисунок 6 – Амплитудная характеристика ОУ
Буквами +Е0 и –Е0 отмечено напряжение источников питания, а буквами U+вых и U -вых - максимальная амплитуда выходного сигнала. На рисунке 5 U+вых = U -вых, но это условие на практике не всегда выполняется. Полный раствор входной характеристики Uвх, как правило, измеряется долями милливольта. Поэтому в схемах обработки аналоговых сигналов с помощью ООС его приходится искусственно расширять.
[I, c. I34...I48, 232...236], [5, c.5...23, 29...35] .
Вопросы для самопроверки
- Какие существуют виды ИМС? В чем заключается их отличие?
- Нарисуйте частотную, переходную и амплитудную характеристику усилителя постоянного тока.
- Что такое дрейф нуля? Как можно уменьшить дрейф нуля?
- Нарисуйте схему дифференциального каскада на транзисторах. Расскажите о его достоинствах.
- Дайте определение операционного усилителя. Как он может быть использован для решения конкретных задач?
- Перечислите свойства идеального ОУ.
- Какова структура ОУ?
- Для достижения какой цели питание ОУ осуществляется от двухполярного источника?
- Для чего применяются выводы коррекции и балансировки в схемах ОУ?
- Перечислите основные технические параметры ОУ.
9. Элементы аналоговых устройств на базе операционных усилителей
Существуют две основные схемы включения ОУ: инвертирующий усилитель (фаза выходного сигнала сдвинута на I80 по отношению к фазе входного) и неинвертирующий усилитель. В зависимости от способа подачи двух или более сигналов на инвертирующий и неинвертирующий входы ОУ можно создать операционный повторитель (аналог эмиттерного повторителя), суммирующий усилитель или усилитель разности входных сигналов (дифференциальный усилитель).
На базе ОУ строятся активные фильтры. В общем случае активный фильтр - это функциональный узел, состоящий из резисторов, конденсаторов и усилительных приборов, АЧХ которого аналогична характеристикам цепей, выполненных с использованием конденсаторов, катушек индуктивности и резисторов. Есть активные фильтры нижних частот, верхних частот, полосовые и режекторные фильтры. Характеристики фильтров формируются соответствующим подбором структуры цепей подачи сигнала на вход ОУ и цепей ОС.
ОУ - многофункциональные устройства. Они используются в схемах перемножителей, делителей, компараторов, автогенераторов и так далее.
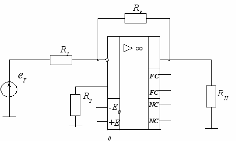
Принципиальная схема часто применяемого инвертирующего усилителя на ОУ приведена на рисунке 7. В основном поле изображения ОУ помещен знак функционального назначения элемента (
) - усилитель с бесконечно большим коэффициентом усиления. Инвертирующий вход обозначен кружком. В дополнительных полях помещены следующие метки: +E0, -E0 - подключение источников питания, FC- подключение цепей коррекции АЧХ; NC - подключение элементов балансировки усилителя. Цепи коррекции и балансировки индивидуальны для каждого усилителя и поэтому на рисунке 6 не показаны.С

игнал на ОУ подается от генератора ег. Сигнал ООС на вход подается через резистор R3, а с помощью резистора R1 задается необходимый коэффициент передачи цепи ООС.
Рисунок 7 – Инвертирующий усилитель на ОУ
Коэффициент усиления неинвертирующего усилителя определяется по формуле:
(14) Резистор R2 = R1R3/(R1+R3) ставится для симметрирования входов по постоянному току (для уменьшения разностного входного тока ОУ).
Входное и выходное сопротивление подсчитываются по следующим формулам:
, (15)
(16) Входная емкость, рассчитываемая относительно инвертирующего входа, учитывается при расчете предыдущего каскада
Свх СпрKU , (I7)
где Спр 1пФ - проходная емкость резистора R3.
[1, c. 253... 257], [5, с. 36...40].
Вопросы для самопроверки
- Нарисуйте схемы включения инвертирующего и неинвертирующего усилителя на ОУ.
- Как рассчитать коэффициент усиления ОУ с включенной цепью ОС?
- Нарисуйте схему суммирующего усилителя на ОУ.
- Нарисуйте схемы простейших активных фильтров нижних и верхних частот . Поясните принцип их работы.
- Нарисуйте схему избирательного усилителя с двойным Т- образным мостом в цепи ОС. Поясните принцип его работы.
- Дайте определение активного фильтра . Объясните его достоинства по сравнению с фильтром на L C элементах.
10. Схемы усилителей
По окончанию изучения курса "Основы схемотехники" в целях самоконтроля рекомендуется составить принципиальные схемы простейших усилителей, перечень которых приведен ниже. Надо уметь объяснить принцип действия усилителя и назначение отдельных его компонентов. В транзисторных каскадах должна быть предусмотрена температурная стабилизация (или температурная компенсация) положения рабочей точки. Предлагается изобразить принципиальные схемы по следующим заданиям:
- Трехкаскадный усилитель с непосредственной связью между каскадами.
- Фазоинверсный каскад с разделенной нагрузкой.
- Двухкаскадный транзисторный усилитель с ООС по напряжению.
- Каскад на транзисторе с коррекцией искажений вершины импульсных сигналов с помощью специального коллекторного фильтра( RфСф ).
- Однотактный трансформаторный каскад на транзисторе с последовательной ООС по току.
- Однотактный трансформаторный каскад усилителя мощности на транзисторе, включенном по схеме с ОЭ.
- Дифференциальный каскад на полевых транзисторах.
- Каскад на транзисторе с эмиттерной высокочастотной коррекцией.
- Каскад на транзисторе с параллельной высокочастотной коррекцией (с корректирующей индуктивностью)
- Каскад на транзисторе с параллельной ООС по напряжению.
- Резисторный каскад на транзисторе с эмиттерной схемой стабилизации тока покоя и развязывающим фильтром (RФ CФ) в цепи питания.
- Бестрансформаторный каскад мощного усилителя на комплементарных транзисторах.
- Эмиттерный (истоковый) повторитель.
- Двухтактный (трансформаторный) каскад мощного усиления на транзисторах, работающих в режиме А.
- Двухтактный бестрансформаторный каскад с последовательным возбуждением транзисторов.
- Инвертирующий усилитель на ОУ.
- Неинвертирующий усилитель на ОУ.
- Активный фильтр нижних частот на ОУ.
- Активный фильтр верхних частот на ОУ.







