Конспект лекций по курсу «безопасность жизнедеятельности»
| Вид материала | Конспект |
Содержание4.3. Нормализация внутренней среды помещений |
- Конспект лекций по курсу "Безопасность жизнедеятельности", 1983.63kb.
- Н. В. Ткаченко Безопасность жизнедеятельности. Конспект, 1781.2kb.
- Примерная программа наименование дисциплины «Безопасность жизнедеятельности» Рекомендуется, 247.55kb.
- Курс лекций по дисциплине «безопасность жизнедеятельности», 1553.02kb.
- Конспект лекций по дисциплине «безопасность жизнедеятельности» для иностранных студентов, 3250.15kb.
- Конкурс дипломных проектов по специальности 280101 «Безопасность жизнедеятельности, 110.05kb.
- Конспект лекций по курсу «Организация производства», 2034.84kb.
- Конспект лекций по курсу «Организация производства», 2032.47kb.
- Конспект лекций по курсу "Начертательная геометрия и инженерная графика" Кемерово 2002, 786.75kb.
- Конспект лекций по курсу «бизнес-планирование в условиях рынка», 461.46kb.
4.3. Нормализация внутренней среды помещений
Важным условием хорошего самочувствия, а также производительного и здорового труда является нормализация воздушной среды в помещении. Нормализация производится для всего объема помещения (бытовые, жилые и др. объекты) и для рабочих зон производственных помещений. Рабочей зоной является пространство высотой до 2 м над уровнем пола или площадки, на которых находятся места постоянного или временного пребывания работающих. К постоянным относят места, где работающий находится более 50% всего или более 2 часов непрерывно.
Нормализация внутренней среды помещений объединяет две группы мероприятий: во-первых, аналогично защите атмосферы необходимо обеспечивать чистоту воздуха (т.е. нормируемые концентрации загрязнений) и, во-вторых, поддерживать нормируемые величины параметров микроклимата или гигиенические нормативы. Последние оказывают основное влияние на тепловое самочувствие человека.
а. Микроклимат помещений и теплообмен человека со средой
Микроклимат — это климат внутренней среды, который определяется действующими на человека температурой окружающих поверхностей tп,С, от которой зависит интенсивность их теплового излучения, и сочетаниями параметров микроклимата, таких как, температура tВ,С, относительная влажность В,%, скорость движения воздуха В, м/с. Эти сочетания определяют характер и интенсивность теплового взаимодействия человека со средой, его физическое и психологическое состояние.
Жизнедеятельность организма связана с постоянным выделением тепла QЧ. В зависимости от степени физического напряжения в организме выделяется от 85 (в состоянии покоя) до 500 Дж/с (при тяжелой работе). Тепловыделение организма QЧ зависит от тяжести физической работы. По общим энергозатратам работы подразделяются на 3 категории:
- легкие физические (кат.I, энергозатраты составляют до 172 Дж/с);
- средней тяжести (кат.II, 172...293 Дж/с);
- тяжелые физические (кат.III, более 293 Дж/с).
Для поддержания температуры организма и физиологических процессов на нормальном уровне (tВН=36,5С) необходим постоянный тепловой баланс между организмом и окружающей средой, когда QЧ соответствует интенсивности теплоотдачи из организма QЧ=QТО. При нарушении этого баланса происходит либо перегрев, либо переохлаждение организма и, как следствие, потеря трудоспособности, сознания и тепловая смерть. Выполнение, например, работ средней тяжести (ходьба) при полной теплоизоляции приводит к повышению температуры внутренних органов через 1 час на 5С. Даже в состоянии покоя эта температура повышается на 1,2С. В некотором диапазоне колебания температуры безвредны из-за компенсаторных защитных реакций системы терморегуляции. Этот диапазон зарегистрирован от 25 до 43С.
Тепловое взаимодействие человека со средой осуществляется в процессе сложного тепломассообмена, т.е., во-первых, за счет составляющих теплообмена:
- конвекции из-за омывания тела воздухом qК;
- теплопроводности через одежду qТ;
- излучения с поверхности открытых частей тела и одежды qИ
во-вторых, за счет составляющих массообмена:
- испарения влаги с поверхности кожи и в выдыхаемом воздухе qП;
- нагрева вдыхаемого воздуха qД.

Количество теплоты, отдаваемой организмом различными путями, зависит от величины того или иного параметра микроклимата и условий теплообмена. Так, величина qК тем больше, чем ниже температура среды tВ и выше скорость В. При повышении tВ до температуры кожных покровов (зимой 27,5С, летом 31С) теплоотдача прекращается. Дальнейшее ее увеличение приводит к нагреву тела.
Величина qТ зависит от площади и теплопроводности одежды и температуры окружающей среды. Уменьшение коэффициента теплопроводности ткани, увеличение ее толщины и площади, а также повышение температуры среды ведет к снижению теплоотдачи.
Излучение организмом теплоты происходит в направлении окружающих поверхностей, имеющих более низкую температуру, чем поверхности открытых участков кожи и одежды. Величина qИ зависит от излучающих свойств, температуры, площадей поверхностей теплообмена и их взаиморасположения.
В зависимости от физической нагрузки и параметров среды с поверхности кожи и легких выделяется разное количество влаги. В комфортных условиях в состоянии покоя 40 г/час, при tВ=30С 120 г/час. Повышение нагрузки до тяжелой увеличивает влагоотделение до 570 г/час. При испарении 1 л воды из организма выводится 2257 КДж тепловой энергии. Кроме того, величина qП зависит от скорости В и влажности воздуха В.
Величина qД меняется в зависимости от физической нагрузки, влияющей на легочную вентиляцию (т.е. объем вдыхаемого в единицу времени воздуха), и разности температур между вдыхаемым и выдыхаемым воздухом.
б. Влияние параметров микроклимата на человека
Переносимость человеком температуры и его теплоощущения зависят от взаимного воздействия на организм температуры, влажности и скорости воздуха. Чем больше В, тем меньше интенсивность испарения влаги с поверхности кожи и легких и тем быстрее при повышенной температуре среды и (или) тепловыделении организма QЧ наступает перегрев. Особенно неблагоприятна среда c tВ30C, т.к. при этом практически весь процесс теплоотдачи из организма регулируется влагоотделением.
Недостаточная влажность из-за интенсификации испарения приводит к охлаждению организма, пересыханию и растрескиванию слизистой, что способствует загрязнению болезнетворными микроорганизмами. Помимо этого, пониженная влажность влияет на водно-солевой обмен. Допустимо снижение массы тела на 2...3% из-за испарения влаги. Обезвоживание на 6% ведет к нарушению умственной деятельности, снижению остроты зрения, а на 15...20% — к смертельному исходу. Потеря солей лишает кровь способность удерживать воду и ведет к нарушению работы сердечно-сосудистой системы. При дефиците воды уменьшается содержание углеводов и жиров в организме, разрушаются белки.
Ощущаемая повышенная температура смягчается увеличением скорости воздуха или снижением влажности и наоборот. Эти примеры показывают, что для оценки теплового самочувствия человека необходимо учитывать сочетание параметров микроклимата. Для оценки нагревающего микроклимата в помещении (вне зависимости от периода года) используется интегральный показатель - тепловая нагрузка среды (ТНС-индекс). Это эмпирический интегральный показатель (выраженный в 0С), отражающий сочетанное влияние температуры воздуха, скорости его движения, влажности и теплового облучения на теплообмен человека с окружающей средой. Данный показатель рассчитывается в соответствии с СанПиН 2.2.4.548-96.
в. Гигиеническое нормирование параметров воздушной среды
Нормы установлены ГОСТ 12.1.005-88 для всех параметров микроклимата и чистоты воздуха. Параметры микроклимата должны соответствовать виду деятельности, учитывать способности организма к акклиматизации в разные периоды года, условия теплообмена, характер тепловыделений в помещении. В соответствии с этим параметры микроклимата устанавливаются в зависимости от:
- периода года — теплого, со среднесуточной температурой наружнего воздуха tВ10С, холодного и переходного c tВ10C;
- категории тяжести работ;
- тепловой напряженности помещения, которые бывают с незначительными ( 23 Вт/м3) и со значительными избытками явного тепла (23 Вт/м3).
При нормировании отдельно устанавливаются оптимальные и допустимые параметры микроклимата, которые обеспечивают комфортное или нормальное функционирование организма, в первом случае без напряжения системы терморегуляции, а во втором— при ее участии, но без дискомфортных ощущений, ухудшения самочувствия и снижения работоспособности. Например, в соответствии с требованиями СН 4088-86 в залах с работающей вычислительной техникой, на рабочих местах с пультами, при операторских работах параметры микроклимата дифференцируются следующим образом
| | Период года | |||
| Параметры | холодный и переходный | теплый | ||
| | оптимальная | допустимая | оптимальная | допустимая |
| Температура | 2022С | 1822С | 2025С | до 26С |
| Влажность | 4060 % | до 70 % | 4060 % | до 70 % |
| Скорость | 0,2 м/с | 0,3 м/с | 0,5 м/с | 0,3 м/с |
При отклонении параметров микроклимата от гигиенических нормативов он может быть нагревающим или охлаждающим.
Нагревающий микроклимат - сочетание параметров микроклимата, при котором нарушается теплообмена человека с окружающей средой и происходит накопление тепла в организме выше верхней границы оптимальной величины (> 0,87 кДж/кг) и/или увеличение доли потерь тепла испарением пота (> 30%) в общей структуре теплового баланса, появляются общие или локальные дискомфортные теплоощущения (слегка тепло, тепло, жарко).
Охлаждающий микроклимат - сочетание параметров микроклимата, при котором изменение теплообмена организма приводит к образованию общего или локального дефицита тепла в организме ( 0,87 кДж/кг) в результате снижения температуры «ядра» и/или «оболочки» тела (температура «ядра» и «оболочки» тела - соответственно температура глубоких и поверхностных слоев тканей организма)
Помимо регулирования микроклимата для нормализации воздушной среды необходимо обеспечение чистоты воздуха в рабочей зоне. Гигиеническим законодательством установлены несколько видов ПДК, различающиеся по продолжительности действия на организм и по контролю за их соблюдением. На практике главным образом используются:
- предельно допустимая концентрация ВВ в воздухе рабочей зоны (ПДКРЗ) — это концентрации, которые при ежедневной (кроме выходных) работе по 8 часов или другой продолжительности рабочего дня, но не более 40 часов в неделю в течение всего рабочего стажа не могут вызвать заболеваний или отклонений в состоянии здоровья, обнаруживаемых современными методами исследований, в процессе работы или отдаленные сроки жизни настоящего и последующих поколений.
- Среднесменная предельно допустимая концентрация- (ПДКСС) - предельная концентрация усредненная за 8-часовую рабочую смену.
- Максимальная предельно допустимая концентрация – ПДКМ - максимальная концентрация, возникающая при ведении технологического процесса.
г. Мероприятия по нормализации воздушной среды в помещениях
К основным мероприятиям относятся:
- исключение образования вредных веществ, избыточного тепла и влаги и (или) попадания их в объем помещения;
- удаление людей из зоны выделения;
- организация вентиляции.
Вентиляция— это организованный обмен воздуха между объемом помещения и наружной средой. Задачей вентиляции является обеспечение нормируемых параметров микроклимата и чистоты воздуха.
По способу перемещения воздуха вентиляция разделяется на естественную, механическую и смешанную.
Организованная естественная вентиляция осуществляется с помощью аэрации и дефлекторов.
Аэрация обеспечивается ветровым и (или) тепловым напором. Чистый воздух подается извне в рабочие зоны. В теплый период года для этого открываются нижние проемы, а в холодный — верхние. При наличии ветра на подветренной стороне здания возникает зона разряжения, в которую из помещения через проемы удаляется загрязненный воздух. Удаление происходит через верхние проемы, т.к. нагреваясь в рабочей зоне теплый загрязненный воздух поднимается вверх. Интенсивность воздухообмена зависит от периода года, наличия или отсутствия ветра. Для примера на рисунке показана схема организации аэрации для теплого периода года при наличии ветра.
-

проем
теплый период
холодный период
=0
0
=0
0
н
п
н
п
н
п
н
п
1
+
+
-
+
+
+
-
+
2
-
-
-
-
+
+
+
+
3
+
+
+
+
-
-
-
-
При расчете аэрации определяется площадь проемов. Расчет проводится раздельно для теплого и холодного периода. Максимальные размеры принимаются для теплого периода, как самого неблагоприятного для аэрации. Достоинство аэрации в том, что большие объемы воздуха перемещаются без затрат энергии. В горячих цехах она является основным способом защиты от избытков теплоты.
Недостатки аэрации:
- малая эффективность в теплый период года и при безветрии;
- отсутствие обработки подаваемого и удаляемого воздуха.
Дефлекторы — это специальные насадки, которые устанавливают на вытяжные воздуховоды. Вентиляция происходит за счет ветрового напора.
![]() | 1 - вытяжной воздуховод 2 - диффузор 3 - обечайка 4 - защитный колпак |
С подветренной стороны плохо обтекаемой обечайки создается область разряжения, куда выходит воздух из помещения. Дефлекторы применяются для удаления загрязненного воздуха из помещений сравнительно небольших объемов, например, предназначенных для подготовки данных, компьютерной обработки информации и т.д.
Механическая вентиляция по организации воздухообмена подразделяется на общую и местную.
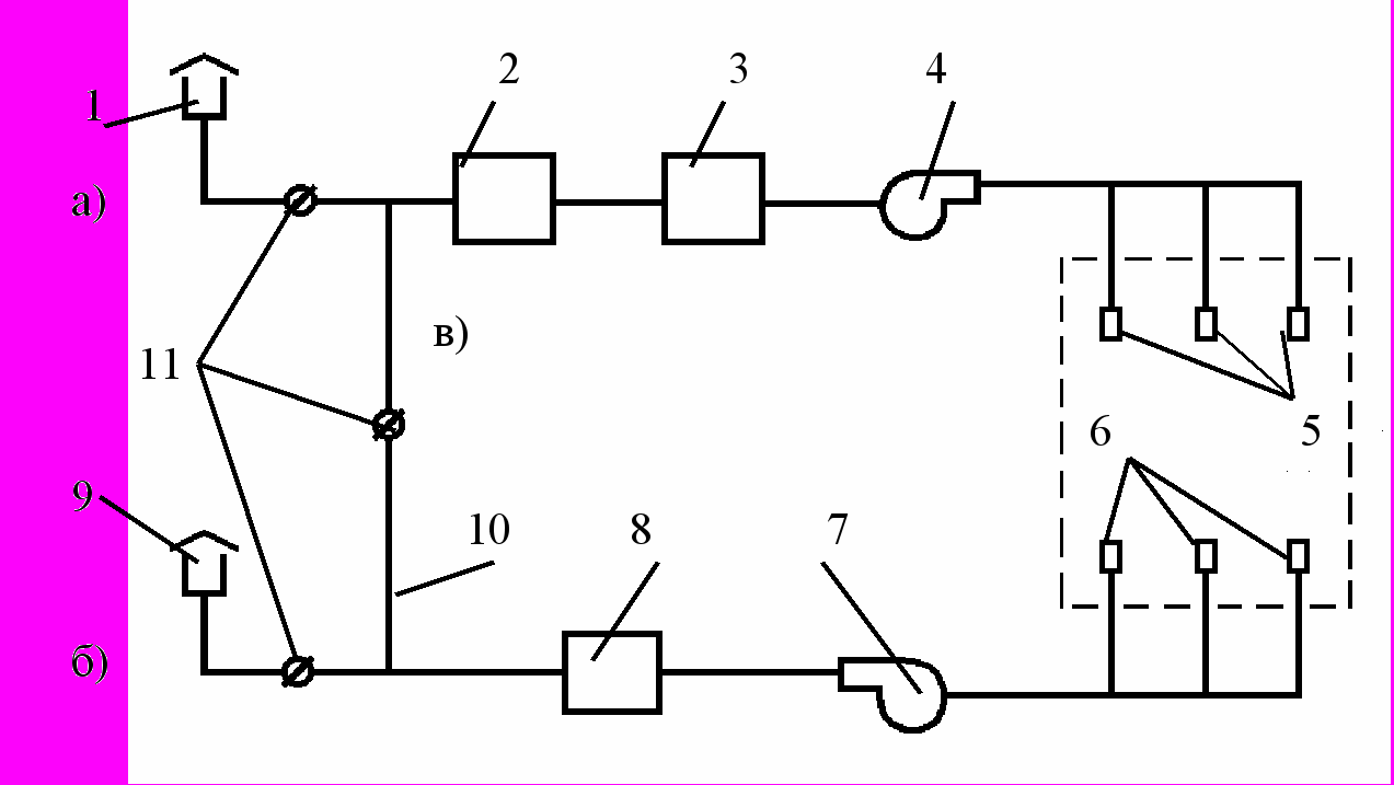
Общая вентиляция выполняется в виде приточной, вытяжной и приточно-вытяжной для вентиляции всего помещения. Все эти виды представлены на схеме наиболее эффективной вентиляции — приточно-вытяжной с рециркуляцией.

а) Приточная часть (вентиляция): 1 — приточная шахта; 2 — фильтр для очистки от пыли; 3 — калорифер; 4 — приточный вентилятор; 5 — приточные насадки.
б) Вытяжная часть (вентиляция): 6 — вытяжные насадки; 7 — вытяжной вентилятор; 8 — устройство для очистки воздуха; 9 — вытяжная шахта.
в) Рециркуляционная часть: 10 — рециркуляционный воздуховод; 11 — воздушные клапаны.
При рециркуляции часть воздуха, удаляемого из помещения, после соответствующей обработки снова подается в помещение.
Рециркуляция используется в помещениях без выделения ВВ или при выделении ВВ 4 класса опасности, если их концентрация в подаваемом воздухе не превышает 0,3 ПДК. К таким в основном относятся помещения ВЦ, компьютерные классы и т.п. Во всех остальных случаях используется или приточная (поз. 1-5), или вытяжная (поз. 6-9), или приточно-вытяжная вентиляция (без рециркуляции).
Местная вентиляция предназначена для удаления ВВ или тепла непосредственно из зоны их выделения (в основном из рабочих зон), что предотвращает распространение по всему объему помещения. Подразделяется на 3 вида:
- укрытия, изолирующие зону выделения ВВ от остального пространства рабочей зоны. К ним относятся отсосы, внутри которых находится источник. Это вытяжные шкафы и камеры, фасонные укрытия и витрины;
- устройства открытого типа, которые находятся за пределами зоны действия источника. Это зонты, панели, бортовые отсосы;
- устройства, использующие сдув ВВ в зону действия отсоса (активированный отсос)
Все эти устройства относятся к вытяжным. В отдельных случаях используется местная приточная вентиляция это воздушные и тепловые души и завесы.
Организация вентиляции основана на определении необходимого воздухообмена, обеспечивающего нормируемые параметры среды.
Для устройств местной вытяжной вентиляции определяется расход воздуха, удаляемого из рабочих зон LМ, м3/ч.
Наиболее просто оценить LМ для укрытий. При работе вентилятора внутри укрытия создается разряжение, из-за чего ВВ не могут попасть в воздух рабочей зоны.
LМ=3600F, м3/ч ,
где F — площадь рабочего проема, м2; — скорость воздуха в проеме, рекомендуемая в зависимости от класса опасности ВВ и типа укрытия.
Для устройств открытого типа LМ определяют, исходя из условия организации течения ВВ так, чтобы в зоне дыхания его концентрация не превышала ПДК. Соответствующие методики и расчетные формулы приведены в справочниках.
Для общеобменной вентиляции определяется расход чистого приточного воздуха LПР, исходя из разбавления воздуха рабочей зоны до установленных нормами величин параметров микроклимата или ПДК ВВ.
Рассмотрим случай, когда в рабочей зоне выделяется один из влияющих на чистоту воздуха или микроклимат компонентов, например, ВВ. Интенсивность выделения составляет G, мг/ч. Общее решение дает схема общеобменной вентиляции, дополненной местной
При равномерном распределении ВВ по объему величина LПР определится из балансовых уравнений:
расхода воздуха — LПР=LВ+LМ;
расхода ВВ — LПРСПР+G=LВСВ+LМСРЗ,
где LВ — расход воздуха, удаляемого общеобменной вентиляцией; СПР, СВ, СРЗ — концентрация ВВ, соответственно, в приточном, вытяжном и воздухе рабочей зоны. При этом СРЗПДК. В расчетах СРЗ=ПДК.Совместное решение этих уравнений относительно LПР дает расчетную формулу:

При отсутствии местной (LМ=0) и наличии только общеобменной вентиляции, например в машинном зале ВЦ, получим

Аналогично решается эта задача при выделении избыточного тепла и влаги и влиянии их на параметры микроклимата. Вместо G подставляются или избытки явного тепла Q, или влаги W, соответственно, вместо С — температуры t,C или удельное влагосодержание d, г/кг.
Для ориентировочных расчетов, когда неизвестны вид и количество выделяющихся ВВ, величину LПР определяют по кратности воздухообмена n, которая показывает сколько раз в течение часа меняется воздух в помещении LПР=Vn, м3/ч, где V — объем помещения, м3.
Полный расчет вентиляционной системы состоит в определении производительности вентилятора Q=LПР, а также его напора или полного давления PV. Напор вентилятора должен преодолеть полное сопротивление вентиляционной системы Р
Р=РТ +РМ ,
где РТР- потери на трение воздуха о стенки воздуховодов; РМ- местные сопротивления, возникающие при деформации воздушного потока при сужении, расширении, поворотах и т.д.
Величины РТР и РМ являются функциями скоростного напора 2/2 и соответствующих коэффициентов трения и местных сопротивлений. Данные по коэффициентам приводятся в справочной литературе.

