Державні будівельні норми україни конструкції будинків І споруд
| Вид материала | Документы |
СодержаниеТип вузла 7. Вузол сполучення віконного блоку зі стіновою панеллю |
- Державні будівельні норми україни конструкції будинків І споруд, 1956.1kb.
- Державні будівельні норми україни, 7582.77kb.
- Державні будівельні норми україни конструкції будинків І споруд улаштування покриттів, 1403.44kb.
- Державні будівельні норми україни інженерне обладнання будинків І споруд, 2916.58kb.
- Державні будівельні норми україни Інженерне обладнання будинків І споруд, 3922.28kb.
- Державні будівельні норми україни інженерне обладнання будинків І споруд системи протипожежного, 3841.33kb.
- Норматив™ pro пользователь: тов ``Централь`` sn: 00999807 19. 07. 2010 державні будівельні, 1620.93kb.
- Державні будівельні норми україни витяг, 81.61kb.
- Закон україни, 818.89kb.
- Державні будівельні норми україни інженерне обладнання будинків І споруд проектування, 3959.62kb.
Тип вузла | Конструктивні елементи вузла | k вузла, Вт/( м К) |
| 4. Вузол горизонтального стику стінових панелей у рівні міжповерхового перекриття | ||
![]() |
| k перекр = 0,34 |
| 5. Вузол сполучення парапетної стінової панелі з рядовою та з плитою перекриття верхнього поверху | ||
![]() |
| k парапет=0,39 |
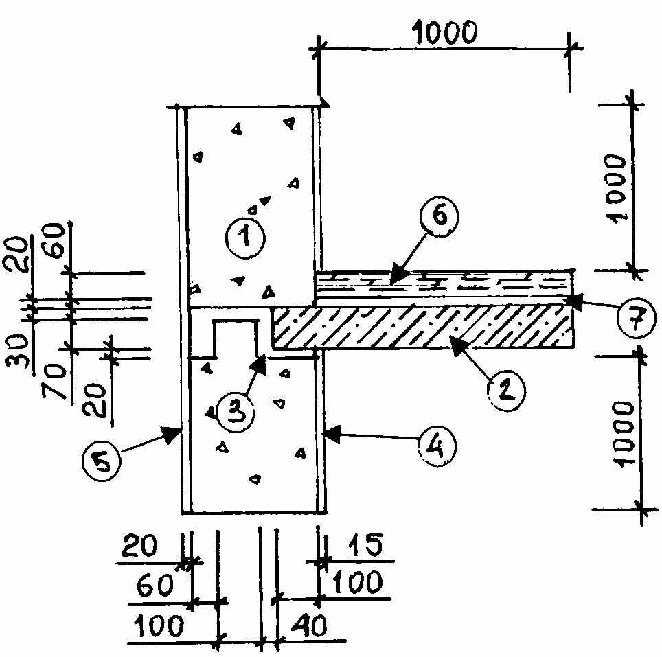
Тип вузла | Конструктивні елементи вузла | k вузла, Вт/( м К) |
| 6. Вузол вертикального стику зовнішніх стінових панелей з внутрішніми стіновими панелями | ||
![]() | 1) керамзитобетон, =1200 кг/м3.2) залізобетон, =2500 кг/м3.3) ЦП розчин, =1800 кг/м3.4) ЦП штукатурка, =1600 кг/м3.5) опоряджувальний шар, =1800 кг/м3. | k верт.стик = 0,32 |
| 7. Вузол сполучення віконного блоку зі стіновою панеллю | ||
![]() | 1) керамзитобетон, =1200 кг/м3.2) дерево, =500 кг/м3.3) скло, = 2500 кг/м3.4) ЦП штукатурка, =1600 кг/м3. 5) опоряджувальний шар, | k вікно = 0,29 |




