К стратиграфии отложений среднего и верхнего девона юго-востока беларуси (по данным изучения ихтиофауны)
| Вид материала | Документы |
- Основой создания техникума стала потребность в руководителях среднего звена для предприятий, 382.98kb.
- Продуктивность и биологические особенности помесей ставропольской и забайкальской тонкорунных, 314.35kb.
- Проблемы современного японского языкознания. Лингвистика текста, 626.95kb.
- Экологические функции четвертичных покровных отложений верхнего приобья 25. 00., 2531.63kb.
- Ростовский Государственный Университет курсовая, 217.04kb.
- Гидрокарбонатно-сульфатно-хлоридную, магниево-натриево-кальциевую минеральную воду, 40.9kb.
- Географическое положение Камчатки, 87.52kb.
- Паспорт инвестиционного проекта "создание транспортной инфраструктуры для освоения, 104.17kb.
- Социально-потребительский комплекс. Социально-культурный комплекс. Сфера услуг Беларуси., 2254.96kb.
- Географическое положение, 504.48kb.
УДК 551.7;567;56.022 (476)
К СТРАТИГРАФИИ ОТЛОЖЕНИЙ СРЕДНЕГО И ВЕРХНЕГО ДЕВОНА
ЮГО-ВОСТОКА БЕЛАРУСИ (ПО ДАННЫМ ИЗУЧЕНИЯ ИХТИОФАУНЫ)
Д.П. Плакса
Институт геохимии и геофизики НАН Беларуси
ул. Купревича, 7, 220141, Минск, Беларусь
E-mail: agnatha@mail.ru
В результате проведения палеоихтиофаунистических исследований разрезов некоторых скважин, пробуренных на территории Жлобинской седловины, Еленецкого блока, западной части Воронежской антеклизы, Оршанской впадины и центральной части Припятского прогиба, были выявлены комплексы ихтиофауны, на основе которых произведена датировка и выполнено расчленение пород среднего и верхнего девона. Установленные комплексы ихтиофауны хорошо сопоставляются с одновозрастными ихтиокомплексами сопредельных территорий Восточно-Европейской платформы и, с одной стороны, дают представление о возрасте вмещающих пород, а с другой – позволяют в какой-то степени говорить о некоторой общности ихтиофауны в морских и прибрежно-морских бассейнах среднего и нижней части верхнего девона.
ВВЕДЕНИЕ
Ихтиофауна широко распространена в отложениях среднего и верхнего девона Беларуси и благодаря сравнительно частой встречаемости имеет важное стратиграфическое значение для установления возраста, расчленения и корреляции. Позвоночные особенно часты в терригенных и терригенно-карбонатных породах среднего и верхнего девона, в меньшей степени известны в карбонатных отложениях, что, возможно, связано с недостаточным изучением соответствующих толщ. В целом они представлены группой агнат – гетеростраков (псаммостеид) и четырьмя классами рыб – акантодов, плакодерм, хрящевых рыб и костных рыб.
Изучением ихтиофауны девонских отложений Беларуси в разное время занимались Д.В. Обручев, В.Н. Каратаюте-Талимаа, Э.Ю. Марк-Курик, Ю.Ю. Валюкявичюс, С.А. Кручек, А.О. Иванов и др. (Валюкявичюс, 1981, 1985, 1988; Валюкявичюс, Каратаюте-Талимаа, 1986; Valiukevicius et al., 1995; Mark-Kurik, 1996, 2000; Иванов и др., 2003 и др.). Однако, несмотря на это, исследована она еще недостаточно. Ранее находки ископаемых рыб и бесчелюстных носили главным образом спорадический характер. В последнее время автором более целенаправленно велись поиски остатков рыб и агнат в кернах скважин и породах обнажений, в результате чего получены дополнительные материалы по ихтиофауне из средне- и верхнедевонских отложений (Плакса, 20051-2, 2006).
В данной статье представлено несколько разрезов, ранее не изучавшихся на предмет выявления комплексов ихтиофауны. Фактический материал, полученный из керна этих разрезов, пополняет список представителей некоторых групп ихтиофауны на уровне родов и видов, не известных до этого на территории Беларуси. Установленные ихтиокомплексы позволяют выполнить датировку, расчленение и стратиграфическую корреляцию пород с одновозрастными отложениями в хорошо изученных районах Русской платформы.
МАТЕРИАЛ И МЕТОДИКА ИССЛЕДОВАНИЙ
В основу статьи положены данные, полученные автором в результате просмотра керна шести скважин (Жлобин 389, Уваровичи 732, Светиловичи 7 и 18, Быхов 151 и Азерецкая 2р), расположенных в юго-восточной части Беларуси (в Могилевской и Гомельской областях) (рис. 1). Собранный материал представлен чешуями, плавниковыми шипами либо фрагментами или обломками покровных костей бесчелюстных и рыб сравнительно хорошей сохранности.
Во время полевых работ отбор проб из керна скважин производился по всему разрезу, где главным образом визуально были замечены мелкие либо относительно крупные хорошо определимые остатки ихтиофауны, и параллельно с этим велось детальное изучение (описание) пород. Обломанные экземпляры с хрупкими краями склеивались клеем БФ-6, чтобы не поломать их еще больше при перевозке. Как сам экземпляр, так и его отпечатки, этикетировались под одним и тем же полевым номером, и данные вносились в полевую книжку. Каждый образец заворачивался отдельно с этикеткой в мягкую бумагу, а затем клался в мешочек или другую тару.

Рис. 1. Карта-схема расположения скважин, в которых изучена ихтиофауна. 1 – разрезы, изученные автором в скважинах: 1 – Быхов 151, 2 – Уваровичи 732, 3 – Светиловичи 18, 4 – Светиловичи 7, 5 – Азерецкая 2р, 6 – Жлобин 389; 2 – государственная граница Беларуси.
В лаборатории для извлечения чешуй либо фрагментов костей бесчелюстных и рыб из пород применялись два метода: химическое или механическое извлечение; выбор метода определялся, как правило, характеристиками породы или степенью сохранности экземпляра. Для извлечения ихтиофауны из карбонатных и терригенно-карбонатных пород использовалась муравьиная или уксусная кислота, а для растворения глин аргиллитоподобных, глинистых алевролитов и песчаников на глинистом цементе – перекись водорода. Перед применением кислотной обработки остатки ихтиофауны, сравнительно крупные фрагменты чешуй, кости бесчелюстных и рыб пропитывались раствором клея БФ-6, разведенного предварительно в спирте. После того как поверхность кости просыхала (2–3 ч), готовился 10–15%-й раствор уксусной кислоты либо 7%-й раствор муравьиной кислоты при температуре не ниже 18–20 °С. Затем образец с ихтиофауной помещался в специальную капроновую сеточку ( ячеек 5,0 мм) и опускался в приготовленный для этой цели кислотный раствор. В качестве посуды использовались полиэтиленовые банки и ведра с крышками или обычные стеклянные банки. Через 2–3 суток (в зависимости от скорости растворения породы) раствор сливался, образцы отмучивались от глинистых частиц путем многократной промывки водой. Такой цикл обработки (иногда со сменой реактива) повторялся 3–4 раза. Затем образцы окончательно отмывались от глинистых частиц. Крупные экземпляры изымались из сеточки, а осадок, который также мог содержать мелкие фрагменты ихтиофауны (чешуи, ихтиодорулиты и др.), просеивался под струей воды на сите ( ячеек 0,1 мм). Отмытый осадок переливался в фарфоровые чашки, высушивался в лабораторной комнате при температуре не ниже 18–20 °С. Высушенная фракция осадка (0,1–2,0 мм и более) просматривалась под бинокуляром МБС-1. Мелкие фрагменты бесчелюстных и рыб отбирались вручную влажной кисточкой № 1 или иглой и складывались в камерки Франке.
Если вмещающая порода отделялась от поверхности экземпляра (фрагмента кости, чешуи и др.), то обычно использовался механический способ извлечения с применением иголки с иглодержателем. Эта работа осуществлялась при хорошем освещении и при помощи микроскопа МБС-1. Так же как и после химического препарирования, извлеченные из породы фрагменты рыб или бесчелюстных складывались в камерки Франке или в специально приготовленные для этой цели коробочки.
Вначале изучалась морфология остатков. Для определения видов бесчелюстных и рыб необходимо знать признаки, характеризующие вид, пределы морфологической изменчивости признаков и др. Комплексное использование признаков скульптуры и внутреннего строения костной ткани позволяет с большей точностью диагностировать вид.
РЕЗУЛЬТАТЫ ИССЛЕДОВАНИЙ
В результате палеоихтиологических исследований отложений из разрезов скважин, пробуренных на территории Жлобинской седловины (Уваровичи 732), Еленецкого блока (Жлобин 389), западной части Воронежской антеклизы (Светиловичи 7 и 18), Оршанской впадины (Быхов 151) и центральной части Припятского прогиба (Азерецкая 2р), был получен фактический материал, анализ которого позволил выделить комплексы ихтиофауны, на их основе произведена датировка и выполнено расчленение пород среднего и верхнего девона.
Обнаруженные в результате химической обработки пород остатки рыб и агнат отличаются сравнительно большим числом разнообразных таксонов по всему разрезу и относительно хорошей сохранностью. Вследствие мелкой фрагментарности некоторых находок произвести определение объектов до вида не представилось возможным. Часть определений позвоночных оставлено в открытой номенклатуре. Несмотря на это, для биостратиграфического расчленения толщ и их датировки они все же имеют определенную ценность. К сожалению, некоторые макро- и микроостатки позвоночных являлись не особенно информативными, т. е. обнаруженные фрагменты бесчелюстных и рыб имели широкие стратиграфические диапазоны (гетеростраки, плакодермы, акантоды, саркоптеригии и палеониски), в этом случае расчленение и датировка пород из разрезов подкреплялись установленными в разрезе скважины комплексами спор. К тому же при расчленении толщ девона привлекались данные каротажа.
Описанные ниже разрезы с точки зрения палеоихтиологических исследований являются новыми, т. е. ранее не изученными на предмет обнаружения комплексов ихтиофауны. Приводится перечень выявленных комплексов рыб и бесчелюстных в каждой скважине.
Ихтиофауну в керне скв. Быхов 151 (рис. 2) можно разделить на шесть комплексов (снизу вверх):
I комплекс (инт. 240,6–278,0 м) – позвоночные, встреченные в мергелях доломитизированных, светло-зеленых, плотных и представленные Asterolepididae gen. indet., Phlyctaeniina gen. indet. и Schizosteus sp.;
II комплекс (инт. 233,0–240,6 м) характеризуется наличием Dipteridae gen. indet. и Schi-zosteus heterolepis (Preobr.), обнаруженных в мергелях доломитизированных, светло-серых, плотных;

Рис. 2. Геологический разрез отложений среднего девона скв. Быхов 151 с характерными видами ихтиофауны. 1 – песчаники; 2 – алевролиты; 3 – глины; 4 – глины песчанистые; 5 – глины алевритовые; 6 – глины мергелистые; 7 – мергели; 8 – мергели доломитизированные; 9 – известняки; 10 – доломиты; 11 – доломиты глинистые; 12 – гипсы с прослоями доломитов; 13 – образцы, в которых изучена ихтиофауна.
III комплекс (инт. 195,5–233,0 м) – в его составе присутствуют Schizosteus striatus (Gross), Asterolepis sp., Haplacanthus marginalis Ag. и Osteolepididae gen. indet. Он обнаружен в мергелях серых, грубоплитчатых и мергелях доломитизированных, светло-зеленых, плотных;
IV комплекс (инт. 122,4–195,5 м) отличается более многочисленным составом. В нем установлено 11 форм: Schizosteus striatus (Gross), Asterolepis sp., Asterolepididae gen. indet., Arthrodira indet., Homostius ? sp., Haplacanthus marginalis Ag., Osteolepididae gen. indet., Dipteridae gen. indet., Glyptolepis sp., Sarcopterygii indet., Palaeonisci gen. indet. Все перечисленные формы в основном приурочены к зеленовато-серым, светло-голубовато-серым, грубоплитчатым мергелям;
V комплекс (инт. 100,7–122,4 м) обнаружен в лиловых, бурых, голубовато-серых, жирных, карбонатных глинах и представлен Schizosteus striatus (Gross), Actinolepis tuberculata Ag., Holonema sp., Byssacanthus dilatatus (Eichw.);
VI комплекс (инт. 84,0–100,7 м) характеризуется появлением таких видов, как Ganosteus sp., Asterolepis estonica Gross, Asterolepis sp. и Diplacanthus gravis Valiuk. Они приурочены к бурым, светло-зеленовато-серым, карбонатным, грубоплитчатым глинам.
Ихтиофауну в керне скв. Уваровичи 732 (рис. 3) можно разделить на четыре комплекса (снизу вверх):
I комплекс (инт. 230,0–240,0 м) установлен в серовато-зеленых, оскольчатых глинах и зеленовато-серых, бурых, глинистых песчаниках: Schizosteus sp., Byssacanthus sp., Cheirocan-thoides sp., Cheiracanthus brevicostatus Gross, Glyptolepis sp., Cheirolepis sp., Holonema sp., Onychodus sp., Osteolepididae gen. indet.;
II комплекс (инт. 197,8–230,0 м) обнаружен в зеленовато-серых, серых известняках глинистых и серых песчаниках: Glyptolepis sp., Osteolepididae gen. indet.;
III комплекс (инт. 170,0–197,8 м) из зеленовато-серых, тонкоплитчатых мергелей и глин представлен Asterolepis sp., Ptychodictyon rimosum Gross, Onychodus sp., Osteolepididae gen. indet., Sarcopterygii indet.;
IV комплекс (инт. 157,0–170,0 м) характеризуется наличием следующих форм: Pycno-steus sp., Ganosteus sp., Asterolepis sp., Glyptolepis sp., Onychodus sp., Sarcopterygii indet. Бесче-люстные и рыбы обнаружены в зеленовато-серых, коричневых, тонкоплитчатых алевролитах и глинах.
Скв. Светиловичи 18 (рис. 4) охарактеризована одним сравнительно богатым формами ихтиокомплексом (инт. 204,4–239,5 м). Он содержит Psammosteus sp., Asterolepis sp., Holo-nema sp., Onychodus sp., Gomelacanthus torosus Plaksa, Dnepracanthus serriformis Plaksa, Dipla-canthus cf. gravis Valiuk., Laccognathus sp., Glyptolepis sp., Osteolepididae gen. indet., Sarcop-terygii indet. Все перечисленные формы в основном приурочены к светло-голубовато-серым, слабокарбонатным, грубоплитчатым глинам и алевритовым глинам.
В скв. Светиловичи 7 (рис. 5) установлены три ихтиокомплекса (снизу вверх):
I комплекс (инт. 297,4–340,0 м) – обломки панцирей Pycnosteus sp. и Asterolepis sp., Homo-stius sp., Actinolepis sp. в алевролитах глинистых, светло-зеленовато-серых, бурых, лиловых, грубо-плитчатых, слабокарбонатных;
II комплекс (инт. 273,0–297,4 м) обнаружен в светло-голубовато-серых алевролитах и алевролитах глинистых, представлен Psammosteus sp., Psammosteidae gen. indet., Ganosteus stellatus Rohon, Asterolepis cf. ornata (Eichw.), Laccognathus sp., Glyptolepis baltica Gross, Osteolepididae gen. indet.;
В состав III комплекса (инт. 224,6–273,0 м) входят Psammosteidae gen. indet., Asterolepis radiata Rohon, Bothriolepis sp., Plourdosteus sp., Arthrodira gen. indet., Panderichthys sp., Holo-ptychius sp., Osteolepididae gen. indet., Porolepiformes gen. indet., Laccognathus sp., Sarcoptery-gii indet. Позвоночные обнаружены в основном в светло-голубовато-серых, грубоплитчатых, глинистых алевролитах.

Рис. 3. Геологический разрез девонских отложений скв. Уваровичи 732 с характерными видами ихтиофауны. 1 – песчаники; 2 – песчаники глинистые; 3 – алевролиты; 4 – глины; 5 – мергели; 6 – известняки глинистые; 7 – доломиты; 8 – образцы, в которых изучена ихтиофауна.

Рис. 4. Геологический разрез девонских отложений скв. Светиловичи 18 с характерными видами ихтиофауны. 1 – песчаники; 2 – песчаники глинистые; 3 – песчаники алевритистые; 4 – алевриты; 5 – глины алевритовые; 6 – глины; 7 – образцы, в которых изучена ихтиофауна.

Рис. 5. Геологический разрез девонских отложений скв. Светиловичи 7 с характерными видами ихтиофауны. 1 – песчаники алевритовые; 2 – алевролиты; 3 – алевролиты глинистые; 4 – глины аргиллитоподобные; 5 – глины; 6 – образцы, в которых изучена ихтиофауна.

Рис. 6. Геологический разрез девонских отложений скв. Азерецкая 2р с характерными видами ихтиофауны. 1 – пески; 2 – алевролиты; 3 – глины аргиллитоподобные; 4 – глины; 5 – образцы, в которых изучена ихтиофауна.
В скв. Азерецкая 2р (рис. 6) выявлены два ихтиокомплекса (снизу вверх):
I комплекс (инт. 2884,0–2950,0 м) характеризуется наличием Byssacanthus sp., Asterolepis sp., Laccognathus sp., Osteolepididae gen. indet., Sarcopterygii indet. Скопление обломков панцирей и чешуй приурочены в основном к серым и темно-серым, тонкоплитчатым алевролитам. Наряду с ихтиофауной в породе встречаются фрагменты обуглившихся растений;
II комплекс (гл. 2871,0 м) представлен только Bothriolepis sp. и Sarcopterygii indet.; породы – бурые, серые, толстоплитчатые, массивные алевролиты, бурые, плотные глины аргиллитоподобные, темно-бурые, мелкооскольчатые глины и пески.

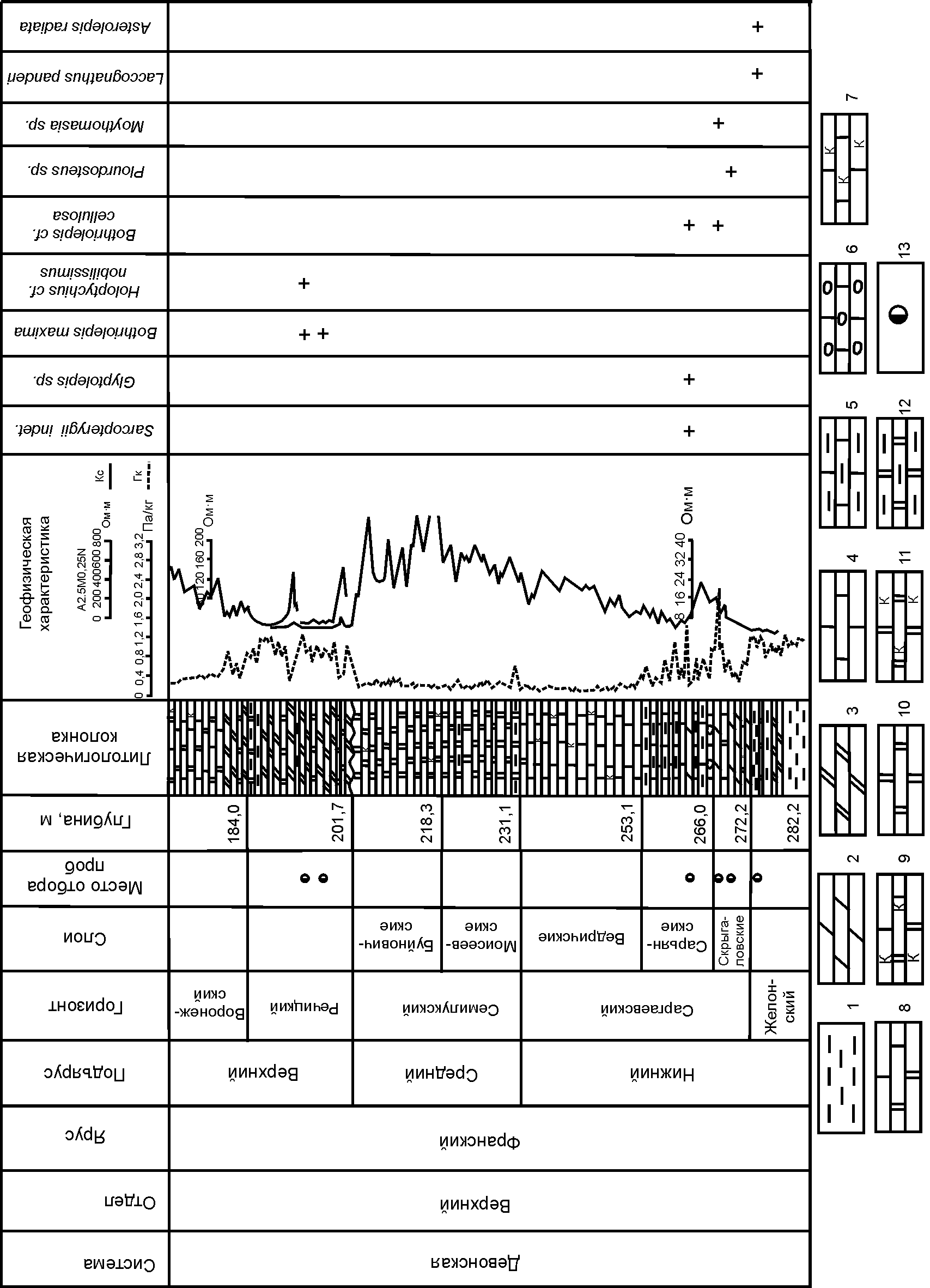
Рис. 7. Геологический разрез верхнедевонских отложений скв. Жлобин 389 с характерными видами ихтиофауны. 1 – глины; 2 – мергели; 3 – мергели доломитизированные; 4 – известняки; 5 – известняки глинистые; 6 – известняки органогенные-обломочные; 7 – известняки кавернозные; 8 – известняки доломитизированные; 9 – известняки доломитизированные кавернозные; 10 – доломиты; 11 – доломиты кавернозные; 12 – доломиты глинистые; 13 – образцы, в которых изучена ихтиофауна.
В скв. Жлобин 389 (рис. 7) выявлены три комплекса ихтиофауны (снизу вверх):
I комплекс (инт. 272,2–282,2 м) характеризуется наличием таких представителей ихтиофауны, как Asterolepis radiata Rohon и Laccognathus panderi Gross. Встречены они в глинах зеленовато-серых, алевритистых, плитчатых;
II комплекс (инт. 253,1–272,2 м) представлен следующими таксонами: Bothriolepis cf. cellulosa (Pander), Plourdosteus sp., Glyptolepis sp., Moythomasia sp., Sarcopterygii indet. Скоп-ления вышеперечисленных позвоночных приурочены к прослоям мергелей зеленовато- и голубовато-серых, грубоплитчатых, массивных;
III комплекс (инт. 184,0–201,7 м) – Bothriolepis maxima Gross, Holoptychius cf. nobilis-simus Ag. – встречен в мергелях доломитизированных, темно-серых, реже с зеленоватым оттенком, толстоплитчатых, переходящих на отдельных участках в доломит глинистый.
I комплекс ихтиофауны, выделенный в скв. Быхов 151, относится к витебскому горизонту, который близок к ихтиокомплексу резекненского горизонта, принадлежащего к эмскому ярусу нижнего девона на территории стран Балтии. Характерной его особенностью является преобладание следующих таксонов: Schizosteus sp., Cephalaspididae gen. indet., Asterolepididae gen. indet., Skamolepis fragilis Kar.-Tal., Arctolepididae gen. indet., Phlyctaeniina gen. indet., Laliacanthus singularis Kar.-Tal., Diplacanthus kleesmentae Valiuk., Rhadinacanthus primaris Valiuk., Markacanthus parallelus Valiuk., Cheiracanthus gibbosus Valiuk., Nostolepis sp., N. gracilis Gross, Cheirolepis sp., Thursius sp. и др. (Лярская, 1978; Девон ..., 1981). Резекненский комплекс ихтиофауны характеризует зону по телодонтам Skamolepis fragilis, а по акантодам – Laliacanthus singularis (Девон ..., 1981; Mark-Kurik, 1996, 2000). I комплекс скв. Уваровичи 732 и II комплекс скв. Быхов 151 соответствуют адровскому горизонту. Схожий комплекс установлен в пярнуском горизонте эйфельского яруса среднего девона на территории Балтии и представлен следующими формами: Schizosteus heterolepis (Preobr.), Tartuosteus sp., Psammolepis toriensis (Mark-Kurik), Balticaspis latvica Lyarsk, Actinolepis tuberculata Ag., Byssacanthus dilatatus (Eichw.), Cheiracanthus gibbosus Valiuk., Cheiracanthoides sp., Homostius sp., Thursius talsiensis Vorob., Porolepis sp., Gyroptychius? latvicus Vorob., Dipterus sp. (Девон ..., 1981; Mark-Kurik, 2000). Пярнуский горизонт отвечает зоне Schizosteus heterolepis (Девон ..., 1981; Mark-Kurik, 2000)
II и III комплексы из скв. Уваровичи 732, III и IV комплексы из скв. Быхов 151 относятся соответственно к освейскому и городокскому горизонтам наровского надгоризонта. Они по содержащейся в них ихтиофауне сравнимы с комплексами наровского горизонта (вадьяского и лейвуского подгоризонтов) эйфельского яруса среднего девона стран Балтии, которые характеризуются в целом следующими представителями бесчелюстных и рыб: Schizosteus striatus (Gross), Asterolepis estonica Gross, Byssacanthus dilatatus (Eichw.), Holonema sp., Homostius latus Asm., Actinolepis tuberculata Ag., Cheiracanthoides estonicus Valiuk., Cheiracanthus crassus Valiuk., Ptychodictyon rimosum Gross, Rhadinacanthus balticus Gross, Archaeacanthus quadrisulcatus Kade, Haplacanthus marginalis Ag., Onychodus sp., Glyptolepis sp., Thursius fisheri (Eichw.), Gyroptychius? grossi Vorob., Osteolepididae gen. indet., Dipterus serratus (Eichw.), Cheirolepis sp., Orvikuina vardiaensis Gross и др. (Лярская, Поливко, 1969; Девон ..., 1981; Mark-Kurik, 2000). Освейскому горизонту соответствует зона Cheiracan-thoides estonicus, а городокскому – зона Ptychodictyon rimosum (Valiukevicius, 1994; Valiukevi-cius et al., 1995). IV комплекс из скв. Уваровичи 732 и V комплекс из скв. Быхов 151 соответствуют костюковичскому горизонту наровского надгоризонта эйфельского яруса среднего девона. Этот комплекс близок к комплексу ихтиофауны кярнавского подгоризонта наровского горизонта на территории стран Балтии, для которого характерны такие таксоны, как Schizosteus striatus (Gross), S. splendens (Eichw.), Actinolepis tuberculata Ag., Coccosteus cuspidatus Miller ex Ag., Homostius latus Asm., Ptyctodontida gen. indet., Byssacanthus dilatatus (Eichw.), Asterolepis estonica Gross, Ptychodictyon rimosum Gross, P. sulcatum Gross, P. distinctum Valiuk., Diplacanthus carinatus Gross, Nostolepis kernavensis Valiuk., Thursius fischeri (Eichw.), Glyptolepis sp., Dipterus serratus (Eichw.), Orvikuina vardiaensis Gross и др. (Обручев, 1958; Лярская, Поливко, 1969; Mark-Kurik, 2000). Кярнавский комплекс ихтиофауны характеризует зона по акантодам Nostolepis kernavensis, а по плакодермам – Coccosteus cuspidatus (Mark-Kurik, 2000). К полоцкому горизонту живетского яруса среднего девона относится VI комплекс ихтиофауны из скв. Быхов 151, он в целом подобен комплексу ихтиофауны арукюлаского и буртниекского горизонтов зоны Diplacanthus gravis на территории стран Балтии: Pycnosteus palaeformis Preobr., Tartuosteus giganteus (Gross), T.? luhai Mark-Kurik, Ganosteus artus Mark-Kurik, Psammolepis proia Mark-Kurik, Actinolepis tuberculata Ag., Holonema obrutschevi Mark., Homostius latus Asm., Heterostius ingens Asm., Byssacanthus dilatatus (Eichw.), Asterolepis estonica Gross, Hybosteus sp., Diplacanthus gravis Valiuk., Gyroptychius pauli Vorob., Thursius estonicus Vorob., Orvikuina sp., Pycnosteus pauli Mark., Tartuosteus maximus Mark-Kurik, Pycnosteus tuberculatus Rohon, Ganosteus stellatus Rohon, Psammosteus bergi (Obr.), Asterolepis dellei Gross, Actinolepis magna Mark-Kurik, Gyroptychius elgae Vorob., Glyptolepis sp., Dipterus sp. и др. (Mark-Kurik, 2000). К морочским слоям полоцкого горизонта живетского яруса среднего девона относится I комплекс из скважин Светиловичи 7 и 18, Азерецкая 2р. Этот комплекс сравним с ихтиокомплексом абав-ских слоев буртниекского горизонта живетского яруса среднего девона, зоной Psammolepis abavica на территории стран Балтии: Ganosteus stellatus Rohon, Psammolepis abavica Mark-Kurik, Psammosteus sp., Byssacanthus sp., Asterolepis essica Lyarsk., Actinolepis magna Mark-Kurik., Watsonosteus sp. n.?, Hаmodus lutkevitschi Obr., Microbrachius cf. dicki Traq., Livosteus grandis Gross, Eastmanosteus cf. pustulosus (Eastm.), Osteolepis striata Gross, Laccognathus sp., Glyptolepis sp., Cheirolepis gaugeri Gross. и др. (Лярская, Поливко, 1969; Mark-Kurik, 2000). Комплекс II из скважин Светиловичи 7 и Азерецкая 2р соответствует хотимскому горизонту живетского яруса среднего девона и сопоставляется с гауйской свитой в странах Балтии, для которой характерна ихтиофауна Ganosteus stellatus Rohon, Psammolepis paradoxa Ag., P. ve-nyukovi Obr., P. heteraster Gross, P. alata Mark-Kurik, Psammosteus sp., Asterolepis ornata Eichw., Bothriolepis sp., Plourdosteus livonicus (Eastm.), Devononchus concinnus Gross, Haplacanthus ehrmanensis Gross, Nostolepis sp., Laccognathus panderi Gross, Panderichthys rhombolepis (Gross), Latvius sp., Glyptolepis baltica Gross и др. (Обручев, 1958; Лярская, Поливко, 1969; Девон ..., 1981; Mark-Kurik, 2000). Гауйский ихтиокомплекс характеризует по плакодермам зону Asterolepis ornatа, а по гетеростракам – Psammolepis paradoxa (Девон ..., 1981; Mark-Kurik, 2000). III комплекс позвоночных из скв. Светиловичи 7 и I комплекс из скв. Жлобин 389 относятся к желонскому горизонту франского яруса верхнего девона. Он аналогичен комплексу аматской свиты на территории стран Балтии, а также желонскому горизонту Припятского прогиба (Лярская, Поливко, 1969; Девон ..., 1981; Esin et al., 2000; Геология Беларуси, 2001). Этот комплекс представлен Psammolepis undulata (Ag.), Psammosteus maeandrinus Ag., P. livonicus Obr., P. praecursor Obr., Asterolepis radiata Rohon, Bothriolepis prima Gross, B. obrutschewi Gross, Devononchus concinnus Gross, Onychodus sp., Holoptychius sp., Laccognathus panderi Gross, Panderichthys sp., Glyptolepis baltica Gross, Eusthenopteron obruchevi Vorob., Struniiformes gen. indet., Dipteridae gen. indet. (Обручев, 1958; Лярская, Поливко, 1969; Девон ..., 1981; Mark-Kurik, 2000; Esin et al., 2000). Аматский комплекс ихтиофауны соответствует двум ихтиозонам: Bothriolepis prima и Bothriolepis obrutschewi (Девон ..., 1981; Mark-Kurik, 2000). К нижней части саргаевского горизонта франского яруса верхнего девона относится II комплекс, выявленный в скв. Жлобин 389. по содержащейся в нем ихтиофауне он похож на снетогорский комплекс плявинского горизонта Главного девонского поля, в состав которого входят Psammosteus maeandrinus Ag., P. praecursor Obr., Plourdosteus mironovi (Obr.), Ctenurella pskovensis (Obr.), «Ptyctodus» sp., Rhynchodus sp., Asterolepis radiata Rohon., Bothriolepis cellulosa (Pander), B. panderi Lahusen, Grossilepis tuberculata (Gross)., Haplacanthus perseensis Gross, Onychodus sp., Holoptychius sp., Laccognathus sp., Glyptolepis sp., Latvius grewingki (Gross), Eusthenopteron saevesoederberghi Jarvik, Strunius rolandi (Gross), Rhinodipterus secans (Gross), Griphognathus minutidens Gross, Moythomasia perforata (Gross) (Обручев, 1958; Девон ..., 1981; Esin et al., 2000). Cнетогорский ихтиокомплекс характеризует зону Bothriolepis cellulosa (Ivanov, Luksevics, 1996). III ихтиокомплекс из скв. Жлобин 389 приурочивается к речицкому горизонту франского яруса верхнего девона. Ихтиофауна этого горизонта сравнима с ихтиофауной из снежского горизонта Главного девонского поля и речицкого горизонта Припятского прогиба (Обручев, 1958; Урьев и др., 1992; Esin et al., 2000). Комплекс соответствует ихтиозоне Bothriolepis maxi-ma, содержит следующие таксоны: Psammosteus falcatus Obr., P. tenuis Obr., Obruchevia heckeri (Obr.), Plourdosteus sp., Bothriolepis maxima Gross, Holonema radiatum Obr., Platycephalichthys bischoffi Vorob., Devononchus laevis (Gross), Holoptychius cf. nobilissimus Ag. и др. (Обручев, 1958; Девон ..., 1981; Esin et al., 2000).
ВЫВОДЫ
Из терригенных и терригенно-карбонатных отложений среднего и верхнего девона Беларуси были выделены и изучены характерные комплексы ихтиофауны. Проанализирован их таксономический состав, прослежено вертикальное и латеральное распространение. На основании новых изученных скважин и обнажений пополнен список представителей разных групп ихтиофауны на уровне родов и видов, не известных до этого на территории Беларуси. Установлено, что малая зависимость распространения некоторых групп позвоночных от фациальных особенностей отложений и палеонтологическая насыщенность таксонами в меньшей степени карбонатных и в большей степени терригенно-карбонатных толщ девона Беларуси обусловливают стратиграфическую ценность ихтиофауны. Она совместно с остатками растений (миоспорами), которые в большинстве случаев являются почти единственным сопутствующим палеонтологическим материалом, дает возможность установить возраст вмещающих пород. Выделенные стратиграфические комплексы агнат и рыб в результате выяснения их систематической принадлежности позволили на основе изменения таксономического состава произвести, по возможности, сравнительно детальное расчленение девонских отложений. Анализ ихтиофауны позволил разграничить вмещающие их породы на горизонты, датировать их возраст и произвести стратиграфическую параллелизацию с хорошо изученными разрезами на территории Беларуси или сопредельных регионов, имеющими богатый в таксономическом отношении ихтиокомплекс с характерными для конкретного возраста видами. Это обеспечивает значимость и перспективность использования ихтиофауны в решении проблем стратиграфического расчленения и корреляции одновозрастных средне- и верхнедевонских терригенных и терригенно-карбонатных толщ, в частности составления новой уточненной стратиграфической схемы девона территории Беларуси.
Изучение ископаемых бесчелюстных и рыб имеет принципиально важное значение как для теоретической науки (филогения высших животных), так для нужд практики – при решении конкретных задач в поисково-разведочных, геолого-съемочных и других работах.
СПИСОК ЛИТЕРАТУРЫ
ВАЛЮКЯВИЧЮС Ю.Ю. Распространение чешуй акантодов в среднедевонских отложениях Белоруссии // Материалы по стратиграфии Белоруссии. Мн.: Наука и техника, 1981. С. 66–67.
ВАЛЮКЯВИЧЮС Ю.Ю. Акантоды наровского горизонта Главного девонского поля. Вильнюс: Мокслас, 1985. 144 С.
ВАЛЮКЯВИЧЮС Ю.Ю., КАРАТАЮТЕ-ТАЛИМАА В.Н. Комплекс чешуй акантодов из основания среднего девона Прибалтики и Белоруссии // Биофации и фауна силурийского и девонских бассейнов Прибалтики. Рига: Зинатне, 1986. С. 110–122.
ВАЛЮКЯВИЧЮС Ю.Ю. Новые виды акантодов из среднего девона Прибалтики и Белоруссии // Палеонтологический журнал. 1988. № 2. С. 80–86.
ГЕОЛОГИЯ БЕЛАРУСИ / Под ред. А.С. Махнача, Р.Г. Гарецкого, А.В. Матвеева и др. Мн.: Институт геологических наук НАН Беларуси, 2001. 815 с.
ДЕВОН И КАРБОН ПРИБАЛТИКИ / В.С. Сорокин, Л.А. Лярская, Л.С. Савваитова и др. Рига: Зинатне, 1981. 502 С.
ИВАНОВ А.О., ПЛАКСА Д.П., ЛУКШЕВИЧ Э.В. Раннефранская ихтиофауна окрестностей Рубы (северо-восток Беларуси) // Стратиграфия и палеонтология геологических формаций Беларуси. Мн.: Институт геологических наук НАН Беларуси, 2003. 142 с.
ЛЯРСКАЯ Л.А., ПОЛИВКО И.А. К литолого-стратиграфической характеристике девонских отложений Латвии // Вопросы региональной геологии Прибалтики и Белоруссии. Рига: Зинатне, 1969. С. 195–207.
ЛЯРСКАЯ Л.А. Резекненская свита и ее возрастные аналоги // Стратиграфия фанерозоя Прибалтики. Рига: Зинатне, 1978. С. 22–39.
ОБРУЧЕВ Д.В. К биостратиграфии ихтиофаун нижнего и среднего палеозоя СССР // Советская геология. 1958. № 11. С. 40–53.
ПЛАКСА Д.П. Комплекс ихтиофауны из верхнедевонских отложений карьера Гралево (пос. Руба, Витебская область) // Палеонтологическая летопись региональных и глобальных событий: Тез. докл. LI сессии Палеонтологического общества при РАН, Санкт-Петербург, 4–8 апр. 2004 г. СПб., 20051. С. 96–98.
ПЛАКСА Д.П. Новые данные по акантодам (Pisces, Acanthodii) девона Беларуси // Лiтасфера. 20052. № 2 (23). С. 33–37.
ПЛАКСА Д.П. Предварительные результаты палеоихтиологического изучения девонских отложений бассейна р. Сарьянки (Витебская область) // Весцi НАН Беларусi. Сер. хiм. № 5. 20053. С. 161–164.
ПЛАКСА Д.П. Смена комплексов позвоночных прибрежно-морских экосистем в среднем и позднем девоне Беларуси // Современная палеонтология: классическая и нетрадиционная: Тез. докл. LII сессии Палеонтологического общества при РАН, Санкт-Петербург, 3–7 апр. 2006 г. СПб., 2006. С. 101–103.
УРЬЕВ И.И., ВАЛЮКЯВИЧЮС Ю.Ю., КАРАТАЮТЕ-ТАЛИМАА В.Н. Речицкий горизонт Припятского прогиба: строение и возраст по позвоночным // Докл. АН Беларуси. 1992. Т. 36, № 5. С. 457–460.
ESIN D., GINTER M., IVANOV A., LUKSEVICS E., Avkhimovich V., Golubtsov V., Petukhova L. Vertebrate correlation of the Upper Devonian and Carboniferous on the East European Platform // Courier Forschungs-institut Senckenberg (Final Report of IGCP 328 project). Vol. 223. Frankfurt а. M., 2000. P. 341–359.
IVANOV A., LUKSEVICS E. Late Devonian vertebrates of the Timan // Daba un Muzejs. 1996. № 6. P. 22–33.
MARK-KURIK E. Stage boundary problems in the East Baltic Devonian // The Third Baltic Stratigraphical Conference:
Abstracts. Tartu, 1996. P. 39–41.
MARK-KURIK E. The Middle Devonian fishes of the Baltic States (Estonia, Latvia) and Belarus // Courier Forschungs-institut Senckenberg (Final Report of IGCP 328 project). 2000. Vol. 223. P. 309–324.
VALIUKEVICIUS J. Acanthodian zonal sequence of Early and Middle Devonian in the Baltic basin // Geologija. 1994. 17. P. 115–125.
VALIUKEVICIUS J., TALIMAA V. and KRUCHEK S. Complexes of vertebrate microremains and correlation of terrigenous Devonian deposits of Belarus and adjacent territories // Ichthyolith Issues: Special Publication 1 Socorro. New Mexico, 1995. P. 53–59.
Рецензент С.А. Кручек Поступило 17.05.06
