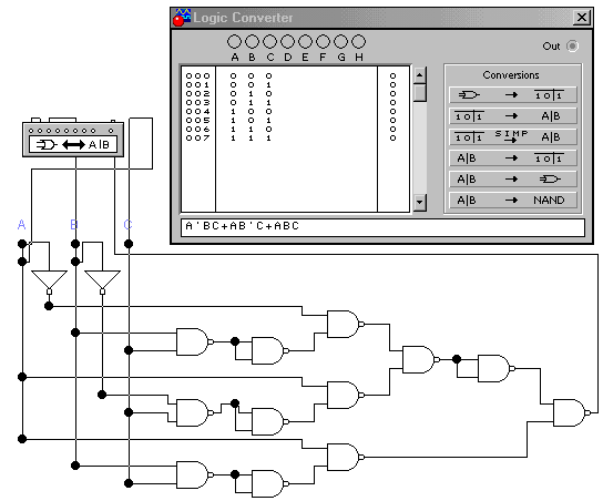
Контрольное задание 3 Задача 1 Дешифратор на элементах и-не, или-не. Схема электронной модели расчёта дешифратора
| Вид материала | Задача |
СодержаниеКонтрольное задание 3 Задача 3.1 Дешифратор на элементах И-НЕ , ИЛИ-НЕ. Схема электронной модели расчёта дешифратора |
- Контрольное задание Тематика и методические указания к его выполнению для студентов, 75.93kb.
- Программа курса лекций «Математические методы и модели исследования операций», 27.98kb.
- Контрольное задание представляет собой реферативное исследование возможностей автоматизации, 82.16kb.
- Методические указания по выполнению контрольного задания контрольное задание по темам, 515.04kb.
- Методические указания к выполнению контрольного задания в форме реферата Контрольное, 272.86kb.
- План выступления: Характеристика целей и задач исследования. Методология расчета взносов, 126.65kb.
- Контрольное задание по цсп. Задание №27, 38.81kb.
- Редакция литературы по электронной технике, 1030.42kb.
- Задание расчетной области (выбор рассматриваемой при расчете системы помещений, определение, 178.85kb.
- И бурно развивающихся направлений научных исследований сегодня является компьютерная, 61.81kb.
Электронная схема модели транзисторного каскада с ОЭ и ООС

Электронная схема модели и осциллограмма расчёта ключевой транзисторной схемы


Схема электронной модели АФЧХ активного фильтра.


Схема электронной модели для исследования работы мультивибратора.


Контрольное задание 3
Задача 3.1 Дешифратор на элементах И-НЕ , ИЛИ-НЕ.
Схема электронной модели расчёта дешифратора


Схема электронной модели параллельного 4-х разрядного двоично-десятичного счётчика на JК- триггерах.


Задача 3.2 Последовательный и параллельный четырёхразрядные счётчики на JK-триггерах.
- заданное число - 14
| | | 0 | 1 | 2 | 3 | 4 | 5 | 6 | 7 | 8 | 9 | 10 | 11 | 12 | 13 |
| t | Q1 | 0 | 1 | 0 | 1 | 0 | 1 | 0 | 1 | 0 | 1 | 0 | 1 | 0 | 1 |
| Q2 | 0 | 0 | 1 | 1 | 0 | 0 | 1 | 1 | 0 | 0 | 1 | 1 | 0 | 0 | |
| Q3 | 0 | 0 | 0 | 0 | 1 | 1 | 1 | 1 | 0 | 0 | 0 | 0 | 1 | 1 | |
| Q4 | 0 | 0 | 0 | 0 | 0 | 0 | 0 | 0 | 1 | 1 | 1 | 1 | 1 | 1 | |
| t+1 | Q1 | 1 | 0 | 1 | 0 | 1 | 0 | 1 | 0 | 1 | 0 | 1 | 0 | 1 | 0 |
| Q2 | 0 | 1 | 1 | 0 | 0 | 1 | 1 | 0 | 0 | 1 | 1 | 0 | 0 | 0 | |
| Q3 | 0 | 0 | 0 | 1 | 1 | 1 | 1 | 0 | 0 | 0 | 0 | 1 | 1 | 0 | |
| Q4 | 0 | 0 | 0 | 0 | 0 | 0 | 0 | 1 | 1 | 1 | 1 | 1 | 1 | 0 |
| 0 | 4 | 5 | 1 | | 01 | 01 | 10 | 10 | | 00 | 00 | 01 | 01 | | 00 | 11 | 11 | 00 | | 00 | 00 | 00 | 00 |
| 8 | 12 | 13 | 9 | 01 | 01 | 10 | 10 | 00 | 00 | 00 | 01 | 00 | 11 | 10 | 00 | 11 | 11 | 10 | 11 | ||||
| 10 | 14 | 15 | 11 | 01 | - | - | 10 | 11 | - | - | 10 | 00 | - | - | 01 | 11 | - | - | 11 | ||||
| 2 | 6 | 7 | 3 | 01 | 01 | 10 | 10 | 11 | 11 | 10 | 10 | 00 | 11 | 10 | 01 | 00 | 00 | 01 | 00 |
Для J
| 1 | 1 | * | * | | 0 | 0 | 1 | 1 | | 0 | * | * | 0 | | 0 | 0 | 0 | 0 |
| 1 | 1 | * | * | 0 | 0 | 0 | 1 | 0 | * | * | 0 | * | * | * | * | |||
| 1 | - | - | * | * | - | - | * | 0 | - | - | 1 | * | - | - | * | |||
| 1 | 1 | * | * | * | * | * | * | 0 | * | * | 1 | 0 | 0 | 1 | 0 |
Для К
| * | * | 1 | 1 | | * | * | * | * | | * | 0 | 0 | * | | * | * | * | * |
| * | * | 1 | 1 | * | * | * | * | * | 0 | 1 | * | 0 | 0 | 1 | 0 | |||
| * | - | - | 1 | 0 | - | - | 1 | * | - | - | * | 0 | - | - | 0 | |||
| * | * | 1 | 1 | 0 | 0 | 1 | 1 | * | 0 | 1 | * | * | * | * | * |
_ _
J1=1 J2=Q1Q3+ Q1Q4 J3=Q1Q2 J2=Q1Q2Q3
K1=1 K2=Q1 K3= Q1Q2+ Q1Q4 K4=Q1Q3
МОСКОВСКИЙ ГОСУДАРСТВЕННЫЙ ТЕХНИЧЕСКИЙ УНИВЕРСИТЕТ
ГРАЖДАНСКОЙ АВИАЦИИ
КУРСОВАЯ РАБОТА
по дисциплине: «Авиационная электроника»
Вариант №09
Выполнил студент
Группы АК3-3
Воробьёв С.А.
Проверил:
Половов Р.М.
Москва 2004
