Предисловие Курс «Электротехническое материаловедение»
| Вид материала | Документы |
- Программа курса электротехническое материаловедение для направлений подготовки бакалавров, 255.8kb.
- Рабочая программа учебной дисциплины "электротехническое и конструкционное материаловедение", 191.74kb.
- Рабочей программы дисциплины Электротехническое и конструкционное материаловедение, 24.22kb.
- Методические указания и контрольные задания для студентов заочной формы обучения. Курс, 284.31kb.
- Лекция №1 Цели и задачи курса «Материаловедение», 28.4kb.
- Программа дисциплины "Материаловедение швейного производства" для специальности, 102.26kb.
- Курс лекций Барнаул 2001 удк 621. 385 Хмелев В. Н., Обложкина А. Д. Материаловедение, 1417.04kb.
- Материаловедение 1, 26.57kb.
- Курс Наименование дисциплины Название методички, 82.15kb.
- Дисциплина «Материаловедение» Лекция, 167.85kb.
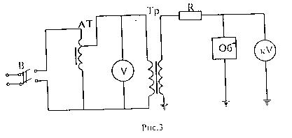
Описание лабораторной установки

Рис. 3 Схема лабораторной установки
Схема состоит из следующих элементов и приборов:
АТ – лабораторный автотрансформатор, служащий для регулирования напряжения; V – вольтметр на низкой стороне повышающего трансформатора; Тр – высоковольтный трансформатор; R – резистор служит для защиты трансформатора от больших токов и большой крутизны среза напряжения при перекрытии объекта испытания; Об – объект испытания; кV – электрический киловольтметр С-100.
Высоковольтная камера снабжена блокировкой, исключающей подачу высокого напряжения при открытой двери камеры.
Подготовка к проведению исследований
При подготовке к работе следует:
изучить описание, изучить лабораторную установку и инструкции по технике безопасности для работающих с высоким напряжением;
записать технические характеристики используемого в работе оборудования;
подготовить таблицы для записи экспериментальных данных;
После собеседования с преподавателем и получения допуска к работе приступить к проведению эксперимента.
Включение установки и различные переключения производить только с разрешения преподавателя.
Проведение исследований
Опыт проводится в следующем порядке:
а) убедиться, что установка отключена;
б) испытательные электроды подключить между выводом высоковольтного трансформатора и землей, поместить образец диэлектрика между электродами;
в) выйти из ограждения и замкнуть блокировку безопасности;
г) проверить, находиться ли рукоятка АТ в нулевом положении, и если не находится, то установить ее в этом положении;
д) включить включатель В, т.е. подать напряжение на автотрансформатор и первичную обмотку высоковольтного трансформатора;
е) с помощью АТ увеличить напряжение на испытуемом образце до наступления прибоя. Скорость повышения напряжения 1 кВ в секунду;
ж) при пробое записать показания вольтметра и установить рукоятку АТ в нулевое положение.
1. Определение зависимости кратковременных (мгновенных) пробивных напряжений и напряженностей от толщины диэлектрика на воздухе для промасленной и непромасленной конденсаторной бумаги.
Толщину бумаги перед испытанием нужно измерить микрометром.
Изменение толщины диэлектрика в процессе испытания производится путем изменения числа слоев (листов) бумаги.
Опыт провести при постепенном увеличении числа слоев с 10 до 60. электроды располагаются с обеих сторон образца один против другого. Для каждой толщины пробивные напряжения и напряженности определять как среднее из трех пробоев. Напряжение поднимать от нуля с равномерной скоростью до момента пробоя.
2. Определить Епр для четырех-пяти твердых диэлектриков (по указанию преподавателя).
Таблица 1
| Число слоев конденсаторной бумаги | суммарная толщина мм | Uпр кВ | Епр кВ/мм | Примечание |
| 1. 10 2. 20 3. 30 4. 40 5. 50 Воздух 1. 2. 3. 4. 5. | 0,95 1,9 2,85 3,80 4,75 2 4 6 8 10 | | | Толщина одного слоя l=0,095 мм |
Контрольные вопросы
1. Физические основы явления пробоя диэлектриков.
2. Виды и формы пробоя твердых диэлектриков и методы пробоя.
3. В чем сущность электрического, теплового, электрохимического и электромеханического пробоя у твердых диэлектриков.
4. Что такое краевой эффект и как его устранить?
5. Что такое однородное и неоднородное электрическое поле?
6. Влияние структуры материала на величину Епр.
7. Принципы действия использованного в работе оборудования.
8. Как изменится электрическая прочность диэлектрика при увеличении площади прилегающих к нему электродов?
9. Как изменится Епр при использовании различных материалов электродов (меди, стали, вольфрама, алюминий)?
Таблица 2
| Металл | Работа выхода, эВ |
| Медь Никель Вольфрам Алюминий | 4,4 – 5,24 5,03 4,52 2,5 – 2,8 |
ЛИТЕРАТУРА
1. Богородицкий Н.П., Пасынков В.В., Тареев Б.М. Электротехнические материалы. М.: Энергия, 1977.
2. Тареев Б.М., Казарновский Д.М. Испытания электроизоляционных материалов. М.: Госэнергоиздат, 1959.
3. Справочник по электротехническим материалам/ Под ред. Ю.В. Корицкого, В.В. Пасынкова, Б.М. Тареева. М.: Энергоатомиздат, 1987. Т.2, стр.387–412.
4. С.Н. Колесов, И.С. Колесов “Материаловедение и технология конструктивных материалов”. 2004г.: М: “Высшая школа”
______________________________
ЛАБОРАТОРНАЯ РАБОТА №4
ИССЛЕДОВАНИЕ ЭЛЕКТРИЧЕСКОЙ ПРОЧНОСТИ ЖИДКИХ И ГАЗООБРАЗНЫХ ДИЭЛЕКТРИКОВ
ЦЕЛЬ РАБОТЫ
Изучение физических основ явления пробоя диэлектриков и практическое ознакомление с процессом испытания жидких и газообразных диэлектриков.
Основные теоретические положения
Пробой газов обуславливается процессами ударной ионизации и фотоионизации. При приложении электрического поля к разрядному промежутку свободные заряды (заряды и ионы) получают некоторую добавочную скорость в напряжении поля, причем они приобретают дополнительную энергию
W= q Uλср,
где q – заряд частицы;
Uλср – падение напряжения на длине свободного пробега.
Если поле однородно, то можно считать
Uλ = Е λ,
где Е – напряжение поля в газе;
λ – средняя длина свободного пробега заряженной частицы.
Отсюда W= Е q λ.
При столкновении с молеколой газа заряженные частицы передают ей энергию. Если эта энергия достаточно велика, то молекулы распадаются на свободные электроны и ионы, т.е. происходит ударная ионизация.
Электрическая прочность газов в значительной мере зависит от условий эксперимента внешних факторов. На величину Епр газа влияет форма поля между электродами, материал электродов, расстоянием между ними, давление, температура, влажность, частота переменного напряжения и время приложения Uпр .
Электрическая прочность жидких диэлектриков в слабой степени зависит от химической природы, но весьма существенно – от инородных примесей.
Эти примеси в жидкостях могут давать растворы и дисперсные фазы, при чем наибольшее влияние на электрическую прочность жидких диэлектриков оказывают дисперсные фазы в виде эмульсий и растворов. Некоторые жидкие диэлектрики, предельно освобожденные от примесей имеют чрезвычайно высокую электрическую прочность порядка 1500 - 1700 кВ/см, в то время, как жидкости технической очистки обладают электрической прочностью порядка 150 кВ/см.
Одним из наиболее распространенных жидких диэлектриков является трансформаторное масло.
В химическом отношении трансформаторное масло представляет собой смесь различных углеводородов, что уже определяет его неоднородность.
Кроме этого, масло достаточно легко воспринимает из воздуха влагу, резко снижающую его электрическую прочность. Трансформаторное масло довольно быстро окисляется воздухом, а в окисленном виде разрушающе действует на твердую изоляцию, с которой оно соприкасается. При этом продукты распада, находясь во взвешенном состоянии объема масла, весьма заметно снижает его электрическую прочность.
Влияние различных факторов на электрическую прочность
трансформаторного масла
Электрическая прочность трансформаторного масла зависит от температуры.
Влияние температуры на пробивное напряжение трансформаторного масла технической очистки характеризуется графиком, представленным на рис.1.

Возрастание пробивного напряжения в точке d (область температур 60-80°С) объясняется влиянием вида распределения воды в масле - вода находится в стадии молекулярного раздробления, переходя в нее из состояния эмульсии.
Увеличение пробивного напряжения в области низких температур является следствием вымерзания воды. Снижение пробивного напряжения ниже температуры 90-95°С, т.е. когда масло находится уже в твердом состоянии, объясняется образованием в нем трещин.
Особенно сильно на электрической прочности трансформаторного масла сказывается содержание в нем эмульсионной влаги.
Из рис.2 видно, что уже сотые доли процента воды в масле резко снижают его электрическую прочность. Как видно, содержание влаги выше 0,04% уже не влияет на электрическую прочность масла. При количестве влаги, превышающем 0,04%, она уже не может находиться во взвешенном состоянии и выпадает на дно сосуда, не увеличивая влагосодержания в объеме масла.

Влияние влаги особенно заметно в случае наличия в трансформаторном масле органических волокон, которые, впитывая в себя влагу, образуют под действием электрического поля проводящие мостики между электродами, значительно уменьшая пробивное напряжение. Так, например, при содержании влаги в 0,02–0,05 % и полном отсутствии в масле органических волокон его электрическая прочность может еще достигать 140 – 150 кВ/см.
На электрическую прочность трансформаторного масла существенное влияние оказывает содержание в нем газовых включений. В силу этого, включение напряжения после заливки масла в трансформатор или какой–либо аппарат следует производить, выждав некоторое время, во избежание пробоя масла. На рис.3 видно, как повышается электрическая прочность хорошо очищенного трансформаторного масла в зависимости от времени его заливки в сосуд до подачи напряжения.

Электрическая прочность трансформаторного масла зависит от времени выдержки под напряжением. График показан на рис.4.

Кроме перечисленных факторов, на величине пробивного напряжения жидких диэлектриков весьма резко сказывается форма электродов и расстояние между ними. С увеличением расстояния между плоскими электродами и увеличением диаметра сферических электродов пробивная напряженность электрического поля жидких диэлектриков снижается – «эффект объема».
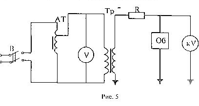
Описание лабораторной установки
Схема установки представлена на рис.5. Источником напряжения промышленной частоты является испытательный трансформатор (Тр) Uном = 110 кВт. Напряжение регулируется с помощью АТ РНО – 10/250.
V – вольтметр на низкой стороне повышающего трансформатора;
R – резистор, служит для защиты трансформатора от больших токов и больной крутизны среза напряжения при перекрытии объекта испытания;
Об – объект испытания;
к V – электростатический киловольтметр С – 100.
Высоковольтная камера снабжена блокировкой, исключающей подачу высокого напряжения при открытой двери камеры

Подготовка к проведению исследований
При подготовке к работе следует:
– изучить описание, изучить лабораторную установку и инструкции по технике безопасности для работающих с высоким напряжением;
– подготовить таблицы для записи экспериментальных данных, записать технические характеристики приборов и оборудования.
После собеседования с преподавателем приступить к проведению эксперимента.
Включение установки и различные переключения производить только с разрешения преподавателя.
Проведение исследований
Опыты нужно проводить в следующем порядке:
а) убедиться, что установка отключена;
б) испытательные электроды подключить между выводом высоковольтного трансформатора и землей;
в) выйти из-за ограждения и замкнуть блокировку безопасности;
г) проверить, находится ли рукоятка АТ в нулевом положении, и, если не находится, то установить ее в этом положении;
д) включить включатель В, т.е. подать напряжение на автотрансформатор и первичную обмотку высоковольтного трансформатора;
е) с помощью АТ увеличить напряжение до наступления пробоя диэлектрика;
ж) при пробое записать показания вольтметра, отключить установку и установить рукоятку АТ в нулевое положение.
Определение пробивного напряжения трансформаторного масла
Стандартное определение пробивного напряжения трансформаторного масла производится следующим образом. Установив требуемый зазор между электродами и промыв чистым маслом сосуд, заполняют его маслом, не менее чем на 15 мм выше краев электродов и, выждав 10 минут, производит первый пробой.
Следующие пробои можно производить с интервалом между ними 5 минут, при чем после каждого пробоя необходимо специальным чистым щупом или стеклянной палочкой перемешивать масло, особенно между электродами для удаления образовавшихся между ними углеродных частиц и пузырьков газа, появившихся в результате пробоя.
Опыт показывает, что для получения устойчивого среднего значения пробивного напряжения достаточно произвести 6 пробоев, из которых результаты первого в расчет не берут.
Произведя шесть пробоев при стандартных условиях, построить график разброса и определить значение пробивного напряжения.
Для получения сравнимых результатов при пробое жидких диэлектриков методика проведения опыта строго стандартизирована и заключается в следующем:
а) применяются латунные или медные электроды диаметром 25 мм с закругленными краями радиусом 2 мм;
б) разрядный промежуток равен 2,5 мм;
в) объем испытуемого масла должен быть от 100 до 200 см3;
г) электроды должны быть в светлом отшлифованном состоянии;
д) напряжение должно подниматься со скоростью 1-2 кВ в секунду.
Пробой устанавливается по возникновению непрерывной электрической дуги между электродами.
2. Установить влияние содержания влаги на пробивную прочность трансформаторного масла.
3. Определить Uпр от количества пробоев (20 пробоев без перерывов).
4. Определить электрическую прочность воздуха для двух различных промежутков (шар-шар и игла-плоскость). Uпр = δUпр ;

Установив расстояние между электродами d =2 см, определить пробивное напряжение и напряженность как среднее из трех пробоев.
Контрольные работы
1. Влияние формы электродов на величину Епр .
2. Зависимость Епр от величины воздушного промежутка между электродами.
3. Как отражается скорость подъема испытательного напряжения на пробивном напряжении трансформаторного масла?
4. Формы пробоя жидких диэлектриков.
5. Какая электрическая прочность газовой изоляции в однородных и слабонеоднородных полях?
Таблица 1
| Молекула | Энергия, эВ | ||
| диссоциация ωд | возбуждения ωв | ионизация ωи | |
| O2 N2 H2 CO2 H2 O SF6 | 5,16 9,80 4,52 5,52 5,06 3,30 | 7,9 14,8 11,5 10 7,6 – | 12,2 15,6 15,4 13,8 12,6 15,8 |
ЛИТЕРАТУРА
- Богородицкий Н.П., Пасынков В.В., Тареев Б.М. Электротехнические материалы. М.: Энергия.1977.
- Бурьянов Б.П.. Трансформаторное масло. М.: Госэнергоиздат,1955.
- Тареев Б.М.. Основы физики диэлектриков. М.: ВЗЭИ. Изд.1-е, 1950, изд.2-е, 1980.
- Справочник по электротехническим материалам. М.: Энергоатомиздат, 1987. Т.2, стр.387–412.
- С.Н. Колесов, И.С. Колесов “Материаловедение и технология конструктивных материалов”. 2004г.: М: “Высшая школа”
______________________________
ЛАБОРАТОРНАЯ РАБОТА №5
ЦЕЛЬ РАБОТЫ
Практическое определение температуры вспышки паров трансформаторного масла и вязкости жидких электроизоляционных материалов.
1. ОПРЕДЕЛЕНИЕ ОБЩЕФИЗИЧЕСКИХ ХАРАКТЕРИСТИК ЭЛЕКТРОИЗОЛЯЦИОННЫХ МАТЕРИАЛОВ
Основные теоретические положения
Из жидких электроизоляционных материалов наибольшее применение в электротехнике имеет трансформаторное масло, которым заливают силовые трансформаторы.
Его назначение двоякое: во–первых, оно, заполняя поры в волокнистой изоляции и промежутки между проводами обмоток и между обмотками и баком трансформатора, значительно повышает электрическую прочность изоляции; во–вторых, что также весьма важно, масло улучшает отвод тепла, выделяющегося за счет потерь мощности в обмотках и сердечнике трансформатора.
Другая важная область применения трансформаторного масла – масляные выключатели высокого напряжения. В этих аппаратах разрыв электрической дуги между расходящимися контактами выключателя происходит в масле или в находящихся под повышенным давлением газах, выделяемых маслом под действием высокой температуры дуги; это способствует охлаждению канала дуги и быстрому ее гашению.
Трансформаторное масло применяется также для заливки маслонаполненных вводов, некоторых типов реакторов и реостатов и других электрических аппаратов.
Одним из наиболее существенных недостатков трансформаторного масла является его горючесть. Пожарная опасность масла оценивается по температуре вспышки паров трансформаторного масла, которая должна быть не ниже + 135оС. Установлено, что трансформаторное масло возгорается при температуре, превышающей температуру вспышки его паров не менее чем на 30оС.
Таким образом, по температуре вспышки паров масла можно судить и о температуре возгорания масла. Поэтому, помимо того, что вспышка паров трансформаторного масла само по себе явление крайне нежелательное, так как может повлечь за собой взрыв маслонаполненного аппарата, оно является также предшественником еще более крупной аварии – возгорания масла.
Определение температуры вспышки паров трансформаторного масла проводится в соответствии с ГОСТ 6356–52, основные положения которого следующие.
Испытуемое масло перед опытом высушивается и заливается в тигель.
В начале опыта нагревание масла ведут со скоростью 5–8оС в минуту. Когда же масло нагревается до температуры на 30оС ниже предполагаемой температуры вспышки паров, скорость нагревания снижают до 2оС в минуту.
При температуре масла на 10оС ниже ожидаемой температуры вспышки начинают проводить попытки на вспышку через каждые 2оС.
За температуру вспышки принимают ту температуру жидкости, при которой над поверхностью масла при поджигании появилось синее пламя.
После появления первой вспышки при повышенной на 2оС температуре производят вторую попытку на вспышку. Если при этом вспышки не произойдет, то опыт следует начинать снова, если же при повторном опыте вторичного воспламенения также не произойдет, а первичное повториться, то определение считается законченным и за температуру вспышки принимается показание термометра при первой вспышке.
При барометрическом давлении, отличном от 760 мм рт.ст. более чем на 15 мм, следует вводить поправку, вычисленную по формуле:
ΔТ = 0,91·(0,1-Р)(273+Т)
где р – фактическое барометрическое давление в Мпа·с.
Т – измеренная температура вспышки или воспламенения.
Поправку прибавляют к определенной из опыта температуре вспышки паров масла в случае, если фактическое барометрическое давление ниже 760 мм рт.ст., и высчитывают, если давление выше 760 мм рт.ст.
Описание лабораторной установки
В настоящей работе рассматривается метод определения воспламенения паров трансформаторного масла с помощью аппарата ПТВ–1. Этот прибор состоит из электрического нагревателя, помещенного внутри корпуса. По дну и боковой поверхности стакана нагревателя уложена спираль. В стакан нагревателя установлен тигель, в который заливается масло. Внутри корпус заполнен теплоизоляционным материалом.
Сверху тигель закрывается крышкой в виде конусообразной камеры с отверстием для наблюдения за вспышкой паров масла. В камере на расстоянии порядка 2–3 мм от уровня залитого в тигель масла расположена нихромовая спираль.
Питание прибора осуществляется от сети переменного тока напряжением 220 В. При включении тумблера «сеть» напряжение подается на спираль нагревателя.
Переключателем «пределы нагрева» можно регулировать скорость нагрева масла. При нажатии на кнопку «вспышка» нихромовая спираль раскаляется и при определенной температуре пары трансформаторного масла вспыхивают. Температура фиксируется по термометру, расположенному на передней панели прибора.
Подготовка к проведению исследований
При подготовке к работе следует:
- изучить по указанной литературе теорию;
- ознакомиться с устройством прибора ПТВ-1 и подготовить его к работе (рис.1: В – выключить, Пр – предохранитель плавкий, R – сопротивление, Л – лампочка, Д – диод, К – кнопочный выключатель, ИП - микроамперметр).
После собеседования с преподавателем можно приступить к выполнению работы.
Проведение эксперимента
- Определить температуру вспышки паров трансформаторного масла.
- Определить влияние влаги на температуру вспышки паров трансформаторного масла.

2. НАГРЕВАЕМОСТЬ ИЗОЛЯЦИОННЫХ МАТЕРИАЛОВ
(ТЕХНИЧЕСКОЕ СТАРЕНИЕ)
Под нагревостойкостью понимают способность материалов без повреждений и ухудшений электрических и механических свойств выдерживать действие повышенных, по сравнению с рабочей, температурой в течение времени, сравнимого со сроком эксплуатации. По нагревостойкости, при которой конструкция может длительно работать без ухудшения свойств, материалы разделяются на семь классов.
| № п/п | Обозначение класса нагревостойкости | Температура нагревостойкости | Группы электроизоляционных материалов, соответствующие данному классу нагревостойкости |
| 1 | У | ˚С (К) 90 (363) | Волокнистые материалы из целлюлозы, хлопка, шелка, органические пластмассы, поливинилхлорид, каучук |
| 2 | А | 105 (378) | Волокнистые материалы, пропитанные масляно–смоляными и другими лаками. Эмалированные провода на поливинилацеталевых лаках. |
| 3 | Е | 120 (393) | Синтетические волокна, слоистые пластики на термореактивных связующих |
| 4 | В | 130 (403) | На основе слюды, асбеста, стекловолокна в сочетании с органическим связующим |
| 5 | F | 155 (428) | Те же материалы в сочетании с синтетическим связующим |
| 6 | Н | 180 (453) | Кремний органический, эластомеры |
| 7 | С | >180 | Фторофлогопит, керамика, стекло, неорганические материалы |
3. ОПРЕДЕЛЕНИЕ ВЯЗКОСТИ ЖИДКИХ МАТЕРИАЛОВ
Основные теоретические положения
Для жидких диэлектриков очень важной характеристикой является их вязкость. Вязкость трансформаторного масла определяет процесс теплоотдачи в трансформаторах. С ней связаны такие основные характеристики диэлектрика, как электропроводность и диэлектрические потери.
Под вязкостью подразумевается внутреннее трение, проявляющееся при относительном движении соседних слоев жидкости и зависящее от молекулярных сил сцепления. Если S – площадь соприкосновения двух соседних параллельных слоев, перемещающихся относительно друг друга со скоростью dv, то сила взаимодействия между слоями
dv
ƒ
=η·Ѕ ,dy
dv
г
де – градиент скорости в направлении, перпендикулярном к dy плоскости перемещения;
η – динамическая вязкость.
ƒ
η =s · dv
dy
Размерность динамической вязкости – Г/см·с. В системе СИ размерность вязкости – Н·с/м2.
Кроме абсолютной (или динамической) вязкости η, в существующей системе единиц для определения вязкости применяется также величина v, носящая название кинематической вязкости, (размерность v– м2/с)
η
V

= р
где р – плотность вещества, кг/м3.
При практических измерениях вязкости часто используются не абсолютные величины вязкости, а значения так называемой условной вязкости. Условная и абсолютная вязкости жидких веществ определяются специальными приборами – вискозиметрами. По своему устройству вискозиметры делятся на капиллярные, универсальные ротационные, ультразвуковые, вибрационные и электромагнитные. В данной работе для этой цели применяется вискозиметр В3-4.
Сущность определения вязкости жидкости вискозиметром В3-4 сводится к тому, что из сосуда через калиброванное отверстие в его дне выпускается определенный объем дистиллированной воды при температуре 20˚C, а затем тот же объем испытуемой жидкости при соответствующей температуре и точно определяется время истечения воды τн2о и затем жидкости τж.
Время истечения определенного объема воды при температуре 20˚C называют постоянной прибора или водяным числом вискозиметра.
Отношение времени истечения испытуемой жидкости τж ко времени истечения такого же объема воды при 20˚C (τн2о) и представляет собой величину вязкости ВУ, выраженную в условных градусах
τж
ВУ = τн2о ,Кинематическую вязкость можно выразить в единицах ВУ через эмпирическую формулу:
ВУ = 0,135·v
Динамическая вязкость исследуемой жидкости η вычисляется по формуле
где v – кинематическая вязкость, м²/с;
р – плотность жидкости, кг/м³.
Размерность η в СИ – Паскаль –секунда (Па·с) – это динамическая вязкость среды, при ломинарном течении которой, в слоях, находящихся на расстоянии в 1 м в направлении, перпендикулярном течению, под действием давления сдвига 1Па возникает разность скоростей течения 1 м/с. В практике испытаний применяется и другая единица вязкости – пуаз (П). 1П=0,1Па·с=0,1Н·с/м². Измерение динамической вязкости производится на основе закона Стокса или закона Пуазейля. V иногда измеряют в Стоксах. 1 Стокс (Ст) = 10-4м2/с; vн2о(20˚ C)= 1 сСт; ηн2о(20˚ C) = 1 сП = 0,001 Па·с.
Проведение эксперимента
ВЗ-4 имеет сопло ( 4мм, l 4 мм). Под ВЗ-4 ставят сосуд емкостью не менее 100 мл. Отверстие сопла закрывают, заполняют резервуар и оставляют в покое на 5-10 мин. для выхода пузырьков воздуха. В ванну вискозиметра наливают воду и доводят ее до необходимой температуры. Данные измерения вносят в табл.1. Дополнительные данные берутся из таб. 2. Зависимость η = ƒ(ι˚ С) показана на рис. 2
Таблица 1
| Наименование материала | ι˚ С | τж, с | τн2о , с | ВУ | v, м²/с | η Па·с | рl Ом·м | η рl |
| | | | | | | | | |


Примечание: Для соответствующих температур взять с кривой зависимости рi = f(i°C) для данной жидкости из работы № 1.
Контрольные вопросы
1. Что называется температурой вспышки паров трансформаторного масла?
2. Как регламентируется скорость повышения температуры при проведении опыта по определению температуры вспышки паров трансформаторного масла, его увлажненность и почему?
3. Классы нагревостойкости?
4. Как определяется вязкость жидких диэлектриков?
5. Что такое динамическая, кинематическая и условная вязкость?
6. Как связана вязкость с электропроводностью диэлектриков?
7. Какие методы определения вязкости вы знаете?
ЛИТЕРАТУРА
1. Богородицкий Н.П., Пасынков В.В., Тареев Б.М., Электротехнические материалы. М.: Энергия, 1977.
2. Пасынков В.В., Тареева Б.М. Справочник по электротехническим материалам / Под ред. Корицкого Ю.В., М.: Энергоатомиздат. 1987. Т2, стр.413-421.
____________________________
ЛАБОРАТОРНАЯ РАБОТА № 6
ОПРЕДЕЛЕНИЕ ДИЭЛЕКТРИЧЕСКОЙ ПРОНИЦАЕМОСТИ
ТАНГЕСА УГЛА ДИЭЛЕКТРИЧЕСКИХ ПОТЕРЬ
ДИЭЛЕКТРИКОВ НА ВЫСОКИХ ЧАСТОТАХ.
ЦЕЛЬ РАБОТЫ
Изучение явления поляризации в диэлектриках, воздействия частоты приложенного электрического поля на величины диэлектрической проницаемости и диэлектрических потерь.
Основные теоретические положения
При действии электрического поля на диэлектрик в нем протекает процесс поляризации – упругое смещение связанных зарядов или ориентация вдоль поля дипольных моментов полярных молекул. Состояние диэлектрика при этом оценивается количественно с помощью вектора электрического смещения, который связан с величиной электрического поля соотношением
D = ε’·E
где ε’ = ε0·ε – абсолютная диэлектрическая проницаемость вещества, Ф/м,
ε – относительная диэлектрическая проницаемость вещества, вакуума Ф/м.
Относительная диэлектрическая проницаемость позволяет оценить, во сколько раз увеличивается емкость конденсатора при замене вакуума исследуемым диэлектриком. Для плоского конденсатора относительная диэлектрическая проницаемость
;S – площадь электрода, см2 ,
d – толщина диэлектрика между электродами, см
Cх – емкость конденсатора, пФ
В соответствии с видами смещающихся под действием электрического поля зарядов различают несколько видов поляризации. Основными из них являются: электронная, ионная, дипольная и спонтанная, структурная, миграционная.
Наиболее легко и быстро на электрическое поле реагируют электроны. Их смещение относительно неподвижного ядра приводит к упругой деформации электронных оболочек атомов. Эта деформация мгновенно устраняется после снятия электрического поля. Время установления этого вида поляризации составляет 10-14 - 10-15 с.
Величина смещения электронов невелика, что обуславливает низкую относительную проницаемость веществ с чисто электронной поляризацией (2–2,5). Такую поляризацию в чистом виде имеют неполярные вещества, например, неполярные жидкости: нефтяное масло, октол; неполярные твердые вещества: парафин, полиэтилен, фторопласт–4. Электронная поляризация присутствует во всех диэлектриках, но в некоторых на нее накладываются другие виды поляризации в зависимости от наличия способных к смещению связанных зарядов, тогда ε вещества возрастает. Если диэлектрик имеет кристаллическую структуру с ионным строением кристалла (слюда, керамика), то в нем происходит ионная поляризация – упругое смещение ионов под действием внешнего электрического поля. Время установления ионной поляризации 10-13 – 10-12с. Диэлектрическая проницаемость веществ с ионной поляризацией – 4-30 (у стекол и керамики может достигать значений 200–300). Для некоторых видов керамики свойственно стремление к образованию доменной структуры при температурах, меньших некоторой определенной величины (эта температура названа точкой Кюри). У таких материалов даже без приложения электрического поля наблюдается самопроизвольное смещение зарядов в пределах доменов. При наложении электрического поля в таких диэлектриках идет спонтанная поляризация. Время установления спонтанной поляризации – 10-7 – 10-9 с. При температуре выше точки Кюри спонтанная поляризация исчезает.
В случае полярных диэлектриков, когда молекулы их имеют несимметрическое в электрическом отношении строение и обладают дипольным моментом, под действием внешнего электрического поля диполи ориентируется вдоль поля, т.е. происходит дипольная поляризация.
Величина диэлектрической проницаемости для полярных диэлектриков лежит в пределах 3–8. Время установления поляризации – 10-8 –10-6 с.
При воздействии на диэлектрик электрического поля часть энергии поля в диэлектрике переходит в тепло и вызывает нагрев диэлектрика. Эта часть энергии поля, рассеивающаяся в диэлектрике в единицу времени, называется диэлектрическими потерями. Природа диэлектрических потерь обуславливается токами абсорбции, являющимися следствием поляризационных процессов и тока сквозной проводимости.
Качество диэлектрика характеризуют удельными потерями (т.е. мощностью, выделяющейся при данной рабочей частоте в единице объема диэлектрика), углом диэлектрических потерь или, чаще, тангенсом угла диэлектрических потерь.
Углом диэлектрических потерь называется угол δ, дополняющий до 90˚ угол сдвига фаз φ между векторами тока и напряжения в емкостной цепи. Этот угол, а также тангенс его увеличивается с ростом потерь энергии в диэлектрике.
- Определение ε и tg δ твердых диэлектриков при частоте 1000Гц.
а) подключить измеряемый объект к соответствующим зажимам, расположенным на передней панели прибора;
б) рукоятку «чувствит.» установить в крайнее левое положение;
в) переключатели пределов и основного отсчетного плеча установить в средние положения;
г) подготовить мост к сети с напряжением 220В, 50 Гц;
д) установить левый переключатель в требуемое положение;
е) первым крайним переключателем выбрать требуемую схему измерения (схема указывается световым табло, расположенным над переключателем);
ж) установить рукоятку «чувствит.» в такое положение, чтобы стрелка указателя равновесия отклонилась в пределах шкалы. Переключая центральный переключатель (переключатель пределов), добиться минимального отклонения стрелки указателя равновесия;
з) при измерении емкости и индуктивности, постепенно увеличенная чувствительность рукояткой «чувствит.», поочередным вращением нижних рукояток (правой и левой) добиться минимального отклонения стрелки указателя равновесия;
и) при работе на пределах «10-4 μҒ», «10-4 μҒ» отсчет необходимо умножить на 0,1; при работе на пределах «10 μҒ», «10-2 μҒ» отсчет необходимо умножить на 10.
На остальных пределах отсчет прямой.
к) измерить толщину диэлектрика и диаметр меньшего электрода.
2. Исследование зависимости ε и tg δ от частоты.
Повторить измерения ε и tg δ твердых диэлектриков при частотах, указанных преподавателем.
Таблица 1
| Наименование материала | ƒ,Гц | С,мкФ | tg δ | ε | Рn Вт/м3 | Примечание |
| | | | | | | Диаметр измерительного электрода =120мм |
Контрольные вопросы
- Что такое поляризация диэлектриков и какой величиной она оценивается?
- Как определяется диэлектрическая проницаемость твердых и жидких диэлектриков?
- Что такое угол диэлектрических потерь?
- Объяснить характер частотной зависимости разных диэлектриков.
- Удельные потери мощности p и p в диэлектрике. Коэффициент диэлектрических потерь.
ЛИТЕРАТУРА
- Богородицкий Н.П., Пасынков В.В., Тареев Б.М. Электротехнические материалы. М.: Госэнергоиздат, 1985.
- Тареев Б.М., Казарновский Д.М. Испытания электроизоляционных материалов. М.: Госэнергоиздат, 1959.
- Справочник по электротехническим материалам. М.: Энергоатомиздат, 1987.Т.2, стр.374-386.
- С.Н. Колесов, И.С. Колесов “Материаловедение и технология конструктивных материалов”. 2004г.: М: “Высшая школа”
_______________________________
ЛАБОРАТОРНАЯ РАБОТА №7
МАГНИТНЫЕ МАТЕРИАЛЫ
ЦЕЛЬ РАБОТЫ
Изучение магнитных свойств технически чистого железа и листовой электротехнической стали до и после пластической деформации.
В зависимости от магнитных свойств вещества подразделяются на диамагнетики, парамагнетики, ферромагнетики, антиферромагнетики и ферримагнетики.
Количественную оценку магнитных свойств вещества принято давать по его магнитной восприимчивости Х, которая представляет собой коэффициент пропорциональности между напряженностью Н приложенного внешнего магнитного поля намагниченностью М, т.е.
М=ХН
В качестве магнитных материалов, имеющих важное значение в современной технике, применяются ферромагнитные вещества.
Магнитные свойства материалов в общем случае определяются совокупностью ряда физических явлений: движением электронов по орбитам вокруг ядра (при этом создается орбитальный магнитный момент); свойствами электронов (вращение вокруг собственной оси), которые связаны с созданием спинового магнитного момента; строением электронных оболочек и др.
Явление ферромагнетизма связано с образованием внутри магнитных материалов ниже определенной температуры (точки Кюри) областей – доменов, в которых магнитные моменты ориентированы параллельно друг другу и одинаково направлены.
Таким образом, характерным для ферромагнитного состояния вещества является наличие в нем самопроизвольной (спонтанной) намагниченности без приложения внешнего магнитного поля, т.е. результирующие магнитные моменты каждого из доменов отличны от нуля. При воздействии внешнего поля магнитные моменты доменов приобретают преимущественное направление этого поля, и ферромагнитное вещество намагничивается.
Ферромагнитные вещества характеризуются большим значением магнитной восприимчивости (Х>>1), ее нелинейной зависимостью от напряженного поля и температуры, способностью намагничиваться до насыщения при обычных температурах даже в слабых полях, гистерезисом (зависимостью магнитных свойств от предшествующего магнитного состояния), точкой Кюри (температурой, выше которой материал теряет ферромагнитные свойства).
К ферромагнитным веществам относятся Fe, Ni, Co, их соединения и сплавы, а также некоторые сплавы Mn, Ag, Al.
Наиболее общим принципом классификации магнитных материалов является их деление на магнитно-мягкие, обладающие высокой магнитной проницаемостью, небольшой коэрцитивной силой и малыми потерями на гистерезис и магнитно-твердые, обладающие сравнительно малой проницаемостью, большой коэрцитивной силой и высокой магнитной энергией.
Характеристика магнитно-мягких материалов
Технически чистое железо содержит не более 0,04% С. Оно обладает высокими магнитной проницаемостью и индукцией насыщения и низкой коэрцитивной силой. Из-за малого удельного электрического сопротивления технически чистое железо обладает повышенными потерями на вихревые токи и находит применение только в устройствах постоянного тока. Выпускается в виде электролитического железа, железа Армко и карбонильного железа. Все виды деформаций технически чистого железа снижают его магнитные свойства. Для получения оптимальных магнитных свойств после механической обработки проводят термическую обработку – отжиг (нагрев без доступа воздуха при 900-1200°С в течение 3-6 ч и медленное охлаждение вместе с печью до 600°С).
Нелегированная электротехническая сталь по магнитным свойствам приближается к технически чистому железу и содержит в своем составе до 0,3% кремния.
Тонколистовая электротехническая легированная сталь представляет собой сплавы железа, содержащие от 0,8 до 5% Si. Легирование кремнием резко повышает удельное электрическое сопротивление, снижая потери на вихревые токи, увеличивает магнитную проницаемость, уменьшает коэрцитивную силу и потери на гистерезис. Электротехническая сталь очень чувствительна к деформациям. Наклеп, возникающий при изготовлении деталей, ухудшает ее магнитные свойства и поэтому после наклепа проводят отжиг в неокислительной среде при 750-800°С.
По объему применения электротехнические стали занимают первое место среди всех магнитно-мягких ферромагнитных материалов и используются в магнитных цепях электрических машин, приборов, работающих на постоянном и переменном токах на частотах до 400-500Гц.

Рис. 1.
Для железа Армко и легированной электротехнической стали при заданной напряженности магнитного поля Н определить коэрцитивную силу Нс, максимальную индукцию В мах , полные удельные потери при максимальной индукции и частоте 50 Гц (РВмах/50) (рис.1).
Работа на установке и определение магнитных характеристик
Для работы на ферротестере необходимо:

1. Включить ферротестер в сеть при помощи переключателя на задней стенке прибора. Ручки интегратора 1,2,3 (рис.2) установить в положение «I» , а ручки отклонения 4,5,6 в положение «0».
2. Установить два электронных луча, наблюдаемые на экране ферротестера, в центре координатной сетки и путем поворота ручек центрирования 7,8, ручки регулирования яркости «9» и ручки фокуса «10».
3. Вставить исследуемый образец в отверстие соленоида А или В.
4. Исходя из заданной преподавателем напряженности магнитного поля Н, рассчитывать создаваемое катушкой эффективное напряжение VH:
VH =
эф.в ,где Нэр – заданная преподавателем напряженность поля в эрстедах;
К1 – постоянная прибора равна 40.
5. С помощью ручек калибровки 15 и 16 установить рассчитанное в п.4 напряжение.
6. Ручку регулировки входа 17 поставить в положение CALIBR III.
7. Растянуть луч до конца сетки (на 50 см) по горизонтали при помощи ручки интегратора 3 и отклонения 6.
8. Установить калибровочную ручку 15 в исходное положение (крайнее левое), а ручку 17 в положение испытания TESTA.
- При помощи ручек возбуждения соленоида 18 и 19 растянуть луч до края координатной сетки.
- Вращая ручку интегратора 1 и отклонения 4, получить на экране устойчивое изображение петли гистерезиса.
- Измерить в миллиметрах расстояние lн , соответствующее условному значению коэрцитивной силы, и lв , соответствующее остаточной индукции, и записать в протокол.
- Вычертить петлю гистерезиса на миллиметровке или кальке.
- «Погасить» петлю с помощью ручки возбуждения 18. На экране осциллографа в центре координатной сетки должна остаться светящаяся точка.
- Поставить ручку 17 в положение CALIBRI.
- Ручкой 15 и 16 произвести отклонение луча в вертикальной плоскости до ,краев координатной сетки (на 60 см). Ручку 15 поставить в положение 1 или 0,1.
- По положению ручек 15 и 16 записать в протокол значение в вольтах (произведение показаний ручек 15 и 16).
По величине Vв найти максимальную индукцию Вmax.
- Выключить ферротестер, для чего ручку 15 поставить в крайнее левое положение, ручку 17 в положение TESTA, ручки 1 и 3 – в положение I, ручки 4 и 6 – в положение 0.
Расчетные формулы
1. Напряженность магнитного поля Нэ .
2. Эффективное напряжение катушки Vн = Н/К1 (К1=40).
3. Максимальная напряженность магнитного поля (задается преподавателем).
4. Линейный масштаб по оси Х: Мх = Нэ/25, эр/мм.
5. Коэрцитивная сила Нс=lн · Мх.
6. Максимальная магнитная индукция Вmax= К2·Vв/F, то, где К2 – постоянная прибора, равна 9240; Vв – значение, снятое с прибора ручками 15 и 16; F – площадь поперечного сечения образца, мм2 .
7. Линейный масштаб по оси у: Му = Вmax. /30, гс/мм.
8. Остаточная индукция Вм = Му · lв .
9. Полные потери на гистерезис при максимальной магнитной индукции Вmax. и частоте 50 Гц

где S – площадь петли гистерезиса, мм2; Mx – масштаб напряженности поля, э/мм; Му – масштаб магнитной индукции, гс/мм; ƒ – частота перемагничивания; γ – уд.вес Армко (γ = 7,8), стали (γ = 7,65).
КОНТРОЛЬНЫЕ ВОПРОСЫ
1. Что такое магнитное поле и отчего оно возникает?
2. Что такое: магнитная индукция, напряженность, магнитное поле, магнитная проницаемость и единицы их измерения?
3. Какие материалы называют магнитно-мягкими?
4. Какие материалы называют магнитотвердыми?
5. Что относят к магнитам специального назначения?
6. Что такое Нс и Вс ?
7. Какие температуры Кюри для Fe, Ni, Co?
8. Какое влияние оказывают механические свойства на магнитные свойства?
ЛИТЕРАТУРА
- Материалы в приборостроении и автоматике: Справочник / Под ред. Ю.М. Пятина. – М.: Машиностроение, 1982. – 320с.
- Дубинин Е.Н., Аврамов Ю.С. Конструкционные, проводниковые и магнитные материалы. М.: Машиностроение, 1973. – 200с.
- Пасынков В.В. Материалы электронной техники. М.: Высшая школа, 1980. – 180с.
- С.Н. Колесов, И.С. Колесов “Материаловедение и технология конструктивных материалов”. 2004г.: М: “Высшая школа”
_______________________________________
Лабораторная работа №8
ОПРЕДЕЛЕНИЕ МЕХАНИЧЕСКИХ СВОЙСТВ
ЭЛЕКТРОИЗОЛЯЦИОННЫХ МАТЕРИАЛОВ
Цель работы:
- Изучить особенности механических свойств полимерных электроизоляционных материалов, связанные с их структурой.
- Ознакомиться с методами определения важнейших прочностных и деформационных свойств пластмасс .
ТЕОРЕТИЧЕСКИЕ ПОЛОЖЕНИЯ
- Общие определения
К твердым электроизоляционным материалам относятся органические, элементорганические и неорганические диэлектрики - бумага, картон, слоистые и пропитанные волокнистые материалы, намотанные изделия, все виды керамики, стекла, слюды, древесина и др. Наиболее многочисленной группой диэлектриков являются полимеры и материалы на их основе. Высокие электроизолирующие свойства делают их весьма перспективными в энергосетевом строительстве, в устройствах контактной сети и в линиях электропередачи. В таблице… приведены общие сведения и применение некоторых полимерных диэлектриков.
Все синтетические полимеры делятся на полимеризационные и поликонденсационные. Полимеризационные образуются в результате взаимодействия низкомолекулярных веществ (мономеров) без выделения каких-либо побочных продуктов. К этой группе полимеров можно отнести полиэтилен (высокого, среднего и низкого давления), полипропилен, поливинилхлорид и др. Поликонденсационные полимеры также получаются из низкомолекулярных органических веществ, но процесс их образования сопровождается выделением побочных продуктов, в частности воды. Представителями этого класса синтетических полимеров являются фенолформальдегиды, полиэфиры , полиэпоксидыи др.
В зависимости от поведения при повышенных температурах все синтетические полимеры подразделяются на термопластичные и термореактивные.
Термопластичные полимеры (термопласты) при нагревании размягчаются, а при охлаждении переходят в твердое состояние без существенного изменения первоначальных свойств.
Термореактивные полимеры (реактопласты) при нагревании отверждаются, т.е. превращаются в твердые, неплавкие и нерастворимые материалы. Этот процесс может протекать и при нормальной температуре при взаимодействии термореактивных смол с отвердителями.
Пластическими массами (пластмассами) называют такие материалы, которые содержат в качестве основного компонента синтетический полимер. В одних случаях пластмассы состоят в основном из полимера с добавкой небольшого количества вспомогательных веществ (красителя, смазки, стабилизатора), в других – содержат наполнители и пластификаторы. Используя различные наполнители, можно получить армированные и наполненные пластики с повышенной прочностью, жесткостью, износостойкостью, улучшенными антикавитационными, антифрикционными и диэлектрическими свойствами.
Особые свойства полимеров обусловлены спецификой их химического строения. Главной особенностью строения полимеров является наличие цепных молекул, в которых последовательно связано большое число атомов. Для таких соединений характерны два типа связей химические и физические (межмолекулярные), резко различающихся по величине энергии и длине.
Молекулы полимеров могут содержать звенья одинакового и различного химического состава. Первые относят к гомополимерам, вторые к сополимерам.
В зависимости от формы макромолекул полимеры делят на линейные, разветвленные и сетчатые (пространственные).
Линейные макромолекулы представляют собой длинные зигзагообразные или закрученные в спираль цепи. Гибкие макромолекулы с высокой прочностью вдоль цепи и слабыми межмолекулярными связями обеспечивают эластичность материалу, способность размягчаться при нагревании, а при охлаждении вновь затвердевать. На физико-механические и химические свойства линейного полимера влияет плотность упаковки молекул в единице объема. При плотной упаковке возникает более сильное межмолекулярное притяжение, что приводит к повышению плотности, прочности, температуры размягчения и уменьшению растворимости.
Разветвленные макромолекулы полимера, являясь также линейными, отличаются наличием боковых ответвлений, которые препятствуют сближению макромолекул. В результате снижения межмолекулярного взаимодействия уменьшается прочность материала, повышается плавкость и растворимость.
Сетчатые полимеры образуются при соединении («сшивке») макромолекул между собой в поперечном направлении прочными химическими связями. Редкосетчатые полимеры теряют способность растворяться и плавиться. Они обладают упругостью (резины). Густосетчатые полимеры отличаются твердостью, повышенной теплостойкостью, нерастворимостью. Пространственные полимеры лежат в основе конструкционных материалов.
Свойства полимеров зависят не только от их химического состава и строения, но и от взаимного расположения макромолекул, то есть от надмолекулярной структуры. Макромолекулы способны свертываться в клубки – глобулы. Известны также пластинчатые, фибриллярные, сферические и другие структуры.
В зависимости от степени упорядоченности расположения макромолекул в пространстве различают аморфное и кристаллическое состояние полимеров. Наличие дальнего порядка, характеризующего кристаллическое состояние, также значительно отражается на свойствах полимера.
- Особенности механических свойств полимерных материалов
Механические свойства характеризуют способность диэлектрика выдерживать внешние статические и динамические нагрузки без недопустимого изменения первоначальных размеров и формы. Под действием механических усилий материалы деформируются, а при достаточно сильных или длительных воздействиях разрушаются. В соответствии с этим различают деформационные и прочностные свойства. В отдельную группу выделяют фрикционные свойства, проявляющиеся при движении твердого полимерного тела по поверхности другого тела.
Механические свойства полимерных материалов, связанные с наличием длинных макромолекул, проявляют следующие особенности:
- развивают под действием внешних механических сил большие обратимые (высокоэластические) деформации, достигающие десятков, сотен и даже тысячи процентов;
- имеют релаксационный характер реакции тела на механическое воздействие, т.е. зависимость деформаций и напряжений от длительности (частоты) воздействия. Эта зависимость обусловлена отставанием деформации от напряжения и может проявляться в чрезвычайно широком временном диапозоне;
- изменяют механические свойства в зависимости от условий получения, способа переработки, что обусловлено существованием разнообразных форм надмолекулярной структуры.
Прочность зависит от времени действия нагрузки, температуры и других факторов, а также от структуры полимера, наличия различных дефектов, молекулярной массы. К специфическим закономерностям разрушения полимерных материалов относятся также зависимости прочности от времени воздействия, температуры, вида напряженного состояния, молекулярной массы и структуры полимера (химической и надмолекулярной структуры, молекулярной ориентации, степени поперечного сшивания и т.д.).
В различных физических состояниях полимеры характеризуются различными специфическими механизмами разрушения, во многих из которых существенную роль играют релаксационные процессы. Линейные и разветвленные полимеры могут находиться в трех основных физических состояниях – стеклообразном, высокоэластическом и вязкотекучем, трехмерные (сшитые) только в первых двух из этих состояний.
