Задание на курсовой проект Введение
| Вид материала | Курсовой проект |
- Задание на курсовой проект, 167.11kb.
- Владимир Дмитриевич Червяков Содержание введение 4 Постановка задачи проектирования, 378.34kb.
- Курсовой проект по дисциплине "Организация эвм, комплексов и систем", 549.85kb.
- Курсовой проект по курсу "Организация и методика производственного обучения" ( 0308., 237.65kb.
- Задание на курсовой проект Исходные данные, 7.83kb.
- Задание на курсовой проект для варианта 21., 411.84kb.
- Трудового Красного Знамени государственный технический университет им. Н. Э. Баумана, 229.11kb.
- Задание на курсовой проект, 50.25kb.
- Задание на курсовой проект; реферат, 294.21kb.
- Курсовой проект по учебной дисциплине «Микропроцессорные средства» на тему «Система, 521.9kb.
Содержание
1. Задание на курсовой проект
2. Введение
3. Проектирование дискретного устройства на элементах малой интеграции.
3.1. Проектирование блока триггера.
3.2. Проектирование микроопераций
3.2.1. Микрооперация установки триггера в " 0 ".
3.2.2 Микрооперация записи данных.
3.2.3. Микрооперация сдвига кода влево на один разряд.
3.2.4. Логическая микрооперация - дизъюнкция.
3.2.5. Микрооперация вычитания.
3.2.6. Микрооперация счета со сквозным переносом.
3.2.7. Микрооперация преобразования в обратный код.
3.2.8. Микрооперация сравнения ().
3.2.9. Микрооперация свертки по модулю 3
(тип параллельный)
3.3. Построение объединенных функций возбуждения триггеров.
3.4. Расчет быстродействия ДУ.
4. Проектирование ДУ на БИС.
4.1. Проектирование схемы ДУ.
4.2. Карта программирования ПЗУ.
1. Задание на курсовой проект.
Спроектировать дискретное устройство (ДУ) выполняющее следующие действия :
- сброс элементов памяти
- запись значения входного слова в ДУ
- сдвиг кода в ДУ влево
- логическая операция (дизъюнкция)
- арифметическая операция вычитание
- счетчик (+1) с параллельным переносом
- преобразование в обратный код
- операция сравнения ()
- свертка по модулю 3 (тип параллельный).
Дискретное устройство проектируется на RS – триггерах.
Серия МИС 555, серия ПЗУ 573.
2. Введение.
При синтезе проектируемое устройство представляется в виде структуры, представленной на рисунке 2.1

рисунок 2.1.
Проектирование дискретного устройства сводится к синтезу элементарного дискретного устройства, обрабатывающего один бит информации и включающего один элемент памяти (триггер).
Входная комбинационная схема обеспечивает выполнение операций из множества Y, результатом которых являются соответствующие значения функций возбуждения f i для каждого из входов триггера:
– установка элементов памяти в нулевое состояние.
– запись входного слова в элементы памяти
– сдвиг влево
– логическую операцию
– инкремент
– операция вычитания
– преобразование в обратный код.
Выходная комбинационная схема обеспечивает выполнение операции сравнения и формирование свертки содержимого ДУ.
Синтез элементарного ДУ сводится к получению функций возбуждения для каждой операции отдельно и, далее, построению объединенных функций возбуждения триггера элементарного ДУ. Получение функций возбуждения для каждой микрооперации сводится к выполнению следующих этапов :
– построение таблицы для выполняемой операции
– определение значений функций возбуждения для каждой таблицы выполняемой операции с учетом таблицы переходов заданного триггера
– определение логической функции для каждого входа заданного триггера
3. Проектирование дискретного устройства на элементах малой интеграции.
3.1 Проектирование блока триггера.
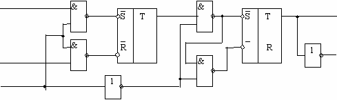
В силу отсутствия в данной серии микросхем двухступенчатого триггера возникает необходимость в его синтезе с использованием имеющихся элементов малой интеграции и RS-триггера, присутствующего в серии. В серии 555 имеется RS-триггер без синхронизирующего входа 555TР2. На его основе синтезируем схему блока триггера, изображенную на рис. 3.
Q
_
Q
S
R
C

рисунок 3.
Полученная схема двухступенчатого триггера обеспечивает переключение триггера по заднему фронту тактового импульса, т.е. запись данных в первую ступень триггера происходит по переднему фронту тактового импульса, а появление данных на выходе – по заднему фронту. Этим достигается устойчивость работы триггера и исключается возможность его повторного переключения в течение тактового импульса и формирование на его выходах неверных данных.
3.2 Проектирование микроопераций.
3.2.1. Микрооперация установки триггера в " 0 ".
При подаче тактового импульса на синхронизирующие входы триггеров и при разрешении операции обнуления (Y=0) по заднему фронту импульса, информация, находящаяся на входах триггеров переписывается на их выходы, т.о. обнуление триггеров происходит в том случае, если к моменту подачи тактового импульса на R-входах триггеров установлены уровни логической единицы, а на S-входах – уровни логического нуля.
-




0
0
0
*
1
0
0
1

3.2.2. Микрооперация записи данных.
Когда операция записи данных разрешена, т.е. Y =1, и при подаче на синхровходы триггеров тактового импульса С по его заднему фронту, информация, находящаяся на входах триггеров, переписывается в ячейки памяти дискретного устройства и появляется на выходах Qi. При изменении входных данных, т.е. при переключении сигналов X i они с задержкой распространения импульса по цепям микросхем, участвующих в микрооперации записи данных, появляются на входах триггеров. При подаче следующего тактового импульса С микрооперация записи данных повторяется.
| X | Qt | Qt+1 | S | R | | | S | | | R |
| 0 | 0 | 0 | 0 | * | | Qt | | | Qt | |
0 | 1 | 0 | 0 | 1 | | | | | | |
| 1 | 0 | 1 | 1 | 0 | X | * | 1 | X | | |
| 1 | 1 | 1 | * | 0 | | | | | 1 | * |

3.2.3. Микрооперация сдвига кода влево на один разряд.
Когда Y =2, по заднему фронту тактового импульса информация со входов триггера поступает на их выходы, а затем осуществляется сдвиг кода, хранящегося в данный момент в ячейках памяти, в сторону младших разрядов т.е. влево. При сдвиге каждый запоминающий элемент должен :
- передать хранимую информацию на элемент Ti-1
- изменить свое состояние за счет приема информации от триггера Т i+1 при сдвиге на один разряд влево.
Передача от триггера Тi и изменение его состояния не могут проходить одновременно. В данном курсовом проекте эта трудность исключается за счет использования синхронных двухступенчатых RS-триггеров с динамическим управлением записью. Внутренняя организация таких триггерных схем предусматривает разделение во времени этапов приема входной информации и смены выходной. В них по переднему фронту синхронизирующего сигнала происходит прием информации, а по заднему - изменение состояния.
| Qit | Qti+1 | Qit+1 | Si | Ri | | | Si | | | Ri |
| 0 | 0 | 0 | 0 | * | | Qi | | | Qi | |
| 0 | 1 | 1 | 1 | 0 | | | | | | |
| 1 | 0 | 0 | 0 | 1 | Qi+1 | * | 1 | Qi+1 | 0 | 0 |
| 1 | 1 | 1 | * | 0 | | 0 | 0 | | 1 | * |

3.2.4. Логическая микрооперация.
В данном дискретном устройстве разрабатывается логическая микрооперация дизъюнкция. Когда Y=3 и на синхровходы триггеров подается тактовый импульс выполняется заданная логическая операция над содержимым ячейки памяти и входными данными.
| Xi | Qti | Qit+1 | Si | Ri | | | Si | | | Ri |
| 0 | 0 | 0 | 0 | * | | Qti | | | Qti | |
| 0 | 1 | 1 | * | 0 | | | | | | |
| 1 | 0 | 1 | 1 | 0 | Xi | * | 1 | Xi | 0 | 0 |
| 1 | 1 | 1 | * | 0 | | * | 0 | | 0 | * |

3.2.5. Микрооперация арифметического вычитания.
В данном дискретном устройстве разработана арифметическая операция вычитания. Анализируя исходное состояние триггера, перенос, в соответствии со словарем переходов RS-триггеров составляем таблицу.
Xi | Zi | Qi | Qi+1 | Si | Ri | Zi+1 | | Х | | S | |
| 0 | 0 | 0 | 0 | 0 | * | 0 | Zi | 0 | * | 0 | 1 |
| 0 | 0 | 1 | 1 | * | 0 | 0 | | 1 | 0 | * | 0 |
| 0 | 1 | 0 | 1 | 1 | 0 | 1 | | | Q | | |
| 0 | 1 | 1 | 0 | 0 | 1 | 0 | | Х | | R | |
| 1 | 0 | 0 | 1 | 1 | 0 | 1 | Zi | * | 0 | 1 | 0 |
| 1 | 0 | 1 | 0 | 0 | 1 | 0 | | 0 | 1 | 0 | * |
| 1 | 1 | 0 | 0 | 0 | * | 1 | | | Q | | |
| 1 | 1 | 1 | 1 | * | 0 | 1 | | Х | | Zi+1 | |
| | Zi | 1 | 1 | 0 | 1 | ||||||
| | 1 | 0 | 0 | 0 | |||||||
| | Q | | |||||||||
Функции возбуждения триггера для данной операции имеют следующий вид:

3.2.6. Микрооперация счета (+1) с параллельным переносом.
Если Pi=1, то
. Если Pi=0, то
.| Pi | Qti | Qit+1 | Si | Ri | | | Si | | | Ri |
| 0 | 0 | 0 | 0 | * | | Qti | | | Qti | |
| 0 | 1 | 1 | * | 0 | | | | | | |
| 1 | 0 | 1 | 1 | 0 | Pi | 0 | 1 | Pi | 1 | 0 |
| 1 | 1 | 0 | 0 | 1 | | * | 0 | | 0 | * |

3.2.7. Микрооперация преобразования в обратный код.
Микрооперация преобразования в обратный код реализуется по следующим формулам .

3.2.8. Микрооперация сравнения ().
Выполним сначала сравнение на “>”, а затем результат инвертируем, получим сравнение на “”. _
F7=X3X2X1X0 > Q3Q2Q1Q0 X3 > Q3 =X3Q3
F7=(X3 > Q3) (X3 = Q3; X2 > Q2) (X3 = Q3; X2 = Q2; X1 > Q1) (X3=Q3; X2 = Q2; X1 = Q1; X0 > Q0)

P7вх – равно в старшей группе, P7вых – равно в этой группе.
3.2.9. Микрооперация свертки по модулю 3 (параллельная).
Свертка по модулю 3 применяется для контроля кода. Остаток от деления на 3 R1R0 числа Q3Q2Q1Q0 образуется следующим образом :
| Q1 | Q0 | R’1 | R’0 | | | Q2 | Q3 | R’’1 | R’’0 |
| 0 | 0 | 0 | 0 | | | 0 | 0 | 0 | 0 |
| 0 | 1 | 0 | 1 | | | 0 | 1 | 0 | 1 |
| 1 | 0 | 1 | 0 | | | 1 | 0 | 1 | 0 |
| 1 | 1 | 0 | 0 | | | 1 | 1 | 0 | 0 |
R’1 | R’0 | R’’1 | R’’0 | R1 | R0 | R1 | | R0’ | | | |
| 0 | 0 | 0 | 0 | 0 | 0 | | 0 | 0 | * | 1 | |
| 0 | 0 | 0 | 1 | 0 | 1 | | 0 | 1 | * | 0 | |
| 0 | 0 | 1 | 0 | 1 | 0 | R0’’ | * | * | * | * | R1’’ |
| 0 | 1 | 0 | 0 | 0 | 1 | | 1 | 0 | * | 0 | |
| 0 | 1 | 0 | 1 | 1 | 0 | | | | R1’ | | |
| 0 | 1 | 1 | 0 | 0 | 0 | | | | | | |
| 1 | 0 | 0 | 0 | 1 | 0 | R0 | | R0’ | | | |
| 1 | 0 | 0 | 1 | 0 | 0 | | 0 | 1 | * | 0 | |
| 1 | 0 | 1 | 0 | 0 | 1 | | 1 | 0 | * | 0 | |
| | | | | | | R0’’ | * | * | * | * | R1’’ |
| | | | | | | | 0 | 0 | * | 1 | |
| | | | | | | | | | R1’ | | |


3.3. Построение объединенных функций возбуждения.
Построение объединенных функций возбуждения триггеров реализуется следующим образом:
- построение объединенной таблицы функционирования для каждой микрооперации и каждого установочного входа триггера;
запись функций возбуждения.
Таблица 3.1 является объединенной таблицей функционирования ДУ. В ней строки соответствуют микрооперациям, а столбцы установочным входам триггеров. Для каждого установочного входа записывается функция возбуждения.
Таблица 3.1 Объединенная таблица функционирования ДУ.
| Опер. | S0 | R0 | S1 | R1 | S2 | R2 | S3 | R3 |
| Y0 | X0 | ![]() | X1 | ![]() | X2 | ![]() | X3 | ![]() |
| Y1 | Q1 | ![]() | Q2 | ![]() | Q3 | ![]() | Pвх | ![]() |
| Y2 | X0 | 0 | X1 | 0 | X2 | 0 | X3 | 0 |
| Y3 | ![]() | ![]() | ![]() | ![]() | ![]() | ![]() | ![]() | ![]() |
| Y4 | ![]() | ![]() | ![]() | ![]() | ![]() | ![]() | ![]() | ![]() |
| Y5 | ![]() | ![]() | ![]() | ![]() | ![]() | ![]() | ![]() | ![]() |
| Y6 | 1 | 0 | 1 | 0 | 1 | 0 | 1 | 0 |
На основании оставленной таблицы синтезируем функции возбуждения триггеров

Преобразуем полученные функции к базису И-НЕ.
3.4. Расчет быстродействия ДУ.
Быстродействие дискретного устройства следует оценивать по максимальной частоте тактовых импульсов, поступающих на синхронизирующий вход. Максимальная частота тактовых импульсов – это максимально допустимая частота подаваемых в дискретное устройство импульсов, не приводящих к нарушению его работы. В общем случае для расчета максимальной тактовой частоты необходимо определить минимальные длительности тактового импульса и паузы между тактовыми импульсами. Тогда частоту fmax можно определить по формуле :

Длительность такта для синхронных схем дискретного устройства определяется исходя из быстродействия используемого триггера. Длительность паузы между тактовыми импульсами определяется временем переходного процесса в дискретном устройстве и оценивается максимальной длиной функциональной цепи :
, где
– максимальная задержка сигнала на одном элементе; n – число уровней функциональной цепи (глубина КСх);
Вычисляем максимальную тактовую частоту дискретного устройства :

4. Проектирование дискретного устройства ЭВМ на элементах средней и большой степени интеграции :
4.1. Проектирование схемы ДУ.
В основе автомата на БИС – применение микросхемы программируемого ПЗУ К573. Для программирования всех операции требуется количество адресных входов :
4 - входа для входного числа (X0,X1,X2,X3);
1 - входа для входного переноса;
1 - входа для входного заема или рез-та сравнения в старшей группе;
4 - входа для входного числа в регистре (Q0,Q1,Q2,Q3);
3 - входа для двоичного кода выполняемой операции (8-операции);
т.о. если все операции запрограммировать в одной микросхем, необходимо 13 адресных входов.
Число выходов (разрядности выходного слова ПЗУ) требуется :-
4 - для результата операции ;
1 - для выходного переноса ;
1 - для выходного заема или рез-та сравнения;
2 - для кода свертки по mod 3.
т.е. 8 выходов.
Выбираем микросхему 573 РФ4 .У которой 13 адресных входов и 8-разрядный выход. Ее емкость 8*213=64 кбайтов. Это микросхема ре - программируемого ПЗУ с ультрафиолетовым стиранием.
В РПЗУ программируются двоичные слова для всех комбинации входного слова X=(X0,X1,X2,X3); и результата предыдущей операции Q=(Q0,Q1,Q2,Q3) с учетом входного переноса для каждой операции. Для компактного использования матрицы ПЗУ унарный код команды (“1 из N”) преобразуется в двоичный код с помощью шифратора.
Схема управления вырабатывает сигналы “Выборки кристалла”=1 и синхронизации записи выходного слова из ПЗУ в статический регистр.
Все микросхемы устройства можно выбрать из экономичной ТТЛ - серий , т.к. входные и выходные сигналы ПЗУ совместимые с ТТЛ - уровнями. Выбираем серию К555, быстродействие которой (tзд=20 нс) удовлетворяет условию согласования с ПЗУ (время выборки 300 нс).
Статический 8-разрядный регистр с управлением записью по фронту синхросигнала типа К555 ИР35. Запись осуществляется по положительному фронту тактового импульса на входе С.
В составе серии 555 имеется только восьми - входовой шифратор К555 ИВ1 с низкими уровнями входных и выходных сигналов. Поэтому сигналы команд Y1, Y2, Y3, ... ,Y8 необходимо инвертировать.
Выходной сигнал G указывает на наличие хотя бы на одном входе активного (нулевого) уровня.
На вход С регистра следует подать синхромируемые, фронт которого задержан относительно команды на время, превышающее время выборки из ПЗУ.
DD2 и два элемента DD3 служат для инверсии сигналов Y1, Y2, ... , Y8 перед подачей на входы шифратора DD1.
4.2. Карта программирования ПЗУ.
| A10 A9 A8 | A4 A5 A6 A7 | A12 A11 | A0 A1 A2 A3 | D7 D6 D5 D4 D3 D2 D1 D0 | |
| код операции | Q3 Q2 Q1 Q0 | Zвх Pвх | X3 X2 X1 X0 | R1 R0 Z Pвых Q3t+1 Q2t+1 Q1t+1 Q0t+1 | |
| Y0 | | | | | 00000000 |
| Y1 | 111 | | | 1101 0010 0001 | 00001101 00000010 00000001 |
| Y2 | 110 | 1110 0110 1011 | 1 1 0 | | 00001111 00001011 00010101 |
| Y3 | 101 | 1001 0011 0101 | | 0000 1001 1010 | 00001001 00001011 00001111 |
| Y4 | 100 | 0011 0110 0011 | 1 0 1 | 0001 0111 0011 | 00000001 00101111 00101111 |
| Y5 | 011 | 0111 1010 1111 | 1 1 0 | | 00001000 00001011 00010000 |
| Y6 | 010 | 1001 0101 0000 | | | 00000110 00001010 00001111 |
| Y7 | 001 | 0110 0111 1110 | 0 1 1 0 0 0 | 1000 0111 0110 | 00000110 00100111 00101110 |
| Y8 | 000 | 1011 1000 0011 | 0 1 1 0 0 0 | | 01001011 00001000 00000011 |

0
Xi
R’1



























