Темы выступлений на IV всероссийской конференции «Стратегия развития российского метизного производства»
| Вид материала | Документы |
- Темы выступлений на III всероссийской конференции «Современные метизные производства,, 1329.58kb.
- Всероссийская конференция метизников Развитие метизного производства в России, 993.91kb.
- Международная Академия науки и практики организации производства, 36.68kb.
- М. Е. на Всероссийской конференции Закон, 165.66kb.
- Всероссийская научно-практическая конференция Стратегия гимназического образования, 5158.69kb.
- Темы выступлений на семинаре по дисциплине «Стратегический менеджмент» Теория стратегического, 13.91kb.
- О проведении VIII всероссийской конференции представителей малых предприятий «Малый, 294.13kb.
- Программа выступлений конференции «Инфо-Стратегия 2011» г. Самара, 29 июня 1 июля 2011, 96.66kb.
- 20- я (XXIV) Международная конференция Российского общества ангиологов и сосудистых, 158.95kb.
- Программа Международной научной конференции «эмигрантика/emigrantica печатные издания, 36.37kb.
В течение многих лет вибрационный бункерный питатель SKAKO COMESSA Тип FV проходил тестирование и доработку, чтобы стать лучшим питателем на рынке по производительности, оснащению и возможностям применения.
![]() |
![]() |
![]() Wilhelm Alte GmbH, Германия – цех термической обработки. |
![]() Подача продукции методом «Один за одним». |
- От ручного к автоматическому производству
В прошлом ручная подача была единственной возможностью дозирования взаимно-сцепленных материалов.
Посредством применения SKAKO COMESSA вибрационного бункерного питателя Типа FV достигается управляемая дозировка взаимно-сцепленных материалов, например гвоздей, шурупов, фурнитуры и т.д. Угол, под которым магнитный привод активирует бункерный питатель, а тем самым и материал, устанавливается так, чтобы вибрация не только подавала вперед, но и отделяла друг от друга взаимно-сцепленные продукты производства.
- Контролируемая и равномерная дозировка
FV вибрационный бункерный питатель гарантирует контролируемую и равномерную дозировку сыпучих веществ. Посредством настройки характеристик магнитного вибратора достигается плавное регулирование мощности.
Для взвешиваемой дозировки применяется электронная система взвешивания, которая регулирует, контролирует и регистрирует поток материала в соответствии с заданными параметрами.
Управление системой взвешивания SKAKO COMESSA и коммуникация с ней может осуществляться с удаленного компьютера.
- Универсальный продукт
SKAKO COMESSA FV вибрационный бункерный питатель применяется в различных технологических процессах по всему миру: для загрузки автоматических линий, для дозировки на устройства взвешивания, для упаковочных линий. В комбинации с вибрационным транспортером и системой взвешивания питатель типа FV служит для точной весовой дозировки заготовок в печь для закалки, в моющее и другое оборудование поверхностной обработки.
- Надежность
Компания SKAKO COMESSA является известным во всем мире поставщиком вибрационного оборудования и занимается решением практически всех возможных заданий в своей области. Благодаря этому мы накопили огромный опыт в решения и реализации специфических запросов заказчика.
Возможность различной компоновки оборудования упрощает сборку и совмещение с другими машинами в линии:
- Разгрузочная воронка
Скошенная с целью оптимального приспособления к ширине желоба или к входному отверстию очередной машины.
- Дренаж - Маслоспуск
Нежелательные жидкости, как, например, масло или вода, будут устранены.
- Пальцевая решетка
Для сортировки мелкого материала, как например обрезки, стружки и т.д.
- Подхватывающее корытце
Для захвата материала после окончания дозировки (например: монет, болтов, таблеток, порошка и т.д.).
- Заслонка разгрузочного люка
Для задержки материала при загрузке вибрационного бункерного питателя.
- Запирающая решетка
Пройдет только высвобожденный и разделенный материал
- Расцепляющее устройство
Сильно сцепленный материал высвободится, продукты производства равномерно перемещаются в продольном направлении.
- Облицовка – Внутреннее покрытие желоба
Против износа, шумов, коррозии и прилипания. Тип облицовки определяется транспортируемым материалом.
- Датчик материала
Постоянно контролирует уровень материала в вибрационном бункерном питателе и включает или выключает установку.
- Вибраторы - Приводы
Вибрационные бункерные питатели в зависимости от способа применения оснащены либо магнитными вибраторами или механическими вибраторами, или же механическими индукторами.
- Подставка
Посредством подставки проводится приспосабливание к другим машинам (по высоте).
- SKAKOWEIGH - Система взвешивания
Гарантирует точное взвешивание партии материала или точный объем дозировки.
SKAKO COMESSA вибрационный бункерный питатель Тип FV характеризуют проверенная конструкция и многолетнее применение в процессах манипулирования с сыпучими веществами.
Вибрационный бункерный питатель Тип FV был специально разработан для работы с сыпучими веществами, которые в случае иного решения не могут быть высыпаны из бункера.
SKAKO COMESSA вибрационный бункерный питатель Тип FV сконструирован как увеличенный желоб, за счет чего комбинируется рабочая сила с вибрационным желобом. Перемещаемый материал или заготовки не встречают на своем пути никаких механических подвижных устройств. Движение осуществляется с помощью так называемых «микроскочков», которые создаются магнитным вибратором. За счет этого материал большую часть времени находится во взвешенном состоянии, что обеспечивает минимальный износ материала и внутренней поверхности питателя.
Удачное сочетание конструкции желоба, отсутствие трения между материалом и внутренней поверхностью питателя, а также подобранный угол активации материала позволяет обеспечивать оптимальную дозировку даже очень сильно сцепляющихся материалов.
Поток материала в FV вибрационном бункерном питателе зависит от частоты работы магнитного вибратора. Изменяя его настройку, можно изменять дозируемый объем.
ON-OFF-Система
Равномерная и автоматическая подача изделий
![]() |
![]() |
SKAKO COMESSA – ON-OFF-Система была разработана на основании более чем 30-ти летнего опыта и сотрудничества с заказчиками, для продукции и технологических процессов в которых был необходим равномерный и автоматический поток.
SKAKO COMESSA бункерные вибрационные питатели тип FVE предназначаются, прежде всего, для дозирования и освобождения зацепившихся друг за друга изделий так, чтобы можно было получить автоматический и равномерный поток. Зачастую зацепившиеся друг за друга изделия затрудняют автоматическую подачу. Специально для этого была разработана электронная ON – OFF Система, в которой бункерный вибрационный питатель типа FVE комбинируется с вибрационным конвейером типа CCE/CCU, установленным на весы. Посредством этих весов реализуется связь между питателем и конвейером. Питатель контролируемо, по порциям, дозирует изделия на конвейер, а тот, в свою очередь, освобождает зацепившиеся друг за друга изделия и равномерно дозирует их на следующее устройство. Весы контролируют порции, дозируемые из питателя, и таким образом гарантируют равномерную автоматическую подачу изделий.
SKAKO COMESSA – ON-OFF-Система – важная составная часть многих автоматических производственных процессов:
- дозирование на непрерывные ленты печей для закалки и отпуска
- заполнение промышленных моющих и сушильных машин
- подача и загрузка в промышленные гальванические установки и машины
для поверхностной обработки
- подача в весовые системы и упаковочные линии
- подача в технологические, сортировочные и контрольные автоматы.
Контролируемое автоматическое и равномерное дозирование изделий гарантирует постоянное качество производства и оптимальное использование автоматических линий.
Параметры применения
| Метод загрузки: Подъемной системой Ширина контейнера: 500 мм Загружаемая порция: 400 кг /200 литров Высота загрузки: 2500 мм Размер бункера: 1000 кг / 500 литров Дозировка в: Печь Размер на выходе: 500 мм Высота: 1750 мм | Специальные требования: Материал для подачи M20 x 150 мм винты Объемная плотность: 5 тонн/м³ Размер и форма: Поверхность, Сухая/Масл./Другое: Маслянистая Проблемный материал: Нет Производительность: 1500 кг/час Электропитание: 480В / 60 Гц |
Подъёмное оборудование Тип LTD и LTS
- Безопасность в обращении
- Грузоподъемность от 100 кг до 3 т
- Высота подъема от 1,5 м до 5 м
![]() |
Подъёмное оборудование SKAKO COMESSA сочетает в себе надежную
оптимизированную конструкцию для моделей как с одной, так и с двумя
стойками. В результате, вы получаете оборудование, которое сочетает в себе
высокое качество, надежность и производительность. Подъёмное оборудование
SKAKO COMESSA – результат более чем 30-летнего опыта работы с подъёмно-разгрузочными устройствами для загрузки питателей различными материалами, часто с высокой плотностью.
Подъемники SKAKO COMESSA широко используются для подачи металлических материалов, которые поступают на конвейерные линии термической обработки и гальванизирующие установки.
- Полное опустошение контейнера
Разгрузка производится при перевороте контейнера на 180°; для достижения полного опустошения, используется механизм повторного переворота контейнера.
- Большие дверцы для сервисного доступа позволяют легко проводить обслуживание цепи снаружи.
- Надежная «Не заедающая» направляющая для подъемника.
- Прямой доступ к устройству регулировки цепи, облегчает настройку и позволяет точно определить время замены цепи.
- Широкая комплектация обеспечивает высокую эффективность эксплуатации
и гарантирует удобную работу с подъемниками и продукцией.
- Специальная конструкция подъемника позволяет обслуживать
одновременно несколько питателей, стоящих в ряд.
- Пневматическое/гидравлическое (в зависимости от модели)
зажимное приспособление обеспечивает лёгкую фиксацию контейнеров различных размеров.
- Зажимные приспособления могут быть вручную настроены под
контейнеры различной высоты.
- Пневматическая/гидравлическая крышка гарантирует аккуратную транспортировку материала из контейнера на последующее оборудование.
- Легкий барьер вместо стандартных дверец обеспечивает удобный доступ к подъёмнику.
- Ступенчатый механизм переворота позволяет производить разгрузку по частям, для оптимального расцепления проблемной продукции.
- Пульт ввода удобно расположен для оператора или водителя.
- Панель управления для простого ручного или же автоматического управления при помощи сопряжённых устройств.
![]() |
Вибрационное оборудование на сегодняшний день находит все большее и большее свое применение в различных областях промышленности. Наша компания Skako Comessa A/S является профессионалом в своей отрасли и обладает многолетним опытом в области проектирования и производства вибрационных машин, которые будут точно соответствовать поставленной Вами задаче и усиливать Ваши позиции на рынке.
![]() Питание гальванической линии |
Перспективные экологические растворы пассивации покрытий метизов
серии ST 680 и другие на основе трехвалентного хрома (Сr3+).
Милошевич С , «SurTec»
В соответствии с решениями ЕU 2000/53/ЕG от 27 июня 2002 года на основании которых автомобильная промышленность после 01 июля 2007 года обязана использовать растворы для химической обработки и защити от коррозии только на основе трехвалентного хрома (Cr3+), соответственно запрещается использование растворы на основе шестивалентного хрома (Cr6+).
В связи с эти на заводе компании SurTec Čačak
, Сербия, который входит в группу предприятий компании SurTec Германия, в кратчайшие сроки проведены научно-исследовательские работы по внедрению новых методов декоративной обработки металлов и защиты их от коррозии.
В компании SurTec разработаны специальные растворы как для подготовки поверхности металла - химические, электрохимические, активаторы, травители, так и различные защитные, защитно-декоративные, декоративные и специальные покрытия и различные растворы для пассивирования металлической поверхности.
Особенно, следует отметить, разработано много растворов на основе трехвалентного хрома (Cr3+) для химического пассивирования цинка, позволяющие получать защитные пленки с высокой коррозионной стойкостью. В компании SurTec есть растворы пассивации как на основе Cr3+ , так и Cr6+.
В настоящем докладе будут рассмотрены только растворы пассивации на основе Cr3+.
Такие растворы работают с кислыми, щелочными не цианистыми и щелочными цианистыми электролитами.
Компания SurTec Чачак производит следующие растворы:
Для голубой пассивации: ST 660, ST 662, ST 667 на основе Cr6+, которые одновременно имеют высокую коррозионную стойкость.
ST 660 – раствор применяется для щелочного не цианистого электролита. Коррозионная стойкость покрытия с пассивирующей пленкой: 24 часа до начала коррозии.
ST 662 – раствор применяется для кислого электролита при цинковании и служит для защитно–декоративной обработки. Коррозионная стойкость покрытия с пассивирующей пленкой: 24 часа до начала коррозии.
ST 667 – раствор применяется в автомобильной промышленности и имеет высокую жаростойкость. Применяется для кислого электролита при цинковании и служит для защитно–декоративной обработки. Коррозионная стойкость покрытия с пассивирующей пленкой: 72 часа до начала коррозии.
ST 669 – раствор создает пассивирующую пленку средней толщины. Создан на основе Cr3+. Коррозионная стойкость покрытия с пассивирующей пленкой: 192 часа до начала коррозии.
Для желтой пассивации ST 680 на основе Cr3+, для пассивации утолщенных покрытий. Коррозионная стойкость: 240 часов до начала коррозии.
ST 680+ ST 551 – применяется в автомобильной промышленности. Имеет высокую коррозионную стойкость. Коррозионная стойкость: 480 часов до начала коррозии.
![]() I II III | I - Жёлтая пассививирующая пленка на основе Cr6+ II - Толстая пассивирующая пленка: раствор пассивации ST 680 на основе Cr3+ III - Голубая пассивирующая пленка: раствор пассивации ST 66х на основе Cr3+ |
Пассивирующая плёнка, образующаяся после применения растворов пассивации SurTec на основе Cr3+ имеет высокую стойкость к истиранию в мокром виде и к механическим повреждениям.
Пассивирующая плёнка, образующаяся на цинковом покрытии после применения растворов пассивации SurTec может иметь следующий цвет: голубой, бесцветно-голубой, радужный, черный, что безусловно зависит от применяемого раствора пассивации.
Для увеличения защитных свойств после пассивации можно изделия погружать в силер (top coat). Компания SurTec предлагает следующие силеры: ST 520, ST 522, ST 551 и ST 556. Для их применения требуется дополнительное оборудование (ванна и центрифуга). Они увеличивают коррозионную стойкость на 100 часов до начала коррозии и на 250 часов до начала красной коррозии.
Раствор, создающий толстую пассивирующую пленку ST 680 на основе Cr3+
- Пассивирующая пленка превосходит все установленные нормы защиты от коррозии для жёлтого пассивации по DIN 50 021 SS.
- После обработки в этом растворе покрытие приобретает голубой или зеленоватый цвет с различными оттенками.
- Раствор применим как при ручном обслуживании, так и в автоматических установках.
- Имеет долгий срок использования.
![]() |
Приготовление раствора:
SurTec 680 – 12,5 объемных %.
SurTec 680-КС - порошок по необходимости
SurTec 680-С - только для корректировки.
В ванну наливают расчетное количество SurTec 680 и заполняют ванну водой до рабочего уровня. Требуется тщательно перемешать и проверить рН раствора.
Довести рН раствора до 1,8 (1,8-2,0) добавкой HNO3 или NaHCO3 или Na2CO3..
Температура раствора должна быть 60оС (55-80оС).
Время обработки: 60сек. (30-90 сек).
Материал ванны: сталь с кислотоупорной облицовкой из пластмассы или какого-либо другого стойкого материала.
Нагреватели: стекло или тефлон.
Требуется или движение обрабатываемых деталей или перемешивание раствора сжатым воздухом.
Расход: расход включает количество материала необходимого для образования пленки с учетом технологических потерь на вынос раствора деталями.
На каждый литр потери электролита нужно добавить 125 мл. SurTec 680.
SurTec 680 также можно добавлять для увеличения содержания кобальта: 50мл SurTec 680 для создания 1 гр/л Со.
Для увеличения содержания кобальта можно добавит и SurTec 680-С (для создания 1 гр/л Со нужно добавит 1 мл/л SurTec 680-С).
При пассивировании требуется осветление – добавить 0,5% НNO3, особенно для деталей, которые оцинкованы в щелочных электролитах.
При обработке деталей на подвесках требуется промывка над ванной.
Метод анализа очень легкий и можно определить объемный % ST 680 (10-15 г/л)
Также можно определить и содержание цинка в растворе пассивации (10-15 г/л)
Исследование влияния предварительной деформации металла на силу деформирования при холодной высадке крепежных деталей
Лавриненко В.Ю.
к.т.н., доц. каф. «Машины и технология обработки металлов давлением», заведующий лабораторией САПР,
Московский государственный индустриальный университет (МГИУ)
Гартвиг А.А.
Московский государственный индустриальный университет (МГИУ)
При производстве крепежных деталей методом холодной высадки актуальными являются вопросы обеспечения высокого качества, прочности и надежности продукции, а также повышение стойкости штамповочного инструмента (пуансонов, матриц, вставок и т.д.) и снижение затрат на их изготовление [1].
Предполагается, что повышение стойкости инструмента в несколько раз можно обеспечить снижением нагрузок на инструмент в результате снижения сопротивления деформации и сил деформирования.
Проведенные ранее исследования показали, что предварительная деформация при волочении в холодном состоянии вызывает повышение сопротивления деформации, причем повышение тем значительнее, чем больше степень обжатия при волочении. При последующем приложении нагрузки в направлении, противоположном предыдущему направлению, течение металла начинается при более низких напряжениях по сравнению с теми, которые были в момент прекращения нагрузки при предварительном деформировании [2].
Для исследования влияния предварительной деформации исходного материала на силовые параметры при высадке крепежных деталей были проведены моделирование и анализ технологических процессов изготовления болта со звездообразной головкой (рис.1) и колесной шестигранной гайки (рис.2) в программном комплексе QForm2D/3D.
![]() |
| Рис.1. Болт со звездообразной головкой |
![]() | ![]() |
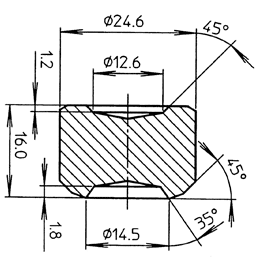
| Рис.2. Колесная шестигранной гайка | |
Технологический процесс изготовления болта состоит из 4-х переходов (рис.3). После отрезки заготовки (рис.3, а) на 3-х предварительных переходах проводят редуцирование стержня, предварительную высадку головки болта и осадку фланца (рис.3, б, в, г). На окончательном переходе штамповки проводят формирование сложного профиля звездообразной головки (рис.3, д).
![]() | ||||
| а | б | в | г | д |
| Рис.3. Технологические переходы штамповки болта со звездообразной головкой | ||||
Для исследования влияния степени предварительной деформации в качестве материала болта была выбрана сталь 30Г1Р в двух исходных состояниях:
- после сфероидизирующего отжига
(исходная степень деформации ε = 10%).;
- предварительно деформированное состояние
(степень деформации при волочении ε = 10%).
На рис.4 представлены кривые деформирования стали 30Г1Р.

Рис.4. Диаграммы деформирования стали 30Г1Р с различными степенями предварительной деформации
Технологический процесс изготовления шестигранной гайки состоит из 5-и переходов (рис.5). После отрезки заготовки (рис.5, а) на 2-х предварительных переходах проводят осадку и получение наметок (рис.5, б, в). На третьем переходе штамповки производят формирование внешнего шестигранного профиля гайки (рис.5, г), а на четвертом переходе - формирование конической части гайки (рис.5, д). На окончательном переходе штамповки происходит пробивка отверстия и удаление перемычки (рис.5, е).
![]() | ![]() | ![]() | ![]() | ![]() | ![]() |
| а | б | в | г | д | е |
| Рис.5. Технологические переходы штамповки шестигранной гайки | |||||
В качестве материала гайки была выбрана сталь 20Г2Р также с двумя степенями предварительной деформации ε = 0% и ε = 10%.
На рис.6 представлены кривые деформирования стали 30Г1Р.

Рис.6. Диаграммы деформирования стали 20Г2Р с различными степенями предварительной деформации
На рис.7 и рис.8 показаны результаты моделирования по переходам высадки болта.
![]() | ![]() |
| а | б |
![]() | ![]() |
| в | г |
| Рис.7. Результаты моделирования высадки болта: а – первый переход; б – второй переход; в – третий переход; г – окончательный переход | |
| Предварительная деформация исходного материала ε = 0% | Предварительная деформация исходного материала ε = 10% | |
![]() | ||
| а | ||
![]() | ![]() | |
| б | ||
![]() | ![]() | |
| в | ||
![]() | ![]() | |
| г | ||
| Рис.8. Силы штамповки по переходам высадки болта: а – первый переход; б – второй переход; в – третий переход; г – окончательный переход | ||
Можно отметить, что в случае предварительной деформации исходного материала равной ε = 0% силы деформирования на каждом переходе высадки болта были ниже, чем при предварительной деформации ε = 10%.
При этом суммарная сила деформирования составила 0,419МН при ε = 0% и 0,326МН при ε = 10%.
Таким образом, уменьшение суммарной силы деформирования при использовании стали 30Г1Р в предварительно деформированном состоянии для холодной высадки болта со звездообразной головкой составило примерно 20%.
На рис.9 и рис.10 показаны результаты моделирования по переходам высадки гайки.
![]() | ![]() |
| а | б |
![]() | |
| в | |
![]() | |
| г | |
| Рис.9. Силы штамповки по переходам: а – первый переход; б – второй переход; в – третий переход; г – четвертый переход | |
| Предварительная деформация исходного материала ε = 0% | Предварительная деформация исходного материала ε = 10% | |
![]() | ![]() | |
| а | ||
![]() | ![]() | |
| б | ||
![]() | ![]() | |
| в | ||
![]() | ![]() | |
| г | ||
| Рис.10. Силы штамповки по переходам высадки гайки: а – первый переход; б – второй переход; в – третий переход; г – окончательный переход | ||
На первом, втором и окончательном переходе высадки гайки силы деформирования были примерно одинаковыми для обоих случаев предварительной деформации.
На третьем переходе сила деформирования составила 1,95МН и 1,45МН при ε = 0% и ε = 10% соответственно.
При этом суммарная сила деформирования составила 5,5МН для случая предварительной деформации 0% и 5МН для случая предварительной деформации 10%.
Таким образом, уменьшение суммарной силы деформирования при использовании стали 20Г2Р в предварительно деформированном состоянии для холодной высадки шестигранной гайки составило примерно 10%.












































