D. Исследование характеристических кривых 6
| Вид материала | Исследование |
- Тема 14. Модель is-lm и варианты экономической политики государства, 312.73kb.
- Нейросетевая аппроксимация векторных объектов кривыми безье, 82.29kb.
- Рыночное равновесие, 130.99kb.
- С. В. Шадрина Лекция 5 сентября, 15: 00-16: 30, Введение в геометрию пространства модулей, 5.97kb.
- | Основные правила построения кривых Adobe Illustrator Алгебра, 106.46kb.
- | Основные правила построения кривых Adobe Illustrator Алгебра, 127.02kb.
- 3. Принципы классификации и классификация термодинамических процессов. Ответ, 215.06kb.
- Программа вступительного экзамена в аспирантуру по специальности 08. 00. 05 «Экономика, 207.28kb.
- Исследование машинописных текстов, 3773.04kb.
- Исследование рынков сбыта, 102.92kb.
Теоретические и практические принципы
испытаний электродвигателей

Содержание
Теория и методы испытаний 1
Импульсные испытания обмоток 1
А. Генерирование импульсов 1
В. Энергия импульсов 4
С. Испытательное напряжение 5
D. Исследование характеристических кривых 6
Е. Методы испытаний 7
F. Изоляция между фазными обмотками 9
Испытание электрической прочности изоляции при постоянном напряжении 11
А. Измерение тока 11
В. Степень безопасности 11
Мегаомметр 12
Коэффициент поляризации 12
Испытание стандартными импульсами 1,2/50 14
Испытание роторов, изготовленных литьем под давлением 16
А. Принцип действия 16
В. Позиционирование и настройка бесконтактного датчика O4/BPR 16
С. Осциллограммы 17
D. Отображение кривых на дисплее 18
Измерение омического сопротивления 19
А. Четырехпроводная схема измерения 19
В. Компенсация комнатной температуры 20
С. Проверка равенства сопротивлений фазных обмоток 20
D. Оценка повышения температуры обмотки 20
Теория и методы испытаний
Импульсные испытания обмоток
Этот вид испытаний был впервые внедрен в США в пятидесятые годы для заводского технического контроля, а в Европе он был внедрен фирмой RISATTI в 1958 г. Испытание высоковольтными импульсами (SURGE TEST) является наиболее строгим, быстрым и надежным методом обнаружения различных дефектов обмоток. Он обнаруживает дефекты, существующие в момент выполнения испытания, а также неявные дефекты, которые могут проявиться впоследствии.
Дефекты изоляции проводов (насечки, внешние разрывы и трещины) первоначально не создают проблем, однако спустя некоторое время при воздействии температурных циклов, механических и электромагнитных напряжений они могут приводить к короткому замыканию с последующим перегоранием обмотки.
Здесь применяется метод испытаний, основанный на применении генератора высоковольтных импульсов, заряжающего конденсатор, выполняющий функцию накопителя энергии.
Затем конденсатор разряжается на испытываемые обмотки с частотой сети переменного тока (50 раз в секунду) через тиристорную систему. Это оказывает жесткое воздействие на обмотку, поскольку крутой фронт высоковольтного импульса создает в междувитковой изоляции условия, аналогичные тем, в которых обычно работают электрические машины при наличии импульсных процессов, обусловленных атмосферными разрядами, импульсами переключения и импульсными помехами, генерируемыми таким оборудованием, как сварочные аппараты.
Резонансный контур, образованный индуктивностью испытываемой обмотки и установленным в приборе конденсатором, формирует затухающие колебания напряжения.
Частота этих колебаний зависит от индуктивности L испытываемой обмотки (количество витков, тип и качество железа, расположение обмоток и тип соединений секций обмотки), а затухание определяется добротностью Q (отсутствие коротких замыканий, утечки на землю и т.д.).
Сравнение этой кривой с образцовой кривой или с данными кривой, хранящимися в памяти, позволяет обнаружить разницу, обусловленную всеми дефектами (даже скрытыми), например: короткие замыкания между витками или выводами, неправильные соединения, отличающееся количество витков, повреждения изоляции и т.п.
Для наиболее эффективного применения прибора здесь описаны важные аспекты импульсного метода испытаний обмоток. Это предназначено для выделения наиболее полезной информации о применении системы, для учета нашего опыта и опыта нашего постоянного сотрудничества с наиболее известными и компетентными предприятиями, где были выполнены серьезные лабораторные испытания.
А. Генерирование импульсов
Одной из главных отличительных особенностей прибора H2/CPS является система генерирования высоковольтных импульсов, подача которых на обмотки является серьезным испытанием их качества.
Наиболее важной и надежной среди всех систем является система разряда конденсатора.
Эта система объединяет в себе долговременную надежность и безопасность со схемной простотой. Это означает надежность и экономичность в сравнении с другими системами.
Характеристики импульсного генератора определяются следующими факторами:
- скорость нарастания напряжения;
- энергия импульса;
- частота повторения импульсов.
Скорость нарастания напряжения определяется в основном характером компонента, применяемого для замыкания цепи испытываемой обмотки.
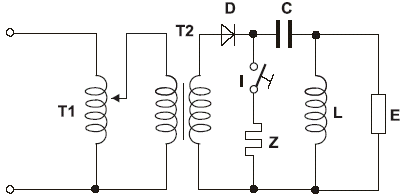
Здесь применяется следующая схема:

Рис. 2
| Т1 – регулируемый автотрансформатор Т2 – повышающий трансформатор D – диод (однополупериодный выпрямитель) С – накопительный конденсатор Z – защитный импеданс | I – электронный ключ; содержит систему из тиристора и быстродействующих диодов, имитирующую электромеханический выключатель L – испытываемая обмотка Е – схема для определения и обследования характеристической кривой |
Автотрансформатор Т1 служит для установки нужного напряжения. Здесь речь идет о пиковом напряжении, в то время как электрическая прочность изоляции характеризуется эффективным напряжением переменного тока.
Когда ключ I разомкнут, конденсатор С заряжается через диод D. В следующем полупериоде диод D заперт; тогда замыкается ключ I и разряжается конденсатор С на обмотку L.
ё

Рис. 3
а – напряжение на высоковольтной вторичной обмотке трансформатора
b – жирная кривая: заряд конденсатора
с – момент замыкания электронного ключа
d – затухающие колебания при разряде конденсатора
Наиболее важная часть этой диаграммы помечена буквой "d". Именно эта часть характеризует результат испытания.
Рассмотрим теперь колебания напряжения на испытываемой обмотке после замыкания ключа I.

Рис. 4
V – огибающая затухающих колебаний, обусловленных потерями (ограниченная добротность Q)
Vo – подаваемое напряжение
t1 – время нарастания напряжения (время замыкания электронного ключа)
f – собственная частота резонансного контура (значение индуктивности L выражается в генри)
Р1 и Р2 – пиковые значения
Собственную частоту колебаний резонансного контура, образованного встроенным накопительным конденсатором и индуктивностью испытываемой обмотки, можно получить из выражения:

где = 2f, отсюда
или 
Это теоретическая сторона вопроса. На практике же существуют влияющие факторы, действие которых приводит к индивидуальному характеру кривой для каждой конкретной обмотки:
- паразитные емкости между витками, а также между витками и землей;
- последовательный защитный дроссель (встроенный в прибор), который служит ограничителем пикового тока в случае короткого замыкания в испытываемой обмотке; это защищает электронный ключ от повреждения;
- индуктивность рассеяния;
- качество и количество железа в сердечнике;
- омическое сопротивление обмотки.
Все эти факторы определяют индивидуальный характер каждой обмотки с соответствующей характеристической кривой. Этим объясняется различие (иногда значительное) характеристических кривых двух одинаковых обмоток, изготовленных на разном оборудовании или с применением разных каркасов.
Зависимость напряжения V огибающей затухающих колебаний от времени определяется омическим сопротивлением обмотки R и ее индуктивностью L, как следует из формулы (1) на рис. 4.
И в этом случае существуют влияющие факторы, вызывающие отклонение от теоретической модели, особенно при наличии дефектов изоляции между витками обмотки (полное или частичное короткое замыкание), а также при наличии утечки на землю.
Короткое замыкание одного или нескольких витков образует подобие трансформатора с короткозамкнутой вторичной обмоткой. Это приводит к резкому уменьшению индуктивности первичной обмотки и к аномальному потреблению энергии. Следует иметь в виду, что удвоение количества витков приводит к увеличению индуктивности в четыре раза.
В нашем случае следует учитывать накопленную в конденсаторе энергию (полученную на этапе заряда) и более быстрое затухание колебаний.
-

1) образцовая кривая
2) короткозамкнутые витки
Рис. 5
Следует также отметить, что действительно важной величиной является время нарастания напряжения t1 (между уровнями 10% – 90% максимального напряжения). Как указывалось выше, чем короче это время, тем более жестким является испытание.
У наших приборов это время составляет 0,2 мкс + 0,3 / -0,1 мкс (стандарт CEI EN 60034-15).
Пояснения по поводу значений Q и L изложены в подразделе D.
В. Энергия импульсов
Вторым важным моментом, определяющим качество испытаний, является энергия импульсов.
Эта энергия определяется в основном энергией, накопленной в конденсаторе С, который подключается к испытываемой обмотке на этапе разряда.
Накопленная в конденсаторе и отдаваемая при его разряде на обмотку энергия описывается следующим выражением:
W = 1/2 C V2
где W – энергия в джоулях; С – емкость в фарадах; V – испытательное напряжение.
В стандартном варианте исполнения прибора H2/CPS при емкости конденсатора 0,05 мкФ и максимальном напряжении 5000 В подаются импульсы с энергией
W = 0,625 Дж
Значение энергии должно быть оптимизировано, чтобы получить возможный разряд между критичными точками в обмотке, однако оно не должно быть слишком высоким, чтобы не получались бесполезные и даже опасные пробои.
Следует также подчеркнуть существенное различие между нашей системой испытаний и системами испытаний у наших конкурентов.
В нашей системе (см. рис. 2) электронный ключ является устройством, обеспечивающим полноценное замыкание; это позволяет получить реальное соединение конденсатора С и индуктивности L при любой полярности напряжения. В результате получаются затухающие колебания с постоянной частотой, достигается более эффективное использование энергии и обеспечиваются более жесткие условия испытания.
Другими словами, применяемый фирмой Risatti двунаправленный (биполярный) ключ позволяет нагрузке резонировать с накопительным конденсатором. Это обеспечивает биполярное возбуждение обмотки с приложением как положительного, так и отрицательного напряжения при каждом цикле возбуждения.
В некоторых конкурирующих системах ключ "I" является однонаправленным (по соображениям стоимости). Он обеспечивает лишь разряд конденсатора на обмотку, поэтому здесь отсутствует полноценное соединение конденсатора и индуктивности. Таким образом, обмотка здесь резонирует на собственной частоте колебаний контура, образованного паразитными емкостями, в результате чего происходит диссипация энергии подаваемого импульса.
При этом форма колебаний отличается от классической формы затухающих колебаний: более низкая частота в первом периоде и значительно более высокая частота в конце (с более низкой амплитудой напряжения). Это обусловлено более низким значением паразитной емкости в сравнении с емкостью накопительного конденсатора.
Такой метод испытания при том же уровне испытательного напряжения является менее жестким, чем метод, который применяется в наших системах, поскольку требует подачи более высокой начальной энергии для обеспечения качественного испытания. Однако увеличение энергии может вызвать обширные повреждения (пробои) обмотки в критичных точках.
Следует отметить также важность частоты повторения импульсов. Эта частота должна быть достаточной для реализации испытания, способного выявить все возможные слабые места в обмотке.
С. Испытательное напряжение
Строгие правила (особенно в отношении обмоток крупных электрических машин) определяют требования к выбору значения испытательного напряжения (стандарты IEC 34-15, IEEE 522 и т.д.). Для выбора этого значения используется тот же принцип, который применяется при испытании электрической прочности диэлектрика. Единственная разница состоит в том, что здесь речь идет о пиковом значении напряжения. Используется следующая формула:
Vp = (2 V + 1000) К
где: Vp – испытательное напряжение;
V – рабочее напряжение испытываемой обмотки;
К – постоянный коэффициент, который выбирается пользователем в интервале 1,2 ÷ 1,6. Этот коэффициент учитывает тот факт, что здесь применяется импульсное напряжение, пиковое значение которого превышает эффективное значение в 1,41 раз. Возможный интервал значений коэффициента К учитывает характеристики испытываемой обмотки и необходимое качество испытания.
Очень важно иметь в виду, что напряжение, реально действующее на испытываемой обмотке, может значительно отличаться от установленного испытательного напряжения.
Если обратиться к рис. 2, то можно заметить наличие импеданса Z, предназначенного для защиты электронного ключа в случае короткого замыкания. Этот импеданс суммируется с импедансом соединительных кабелей и схем коммутации, в результате чего возникает падение напряжения на нагрузке, пропорциональное импедансу нагрузки (в крайнем случае короткозамкнутой нагрузки это напряжение равно нулю).
Жесткость испытания в значительной мере определяется приложенным к нагрузке напряжением. Особенно важно учитывать это при низкой индуктивности обмоток (обмотки с небольшим количеством витков или с небольшим количеством железа).
В принципе всегда важно проверять приложенное к обмотке напряжение, особенно в случае низкого ее импеданса.
Это обеспечивается путем отсчета амплитуды первого пика измеряемой кривой в сантиметрах (по делениям шкалы). Это значение индицируется в левой части дисплея; его следует умножить на цену деления шкалы (В/см), которая индицируется в левой нижней части дисплея.
Например, амплитуда подаваемого на испытываемую обмотку импульсного напряжения определяется как 4 см 200 В/см = 800 В.
D. Исследование характеристических кривых
Результат импульсного испытания витков обмотки оценивается с учетом двух параметров: L и Q
(рис. 4).
L – Этот параметр характеризует индуктивность обмотки.
Он вычисляется по резонансной частоте (f), как следует из пояснений к рис. 4. Это значение зависит от количества витков, характера соединения обмоток и от железного сердечника. Отличие измеренного значения от занесенного в память вызывается действием этих факторов.
Q – Этот параметр связан с временем затухания колебаний, как следует из рис. 4 и соответствующих пояснений (затухание обусловлено потерями энергии в меди и железе). Это значение определяется по отношению пиковых значений напряжения первых колебаний.
Чем больше значение Q, тем ниже затухание и тем выше качество испытываемой обмотки (отсутствие замыканий между витками и обмотками, а также отсутствие утечек).
В испытаниях, использующих занесенную в память образцовую характеристическую кривую, для оценки испытываемого устройства применяются следующие соотношения:
Qs – образцовая добротность Ls – образцовая индуктивность

Общий показатель качества T.Q.F. =

Чем ближе этот показатель к 100, тем выше качество испытываемого устройства.
Все значения отображаются на дисплее. При задании соответствующих пороговых значений автоматически получается результат испытания типа "годен - негоден" (GO - NO GO), который индицируется зеленым и красным светодиодами. При наличии дополнительного принтера можно распечатать все данные.
Для оценки качества обмотки следует учитывать и третий параметр: наличие коронного эффекта, называемого также микроразрядом. Этот эффект возникает при неидеальности изоляции в двух точках, в результате чего возникают небольшие электронные потери, ограниченность которых не позволяет сформироваться реальному пробою. В темноте этот эффект проявляется в виде слабого свечения вокруг кабеля (коронный разряд) и сопровождается потрескиванием, интенсивность которого зависит от размера потерь.
Этот эффект, даже если он не очень выражен, может вызвать быстрое разрушение изоляции в этой точке, что может привести в дальнейшем к перегоранию обмотки.
На дисплее прибора H2/CPS этот эффект проявляется в виде высокочастотного "звона" (с частотой 2 ÷ 4 МГц или 10 МГц) на пиках колебаний затухающего напряжения, причем амплитуда этих высокочастотных колебаний убывает по мере убывания амплитуды затухающих колебаний, как показано на рис. 6.

Рис. 6
У компьютеризированных приборов, предназначенных для заводского контроля качества продукции (Н4/С - Н5/С - Н14/С), возможно автоматическое обнаружение этого эффекта с отображением на экране и обработкой данных для всестороннего анализа всей продукции.
Здесь необходимо сделать несколько важных замечаний.
Коронный эффект является индикатором плохой изоляции, поэтому даже в отсутствие явных аномалий это может означать сокращение срока службы испытываемой обмотки.
В любом случае во избежание ложной тревоги следует помнить, что микроразряд возникает в воздухе между двумя точками, причем его наличие или отсутствие в сильной степени зависит от температуры и влажности окружающей среды. В особенности следует учитывать это в автоматической системе обнаружения.
На практике весьма затруднительно задать приемлемые допуски, которые можно было бы считать обоснованными для любых условий окружающей среды и неизменными во времени. Как правило, лучше увеличить на несколько процентов испытательное напряжение, чтобы достичь пробоя и исключить сомнения.
В любом случае испытанию SURGE TEST обычно подвергают еще не пропитанные обмотки (поскольку в этом состоянии легче обнаружить и легче устранить дефекты), поэтому в точках наличия небольших поверхностных нарушений или проколов эмалевой изоляции проблема обычно устраняется после пропитки.
Е. Методы испытаний
Существует четыре метода испытаний.
Сравнение с образцовой кривой (Master)
Cравнение отдельных фаз для однофазных и трехфазных обмоток с занесенными в память данными. Это решение позволяет в любое время проверять характеристики обмоток, имея занесенную в память образцовую кривую.
Сравнение между фазными обмотками
При отсутствии образцовой кривой можно проверять трехфазные обмотки путем взаимного непосредственного сравнения трех фазных обмоток и контролировать их идентичность.
Примечание:
Трехфазные обмотки можно испытывать в трех разных конфигурациях: отдельные фазные обмотки, в соединении звездой или в соединении треугольником.
Как подключить прибор H2/CPS, описано в Руководстве для пользователя. Для оценки распределения подаваемого напряжения необходимо отметить, что при испытании статора в варианте соединения треугольником испытание одной обмотки в действительности является испытанием этой обмотки с параллельно подключенными к ней последовательно соединенными между собой двумя другими обмотками, а при испытании статора в варианте соединения звездой испытание всегда производится на двух последовательно соединенных фазных обмотках. Это следует учитывать при оценке испытательного напряжения (см. подраздел "С").
Метод испытаний отдельных обмоток и фазных роторов описан в Руководстве для пользователя H2/CPS.
В процессе усовершенствования рабочих характеристик продукции разработаны еще два метода испытаний: импульсное испытание с повышенным воздействием (INCREASED STRESS SURGE) и реверсивное импульсное испытание (REVERSE SURGE).
Импульсное испытание с повышенным воздействием (INCREASED STRESS SURGE)
Этот метод предназначен для испытания трехфазных электродвигателей в соединении звездой (при отсутствии доступа к общей точке звезды) и реализует возможность повышения испытательного напряжения на выводах обмоток без повышения общего испытательного напряжения.
При соединении с землей двух выводов (рис. 7) получается последовательное соединение верхней обмотки с двумя параллельно соединенными между собой нижними обмотками. В результате уменьшения последовательного импеданса достигается увеличение напряжения на выводах испытываемой обмотки до 2/3 подаваемого напряжения, тогда как в обычном варианте (рис. 8) это напряжение составляет лишь 1/2 подаваемого напряжения.
Последовательность выполняемых испытаний указывается светодиодами, расположенными над соединителями высоковольтных кабелей. Светящийся светодиод индицирует "горячий" вывод для импульса.

Рис. 7 Рис. 8
При соединении треугольником напряжение на выводах испытываемой обмотки всегда соответствует номинальному напряжению, однако испытание каждой обмотки производится как в обычном ("NORMAL"), так и в инверсном ("REVERSE") режиме (рис. 9).

Рис. 9
Реверсивное импульсное испытание
Этот вариант, когда он задействован в меню настройки ("SET MENU"), реализует автоматическое выполнение испытаний каждой обмотки в режиме прямого ("DIRECT") и обратного ("REVERSE") воздействия.
Представленные на следующей странице схемы поясняют выполнение различных испытаний.
Основным достоинством этого метода является то, что на каждую обмотку подаются высоковольтные импульсы в обоих направлениях. Это повышает жесткость испытания, поскольку при этом значительно лучше выявляются дефекты изоляции между обмотками и землей.
Полученные кривые отображаются в двух группах: первая группа из трех кривых для испытаний в режиме прямого ("DIRECT") воздействия и вторая группа из трех кривых для испытаний в режиме обратного ("REVERSE") воздействия.
Режим прямого воздействия

Режим обратного воздействия

ВНИМАНИЕ: По очевидным техническим причинам невозможна одновременная реализация импульсного испытания с повышенным воздействием (INCREASED STRESS SURGE) и реверсивного импульсного испытания (REVERSE SURGE).
F. Изоляция между фазными обмотками
Для проверки изоляции между фазными обмотками электродвигателя (однофазного или трехфазного), которые еще не соединены между собой, принято выполнять испытание электрической прочности изоляции между фазными обмотками с применением примерно такого же напряжения, как и при испытаниях относительно земли.
Это не совсем правильно. Разумеется, испытание электрической прочности изоляции между обмотками и землей правомерно выполнять с применением значений, предписанных международными правилами и нормативами (поскольку при обычной эксплуатации электродвигателей могут возникать высоковольтные импульсы, обусловленные атмосферными разрядами, командами управления или электростатическими разрядами). Однако эти значения избыточны для испытания электрической прочности изоляции между фазными обмотками.
В нормальных условиях эксплуатации электродвигателей фазные обмотки постоянно соединены между собой по одной из известных схем, поэтому напряжение между разными точками не может превышать напряжения питания.
Наилучшим способом, гарантирующим хорошую изоляцию между фазными обмотками, является применение испытания изоляции высоковольтными импульсами (SURGE TEST) с подключением к выводам обмоток, как в нормальных условиях эксплуатации.
В этом случае при испытании имитируется такое же значение напряжения на обмотках, как и в реальных условиях эксплуатации; при этом выявляются и регистрируются дефекты только тогда, когда они действительно опасны для работоспособности электродвигателя.
Эту концепцию иллюстрирует рис. 10.

Рис. 10
Если при напряжении питания электродвигателя 400 В имеется небольшое нарушение изоляции между двумя обмотками, то выявить это нарушение можно только при подаче напряжения свыше 1000 В.
Когда эти обмотки соединены между собой, то напряжение между двумя точками повреждений составляет лишь несколько вольт.
Случай А
Испытание электрической прочности изоляции между разъединенными фазными обмотками (точки 1 и 2) при обычном испытательном напряжении 2Е+1000 В (т.е. 1800 В) приводит к возникновению пробоя между этими точками. В этом случае приходится ремонтировать или перематывать обмотку.
Случай В
Испытание изоляции высоковольтными импульсами между точками 1 и 2 соединенных между собой (как в реальных условиях эксплуатации) обмоток при обычном испытательном напряжении (2Е+1000) К (примерно 2700 В) не обнаруживает никаких проблем ввиду линейного распределения напряжения между витками. В этом случае напряжение между двумя точками повреждений оказывается значительно ниже 1000 В.
Это справедливо для стационарно соединенных между собой обмоток, когда пользователь не может изменить конфигурацию соединений.
Для случаев, допускающих возможность изменения соединений пользователем, можно для надежности повторить испытание изоляции высоковольтными импульсами в разных вариантах соединения обмоток.
Испытание электрической прочности изоляции при постоянном
напряжении
Прибор H2/CPS в стандартном исполнении позволяет производить испытание электрической прочности изоляции при постоянном напряжении. Ниже рассмотрен этот метод с технической точки зрения и с точки зрения безопасности.
А. Измерение тока
Испытания электрической прочности изоляции с применением переменного напряжения включают в себя измерение тока, который представляет собой сумму тока утечки, обусловленного неидеальностью применяемого изоляционного материала (при хорошей изоляции этот ток невелик), и емкостного тока, который зависит от размеров и мощности испытываемой электрической машины и может доходить до сотен миллиампер у электрических машин мощностью в сотни киловатт.
При испытаниях с применением постоянного напряжения измеряется только ток утечки. Не считая первоначального момента подачи испытательного напряжения, когда возникает бросок тока заряда паразитной емкости, измеряется только ток утечки.
Это позволяет без затруднений производить испытания даже крупных электрических машин.
Необходимо помнить о том, что значение испытательного напряжения зависит от характера напряжения (постоянное или переменное). Когда речь идет о переменном напряжении, то имеется в виду его эффективное (среднеквадратическое) значение, которое в 1,41 раз меньше амплитудного значения синусоидального напряжения. Обычно принимают этот коэффициент равным 1,5.
Чтобы обеспечить одинаковую жесткость испытаний на постоянном и переменном напряжении, следует учитывать этот коэффициент. К примеру, если испытание на переменном напряжении требует применения испытательного напряжения 2000 В, то для равноценного испытания на постоянном напряжении следует применять напряжение 3000 В.
В. Степень безопасности
Другим важным аргументом в пользу применения постоянного напряжения является безопасность оператора, особенно при применении переносного прибора.
Испытание электрической прочности изоляции при постоянном напряжении является значительно более безопасным. При одинаковом напряжении и одинаковом времени контактирования с человеком пороговое значение тока, вызывающее остановку сердца в человеческом теле, составляет примерно 20 мА для переменного тока и 100 мА для постоянного тока.
Максимальное значение предельного тока при работе с прибором H2/CPS составляет 5 мА, что более чем достаточно для обычных процедур испытаний и в то же время намного ниже опасного предела.
Мегомметр
Измерение сопротивления изоляции выполняется этим прибором с использованием всех возможностей испытания электрической прочности изоляции при постоянном напряжении.
Испытательное напряжение линейно регулируется в диапазоне 0 ÷ 5000 В (у других моделей другой диапазон значений). Результат измерения сопротивления изоляции индицируется в мегаомах (M).
Коэффициент поляризации
Коэффициент поляризации является одним из важнейших параметров для контроля состояния электродвигателя, в особенности – состояния изоляторов. Этот коэффициент пропорционален сопротивлению изоляторов и определяется как сопротивление изолятора, подвергаемого воздействию постоянного электрического поля.
Измеряется так называемый ток изоляции, который формируется в основном тремя компонентами:
- емкостной ток;
- ток диэлектрической абсорбции;
- поверхностный ток или ток утечки.
При подаче на изолятор постоянного напряжения первоначально наблюдается высокий уровень тока изоляции, который постепенно снижается до некоторого стабильного значения.
Такое поведение обусловлено отчасти емкостным током (который практически исчезает через несколько секунд), отчасти током абсорбции, который затухает в интервале от 10 минут до нескольких часов (при испытании изоляции можно пренебречь затуханием этого тока после 10 минут).
Кривая, описывающая зависимость тока изоляции (или сопротивления изоляции) от времени, называется кривой диэлектрической абсорбции.
Наклон этой кривой при определенной температуре является показателем состояния изолятора (с учетом влажности, загрязненности, старения и т.д.). Количественной характеристикой этого наклона является коэффициент поляризации, который можно выразить следующим образом:
Коэффициент поляризации
при постоянном напряжениигде:
R 10 – сопротивление изоляции через 10 минут
R 1 – сопротивление изоляции через 1 минуту
I 1 – ток изоляции через 1 минуту
I 10 – ток изоляции через 10 минут
Можно убедиться в том, что у новых изоляторов наблюдается более высокий коэффициент поляризации, чем у состаренных изоляторов или у изоляторов, работающих под воздействием термической нагрузки или химических загрязнений.
Поэтому очевидна важность выполнения этого испытания для оценки состояния изоляторов, применяемых в электрических машинах, работающих в натурных условиях эксплуатации в течение определенного времени. Это позволяет прогнозировать остаточный срок службы и планировать внеочередной технический уход для предотвращения возможных неожиданных неполадок.
Измерение коэффициента поляризации можно выполнять в течение 10 минут с применением таких же значений постоянного напряжения, как и при измерении сопротивления изоляции (500 В= для машин с номинальным напряжением до 2400 В или 1000 В= для машин с номинальным напряжением свыше 2400 В).
При этом подается испытательное напряжение между землей и соединенными вместе обмотками. Через одну минуту прибор измеряет и заносит в память значение сопротивления в мегаомах. Испытание завершается через 10 минут, когда сравнивается конечное значение с начальным.
Нормативными предписаниями рекомендуется значение коэффициента поляризации не ниже 2 для изоляторов класса В и более высокого класса (стандарты IEEE 43, раздел 9.2, и IEEE 432, приложение А2).
Выводы:
- У качественного изолятора коэффициент поляризации превышает 2.
- При коэффициенте поляризации в интервале 1,5 ÷ 2 изолятор находится на границе надлежащего рабочего состояния.
- При коэффициенте поляризации ниже 1,5 изолятор находится в критическом состоянии. Необходим срочный технический уход.
Следует также отметить, что при сопротивлении свыше 5000 МОм (через одну минуту) испытание не имеет смысла (IEEE 43) ввиду невозможности точного измерения столь высоких значений сопротивления, свидетельствующих о хорошем качестве испытываемого устройства.

Рис. 11
Испытание стандартными импульсами 1,2/50
Испытание стандартными импульсами соответствует стандартам CENELEC HD 588.1, IEC 60-1 и CEI 42-4.
Это испытание моделирует процессы в электрической машине при воздействии на обмотки коротких импульсов высокого напряжения, которые обычно генерируются атмосферными грозовыми разрядами, или интенсивных хаотических импульсов, генерируемых другими электрическими машинами и мощным электрооборудованием (например, сварочными аппаратами).
Эквивалентная схема показана на рис. 12.

Рис. 12
| G – генератор регулируемого постоянного напряжения С – накопительный конденсатор I – электронный ключ L – дроссель для регулировки времени нарастания | R1 – защитный резистор R2, R3 – резисторы для регулировки длительности импульсов R4 – резистор для согласования импеданса |
Генерируется импульс следующей формы:

Рис. 13
Обозначение "1,2/50" расшифровывается следующим образом:
1,2 время нарастания напряжения (в микросекундах),
т.е. время достижения запрограммированного значения напряжения (Т1).
50 время (в микросекундах), в течение которого происходит спад напряжения на 50%.
У старых или поврежденных изоляторов наблюдаются отклонения в характере кривой, характеризующие обнаруженные дефекты. Например, напряжение может не достигнуть запрограммированного значения или может наблюдаться очень быстрый спад напряжения после достижения этого уровня.
Помимо визуального отображения система обеспечивает индикацию результата испытания типа "годен - негоден" с помощью зеленого и красного светодиодов (GO – NOGO).
Ниже приведена краткая выдержка из положений стандарта CEI 42-4.
3.1 Различие между импульсами атмосферных разрядов и импульсами управления определяется длительностью фронта импульса.
Импульсы с длительностью фронта менее 20 микросекунд считаются атмосферными.
Импульсы с длительностью фронта более 20 микросекунд считаются импульсами управления.
18.1.1 Полные атмосферные импульсы
Полным атмосферным импульсом является импульс от молнии, который не укорачивается пробивным разрядом (рис. В).
18.1.2 Укороченные атмосферные импульсы
Укороченным атмосферным импульсом является импульс от молнии, в течение которого пробивной разряд вызывает спад напряжения почти до нуля.
Укорачивание может возникать на переднем фронте, на пике или спаде импульса.
19.1 Нормированные атмосферные импульсы
Нормированным является полный атмосферный импульс с длительностью переднего фронта 1,2 мкс. Его обычно называют импульсом 1,2/50.
Испытание роторов, изготовленных литьем под давлением
Этот простой и эффективный метод испытаний применяется фирмой RISATTI INSTRUMENTS с 1975 г. Он позволяет быстро обнаруживать основные дефекты роторов, изготовленных литьем под давлением.
Прежде всего мы хотели бы отметить важность этого испытания для работ по техническому обслуживанию и ремонту, а также для применения в лабораториях при исследованиях образцов роторов.
Нередко перегорание электродвигателя бывает обусловлено дефектом литого ротора, приводящего к снижению коэффициента полезного действия электродвигателя с последующим перегревом обмотки ротора, который может вызвать полное разрушение электродвигателя.
Весьма полезно располагать надежной системой для быстрой проверки ротора до принятия решения о перемотке статора. Совершенно бесполезно заменять или ремонтировать статор без замены поврежденного ротора.
А. Принцип действия
Бесконтактный датчик O4/BPR, использующий встроенный постоянный магнит, создает постоянное магнитное поле между полюсными наконечниками.
При вращении испытываемого ротора его стержни пересекают это магнитное поле, в результате чего в них индуцируется ток, обратно пропорциональный их омическому сопротивлению. Чем меньше сопротивление (отсутствие дефектов) тем выше значение циркулирующего тока.
Этот ток генерирует встречный магнитный поток, пропорциональный силе тока. С помощью специальных приемных обмоток этот магнитный поток преобразуется в электрические сигналы квазисинусоидальной формы для каждого стержня ротора. Эти сигналы подвергаются усилению и отображаются на дисплее прибора H2/CPS.
Постоянство амплитуды всех сигналов является признаком отсутствия дефектов. Пониженная амплитуда одного или нескольких сигналов (или полное отсутствие сигнала) указывает на наличие дефектов, причины которых рассмотрены далее.
В. Позиционирование и настройка бесконтактного датчика O4/BPR
Испытываемый ротор должен приводиться во вращение подходящим механическим приспособлением (например, токарным станком) с частотой вращения, достаточной для того, чтобы на дисплее прибора H2/CPS отображались сигналы всех стержней ротора.
Бесконтактный датчик O4/BPR устанавливают с помощью регулировочного винта Р1 на расстоянии D от внешней поверхности ротора. Расстояние D должно быть равным 2 ÷ 3 мм для замкнутых роторов или 3 ÷ 5 мм для разомкнутых роторов (в последнем случае получается более мощный сигнал).
угол наклона
стержней
опорные
точки
ротор
Рис. 14
Если отпустить винт Р2, то можно будет поворачивать бесконтактный датчик вокруг его оси, чтобы отрегулировать положение полюсных наконечников относительно стержней ротора. Это позволяет также оценить угол наклона стержней. Эту регулировку выполняют до достижения максимальной амплитуды сигнала на дисплее.
С. Осциллограммы
Ниже представлены некоторые примеры обнаруживаемых дефектов. Эти осциллограммы помогают оценить результат испытания, однако следует иметь в виду, что в ряде случаев совокупное действие различных дефектов может привести к появлению кривых, форма которых может несколько отличаться от показанных ниже примеров.
стержень ротора
нормальная
амплитуда
Рис. 15: Хороший ротор. Все сигналы имеют одинаковую амплитуду.

| Рис. 16: Разрыв стержня | Рис. 17: Наличие раковин или пор |

| Рис. 18: Короткое замыкание между стержнями или пригорание стержней (сварка алюминия с железом) | Рис. 19: Деформирован каркас ротора |

| Рис. 20: Пониженная общая амплитуда – неправильный наклон стержней или некачественный алюминиевый сплав | Рис. 21: Амплитудная модуляция сигнала – ротор с остаточным магнитным полем |
D. Отображение кривых на дисплее
Для улучшения наглядности отображения на экране кривые, относящиеся к одному ротору, распределены на трех последовательных экранах.
Для обеспечения правильного отображения всей относящейся к ротору осциллограммы и для определения оптимальной скорости развертки на каждом экране учитывается следующее соотношение:

где: t – скорость развертки (время в миллисекундах на деление шкалы)
n – частота оборотов ротора (об./мин.)
Например, при частоте оборотов ротора n = 500 об./мин. получается оптимальное значение скорости развертки t = 2000 / 500 = 4 мс на деление.
Выбирается значение t = 5 мс/дел., которое обеспечивает полную осциллограмму для всего ротора.
Во всяком случае, при отсутствии данных в отношении указанных выше величин следует подбирать скорость развертки экспериментально, затем оценивать результат испытания.
Всегда можно применять простой метод проверки полноты отображения осциллограммы для всего ротора, учитывая тот факт, что не бывает идеальных роторов. Можно сфокусировать внимание на повторении одного и того же небольшого дефекта. Принимая этот дефект в качестве маркерной точки, установите его в начало развертки (у левого края) первого экрана, относящегося к испытываемому ротору, затем установите тот же дефект у правого края третьего экрана, относящегося к этому ротору.
Измерение омического сопротивления
Как известно, измерение омического сопротивления обмотки важно не только для проверки соединения в этой цепи, но и для определения правильности диаметра обмоточного провода (для определения количества витков намного более точные результаты дает импульсное испытание обмотки), для определения сбалансированности трехфазных обмоток, а также для определения нагрева обмоток в процессе эксплуатации.
Описание различных методик содержится в Руководстве для пользователя H2/CPS, а здесь мы хотели бы выделить некоторые из основных функций этого вида измерений.
А. Четырехпроводная схема измерения
Все приборы нашего производства реализуют известную четырехпроводную схему ("4 wires") измерения омического сопротивления. Сущность этой схемы состоит в соединении каждого вывода испытываемой обмотки с прибором парой проводов, один из которых относится к цепи питания обмотки от источника постоянного тока, а другой – к измерительной цепи. Этот метод позволяет устранить погрешности измерений, вызываемые плохими контактами, окислением контактов, контактным сопротивлением коммутационных реле, сопротивлением соединительных проводов и т.д.
На рис. 22 показана четырехпроводная схема измерения в сравнении с двухпроводной схемой.

четырехпроводная схема двухпроводная схема
Рис. 22
Здесь:
А – контактные точки
G – генератор постоянного тока
V – вольтметр (для измерения напряжения)
R1 – контактное сопротивление вывода питания испытываемой обмотки
R2 – суммарное сопротивление контактов реле системы коммутации и соединительных проводов
R3 – контактное сопротивление цепи измерения напряжения
Генератор постоянного тока генерирует стабильный и точно заданный ток, который не зависит от сопротивления цепи. При протекании этого тока через замкнутую цепь возникает падение напряжения в цепи, которое зависит от ее сопротивления.
Реакция вольтметра различна в двух этих схемах. В двухпроводной схеме показание вольтметра искажается падением напряжения на сопротивлении R1, а в четырехпроводной схеме на показание вольтметра влияет падение напряжения на сопротивлении R3.
Разница между двумя этими схемами заключается в следующем. На сопротивлении R1 возникает значительное падение напряжения, обусловленное протеканием через него измерительного тока; в то же время на сопротивлении R3 падает лишь незначительное напряжение, поскольку входное сопротивление вольтметра значительно превышает R3, и в измерительной цепи протекает лишь незначительный ток. В этом случае вольтметр точно измеряет падение напряжения на испытываемой обмотке.
Очевидно также, что в случае превышения определенных значений сопротивлений R1 и R2 (например, при сильном окислении проводов) генератор тока не сможет обеспечивать заданный ток, поэтому показание вольтметра будет ложным.
В. Компенсация комнатной температуры
Все приборы нашего производства серийно или по заказу реализуют эту полезную функцию, поскольку известно, что омическое сопротивление медной обмотки линейно зависит от температуры с температурным коэффициентом около 0,4%/°С. Таким образом, измерение температуры на 10°С вызывает изменение сопротивления примерно на 4%. Это изменение приходится принимать в расчет.
В измерительной системе с автоматической компенсацией изменений комнатной температуры все показания относятся к значению, соответствующему комнатной температуре 20°С (или другой по заказу). Для температурной компенсации и индикации температуры служит датчик комнатной температуры, расположенный в задней части прибора. По данным этого датчика вносится автоматическая коррекция показаний сопротивления испытываемого устройства.
Здесь необходимо соблюдать определенные меры предосторожности. Всегда необходимо выждать определенное время для стабилизации показания датчика температуры, особенно после переноски прибора из одного помещения в другое или после того, как он будет внесен в помещение "с улицы". То же самое относится и к испытываемой обмотке, которая также должна приобрести комнатную температуру до выполнения измерений.
С. Проверка равенства сопротивлений фазных обмоток
У трехфазных обмоток важно проверять равенство их омических сопротивлений в пределах определенного допуска.
Этой функциональной возможностью обладает прибор H2/CPS. Когда задействована эта функция, вы можете задать два допуска: допуск на абсолютное значение сопротивления обмоток и допуск на отклонение сопротивления одной обмотки от другой. Вы можете запрограммировать соответствующие пороговые значения; прибор автоматически выводит результат испытания типа "годен - негоден" (GO NO GO).
Практически здесь выбирается наименьшее и наибольшее из трех измеренных значений и проверяется на соответствие допустимому процентному отклонению.
D. Оценка повышения температуры обмотки
Еще одной важной особенностью прибора H2/CPS является возможность оценки повышения температуры Т любой обмотки.
Это весьма полезно для выявления возможных неполадок у испытываемого электродвигателя (например, отсутствие питания по одной из фаз, пригорание контактов защитного устройства и т.д.).
В память заносится результат измерения сопротивления обмоток электродвигателя в состоянии остановки ("холодное" измерение). Затем включают электродвигатель, чтобы он поработал некоторое время, после чего снова измеряют сопротивление обмоток ("горячее" измерение). Прибор автоматически вычисляет и индицирует приращение температуры в градусах Цельсия.
У трехфазных электродвигателей измеряется разбаланс сопротивлений фазных обмоток в состоянии остановки ("холодное" измерение), затем после определенного времени работы электродвигателя снова измеряется разбаланс сопротивлений ("горячее" измерение) и вычисляется значение Т для каждой фазной обмотки.
Здесь используется следующая формула:

где:
R1 – начальное сопротивление (в холодном состоянии электродвигателя)
R2 – конечное сопротивление (после прогрева электродвигателя)
cu – температурный коэффициент сопротивления меди
ООО «Элтехникс» tel./fax (495) 225-4461 www.eltekhnics.ru
