Е. П. и Хлопкин М. Н. Необходимые теоретические понятия. Газокинетическая теория. Давление газа. Уравнение Менделеева-Клайперона. Газовые закон
| Вид материала | Закон |
СодержаниеВакуумные насосы Манометры для измерения низких давлений (вакуумметры). Описание установки Контрольные вопросы |
- Контрольная работа "Молекулярно-кинетическая теория идеального газа. Газовые законы., 9.92kb.
- Контрольная работа №5 10 класс По теме: «Молекулярно-кинетическая теория. Свойства, 99.75kb.
- Вопросы к Госэкзамену по курсу общей физики из раздела, 17.7kb.
- 4 Универсальное уравнение состояния идеального газа, 171.14kb.
- Л. Н. Гумилева Физико-технический факультет Экзаменационные билеты, 42.99kb.
- Вопросы вступительного экзамена по физике для специальности «6N0604-физика», 33.91kb.
- Программа вступительных экзаменов в магистратуру по специальности 6М011000 Физика Кинематика, 52.46kb.
- Рекомендации для пациентов., 477.37kb.
- Программа по курсу механики сплошных сред Основные понятия механики сплошных сред, 9.75kb.
- Учебная программа по дисциплине теория и техника антенн толмачев А. И. Врезультате, 52.61kb.
ПОЛУЧЕНИЕ И ИЗМЕРЕНИЕ ВАКУУМА
Красноперов Е.П. и Хлопкин М.Н.
Необходимые теоретические понятия. Газокинетическая теория. Давление газа. Уравнение Менделеева-Клайперона. Газовые законы. Устройства для достижения вакуума и принцип их действия: водоструйный насос, форвакуумный насос, диффузионный насос, турбомолекулярный насос. Методы измерения вакуума: манометр Бурдона, U-образная трубка, термопарный вакуумметр, манометр Маклеода.
Введение
Целью данной работы является: изучение работы вакуумных насосов и установок; измерение низких давлений газа специальными вакууметрами.
Разреженным состоянием или вакуумом называется состояние газа при давлениях ниже атмосферного. Критериями вакуума может служить отношение средней длины свободного пробега молекул к размерам сосуда. Когда давление газа уменьшается настолько, что длина свободного пробега молекул оказывается больше размеров сосуда, поведение газа меняется. В частности, коэффициенты внутреннего трения и теплопроводности обнаруживают зависимость от давления. Особенности вакуума могут проявиться и при атмосферном давлении, например, при пропускании газа сквозь пористые перегородки с размером пор около 10-7 см. Но в большинстве случаев свойства вакуума проявляются, начиная с давлений 1 - 10-3 мм. рт. ст.
Вакуумные насосы
Вакуум может быть получен в достаточно герметичных установках (стеклянных или металлических) с помощью специальных насосов. Предварительное разряжение до 10-3 мм рт. ст. обычно создается с помощью форвакуумных насосов (рис.1).
Рабочая полость насоса представляет собой цилиндрическую камеру 1, в которой вращается ротор 2, расположенный эксцентрично по отношению к оси своего вращения. В роторе имеются полости для смещения центра тяжести к оси вращения. Пластина 3 скользит вдоль прорези в стенке камеры и при этом плотно прижимается к внешней поверхности ротора пружиной. Газ всасывается через впускное отверстие 4 и выталкивается через клапан 5, состоящий из шарика, прижатого пружиной, в масло 6, которым залита коробка насоса.
![]() |
| Рис.1. Принципиальная схема пластинчато-статорного механического насоса. |
Процесс откачки происходит следующим образом. Положение A - ротор находится в исходном состоянии. Положение B - ротор подвинулся вниз, и в камере создается разряжение со стороны впускного отверстия. Через это отверстие газ поступает из откачиваемой системы. Одновременно происходит сжатие газа в сторону выпускного клапана. Положение C - происходит дальнейшее всасывание газа из вакуумной системы и выход сжатого газа через выпускной клапан. У лучших одноступенчатых насосов полное остаточное давление зависит от состава и состояния масла и достигает (1-5)10-2 мм рт.ст.
Гораздо лучшие показатели имеют двухступенчатые насосы, у которых выход первой ступени соединен со входом для второй. Ротор вращается со скоростью несколько сот оборотов в минуту. Места соприкосновения внутренней поверхности цилиндрической камеры с ротором и пластиной должны быть хорошо смазаны. Для этого вся рабочая часть насоса помещается в коробку, в которую наливается масло. Насосы такого типа называются ротационными насосами или насосами Геде.
Для создания разряжения газа от 10-3 до 10-7 мм рт. ст. в вакуумных установках последовательно с насосами, создающими предварительное разряжение, включаются пароструйные насосы. Наилучшими считаются диффузионно-конденсаторные парортутные и паромаслянные насосы (рис.2).
![]() | Рис. 2. Принципиальная схема диффузионного паромасляного насоса |
Принцип действия диффузионного паромасляного насоса основан на использовании откачивающего действия струи пара рабочей жидкости. Струя пара, образовавшегося в подогреваемом испарителе 1, проходит через паропровод 2 в сопло 5, после чего оказывается в объеме, соединенном с патрубком 6 предварительного вакуума. Молекулы газа из откачиваемой системы через впускное отверстие 4 адсорбируются парами рабочей жидкости и вместе со струей пара уносятся к основанию насоса. Здесь пары конденсируются вследствие охлаждения корпуса насоса водой, циркулирующей в водяной рубашке 3. В результате конденсации паров адсорбирующая поверхность резко уменьшается, что приводит к освобождению адсорбированных молекул газа, которые поступают в выходной патрубок 6.
Чтобы диффузионный насос мог действовать, требуется предварительный вакуум порядка 10-2 мм рт. ст. При таком вакууме средний свободный пробег молекулы газа уже достаточно велик для того, чтобы происходила диффузия газа в струю пара и молекулы пара могли без столкновений достигать холодных стенок насоса и конденсироваться.
Для предотвращения попадания в откачиваемый объем паров рабочей жидкости за пароструйным насосом устанавливается специальная ловушка (ловушки различных конструкций представлены на рис.3.).

Рис.3. Различные конструкции лабораторных азотных ловушек.
Ловушка включается в вакуумную систему через вводы 1 и 2, в нее наливают жидкий азот, и пары рабочей жидкости пароструйного насоса вымораживаются на охлаждаемой поверхности. Вакуум от 10-7 до 10-11 мм рт. ст. может быть получен при использовании ионных насосов, а также специальных поглотителей (геттеров).
Манометры для измерения низких давлений (вакуумметры).
В зависимости от степени разряжения газа вакуум измеряется вакуумметрами различных типов. Для измерения давления от сотен миллиметров до сотых долей миллиметра ртутного столба применяется образцовый вакуумметр Маклеода. Принцип его работы изложен в Приложении 1.
Измерение вакуума от 10-1до 10-3 мм рт. ст. производится с помощью термопарного вакууметра (рис.4), соединяемого с установкой патрубком 1. Его действие основано на том, что температура нити нагревателя 2, помещенной в манометрическую лампу
![]() | |
| Рис. 4. Электрическая схема термопарного вакууметра на лампе ЛТ-2 | Рис. 5. Электрическая схема ионизационного вакууметра на лампе ЛМ-2 |
ЛТ-2, при достаточном разряжении газа зависит от давления. В диапазоне давлений, где длина свободного пробега молекул больше размеров лампы, с понижением давления уменьшается коэффициент теплопроводности воздуха. Из-за этого с понижением давления растет температура нити нагревателя при неизменном токе, протекающем через нить. Температура нити регистрируется с помощью термопары 3, присоединенной к милливольтметру. Нагреватель питается от источника тока через сопротивление 4. В цепь нагревателя включен миллиамперметр.
Вакуум от 10-3 до 10-7 мм рт. ст. измеряется с помощью ионизационного манометра. Лампа этого манометра (рис. 5.) представляет собой триод, на сетку 2 которого подан положительный потенциал относительно катода 3 (обычно от +120 до +250 В). К коллектору 1 подан отрицательный потенциал (от - 10 до -30 В). Основная часть эмитируемых катодом электронов пролетает сквозь сетку: электроны отражаются полем коллектора и, прежде чем попасть на сетку, совершают многочисленные колебания около нее. При этом происходит интенсивная ионизация молекул воздуха. Образовавшиеся положительные ионы улавливаются коллектором. Отношение регистрируемого гальванометром ионного тока к электронному, измеряемому миллиамперметром, характеризуют давление газа. Таким образом, измерение давления газа сводится в этом случае к измерению ионного тока при заданной эмиссии электронов из катода.
Оборудование
Вакуумная установка с ротационным механическим, вакуумметр ионизационно- термопарный (ВИТ-1), секундомер.
Описание установки
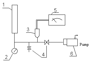
Вакуумная установка, используемая в данной работе (рис. 6.), включает основные элементы применяемых в настоящее время вакуумных систем. Предварительное разряжение создается форвакуумным насосом 8, присоединенным к установке гибким вакуумным шлангом 7, надетым на патрубок трехходового крана 6. С помощью этого крана можно соединить насос с установкой или с атмосферой.
Последовательно с форвакуумным насосом включен диффузионный паромасляный насос 3 с ловушкой 2, охлаждаемой жидким азотом. Между насосами расположен так называемый форвакуумный баллон 5, позволяющий в случае необходимости кратковременно выключать форвакуумный насос, не выключая диффузионного, так как его объем снижает скорость нарастания давления на выходе диффузионного насоса при выключенном форвакуумном насосе.

Рис. 6. Схема простейшей вакуумной установки
1- откачиваемый объем, 2-манометр Бурдона, 3-термопарная лампа, 4-вакумные вентили, 5- термопарный вакуумметр, 6-форвакумный насос.
Порядок выполнения работы
- Ознакомиться с устройством вакуумной установки и определить соответствие между схемой, изображенной на рис. 6. и самой установкой.
- Изучить правила работы с вакуумметром ВИТ-1, изложенные в приложении. Не включая питания вакуумметра, освоить порядок включения термопарного вакууметра.
Изучение откачивающего действия форвакуумного насоса
1.С помощью вакуумметра 2 убедиться в наличии атмосферного давления в объеме 1. Включить термопарный вакууметр согласно инструкции. Проверить ток через лампу 3. Закрыть кран 4 ( на рис. 6.) и включить форвакуумный насос 6.
2.Открыв кран 4, снять зависимость показаний вакуумметра 5 от времени работы форвакуумного насоса с момента его включения. В начале откачки давление в установке падает очень быстро, поэтому отсчет давления по вакуумметру 5 следует производить как можно чаще. Когда показания векууметра достигнет 1 мв измерять можно реже. Промежутки времени между измерениями выбирают так, чтобы фиксировать примерно одинаковые измерения давления. Поэтому при быстром изменении давления показания вакууметра снимают через малые промежутки времени, а при малых изменениях давления промежутки времени между отсчетами увеличивают. Откачку установки производить до предельного разрежения создаваемого форвакуумным насосом, т.е. до тех пор, пока давление не перестанет изменяться (примерно 20мин).
3. Напустить воздух в систему и вновь включить откачку, измерить показания термопарного вакуумметра в процессе откачки в течение 20 мин.
4. Выполнить п.2 еще раз.
5. Используя калибровку термопарного вакуумметра, построить график зависимости давления в установке от времени откачки, отложив по оси ординат десятичный логарифм давления, а по оси абсцисс - время. (Такой график называется полулогарифмическим: при его построении желательно использовать миллиметровую бумагу с полулогарифмическим масштабом.)
6. Определить ошибки измерений вакуума.
Выключение вакуумной установки
- Выключить питание насоса.
- Напустить воздух в систему с помощью вентилей 4.
КОНТРОЛЬНЫЕ ВОПРОСЫ
- Из каких основных элементов состоит вакуумная установка?
- Как устроен и работает ротационный форвакуумный насос?
- Написать выражение, определяющее скорость откачки объема- U насосом, у которого рабочий объем камеры -u и который вращается со скоростью 1 об/с.
- Опишите работу диффузионного пароструйного насоса. Почему он не может работать без предварительного разрежения?
- Какие типы вакуумметров используются для измерения низких давлений? Каковы пределы измеряемых этими приборами давлений? Опишите принцип действия различных вакуумметров.
- Для чего нужна азотная ловушка?
- Почему первоначальная скорость откачки dP/dt ниже, чем последующие
- Какие свойства газа и как изменяются при понижении давления?
- Почему вода при откачке замерзает?
Литература
- А.К.Кикоин, И.К.Кикоин. Молекулярная физика. — М., Наука, 1976. (§57-59 – Элементы вакуумной техники. Измерения малых давлений. Вакуумная установка. – стр. 197-207.)
- Я. Грошковский. Техника высокого вакуума. Москва «МИР», 1975 г. стр.185-190, 215-216, 224-227, 336-343, 361-364.
- П.С.Булкин, И.И.Попова. Общий физический практикум. Молекулярная физика. – М., Изд-во Моск. ун-та, 1988. (Лабораторная работа 6.1. Получение и измерение вакуума. – стр.147-161.)
- В.И.Иверонова, ред.,Физический практикум. – М., Гос. изд-во физико-математической литературы, 1962. (Задача 46 – Техника получения и измерения высокого вакуума – стр. 221-230.)
- А.В.Кортнев, Ю.В.Рублев, А.Н.Куценко, Практикум по физике.— М., Высшая школа, 1961. (Задача N 26 – Получение и измерение вакуума – стр. 137-148. )
Приложение 1.





