Методика поверки мп. Мн 1204-2002 разработано нач отдела метрологии зао «Институт информационных технологий» М. Л. Гринштейн
| Вид материала | Документы |
- Методика поверки руководитель научно-исследовательского отдела государственных эталонов, 96.51kb.
- Методика поверки руководитель научно-исследовательского отдела госэталонов в области, 266kb.
- Методика устанавливает регламент поверки блоков на заводе-изготовителе, после ремонта, 85.36kb.
- 1. Операции поверки, 81.61kb.
- Правила по метрологии государственная система обеспечения единства измерений порядок, 100.67kb.
- Опыт работы, 26.56kb.
- Отдела стандартизации и метрологии, 56.33kb.
- Телефон, 27.85kb.
- Методика использования новых информационных технологий в процессе обучения Использование, 84.64kb.
- Институт физики и информационных технологий, 633.27kb.
1 2
СОГЛАСОВАНО УТВЕРЖДАЮ
Генеральный директор Директор БелГИМ
ЗАО «Институт информационных технологий» ______________А.А. Марьенков _____________ Н.А. Жагора
"____"__________2002 "____"__________2002
Система обеспечения единства измерений
Республики Беларусь
РЕФЛЕКТОМЕТР ОПТИЧЕСКИЙ ОР-2-2
МЕТОДИКА ПОВЕРКИ
МП. МН 1204-2002
РАЗРАБОТАНО
Нач. отдела метрологии
ЗАО «Институт информационных технологий»
_____________М.Л. Гринштейн
"_____"______________2002
Настоящая методика поверки распространяется на рефлектометр оптический ОР-2-2 (в дальнейшем - рефлектометр) ТУ РБ 100003325.004-2002, предназначенный для измерения затухания в оптических волокнах и их соединениях, длины оптического волокна и расстояния до мест неоднородностей оптического кабеля и оптического волокна в волоконно-оптических системах передачи.
Методика поверки устанавливает объем и последовательность операций первичной и периодической поверки рефлектометра.
Методика поверки разработана в соответствии с требованиями СТБ 8003-93, РД РБ 50.8103-93.
Межповерочный интервал - 12 месяцев.
1 ОПЕРАЦИИ ПОВЕРКИ
1.1 При проведении поверки рефлектометра должны быть выполнены следующие операции и применены средства поверки с характеристиками, указанными в таблице 1.
Таблица 1
| Наименование операции | Номер пункта методи- ки поверки | Наименование эталонного или вспомогательного средства поверки, их | Обязательность проведения операций при | |
| | | Основные метрологические и (или) технические характеристики | перви-чной поверке | эксплуа-тации и хранении |
| 1 | 2 | 3 | 4 | 5 |
| 1 Внешний осмотр | 6.1 | | Да | Да |
| 2 Опробование | 6.2 | Оптическое волокно одномодовое, длина не менее 5 км Оптическое волокно многомодовое, длина не менее 5 км | Да | Да |
| 3 Определение длительности зондирующих импульсов | 6.3.1 | Осциллограф С1-75, время нарастания переходной характеристики не более 1,5 нс. Погрешность измерения временных интервалов 5 %. pin-фотодиод, резистор с сопротивлением 50 Ом 10 % | Да | Нет |
Продолжение таблицы 1
| 1 | 2 | 3 | 4 | 5 | |
| 4 Определение пределов абсолютной погрешности измерения расстояний, диапазонов измерения расстояний | 6.3.2 | Оптический генератор ОГ-2-1. Длины волн 0,85, 1,3 нм, 1,55 мкм. Диапазон расстояний 500 км. Пределы допускаемой основной абсолютной погрешности при воспро-изведении расстояния, м . Пределы допускаемой основной абсолютной погрешности при измерении вносимого затухания, дБ 0,02B | Да | Да | |
| 5 Определение пределов абсолют-ной погрешности измерения затухания | 6.3.3 | То же | Да | Да | |
| 6 Определение динамического диапазона измерения затухания рефлектометра и минимальной дискретности отсчета при измерении затухания | 6.3.4 | Оптическое волокно од-номодовое, длина не менее 5 км. Оптическое волокно многомодовое, длина не менее 5 км | Да | Да | |
| Определение величины мертвой зоны при измерении затухания и величины мертвой зоны при обнаружении неоднородностей | 6.3.5 | Оптический генератор ОГ-2-1. Оптическое волокно од-номодовое, длина не менее 5 км. Оптическое волокно многомодовое, длина не менее 5 км | Да | Да | |
| Примечания: 1 Допускается применение других средств поверки, обеспечивающих измерение соответствующих параметров с требуемой точностью. 2 Средства поверки должны быть поверены и аттестованы в установленном порядке. | |||||
2 ТРЕБОВАНИЯ К КВАЛИФИКАЦИИ ПОВЕРИТЕЛЕЙ
2.1 К проведению поверки допускают лиц, аттестованных в качестве поверителя и имеющих квалификационную группу не ниже третьей в соответствии с ПТЭ и ПТБ, изучивших настоящую методику и эксплуатационную документацию на рефлектометры и средства их поверки.
2.2 Не допускается прямое попадание излучения в глаза, а также подключение и отключение оптических волокон к рефлектометру и оптическому генератору ОГ-2-1, когда включены источники излучения.
3 ТРЕБОВАНИЯ БЕЗОПАСНОСТИ
3.1 При подготовке и проведении поверки должны быть соблюдены требования безопасности согласно ТУ РБ 10003325.004-2002, ГОСТ 12.1.040-83, ГОСТ 12.1.031- 81и руководства по эксплуатации на рефлектометр.
3.2 Перед проведением поверки все приборы должны быть заземлены.
4 УСЛОВИЯ ПОВЕРКИ
4.1 При проведении поверки должны соблюдаться следующие условия:
- температура окружающей среды (205) С;
- относительная влажность воздуха (6515) %;
- атмосферное давление 96-104 кПа;
- напряжение питающей сети (220,04,4) В;
- частота питающей сети (500,5) Гц.
5 ПОДГОТОВКА К ПОВЕРКЕ
5.1 Перед проведением поверки необходимо:
- проверить срок действия свидетельств о государственной поверке средств измерений, применяемых при поверке;
- подготовить применяемые при поверке приборы к работе согласно их руководству по эксплуатации.
5.2 Все оптические детали приборов, используемых при поверке, очищают от пыли и протирают безворсовой салфеткой, смоченной в спирте ректификованном техническом.
5.3 Подготавливают к работе поверяемый рефлектометр и средства поверки согласно их эксплуатационным документам.
6 ПРОВЕДЕНИЕ ПОВЕРКИ
6.1 Внешний осмотр
6.1.1 При проведении внешнего осмотра должно быть установлено соответствие поверяемого рефлектометра следующим требованиям:
- соответствие комплектности поверяемого рефлектометра;
- отсутствие видимых механических повреждений;
- исправность кабелей и разъемов, четкость маркировки;
- исправность и прочность крепления органов управления.
Рефлектометр, имеющий дефекты, бракуется и направляется в ремонт.
6.2 Опробование
6.2.1 Перед проведением опробования необходимо убедиться в чистоте оптических соединителей рефлектометра и оптических соединительных кабелей и, если это необходимо очистить их от пыли и протереть в соответствии с разделом "Техническое обслуживание" руководства по эксплуатации рефлектометра.
6.2.2 Опробование проводится для каждого сменного оптического блока (СОБ), входящего в комплект рефлектометра для оценки его исправности.
Для проведения опробования рефлектометра следует выполнить следующие операции:
1) подключить рефлектометр к входящему в комплект поставки блоку питания БПН12-1,5 и включить в сеть напряжением 220 В;
2) рефлектометр соединить с ПЭВМ кабелем интерфейсным, подключаемым на задней панели рефлектометра к разъему “ЭВМ”, а на стороне ПЭВМ к разъему RS-232;
3) включить рефлектометр выключателем питания, расположенным на его передней панели. При этом должен загореться индикатор “Сеть”;
4) подключить к рефлектометру оптическое волокно (ОВ) многомодовое (если установлен СОБ ММ-0,85 мкм, ММ-1,3 мкм, ММ-0,85/1,3 мкм) или одномодовое (если установлен СОБ ОМ-1,3 мкм, ОМ-1,55 мкм, ОМ-1,3/1,55 мкм);
5) загрузить управляющую программу рефлектометра reflect.exe; программа должна произвести тестирование (инициализацию) рефлектометра и на экране должно появиться сообщение с указанием типа и номера подключенного рефлектометра и типа сменного оптического блока (рисунок 1);

Рисунок 1

6) щелкнуть мышью на кнопке , после чего на экране должно появиться главное окно программы.
При не выполнении данных условий рефлектометр бракуется и направляется в ремонт;
7) нажать кнопку
на панели кнопок и в появившемся окне "Параметры измерения" установить в нем следующие параметры:Диапазон расстояний - Lmax: 20 км
Начало участка – L1: 0 км
Конец участка – L2: 20 км
Разрешение – dL: 3 м
Длительность зондирующего импульса – Тр: 90 нс
Число усреднений рефлектограммы – 4096*Nav: 8
О
стальные параметры – по умолчанию. После установки параметров измерения нажать кнопку .
8) нажать кнопку
и провести измерение с усреднением.9) после окончания измерения с помощью указателя мыши и клавиш , , , установить маркеры на рефлектограмму и убедиться в возможности измерения затухания и длины ОВ по таблицам в левой части экрана.
Неисправный рефлектометр бракуется и направляется в ремонт.
6.3 Определение метрологических характеристик
6.3.1 Определение длительности зондирующих импульсов
Определение длительности зондирующих импульсов проводят на всех длинах волн оптического излучения, допустимых для данного сменного оптического блока.
Для определения длительности зондирующих импульсов необходимо выполнить следующие действия:
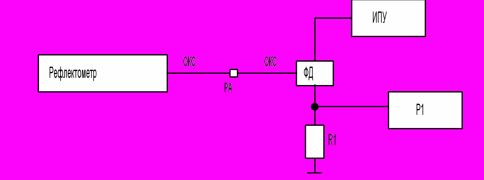
1) собрать схему, представленную на рисунке 2;

ОКС— оптический кабель соединительный; РА— регулируемая оптическая розетка-аттенюатор, ФД— pin-фотодиод; R1— резистор с сопротивлением 50 Ом 10 %; ИПУ— источник питания универсальный; Р1— осциллограф С1-75.
Рисунок 2
2) нажать кнопку
на панели кнопок и в появившемся окне "Параметры измерения" установить в нем следующие параметры:Диапазон расстояний - Lmax: 10 км
Начало участка – L1: 0 км
Конец участка – L2: 10 км
Длительность зондирующего импульса – Тр: 10 нс
Число усреднений рефлектограммы – 4096*Nav: 64
О
стальные параметры – по умолчанию. После установки параметров измерения нажать кнопку .
3) нажать кнопку
и провести измерение с усреднением.4) во время работы рефлектометра по экрану осциллографа измерить длительность зондирующего импульса по уровню 0,5 от амплитуды;
5) измерить значения других длительностей зондирующих импульсов, устанавливая параметры Тр и Lmax в соответствии с таблицей 3 и 4 для одномодовых и многомодовых блоков соответственно.
Таблица 3
| Тр, нс | 10 | 30 | 90 | 330 | 1000 | 3000 | 10000 | 20000 |
| Lmax, км | 10 | 40 | 240 | |||||
Таблица 4
| Тр, нс | 10 | 30 | 90 | 330 | 1000 |
| Lmax, км | 10 | ||||
Результаты проверки считают удовлетворительными, если отклонения длительностей зондирующих импульсов от значений, указанных в таблицах 3 и 4, не превышают:
- плюс 50 % и минус 20 % для длительности импульса 10 нс;
- 20 % для длительности импульса 30 нс;
- 10 % для остальных длительностей импульсов.
6.3.2 Определение пределов абсолютной погрешности измерения расстояний проводится с помощью оптического генератора ОГ-2-1. Одновременно проверяют значения диапазонов измерения расстояний.
Определение пределов погрешности проводят при минимальных значениях разрешения (интервала дискретизации сигнала обратного рассеяния), допустимых для данного диапазона измеряемых расстояний.
Для определения пределов погрешности измерения расстояний необходимо:
1) включить оптический генератор ОГ-2-1 и соединить его вход с входом рефлектометра;
2) нажать кнопку
на панели кнопок и в появившемся окне "Параметры измерения" установить в нем следующие параметры:Показатель преломления ОВ – n: 1,475
Диапазон расстояний - Lmax: 2 км
Начало участка – L1: 0 км
Конец участка – L2: 2 км
Разрешение – dL: 0,5 м
Длительность зондирующего импульса – Тр: 90 нс
Число усреднений рефлектограммы – 4096*Nav: 8
О
стальные параметры – по умолчанию. После установки параметров измерения нажать кнопку .
3) установить в меню "Параметры" управляющей программы оптического генератора ОГ-2-1 значение показателя преломления, равным 1,475;
4) нажать кнопку "Расстояние" управляющей программы оптического генератора ОГ-2-1, при этом откроется окно "Проверка шкалы расстояний". В нем следует установить:
- диапазон измеряемых расстояний – 2 км;
- тип блока рефлектометра - в соответствии СОБ рефлектометра;
- длительность измерительного импульса - 30 м;
- число измерительных импульсов - 5;
- положение 1-го измерительного импульса - 300 м.
Нажать кнопку "Зафиксировать параметры импульсов";
5) запустить рефлектометр на измерение в режиме без усреднения, нажав
кнопку
;6) с помощью аттенюаторов оптического генератора ОГ-2-1 установить амплитуду импульсов на экране рефлектометра на 4-5 дБ ниже верхней границы вертикальной шкалы рефлектометра. Горизонтальную линию, имитирующею сигнал обратного рассеяния на рефлектограмме, устанавливают на уровне (152) дБ ниже плоской части вершины импульса.
После этого остановить измерение, нажав клавишу ESC;
7) запустить рефлектометр на измерение с усреднением, нажав кнопку
;8) после завершения работы рефлектометра в этом режиме прочитать максимальное значение на шкале расстояний, это значение является диапазоном измерения расстояний;
9) с помощью маркеров измерить расстояния от начала координат до точки пересечения горизонтальной линии, имитирующей сигнал обратного рассеяния, и переднего фронта каждого импульса. При этом используется максимальная растяжка масштаба по шкале затухания и шкале расстояний;
10) занести полученные значения в соответствующий столбец (“Рефлектометр”) в окне "Проверка шкалы расстояний", для дальнейшего автоматического расчета пределов погрешностей по формуле:
, (1)где L0, м – пределы допускаемой основной абсолютной погрешности при воспроизведения расстояния оптического генератора ОГ-2-1,
j, м- расстояние до j-го импульса, измеренное по экрану рефлектометра,
0j, м- расстояние до j-го импульса, задаваемое оптическим генератором ОГ-2-1.11) повторить измерения для всех диапазонов расстояний, указанных в таблице 5 для данного СОБ, по описанной выше методике. Устанавливать длительности и положение первого измерительного импульса согласно таблице 5;
12) при поверке рефлектометра c СОБ на две длины волны определить пределы абсолютной погрешности измерения расстояния по описанной выше методике для другой длины волны.
Таблица 5
| Длительность измерительного импульса, м | Положение первого измерительного | Диапазоны измерения расстояний, км | |
| | импульса, м | Многомодовый СОБ | Одномодовый СОБ |
| 30 | 300 | 2 | 2 |
| 100 | 400 | 5 | 5 |
| 300 | 500 | 10 , 20, 40 | 10 , 20, 40 |
| 1000 | 500 | 80 | 80, 120, 160, 240 |

.