Анализ установившихся режимов в линейных цепях с гармоническими токами
| Вид материала | Курсовая работа |
СодержаниеМетод контурных токов Метод узловых потенциалов Метод эквивалентного генератора Расчет цепи с взаимными индуктивными связями |
- Удк 621. 362 Метод расчета на ЭВМ установившихся режимов энергосистемы, 78.08kb.
- Природа явлений в нелинейных цепях гораздо сложнее и многообразнее чем в линейных, 149.95kb.
- Лабораторная работа №1 2 исследование переходных процессов, 92.12kb.
- Цифровая фильтрация, 139.58kb.
- Контрольная работа выполняется на тему «Основные законы теории цепей, анализ установившегося, 35.6kb.
- Законы Ома и Кирхгофа для линейных цепей постоянного тока, 71.88kb.
- Переходные процессы в линейных електрических цепях исходные положения, 144.31kb.
- Аннотация дисциплины, 39.03kb.
- Полная техническая и качественная характеристика, 212.49kb.
- Лекция 3, 169.64kb.
zНижегородский Государственный
Технический Университет
им. Р. Е. Алексеева
Кафедра «Теоретическая и общая электротехника»
Курсовая работа
«Анализ установившихся режимов в линейных цепях с гармоническими токами»
Вариант 2–7
Выполнил: Породин Е.М.
ст. гр. 08-ЭТ
Зачетная книжка № 080433
Проверил: Широнин Ю.Н.
Нижний Новгород
2010 г.
I. Расчет цепи без взаимных индуктивных связей.
1. Параметры схемы.
По варианту задан граф схемы следующего вида:

Рис. 1. Граф схемы.
Заданы также параметры элементов и источников ЭДС и тока и др.:




Таблица 1.
| | Номер ветви | |||||
| 1 | 2 | 3 | 4 | 5 | 6 | |
| Состав элементов | R, L | R, C, e | R, C | R, L, j | R, L, C | R, C |
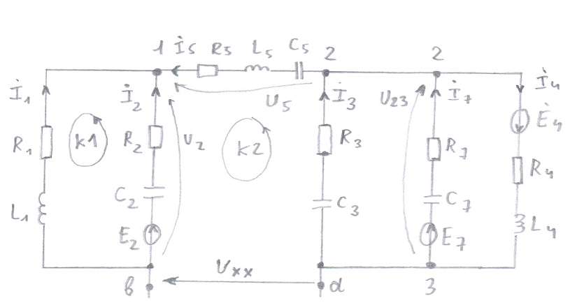
В соответствии с заданными параметрами начертим развернутую электрическую схему:

Добавим в схему седьмую ветвь с параметрами второй ветви, имеющей источник ЭДС. Данную ветвь подключим параллельно k-й ветви, где число k = 3. Расставим стрелки условно-положительных направлений токов и напряжений, а также обозначим узлы схемы цифрами:

Здесь
.Задаются начальные параметры


















Эквивалентная замена источников тока на источники ЭДС



Определяются индуктивное, емкостное и полное сопротивления всех ветвей:






МЕТОД КОНТУРНЫХ ТОКОВ
1) Запишем систему уравнений, составленных непосредственно для контурных токов(рассматривая напряжение на каждом элементе как сумму падений напряжений от каждого контурного тока)
Матрицы «контурных сопротивлений» и «контурных ЭДС»:



2) Составим матрицы контурных сопротивлений и контурных ЭДС




Вычисление контурных токов:


Определение реальных токов:


Матрица соединений контурных сопротивлений

Диагональная матрица сопротивлений ветвей

Матрица «контурных сопротивлений»:


3) Матрично-топологический способ
Вычисление контурных токов:


Определение реальных токов:


Проверка для узла 1:

Проверка для узла 2:

Проверка для узла 3:









Определение напряжений на резистивных, индуктивных и емкостных элементах ветвей,
а также на полных сопротивлениях ветвей:
Определение напряжений на ветвях:


Проверка решения для контура 1-4-7:

Проверка решения для контура 3-5-1:

Проверка решения для контура 3-5-4-2:

МЕТОД УЗЛОВЫХ ПОТЕНЦИАЛОВ
Определение полных проводимостей ветвей:


Матрицы «узловых проводимостей» и «узловых токов»:




Вычисление узловых потенциалов:


Определение напряжений на ветвях:


Матрица соединений узловых проводимостей ветвей:

Диагональная матрица проводимостей:

Определение матрицы узловых проводимостей:


Вычисление матрицы узловых потенциалов:


Определение напряжений на ветвях:


Определение токов в ветвях:


Построение ВТД






Построение векторной диаграммы токов:
Определение тока через резистивный элемент:





Определение амплитудных значений токов в ветвях:


Определение действующих значений токов в ветвях:


Определение амплитудных значений напряжений на ветвях:


Определение действующих значений напряжений на ветвях:


Определение начальных фаз токов в ветвях:


Определение начальных фаз напряжений на полных сопротивлениях:


Определение фазовых сдвигов между напряжением и током
1 способ:


2 способ:


3 способ:


Построение векторной диаграммы токов и напряжений:



Построение графиков временной зависимости мгновенных значений токов, сходящихся
в узле 0:









Построение векторной диаграммы токов для узла 0:


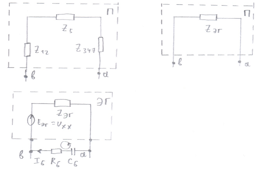
МЕТОД ЭКВИВАЛЕНТНОГО ГЕНЕРАТОРА

Вычисление напряжения между узлами 2 и 3 методом двух узлов:


Определение тока во второй ветви:


Определение напряжения на второй ветви

Определение напряжения холостого хода:




Расчет сопротивления эквивалентного генератора:




Определение тока и напряжения в шестой ветви




РАСЧЕТ ЦЕПИ С ВЗАИМНЫМИ ИНДУКТИВНЫМИ СВЯЗЯМИ








Подставим и приведем к матричному виду


Расчет токов и напряжений

Задаются значения коэффициентов взаимной индуктивной связи (по варианту):



Определение коэффициентов взаимной индукции:






Матрицы сопротивлений и ЭДС:


Расчет токов во всех ветвях:


Определение ЭДС взаимной индукции:












Проверка решения по первому закону Кирхгофа для узла 0:

Проверка решения по второму закону Кирхгофа для наружного контура:


Определение ЭДС самоиндукции:


Расчет напряжений на индуктивных элементах:


Расчет напряжений на резистивных элементах:


Расчет напряжений на емкостных элементах:


Расчет полных комплексных мощностей источников ЭДС:


Расчет полных комплексных мощностей на резистивных элементах:


Расчет полных комплексных мощностей на емкостных элементах:


Расчет полных комплексных мощностей на индуктивных элементах:


Расчет полных комплексных мощностей, связанных с ЭДС самоиндукции:


Расчет полных комплексных мощностей, связанных с взаимной индуктивностью:












Проверка решения через баланс полных комплексных мощностей:






