Этапы разработки математической модели механизма передвижения мостового крана с упругими муфтами, работающего в условиях агрессивной производственной среды н. В. Водолазская
| Вид материала | Документы |
- Математическая модель расчета динамических напряжений в балке мостового крана и канате, 143.55kb.
- Задание на проект. (ст. 5-6) Методика выбора двигателя для механизма передвижения моста, 269.77kb.
- Извещение №41 от 27 апреля 2009, 37.95kb.
- Опросный лист для изготовления крана мостового электрического, 36.25kb.
- Производственный травматизм и профессиональные заболевания, 860.76kb.
- Техническое задание на изготовление крана мостового электрического с двумя тележками, 49.05kb.
- «Увеличение грузоподъемности мостового крана до 16т», 14.02kb.
- Показатели производственной программы. Исходные данные для ее разработки Порядок планирования, 212.51kb.
- О развитии математиЧеской среды компьютеров, 96.92kb.
- С. М. Кирова Кафедра "Техническая механика" курсовойпроек т на тему: "Расчет поворотного, 848.17kb.
ЭТАПЫ РАЗРАБОТКИ МАТЕМАТИЧЕСКОЙ МОДЕЛИ МЕХАНИЗМА ПЕРЕДВИЖЕНИЯ МОСТОВОГО КРАНА С УПРУГИМИ МУФТАМИ, РАБОТАЮЩЕГО В УСЛОВИЯХ АГРЕССИВНОЙ ПРОИЗВОДСТВЕННОЙ СРЕДЫ
Н.В. Водолазская, канд. техн. наук, доцент;
Д.А. Шевченко, магистрант,
Донецкий национальный технический университет, г. Донецк
На предприятиях цветной металлургии перемещаются огромные массы сырья, материалов, полуфабрикатов, полупродуктов и других материальных ценностей. Операции по перемещению грузов и погрузочно-разгрузочные являются органической частью комплексного производственного процесса, успешность и ритмичность протекания которого зависят от своевременности и регулярности этих операций. Одними из наиболее распространенных средств механизации производственных операций в металлургической промышленности являются мостовые краны как весьма эффективное средство по перемещению грузов различных категорий. От работоспособности этих машин зависит бесперебойность многих операций на предприятии. Их надежность определяется совершенством конструкции и технологией изготовления и во многом зависит от условий работы и среды эксплуатации. Уровень агрессивности газовоздушной среды цехов металлургических предприятий зачастую оценивается как средне- и сильноагрессивный. Высокие температуры, влажность, загазованность, запыленность воздействуют на металлические конструкции и механическую часть кранов, способствуя их старению и разрушению, и как следствие быстрому выходу из строя некоторых узлов. Следовательно, вполне актуальным является исследование воздействия агрессивной среды на детали мостового крана и увеличение их надежности в условиях данного производства.
Анализ воздействия агрессивной среды на детали мостового крана показал [1, 2], что наименьшее количество наработок у зубчатых муфт, их срок службы на 69 % меньше средних наработок основных узлов мостового крана. Целью работы является усовершенствование конструкции данного узла мостового крана для увеличения его долговечности и эксплуатационной надежности в условиях воздействия агрессивной среды.
В связи с этим был выполнен анализ разнообразных типов муфт, используемых в мостовых кранах [3]. В ходе анализа муфт выбрали те, которые удовлетворяют конструктивным и техническим параметрам работы данного мостового крана. Оптимальным оказался выбор упругой муфты с винтовыми пружинами. Обладая высокой эластичностью, данные муфты смягчают толчки и удары, возникающие при работе механизма, и отличаются отсутствием свободного хода.
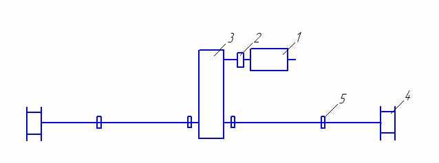
Для обоснования применения данных муфт в механизме перемещения мостового крана необходимо определить их влияние на работу механизма (рис. 1). Составим математическую модель механизма передвижения мостового крана с упругими муфтами.
Основными массами механизма передвижения мостового крана являются массы ротора двигателя, моторной муфты, с одной стороны, и масса крана, груза и ходовых колес с другой, поэтому схему механизма передвижения можно представить в виде двухмассовой системы (рис. 2).

Рисунок 1 – Механизм передвижения мостового крана
(1 двигатель, 2 тормозная муфта, 3 редуктор, 4 ходовое колесо,
5 муфта)

Рисунок 2 – Приведенная схема механизма передвижения крана
Массы
и
соединены упругим звеном, обладающим жесткостью с. Для удобства приведения момент двигателя, сопротивление передвижению выражаем в виде сил. Тогда в расчетных формулах все угловые величины заменяются на соответствующие линейные [4]. На массу
действует некоторая движущая сила
(максимальное пусковое усилие), а на массу
сила W, представляющая статическое внешнее сопротивление передвижению массы
.Приведенная линейная жесткость упругого звена
,где G – модуль упругости второго рода,
;d – диаметр вала, м;
L – длина вала, м;
угловая жесткость упругой муфты с винтовыми пружинами,
;
– диаметр ходовых колес, м.Масса движущихся частей механизма
,где
– маховой момент двигателя,
;
– маховой момент тормозной муфты,
;i – передаточное число редуктора;
– коэффициент, учитывающий массу валов и зубчатых колес.Масса движущихся элементов, приведенная к радиусу ходовых колес и масса ходовых колес и груза:
,где
вес крана, т;
грузоподъемность крана, т;
маховой момент ходовых колес,
.Общая формула для определения максимального пускового усилия, приведенного к радиусу ходовых колес:
,где N – мощность двигателя, кВт;
n – количество оборотов в минуту ротора двигателя,
;
- коэффициент полезного действия механизма;Разгон, а также торможение механизма осуществляются за счет разности
. Примем, что изменение избыточной силы осуществляется в функции времени (для частного случая избыточная сила будет принята постоянной). Поскольку
, можно записать
(где f(t) – избыточная сила, зависящая от времени и действующая только во время неустановившегося движения). Дифференциальное уравнение движения двухмассовой системы

Для определения деформации упругого звена, т. е. разности (
), преобразуем систему уравнений:
.Общее решение уравнения найдем в виде

где
частное решение уравнения (2), зависящее от значения
.Рассмотрим три значения
, соответствующие различным режимам пуска или остановки механизма передвижения мостового крана.
,
,
,где
начальная (наибольшая) избыточная ускоряющая или тормозящая сила;
время действия этой силы;
текущее время.Подставив выбранные значения
, найдем частные решения этого уравнения и на их основании величины коэффициентов А и В при различных значениях
. Затем в ходе преобразований находим зависимости, определяющие максимальные усилия, воспринимаемые упругим звеном:
- при плавном пуске:
;- при резком пуске:
.Формула для расчета коэффициента перегрузки
.На графике приведены коэффициенты перегрузки для конкретного механизма (рис. 3).

Рисунок 3 – Зависимость коэффициента перегрузки от жесткости
упругого звена
П
ри установке данной муфты могут возникнуть нежелательные колебания системы из-за частого пуска и остановки, которые могут привести к резонансу. Для проверки составим уравнение колебания двухмассовой системы
.П
осле преобразований и подстановки начальных условий частота собственных колебаний системы равна
.На графике приведены результаты круговой частоты собственных колебаний расчета для данного механизма (рис. 4).

Рисунок 4 Зависимость круговой частоты собственных колебаний от жесткости упругого звена
На основании предложенных выше расчетов можно сделать вывод, что применение упругой муфты с винтовыми пружинами будет способствовать уменьшению нагрузок в механизме, а следовательно, и более стабильной работе крана. Что касается колебаний, возникающих в механизме: с увеличением упругих свойств муфты частота собственных колебаний возрастает, но не превышает допустимых норм. Таким образом, в данной системе резонанс не возникает и применение упругой муфты возможно при условии установки пружин соответствующей жесткости.
SUMMARY
In the paper the authors discuss actuality of application of resilient muff with cylindrical springs in the mechanism of movement of travelling crane, working in an aggressive environment. For verification of mechanism work with this muff a mathematical model is made. Basic formulas are resulted for determination of loadings and frequency of eigentones of the system with a resilient muff. The results of calculations are resulted for concrete bridge faucet. Calculations are presented as diagrams, showing the change of loading and frequency of eigentones from inflexibility of muff. As a result these calculations bring about a possibility of application of resilient muff in the mechanism of movement of travelling crane.
СПИСОК ЛИТЕРАТУРЫ
- Старостина Ж.А. Совершенствование организации технической эксплуатации мостовых кранов в условиях агрессивной среды: автореф. дис…. на соискание уч. степени к. т. н. : спец. 05.02.22 – «Организация производства» (машиностроение) / Ж.А. Старостина; Норильский индустр. ин-т. – Норильск: НИИ, 2007. – 19 с.
- Шевченко Д.А. Совершенствование отдельных узлов мостового крана, работающего в условиях металлургического производства/ Д.А. Шевченко, Н.В. Водолазская // материалы Международной научно-технической конференции студентов, аспирантов и молодых ученых «Прогресивні напрямки розвитку машиноприладобудівних галузей і транспорту» / Севаст. нац. техн. ун-т. – Севастополь, 2010. – С. 180-182.
- Шевченко Д.А. Выбор рациональных параметров муфты мостового крана, работающего на предприятии цветной металлургии / Д.А. Шевченко, Н.В. Водолазская // материалы Международной студенческой конференции «Молода наука XXI сторіччя» / Донб. нац. машиностр. акад. – Краматорск, 2010. – С.75-78.
Комаров М.С. Динамика грузоподъемных машин / М.С. Комаров. – 2-е изд., перераб. и доп. – Москва; Киев, 1962. – 267 с.
