Пояснительная записка задание рассчитать генератор треугольных импульсов со следующими характеристиками: Амплитуда ±2 5В
| Вид материала | Пояснительная записка |
- Пояснительная записка к курсовой работе на тему: «Активный полосовой фильтр» по дисциплине, 342.06kb.
- Задание по дисциплине «Основы цифровой электроники», 5.89kb.
- Вопросы к экзамену по дисциплине «Имитационное и статистическое моделирование», 18.77kb.
- Программа по изобразительному искусству пояснительная записка, 299.73kb.
- Зав. Каф. Р. Г. Джагупов " " 1998 Мостовой rc-генератор синусоидальных колебаний, 220.58kb.
- Тема импульсные генераторы, 57.79kb.
- Математики и программирования пояснительная записка к курсовой работе по курсу «Введение, 151.91kb.
- Программа вступительных испытаний по литературе пояснительная записка на письменном, 98.74kb.
- Дисциплина Электроника «расчет маломощного источника вторичного электропитания», 222.87kb.
- Щербаковой Лидии Васильевны учителя второй квалификационной категории Рассмотрено, 638.39kb.
КУРСОВОЙ ПРОЕКТ ПО СХЕМОТЕХНИКЕ
Проектирование функционального генератора синусоидальных колебаний
Пояснительная записка
ЗАДАНИЕ
Рассчитать генератор треугольных импульсов со следующими характеристиками:
Амплитуда ±2 – 5В
частота 500Кгц
Ток нагрузки 0,5А
СОДЕРЖАНИЕ
- Выбор структурной схемы.
- Выбор принципиальных схем.
- Описание схемы и принцип действия.
- Основные соотношения и методика расчета схемы.
- Выбор и расчет источника питания.
- Исследования в EWB.
- Заключение.
- Библиографический список.
ВВЕДЕНИЕ
Генератор – это устройство, преобразующее энергию источника питания в электрические колебания заданной формы, частоты и амплитуды.
По форме импульсов различают генераторы прямоугольных, треугольных и синусоидальных импульсов, генераторы пилообразного напряжения.
- Выбор структурной схемы
Пилообразное напряжение получается в процессе заряда или разряда конденсатора, при этом транзистор может работать в качестве ключа, нелинейного сопротивления или в режиме усиления напряжения. Напряжение пилообразной формы (линейно изменяющееся напряжение) характеризуется двумя промежутками времени: временем рабочего хода, в течение которого напряжение изменяется по линейному закону, и временем обратного хода, в течение которого напряжение возвращается к исходному значению. Обычно закон изменения напряжения во время обратного хода несущественен.
Фантастрон — автоколебательный генератор синхронных прямоугольных и треугольных (пилообразных) импульсов.
В мультивибраторе напряжение на частотозадающем конденсаторе изменяется от напряжения срабатывания до напряжения отпускания по экспоненциальному закону, однако бывает необходимо получить колебания треугольной формы с высокой линейностью. Решить эту задачу позволяет использование источника тока в цепи перезарядки конденсатора.
Структурная схема источника питания включает в себя следующие три блока:

- трансформатор, понижает напряжение 220 В до требуемых меньших значений и обеспечивает одновременно гальваническую развязку электронного устройства от сети;
- блок вентилей, иногда называемый выпрямителем, преобразует переменное, т. е. двухполярное напряжение в пульсирующее однополярное, т. е. в положительное или отрицательное, в зависимости от требования;
- стабилизатор предназначен для поддержания постоянного напряжения на нагрузке при изменении напряжении питания и сопротивления (тока) нагрузки.
2. Выбор принципиальной схемы
Для правильного выбора схемотехнического решения был проведен библиографический поиск. Задача поиска заключается в выборе одной из известных схем, которая наиболее полно удовлетворяет совокупность технико-экономических требований при максимальной простоте и надежности.
Для получения треугольного выходного напряжения можно образовать замкнутый контур из интегратора на ОУ и формирователя типа триггера Шмита. На выходе интегратора здесь формируется напряжение треугольной формы с периодом Т = 4С1R1R2/R3, и с амплитудой, равной Um = Uст *R4/R3,

Uст - напряжение стабилизации двухстороннего стабилитрона VD2. На стабилитроне получается напряжение прямоугольной формы с амплитудой Uст. Если времязадающие цепи заряда и разряда конденсатора сделать различными, можно получить линейно изменяющееся напряжение с различным соотношением времени прямого и обратного хода.
2.2. Основные соотношения и методика расчета схемы
Исходные данные:
Um - максимальное выходное пилообразное напряжение;
tра6 - рабочее время;
tобр - время обратного хода;
E0 - максимальное напряжение на выходе выбранного ОУ.
Выбираем U+вых = U-вых = Um/2
Определяем

Выбираем величину Rэкв = R1|| R2 из условия Rэкв > Rн мин ОУ. Определяем емкость интегрирующего конденсатора С = τ'/ Rэкв
Определяем

Сопротивление R2 = τ / С и R1 = (l / Rэкв - 1 / R2 )-1
Для исключения влияния R3 - R4 на перезаряд конденсатора необходимо
R3»R2.
R4 определяем из соотношения R4 = R3 · Uвых /E0 ,
tраб= 2τ · γ , to6p = 2τ' · γ , τ = RСЭКВ = R2С(1 + К0у) ≈τ К0у (диод закрыт);
Отрицательная обратная связь в DA2 осуществляется с помощью интегрирующего конденсатора С. DA1 работает как компаратор напряжения, срабатывающий в момент перехода U2 через ноль. Напряжение U2зависит от
напряжения на выходе схемы.
Расчёт схемы










выбираем
>>

В качестве операционного усилителя выберем К140УД7
| ТипОУ | Uпи. В | Кd. В/мВ | /п,мА | Uдф max В | f МГц | Vu В/мкс | ±U2m max В | R2m min кОм | Rd вх МОм |
| К140УД7 | 2х(5-20) | 30 | 2,8 | 20 | 0,8 | 0,3 | 10,5 | 2 | 0,4 |
Выбор усилителя мощности
Выберем для реализации бестрансформаторный усилитель мощности класса АВ
Достоинства этой схемы:
-симметричность
-малый ток покоя
-высокий КПД
-малое выходное сопротивление
-высокое входное сопротивление
Расчёт усилителя мощности
Исходные данные:
-номинальная выходная мощность Рном=U*I=10*0,5=5вт
-полное сопротивление нагрузки Rн= U/I=20 ом
-верхняя частота сигнала f=500 KHz
Ррасч>1,1Рном=1,1*5=5,5вт
Iк max =

Выбор транзисторов





Выбираем транзисторы КТ816Б и КТ817Б, которые имеют следующие характеристики:
| Тип прибора | Iк. макс, A | Iк.и. макс, A | Uкэо.гр, {UкэR.макс}, [Uкэо.и.макс, B | Uэбо. макс, B | Рк. макс, Вт | h21Э | Uкэ, {Uкб}, B | Iк, A | Uкэ. нас, B | Iкэо, {Iкбо}, [IкэR], мА | fгр, МГц |
| КТ816Б | 3 | 6 | 45 | – | 25 | 25 | {2} | 2 | 0,6 | 0,1 | 3 |
| КТ817Б | 3 | 5 | 45 | 5 | 25 | 25 | 2 | {1} | 0,6 | {0,1} | 3 |

- Выбор и расчет источника питания
Подавляющее большинство радиолюбительских конструкций получает питание от электросети через блок питания. Он обычно содержит сетевой трансформатор Т1 , диодный выпрямитель VD1—VD4 и оксидный сглаживающий конденсатор большой емкости С1.
Стабилизатор напряжения, если он имеется, включается между выходом выпрямителя и нагрузкой. Напряжение на его выходе, как правило, меньше , и на стабилизаторе тратится заметная мощность.
Начнем с расчета сетевого трансформатора. Его габариты и масса полностью определяются той мощностью, которую должен отдавать блок питания. Если вторичных обмоток несколько, то надо просуммировать все мощности, потребляемые по каждой из обмоток, и мощность потерь на диодах выпрямителя
От сети трансформатор будет потреблять мощность, несколько большую рассчитанной, что связано с потерями в самом трансформаторе Различают "потери в меди" на нагрев обмоток при прохождении по ним тока — это обычные потери, вызванные активным сопротивлением обмоток, и "потери в железе", вызванные работой по перемагничиванию сердечника и вихревыми токами в его пластинах. Отношение потребляемой из сети к отдаваемой мощности равно КПД трансформатора. КПД маломощных трансформаторов невелик и составляет 60...65%, возрастая до 90% и более лишь для трансформаторов мощностью несколько сотен ватт. Теперь можно определить площадь сечения центрального стержня сердечника (проходящего сквозь катушку), пользуясь эмпирической формулой:
В обозначениях магнитопровода уже заложены данные для определения сечения. Например, Ш25х40 означает ширину центральной части Ш-образной пластины 25 мм, а толщину набора пластин 40 мм. Учитывая неплотное прилегание пластин друг к другу и слой изоляции на пластинах, сечение сердечника можно оценить 8,8...9 см2, а мощность намотанного на нем трансформатора — в 65...80 Вт
Площадь сечения центрального стержня магнитопровода трансформатора 8 определяет следующий важный параметр — число витков на вольт. Оно не должно быть слишком малым, иначе возрастает магнитная индукция в магнитопроводе, материал сердечника заходит в насыщение, при этом резко возрастает ток холостого хода первичной обмотки, а форма его становится не синусоидальной — возникают большие пики тока на вершинах, положительной и отрицательной полуволн. Резко возрастают поле рассеяния и вибрация пластин. Другая крайность — излишнее число витков на вольт — приводит к перерасходу меди и повышению активного сопротивления обмоток. Приходится также уменьшать диаметр провода, чтобы обмотки уместились в окне магнитопровода.
Рассчитаем трансформатор при помощи программы расчёта сетевого трансформатора
Необходимые параметры:
U1=220В
U2=24В
I2=0.5A
Тип сердечника: стержневой
Тип охлаждения: воздушное
При расчёте получаем:
Поперечное сечение окна магнитопровода Q=2.25см2
Количество витков первичной обмотки ω1=3868
Диаметр провода первичной обмотки d1=0.14мм
Номинальная мощность трансформатора P=14.1вт
Количество витков вторичной обмотки ω2=402
Диаметр провода вторичной обмотки d2=0.4мм
Выбираем диоды выпрямительного моста:
Uобр≥Uампл.≥1,41*Uвых.=34В
Iпрям.=0,5Iнагр.=0,25А
Рекомендуемый тип диодов для мостового выпрямителя:
КД105Б
прямой ток 300мА;
обратное напряжение 400В.
Один из важных узлов радиоэлектронной аппаратуры - стабилизатор напряжения в блоке питания. Еще совсем недавно такие узлы строили на транзисторах. Общее число элементов стабилизатора было довольно значительным, особенно если от него требовались функции регулирования выходного напряжения, защиты от перегрузки и замыкания выхода ограничения выходного тока на заданном уровне.
Некоторые типы отечественных стабилизаторов имеют оригинальную устоявшуюся цифровую нумерацию выводов. Это произошло от того, что первоначально микросхемы этих серий выпускали в «микросхемных» корпусах со стандартизированной нумерацией выводов. После того как было налажено производство в «транзисторных» корпусах, нумерация выходов сохранилась.
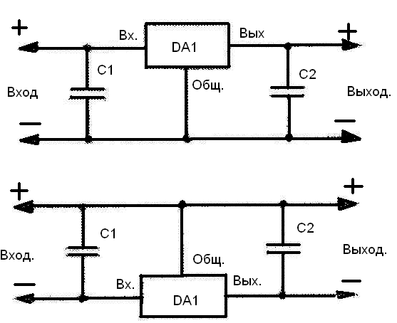
Типовая схема включения микросхемных стабилизаторов на фиксированное выходное напряжение.

Для всех микросхемных стабилизаторов, емкость входного конденсатора С1, должна быть не менее 2,2мкФ для керамических или оксидных танталовых и на менее 10мкФ – для алюминиевых оксидных конденсаторов, а выходного конденсатора С2 не менее 1 и 10мкФ соответственно. Некоторые микросхемы допускают и меньшую емкость, но указанные значения гарантируют устойчивую работу любых стабилизаторов. Роль входного может исполнять конденсатор сглаживающего фильтра, если он расположен не далее 70 мм от корпуса микросхемы.
Основные параметры выбранных стабилизаторов:
КР1162ЕН9А
выходное напряжение 9В;
максимальный ток нагрузки 1,5А;
максимальная рассеиваемая мощность 10Вт;
регулируемый элемент включен в цепь – минусовую;
корпус КТ-28-2.
КР1180ЕН9А
выходное напряжение 9В;
максимальный ток нагрузки 1,5А;
максимальная рассеиваемая мощность 10Вт;
регулируемый элемент включен в цепь – плюсовую;
корпус КТ-28-2.
СПЕЦИФИКАЦИЯ
| Поз. обозначение | Наименование | Кол | Примечание |
| | Конденсаторы | | |
| C1, С2 | К50-35-500мкф | 2 | |
| C3,С4 | К50-30-2,2 мкФ | 2 | |
| С5 | 270пФ | 1 | |
| C6 | 1 мкФ | 1 | |
| | Операционные усилители | | |
| DA3, DA4 | К140УД7 | 2 | |
| | Резисторы | | |
| R1 | МЛТ - 0.25 – 2 ком | 1 | |
| R2 | МЛТ - 0.25 – 47 ком | 1 | |
| R3 | МЛТ - 0.25 - 10 кОм | 1 | |
| R4 | МЛТ - 0.25 – 3 комм | 1 | |
| R5 | СП 3-33 - 0.25 – 3 ком | 1 | |
| R6 | МЛТ - 0.25 - 2 кОм | 1 | |
| R7, R8 | МЛТ - 0.25 – 560 Ом | 2 | |
| | Микросхемные стабилизаторы | | |
| DA1 | КР1180ЕН9А | | |
| DA2 | КР1162ЕН9А | | |
| | Трансформатор | | |
| Т1 | | 1 | |
| | Диоды | | |
| VD1-VD4 | КД105Б | 4 | |
| VD5, VD6 | КС133А | 2 | |
| VD7, VD8 | КД521А | 2 | |
| | Транзисторы | | |
| VT1 | КТ817Б | 1 | |
| VT2 | КТ816Б | 1 | |
Заключение
На основе тщательного анализа литературы по данной теме я разработал генератор треугольного сигнала с использованием современной элементной базы. Данный тип генераторов позволяет получить треугольные колебания. Особым достоинством, которое хотелось бы отметить, является простота и дешевизна изготовления таких генераторов, наряду с хорошими техническими и метрологическими характеристиками.
Библиографический список
- Справочник по транзисторным схемам: Малинин Р.М. Изд. 2-е, перераб. М., «Энергия», 1974.
- Основы расчета и выбора элементов электронных схем: учеб. пособие/ Лемехова И.И. – Нижний Тагил: НТИ(ф) УГТУ-УПИ, 2005.
- Схемотехническое проектирование: учеб. пособие/ Лемехова И.И. – Нижний Тагил: НТИ(ф) УГТУ-УПИ, 2007.
- Микросхемные стабилизаторы серии КР1162: Нефедов А.- Радио, 1995, №4.
- Интегральные усилители мощности SGS-THOMSON: М., 2006.
- Справочник: Полупроводниковые приборы ТОМ 6
- Справочник: Интегральные микросхемы ТОМ 2
- Справочник: Интегральные микросхемы. Издательство”Радио и связь” 1983г.
- Руденко В.С. Основы промышленной электроники, - М., 1985, - 640 с.
- Гутников В.С. Интегральная электроника в измерительных устройствах, - М., 1988, - 380 с.
- В.Н. Михальченко Операционные Усилители, - М., 1993, - 240 с.
- Гутников В.С. Применение Операционных Усилителей в измерительной технике, - М., 1975, - 180
