Варианты контрольных работ контрольная работа №1 (3 семестр)
| Вид материала | Контрольная работа |
СодержаниеПравила оформления контрольного задания №2 Внутритекстовые ссылки |
- Задания по выполнению контрольных работ по курсу, 79.13kb.
- Методические указания по выполнению и оформлению контрольной работы. Варианты контрольных, 30.62kb.
- Темы контрольных работ. Методические указания по выполнению контрольных работ для студентов, 537.1kb.
- Контрольная работа в ms access 3 1 Варианты контрольных работ, 313.08kb.
- Контрольная работа должна состоять из следующих компонентов: Номер и тема контрольной, 521.46kb.
- Методические рекомендации по выполнению и оформлению контрольных работ для студентов, 488.96kb.
- Торайгырова Кафедра «Металлургия», 166.31kb.
- Контрольная работа №2 (4 курс, 7 семестр) Малкина С. В. Данная контрольная работа состоит, 13.74kb.
- Эмбриологии, 72.5kb.
- Контрольная работа проводится в конце Iполугодия; выполняется на уроке одновременно, 395.72kb.
ВАРИАНТЫ КОНТРОЛЬНЫХ РАБОТ
Контрольная работа №1 (3 семестр)
Контрольная работа построена на темах РазделаI Цепи постоянно-го и переменного тока. Нелинейные цепи. Первые две задачи на тему "Законы постоянного тока" .Задача №1 опирается тематику на главу 2 п.2.1. Задача №2 - на тематику главы 2 п.2.2. Задачи №3 и №4 на тему "Законы переменного тока". Задача №3 опирается на тематику главы 3 п.3.2. Задача №4 опирается на тематику главы 4 п.4.1. Приступать к решению контрольной работы можно только после освоения теории и соответствующих разделов Практикума.
Контрольные работы решаются по вариантам. Ваш номер варианта соответствует последней цифре в вашей зачетке. Контрольные задачи приведены ниже. Контрольная работа№1 оформляется в тетради. Подразумевается аккуратность и развернутое решение, в противном случае преподаватель снижает оценку.
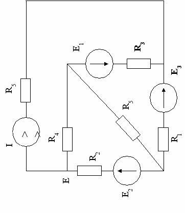
Задача 1.1
Используя законы Кирхгофа, обозначить и рассчитать токи I 1, I 2,
I 3, I 4, I 5, если R 1 = 2 Ом, R 2 = 4 Ом, R 3 = 1 Ом, R 4 = 1 Ом, R 5 = 5 Ом,
R 6 = 10 Ом, E 1= 10 В, Е 2 = 5 Ом, Е 3 = 50 В, I = 1 А

Задача 1.2
Используя законы Кирхгофа расставить и рассчитать токи I 1 , I 2 ,I 3 , если R 1 = 10 Ом, R 2 = 2 Ом, R 3 = 5 Ом, Е 1 = 10 В, Е 2 = 50 В, Е 3 = 20 В
Задача 1.3
Используя законы Кирхгофа, обозначить и рассчитать токи I 1 , I 2 ,
I 3, I 4, I 5, I 6, если R 1 = 2 Ом, R 2 = 4 Ом, R 3 = 1 Ом, R 4 = 1 Ом, R 5 = 5 Ом, R 6 = 10 Ом, R 7 = 5 Ом, E 1 = 10 В, Е 2 = 5 Ом, Е 3 = 50 В, Е 4 = 10 В

Задача 1.4
Используя законы Кирхгофа, расставить и рассчитать токи I 1, I 2,
I 3, если R 1= 10 Ом, R 2 = 5 Ом, R 3 = 5 Ом, R 4 = 2 Ом,
R 5 = 1 Ом, E1 = 50 В

Задача 1.5
Используя законы Кирхгофа, обозначить и рассчитать токи I 1, I 2, I 3, если R 1 = 2 Ом, R 2 = 4 Ом, R 3 = 1 Ом, E = 10 В, I 1 = 1 А, I 2 = 5 А

Задача 2.1
Обозначить и рассчитать токи I 1, I 2, I 3, I 4, I 5, I 6 методом контурных токов, если R 1 = 2 Ом, R 2 = 4 Ом, R 3 = 1 Ом, R 4 = 1 Ом,
R 5 = 5 Ом R 6 = 10 Ом, R 7 = 5 Ом E 1= 10 В, Е 2 = 5 Ом, Е 3 = 50 В,
Е 4 = 10 В

Задача 2.2
Обозначить и рассчитать токи I 1, I 2, I 3, I 34, I 24, I 32 методом контурных токов, если Е1 = 120 В, Е2 = 60 В, Е 3 = 140 В, R24 = R34 = R32 =3 Ом,


Задача 2.3
Обозначить и рассчитать I 0, I 1, I 2, I 3, I 4, I 5 методом контурных токов, если Е 1 = 32 В, Е 2 = 120 В, Е 3 = 10 В , R 0 = 2 Ом, R 1 = 10 Ом, R 2 = = 4 Ом, R 3 = 6 Ом, R 4 = 5 Ом, R 5 = 8 Ом
Задача 2.4
Обозначить и рассчитать I 1, I 2, I 3, I 4 , I 5, I 6 методом контурных токов, если U = 140 В, I = 4 А, R1 = 21 Ом , R = 4 Ом.

I
Задача 2.5
Обозначить и рассчитать токи I 1, I 2, I 3, I 4, I 5, I 6 методом контурных токов, если R 1 = 10 Ом, R 2 = 2 Ом, R 3 = 5 Ом, R 4 = 1 Ом, R 5 = 4 Ом, R 6 = = 8 Ом, Е 2 = 5В, Е 3 = 20 В, Е 4 = 10 В,

E 4
Задача 2.6
Обозначить и рассчитать I 0, I 1, I 2, I 3, I 4, I 5 методом контурных токов, если Е 1 = 50 В, Е 2 = 20 В, Е 3 = 45 В, R 0 = 2 Ом, R 1 = 10 Ом, R 2 = 30 Ом, R 3 = 50 Ом, R 4 = 20 Ом, R 5 = 1 Ом, R 6 = 20 Ом, R 7 = 10 Ом, U = 80 В

Задача 3.1- 3.5
Построить осциллограммы тока и напряжения. Построить вектора тока и напряжения на плоскости .

Задача 4.1
Рассчитать напряжение на конденсаторе Uc , полное напряжение U и сдвиг фаз между током и п
L
олным напряжением φ, если задано,
что R1=10.5 Ом, R2=3.5 Ом , L =382 Гн, C=0.533мкФ,
I=2.4 А, f =5 кГц

Задача 4.2
Рассчитать напряжение на конденсаторе Uk , ток I и найти сдвиг фаз
между полным напряжением и током
R1

R2
I
C
Если задано, что R1=10 Ом, R2=0.1 Ом , C=10мкФ, U=127 В, f =5 кГц
Задача 4.3
Найти ток I и напряжение U k на катушке L, найти сдвиг фаз
между ними, если задано, что R=4 Ом, , C=10мкФ, U=100 В, f =50Гц,L =0.5mГн
Uкат

Задача 4.4
Найти полный ток Ι и угол j между полным током и напряжением,
если задано, что R1=50 Ом, R 2 =150 Ом, Х С =80 Ом , U=127 В,

Задача 4.5
Найти полный ток Ι и угол j между полным током и напряжением,
если задано, что R1=10 Ом, R 2 =40 Ом, Х С =20 Ом , ХL=100 Ом,
U=50 В
Варианты определяем по последней цифре в зачетке
| № варианта | Задача1 | Задача 2 | Задача 3 | Задача 4 |
| 1 | 1.1 | 2.1 | 3.1 | 4.1 |
| 2 | 1.2 | 2.2 | 3.2 | 4.2 |
| 3 | 1.3 | 2.3 | 3.3 | 4.3 |
| 4 | 1.4 | 2.4 | 3.4 | 4.4 |
| 5 | 1.5 | 2.5 | 3.5 | 4.5 |
| 6 | 1.1 | 2.6 | 3.1 | 4.1 |
| 7 | 1.2 | 2.1 | 3.2 | 4.2 |
| 8 | 1.3 | 2.2 | 3.3 | 4.3 |
| 9 | 1.4 | 2.3 | 3.4 | 4.4 |
Контрольное задание №2 (4 семестр)
Выполняется в виде реферата по одной из предложенных тем. Цель
данного контрольного задания, более детально познакомиться с элементной базой электроники. Нельзя ограничиваться только материалом пособия. Требуется привлекать дополнительный материал из рекомендованной в пособии литературы. Возможно привлечение материалов из Интернета. Структура реферата и правила оформления приведены ниже. Номер и содержание контрольного задания выбирается самостоятельно из предложенных тем.
ТЕМЫ контрольных заданий
1. Диод Шоттки
2. Варикап
3. Полевой транзистор с р – каналом
4. Полевой транзистор с n – каналом
5. МДП – транзистор со встроенным каналом n - типа
6. МДП – транзистор со встроенным каналом р-типа
7. МДП – транзистор с индуцированным каналом n – типа
МДП- транзистор с индуцированным каналом р-типа
9. Симистор ( из раздела титристоры)
10. Двутактный усилитель
11.Компаратор на операционном усилителе
12. LC –генератор.
13. RC – генератор на операционном усилителе
14. Диодный электронный ключ
15. Электронный транзисторный ключ на полевом транзисторе
16. Логический элемент «И» в диодно - резисторной логике
17. Логический элемент «ИЛИ» в диодно - резисторной логике.
18. Логический элемент «инвертор» в транзисторно-
резисторной логике
19.Логический элемент «И-НЕ» в диодно –транзисторной логике
20 Логический элемент «ИЛИ-НЕ» в диодно –транзисторной логике
21.Асинхронный триггер
ПРАВИЛА ОФОРМЛЕНИЯ КОНТРОЛЬНОГО ЗАДАНИЯ №2
Задание по курсу «Общая электротехника и электроника» выполняется с целью более детального ознакомления с базовыми элементами и устройствами электроники. Предполагается, что студент, пишущий реферат, знакомится не только с текстом пособия, но и с рядом источников (см. ниже) и использует Интернет. Задание оценивается по содержанию, а не по объему.
Набор текста должен быть сделан в текстовом редакторе Microsoft Word для Windows любой версии. Объем задания не должен превышать 2 -3 машинописных страниц.
Содержание задания ( темы 1-9, 14)
Титульный лист
- Содержание
- Схемотехническое обозначение
- Рабочая схема
- Принцип действия
- Применение
7. Маркировка
8. Список использованной литературы
Содержание задания ( темы 10-13,15)
1.Титульный лист
2.Содержание
3.Принципиальная схема
4.Принцип действия
5.Применение
6. Список использованной литературы
Содержание задания( темы 16-21)
1Титульный лист
2.Содержание
3.Схемотехническое обозначение
4.Принципиальная схема
5.Принцип действия
6. Таблица истинности
7.Применение
8. Список использованной литературы
Все страницы задания нумеруются по порядку от титульного листа до последней страницы, но на самом титульном листе цифра не ставится. Вторая страница - оглавление, где пишется план работы (содержание).
Текст задания должен быть разбит на разделы, параграфы, пункты и т.д., каждый из которых имеет название. В содержании (плане работы) должны быть указаны эти деления текста и соответствующие страницы. При наборе текста следует выдерживать следующие обязательные требования:
Отступы слева – 25 мм и справа - 15 мм, сверху – 15 мм, снизу – 20 мм для нумерации страниц.
- Шрифт основного текста - Times New Roman; размер 14 пунктов (кегль), 1.25 интервал.
- Абзацный отступ равен 5 печатным знакам.
- Нумерация страниц – внизу.
- Заголовки, подзаголовки, рисунки, таблицы, формулы отделяются от основного текста межстрочным расстоянием.
- Ссылки на литературу осуществляется внутритекстовых ссылках.
Внутритекстовые ссылки на источник оформляются во время набора материала следующим образом: [3], где 3 означает порядко-вый номер используемого учебника или сайда. В конце реферата приводится список литературы с полным указанием реквизитов (Автор, наименование издания, место и год издания, №№ страниц.). Например:
1. Сулименко Л. М. Технология минеральных вяжущих материалов и изделий на их основе: Учебник для вузов. - 3-е изд., перераб. и доп. - М.: Высш. шк., 2000.-303с.
2. Диаграммы состояния двойных металлических систем: Справочник /Под общ. ред. Н.П. Лякишева. - М.: Машиностроение. - Т. 3, кн. 2. - 2000. - 448 с.
3. Тезисы докл. 2-ой Научно-технической конференции молодых ученых и аспирантов, посвященной 40-летию НИ РХТУ им. Д.И. Менделеева /Рос. хим.-технол. ун-т им. Д.И. Менделеева, Новомосковский ин-т. - Новомосковск, 2000.
4. Лукин Е.С., Макаров Н.А. Особенности выбора добавок в технологии корундовой керамики с пониженной температурой спекания //Огнеупоры в техн. керамика. - 1999. - № 9. - С. 10-13. (статья из журнала)
Оформление ссылок на электронные источники должно осуществляться также как и на печатные издания, с указанием автора и названия работы, только вместо выходных данных печатного источника следует указывать выходные данные CD-рома, DVD-рома или полный электронный адрес сайта.
Например:
Российская государственная библиотека [Электронный ресурс] / Центр информ. технологий РГБ; ред. ВласенкоТ. В.; Web-мастер Козлова Н. В. - Электрон, дан. - М.: Рос. гос. б-ка, 1997. - Режим доступа: u, свободный. - Загл. с экрана. - Яз. рус., англ.
