Микросхемная реализация логических элементов
| Вид материала | Расшифровка |
СодержаниеОсновные параметры. Нагрузочная способность Степень генерирования помех |
- Rs – Триггер, 228.9kb.
- 10. Статистические параметры логических элементов. К статистическим параметрам, 1066.17kb.
- Лекция 12. Архитектура компьютера, 124.05kb.
- Тема: Использование логических функций в пакете Excel, 14.85kb.
- Практическая работа №7 Тема: Составление программ с использованием логических операций, 67.7kb.
- Кластерная система химических элементов Хорошавин Лев Борисович Докт техн наук Реферат, 748.35kb.
- Законы алгебры логики. Преобразование логических выражений, 28.19kb.
- Семинару по теме: «Методика решения логических задач», 171.82kb.
- I. Решение логических задач средствами алгебры логики 22 >II. Решение логических задач, 486.64kb.
- Данная работа посвящена теоретическим и практическим аспектам внедрения в начальный, 344.19kb.
Микросхемная реализация логических элементов.
Тип логических элементов – совокупность схемных и технологических признаков, характеризующих ИМС логических элементов.
В табл. 1 дана расшифровка аббревиатур названий основных типов логических элементов, представлены их схемы.
Таблица 1
| Тип логического элемента | Схема | Логический элемент |
| РТЛ (резистивная транзисторная логика) | ![]() | ![]() |
| ДТЛ (диодно-транзисторная логика) | ![]() | ![]() |
| ТТЛ (транзисторно-транзисторная логика) | ![]() | ![]() |
| р-МДПТЛ (логика на МДП-транзисторах с каналом р-типа) | ![]() | ![]() |
| n-МДПТЛ (логика на МДП-транзисторах с каналом n-типа) | ![]() | ![]() |
| КМДПТЛ (логика на комплеиентарных транзисторах) | ![]() | ![]() |
| ТТЛШ (транзисторно-транзисторная логика с транзисторами Шоттки) | ![]() | ![]() |
| И2Л (интегральная инжекционная логика) | ![]() | ![]() |
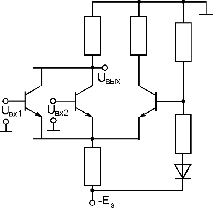
| ЭСЛ (эмиттерно-связанная логика) | ![]() | ![]() |
Основные параметры. Быстродействие – время задержки распространения – определяется интервалом времени между сменой состояний входного и выходного сигналов.
Нагрузочная способность оценивается коэффициентом разветвления по выходу – числом однотипных ИМС, которые могут быть подключены к одному входу.
Помехоустойчивость определяется максимально допустимым напряжением помехи, не вызывающим неправильного срабатывания логического элемента.
Степень генерирования помех характеризуется интенсивностью колебаний потребляемого тока при срабатывании (переключении) логического элемента.
Мощность рассеяния – мощность, потребляемая логическим элементом от источника питания.
В табл. 2 приведены результаты ранжирования основных параметров различных логических элементов; при этом ранг 1 соответствует наилучшему значению параметра, а ранг 10 – наихудшему.
Таблица 2
| Тип логического элемента | Быстродействие | Мощность рассеяния | Разветвление по выходу | Помехоустойчивость | Степень генерирования помех |
| РТЛ | 5 | 6 | 5 | 10 | 2 |
| ДТЛ | 7 | 6 | 5 | 9 | 2 |
| ТТЛ | 3 | 6 | 5 | 5 | 9 |
| p-МДПТЛ | 10 | 2 | 2 | 3 | 2 |
| n-МДПТЛ | 8 | 2 | 2 | 4 | 2 |
| КМДПТЛ | 9 | 1 | 1 | 1 | 2 |
| ТТЛШ | 2 | 8 | 5 | 5 | 9 |
| И2Л | 5 | 4 | 5 | 5 | 2 |
| ЭСЛ | 1 | 10 | 2 | 4 | 1 |











