Методические указания и описание лабораторной работы по дисциплине "Вычислительная техника и информационные технологии" "Исследование устройств на основе логических интегральных схем. Исследование генератора импульсов на лэ"
| Вид материала | Методические указания |
СодержаниеЦель работы 3. Содержание отчета Контрольные вопросы |
- Методические указания и описание лабораторной работы по дисциплине "Вычислительная, 181.69kb.
- Методические указания и описание лабораторной работы по дисциплине "Вычислительная, 62.39kb.
- Т н. Александр Васильевич Борисов Проектирование цифровых устройств на основе плис., 15.17kb.
- Методические указания к проведению лабораторной работы по курсу «Синтез автоматических, 119.17kb.
- Методические указания по выполнению лабораторной работы №12 для студентов специальности, 141.78kb.
- Методические указания по выполнению лабораторной работы №14 для студентов специальности, 187.8kb.
- Методические указания к лабораторной работе №5 по курсу "Системы передачи данных" Проектирование, 49.75kb.
- Методические указания по выполнению лабораторной работы №3 для студентов специальности, 177.77kb.
- Методические указания к выполнению лабораторной работы для студентов дневной формы, 287.23kb.
- «Вычислительная техника и информационные технологии», 19.14kb.
ФЕДЕРАЛЬНОЕ АГЕНТСТВО СВЯЗИ
Государственное образовательное учреждение
высшего профессионального образования
Московский технический университет связи и информатики
Волго-Вятский филиал
Кафедра Общепрофессиональных дисциплин
«УТВЕРЖДАЮ»
Заведующий кафедрой ОПД
доцент________ Ю.М. Туляков
ЛАБОРАТОРНАЯ РАБОТА № 1
Методические указания и описание лабораторной работы
по дисциплине "Вычислительная техника и информационные технологии"
"Исследование устройств на основе логических интегральных схем. Исследование генератора импульсов на ЛЭ"
г. Нижний Новгород – 2010 год.
Исследование устройств на основе логических интегральных схем. Исследование генератора импульсов на ЛЭ
Составитель старший преподаватель Конев А.Ю.
Издание одобрено на заседании кафедры «___» _____________ 200__ г.
Протокол № ____
Цель работы: Изучить основные способы применения логических интегральных микросхем в комбинационных устройствах для генерации импульсных сигналов.
Оборудование: Учебные стенды "Электроника"– 4 комплекта, осциллограф С1 – 83 – 4 комплекта, мультиметр цифровой – 4 комплекта.
Лабораторное задание:
1. Ознакомиться с лабораторными установками.
2. Внести в протокол паспортные данные исследуемой ИМС.
3. Исследовать работу комбинационной схемы.
4. Исследовать генератор импульсов на ЛЭ.
5.Составить отчёт по работе.
Основные теоретические сведения.
Изучить литературу и конспект лекций. При изучении литературы следует обратить внимание на то, что логические схемы лежат в основе всей цифровой техники.
В первую очередь из логических схем состоят комбинационные устройства любой сложности, например, арифметико - логические устройства микропроцессоров. Напомним, что комбинационными (цифровыми автоматами без памяти) называются цифровые устройства мгновенного действия, выходные сигналы которых определяются входными, действующими в рассматриваемый момент времени. Логические операции производятся над величинами, характеризующими взаимоисключающие понятия: есть и нет, т.е. имеющими только два значения. Для операций с логическими величинами используют двоичный код, одно из значений принимают за единицу, другое - за ноль:

В электрических схемах, реализующих логические функции, сигнал, соответствующий логической единице, представляют некоторым напряжением U1 или уровнем логической единицы и сигнал, соответствующий логическому нулю, обозначают U0. Как правило, U1>U0.
Следует помнить, что любые операции, выполняемые над логическими величинами, можно свести к комбинации трех простейших: инверсии (операции отрицания НЕ), логическому сложению - дизъюнкции (операции ИЛИ) и логическому умножению - конъюнкции (операции И). Более того, можно использовать только схемы И - НЕ или только схемы ИЛИ-НЕ.
Кроме того, логические ИМС применяются для формирования и генерации импульсных сигналов.
Формирователи импульсов (ФИ) преобразуют поступающие на их вход импульсные сигналы, изменяя один или несколько их параметров. ФИ могут быть построены с использованием только логических элементов (ЛЭ), либо на ЛЭ и R, L, С компонентах.
В состав наиболее широко применяемых ИМС серий 155 (555) и 561 входят специально разработанные формирователи (К155АГ1; К561АГ2).
Генераторы (точнее автогенераторы) являются устройствами, создающими периодические электрические сигналы с определенными параметрами (амплитудой, частотой, скважностью и т.д.) при подведении к ним постоянного питающего напряжения.
В лабораторной работе используются схемы транзистор-транзисторной логики типа 4-2И-НЕ (К155ЛА3), паспортные данные которых приведены в приложении. Как было отмечено ранее с помощью только одних схем И-НЕ можно реализовать любое комбинационное устройство. Например для реализации элемента НЕ можно использовать схему И-НЕ, в которой соединены все входы.
П

ри подготовке к лабораторной работе нарисуйте принципиальную схему устройства, состоящую из элементов 2И-НЕ и реализующую функцию 2ИЛИ-НЕ и запишите, соответствующую ей таблицу состояний (табл.23.1).
-
X1 X2 Y
0 0
0 1
1 0
1 1
Порядок выполнения работы
1. Исследовать работу комбинационной схемы.
1.1. Собрать разработанную при подготовке к работе схему, реализующую операцию 2ИЛИ-НЕ, содержащую только элементы 2И-НЕ. Подключить источник питания (номинальное напряжение питания указано в приложении). Создать поля согласно контрольным точкам. Вывод №7 вывести на отдельное поле (для подключения источника питания, осциллографа и второго источника).
Подключая входы 1 и 2 к общей точке (сигнал логического нуля) или к шине питания (сигнал соответствующий логической единице) и измеряя выходное напряжение, проверьте правильность таблицы состояний собранной схемы.
2. Исследовать генератор импульсов на ЛЭ.
2.1. Собрать устройство согласно схеме на рис.23.2.

2.2. Подключить "Вход 1" осциллографа к выходу генератора, т.е. к выводу "8" ИМС DD1. Зарисовать осциллограмму генерируемого сигнала.
2.3. Подключая "Вход П" осциллографа к разным точкам схемы, зарисовать осциллограммы 2...4 под осциллограммой 1.
2.4. Измерить с помощью осциллографа период колебаний (T) и рассчитать частоту генерируемых колебаний по формуле:

2.5. Увеличить емкость конденсатора С=1,5 мкф. Повторить измерения по п.п. 2.2. - 2.4.
2.6. Установить R=4,7 кОм. Повторить измерения по п.п.2.2. - 2.4.
3. СОДЕРЖАНИЕ ОТЧЕТА
Отчет должен содержать:
- паспортные данные исследуемой ИМС;
- схемы исследований;
- осциллограммы сигналов и их параметры.
КОНТРОЛЬНЫЕ ВОПРОСЫ
Дайте определение и составьте таблицы состояний для схем НЕ, 2И, 2ИЛИ.
- Почему схемные реализации операций И-НЕ, ИЛИ-НЕ проще, чем операции И, ИЛИ?
- Как влияют величины R и С на частоту генератора импульсов на ЛЭ рис.23.2?
- Как влияют величины R и С на длительность импульсов на выходе формирователя рис.23.3?
ПРИЛОЖЕНИЕ
Справочные данные исследуемых в лаборатории электронных приборов и интегральных микросхем
П1. Выпрямительные, импульсные и высокочастотные диоды
| Тип диода | Структура | Iпр доп, мА | Uобр доп, В | fmax, кГц | восст, мкс |
| D2 Е | Ge, точечный | 16 | 50 | | 3 |
| D2 Ж | Ge, точечный | 8 | 150 | | 3 |
| D7 Г | Ge, сплавной | 300 | 200 | 2,4 | |
| D7 Ж | Ge, сплавной | 300 | 400 | 2,4 | |
| D9 Е | Ge, точечный | 20 | 30 | | 3 |
| D104 | Si, микросплавной | 30 | 100 | 150 | 0,5 |
| D226 | Si, сплавной | 300 | 200 | 1,0 | |
| KD503A | Si, эпитаксиально-планарный | 20 | 30 | | 0,01 |
| D312 | Ge, диффузионный | 50 | 75 | | 0,7 |
П2. Стабилитроны и стабисторы
| Тип диода | Структура | Uст, В | Icм min, мА | Icм max, мА | rD, Ом |
| D814 Б | Si, сплавной | 8...9,5 | 3 | 36 | 10 |
| D814 D | Si, сплавной | 11,5...14,0 | 3 | 24 | 18 |
| КС156 Т | Si, диффузионно-сплавной | 5,6 | 1 | 22,4 | 100 |
| D219 C | Si, микросплавной стабистор | 0,57 | 1 | 50 | |
| KC113 A | Si, диффузионно-сплавной стабистор | 1,17...1,8 | 1 | 100 | 80 |
П3. Биполярные транзисторы
| Тип транзистора | Структура | h21Э | fh21Э(fT), МГц | Iк доп, мА | Uкэ доп, В | Рк доп, мВт | к, мкс | Ск(10В), пФ |
| МП37Б | n-р-n, Ge, сплавной | 20-50 | 1,0 | 20 | 15 | 150 | | 40 |
| МП39Б | р-n-р, Ge, сплавной | 20-50 | 0,5 1,5 | 20 | 20 | 150 | | 40 |
| КТ315Б | n-р-n, Si, эпитаксиально-планарный | 50-350 | (250) | 100 | 20 | 150 | 0,5 | 7 |
| КТ361Б | р-n-р, Si, эпитаксиально-планарный | 50-350 | (250) | 50 | 20 | 150 | 0,5 | 9 |
(ТР 2) МП 37 (ТР 27) КТ 315
МП 39 КТ 361

Б К Э
П4. Полевые транзисторы
| Тип транзистора | Структура | Ic доп (Ic нач) | Uси доп, В | Рс доп, мВт | Сзи, пФ | Сзс, пФ | Сси, пФ | rк, Ом | Uотс, В |
| КП103И | n-р-переходный р-канальный | (0,8-1,8) | 12 | 21 | 20 | 8 | - | 30 | 0,8-3 |
| КП103Е | ------------------------- | (0,4-1,5) | 10 | 7 | 20 | 8 | - | 50 | 0,4-1,5 |
| КП103М | ------------------------- | (5-7,5) | 10 | 120 | 20 | 8 | - | 60 | 3-5 |
| КП301Б | р-МОП, индуцированный канал | 15 | 20 | 200 | 3,5 | 1 | 3,5 | 100 | -4 |
| КП305Д | n-МОП, встроенный канал | 15 | 15 | 150 | 5 | 0,8 | 5 | 80 | -6 |
(ТР 67) КП 103 (ТР 69) КП 305 (ТР 71) КП 301

П5. Интегральные микросхемы
Все используемые в лаборатории микросхемы имеют прямоугольные пластмассовые или керамические корпуса типов 201.14.1-201.14.9 с расположением 14 выводов в 2 ряда
(
метка может быть выполнена в виде точки около первого вывода).К140УД20. Сдвоенный операционный усилитель.

1(7) - инвертирующий вход ОУ;
2(6) - неинвертирующий вход ОУ
4 - вывод для подключения источника "-Uп"
12(10) - выход ОУ
13(9) - вывод для подключения источника "+Uп"
(Цифры в скобках относятся ко второму ОУ, размещенному на этом кристалле).
К553УД2; КР1408УД1 Операционные усилители

4 - инвертирующий вход ОУ
5 - неинвертирующий вход ОУ
6 - вывод для подключения источника "-Uп"
10 - выход
11 - вывод для подключения источника "+Uп"
3, 12 - выводы для подключения цепей внешней частотной коррекции ОУ (должна быть подключена в любой схеме на основе ОУ; может не быть показана на принципиальной схеме).
Основные параметры ОУ, исследуемых в лаборатории
| Тип ОУ | Kyv 103 | Uсм, мВ | Iвх, мкА | Iвх, мкА | f1, МГц | Uv.вых, в/мкс | Кос сф дБ | Uвх, В | Uвх сф, В | Uп, В |
| К553УД2 | 20 | 7,5 | 1,5 | 0,5 | 1 | 0,5 | 70 | 10 | 10 | +(6-15) |
| К140УД20 | 50 | 5 | 0,2 | 0,05 | 0,55 | 0,3 | 70 | 12 | 11 | +(6-15) |
| для каждого ОУ | | | | | | | | | | |
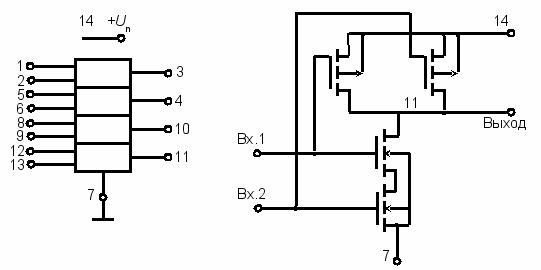
К176ЛП1 Универсальный логический элемент КМОП-структуры (при соответствующей коммутации может быть использован в качестве трех элементов НЕ, элемента НЕ с большим коэффициентом разветвления, элемента 3И-НЕ, элемента 3ИЛИ-НЕ и триггерной ячейки).

Основные электрические параметры: напряжение питания Uп=9В+5%, уровни логических сигналов U0вых 0,3В; U1вых 8,2В; потребляемый ток, мА, не более 0,3; среднее время задержки распространения 200 нс.
Работоспособность сохраняется при уменьшении напряжения питания до 5В. Допустимый диапазон входных сигналов (0 - Uп).
К176ЛА7,
К176ЛА8. 4 элемента 2И-НЕ КМОП-структуры

Принципиальная схема каждого из элементов 2И-НЕ.
Предельные и основные электрические параметры как для К175ЛП1.
