Реферат Интегральная
| Вид материала | Реферат |
СодержаниеСтоимость в гривнах Цифровые интегральные микросхемы серии к155 Предельная частота, МГц Условное графическое обозначение Функциональная схема Предельно допустимые режимы эксплуатации |
- Календарный план курса " Интегральная и волоконная оптика" на 2010-2011 учебный год, 85.27kb.
- Качество прогноза интегральная характеристика, 34kb.
- Темы курсовых работ по теории и организации афк адаптивная физическая культура новая, 33.2kb.
- Горячевская Е. С, 133.53kb.
- Интегральная (объединяющая) технология обучения, 152.5kb.
- Вопросы к экзамену по дисциплине «Разработка управленческого решения», 39.97kb.
- Модель компетенций, 366.32kb.
- Краткое содержание лекций Лекция 1 2002 г. (общие принципы Интегральной Йоги) Что такое, 8.51kb.
- “интегральная микросхема кр1533ТВ6”, 189.16kb.
- Интегральная оценка конкурентоспособности регионов, 215.05kb.
8.Сравниваются заданные значения вероятности безотказной работы и расчетные. Если Рзад>Ррасч, то необходимо принять меры для повышения надежности: упрощение схемы, применение более надежных элементов, облегчение режимов работы системы, резервирование системы.
Экономический расчет.
Для расчета себестоимости блока составляется калькуляция. Расчет суммы затрат на материалы производится по формуле:
где
— стоимость покупных изделий необходимых для изготовления блокаm—количество деталей и материалов, необходимых для изготовления изделия.
| № п/п | Наименование деталей и материалов | Количество | Стоимость в гривнах | |
| Одного изделия | Сумма | |||
| 1 | Печатная плата | 1 | 1 | 1 |
| 2 | Микросхема К555ИЕ3 | 1 | 2 | 2 |
| 3 | Микросхема КМ555ИД18 | 1 | 2 | 2 |
| 4 | Семисегментный индикатор | 1 | 3 | 3 |
| 6 | Упаковка | 1 | 1 | 1 |
| Количество общее | 5 | Сумма | 9 | |
Калькуляция себестоимости производства блока представлена в таблице 2.
| № п/п | Статья калькуляции | Сумма затрат |
| 1 | Материалы и детали | 9 |
| 2 | Тарифная зарплата рабочих | 5 |
| 3 | Отчисление на сцстрахование | 0,7 |
| 4 | Содержание и эксплуатация оборудования | 9 |
| 5 | Общецеховые расходы | 6 |
| 6 | Цеховая себестоимость | 15 |
| 7 | Общезаводские расходы | 0,05 |
| 8 | Заводская производственная себестоимость | 15,05 |
| 9 | Все производственные расходы | 0,4515 |
| 10 | Полная себестоимость | 15,5015 |
| 11 | Себестоимость за вычетом материальных затрат | 6,5015 |
| 12 | Норматив рентабельности | 2,275525 |
| 13 | Прибыль | 0,08777025 |
| 14 | Оптовая цена изделия | 19,5237025 |
Цена одного изделия составляет около 20 грн.Справочные данные
ЦИФРОВЫЕ ИНТЕГРАЛЬНЫЕ МИКРОСХЕМЫ СЕРИИ К155
ОБЩИЕ СВЕДЕНИЯ
Отечественная промышленность выпускает обширную номенклатуру интегральных микросхем (ИС). Широкое применение для построения устройств автоматики и вычислительной техники находят цифровые ИС серии К155, которые изготовляются по стандартной технологии биполярных ИС транзистор-но-транввстарной логики (ТТЛ). Номенклатура ИС серии КШ5 составляет около 100 наименований.
Все ИС серии КД55 имеют напряжение питания 5 В±5%. Интегральные микросхемы выпускаются в пластмассовых корпусах трех типов, отличающихся количеством выводов (14, 16, 24) и размерами, и имеют диапазон рабочих температур от — 10 до +70° С. Часть микросхем выпускается также в керамических корпусах и имеет обозначение К.М155. Температурный диапазон микросхем в керамических корпусах — от — 45 до +85° С.
Интегральные микросхемы серии К155 имеют выходной уровень логического 0 не более 0,4 В (типовое значение 0,1 — 0,2 В), выходной.уровень логической 1 не менее 2,4 В (типовое значение 3,2 — 3,5 В), типовую нагрузочную способность — 10.
В табл. 1 приведены значения потребляемой мощности, предельной частоты тактовых импульсов, а также число выводов корпуса и разводка выводов питания рассматриваемых ниже микросхем.
При проектировании цифровых приборов следует иметь в виду, что фактическое быстродействие триггеров и счетчиков превышает указанное в табл. 1 в 1,5 — 2 раза, а потребляемая мощность в среднем в 1,5 — 2 раза меньше предельной, указанной в таблице.
При разработке принципиальных схем различных устройств всегда возникает вопрос: что делать с неиспользуемыми входами интегральных микросхем. Для ИС ТТЛ, к которым относятся ИС серии К155, возможно несколько вариантов. Во-первых, неиспользуемые входы микросхем можно никуда не подключать
[Для ИС некоторых серий (К533, К555, К530, К531 и др.) оставлять входы неподключенными не допускается.], т. е. подпаивать к контактной площадке минимальных размеров, к которой (это важно) не подключены проводники. При таком варианте несколько уменьшается быстродействие микросхем. Во-вторых, возможно подключение неиспользуемых входов к используемым входам того же элемента, но это несколько увеличивает нагрузку (в основном емкостную) на микросхему — источник сигнала, что также снижает быстродействие. Неиспользуемые входы J триггеров можно подключать к инверсным выходам тех же триггеров, а К — к прямым. Это очень удобно, так как указанные выводы триггеров обычно расположены рядом. Можно подключать неиспользуемые 1входы к выходу неиспользуемого элемента И — НЕ, входы которого при этом надо соединить с общим проводом. Наконец, можно объединять неиспользуемые входы ИС и подключать их к источнику питания +5 В через резистор 1 кОм (до 20 входов к одному резистору). Последние два способа не снижают быстродействия ИС.Таблица 1
| Обозначение, ИС | Потребляемая мощность, мВт | Предельная частота, МГц | Число выводов корпуса | Выводы питания | |
| + 5 В | Общ. | ||||
| К155ТВ1 | 105 | 10 | 14 | 14 | 7 |
| К155ТМ2 | 157,5 | 10 | 14 | 14 | 7 |
| К155ТМ5 | 265 | — | 14 | 4 | 11 |
| К155ТМ7 | 265 | — | 16 | 5 | 12 |
| К155ИЕ1 | 150 | 10 | 14 | 14 | 7 |
| К155ИЕ2 | 265 | 10 | 14 | 5 | 10 |
| К155ИЕ4 | 255 | 10 | 14 | 5 | 10 |
| К155ИЕ5 | 265 | 10 | 14 | 5 | 10 |
| К155ИЕ6 | 510 | 15 | 16 | 16 | 8 |
| К155ИЕ7 | 510 | 15 | 16 | 16 | 8 |
| К155ИЕ8 | 600 | 15 | 16 | 16 | 8 |
| К155ИР1 | 410 | 10 | 14 | 14 | 7 |
| К155ИД1 | 132 | — | 16 | 5 | 12 |
| К155ИДЗ | 250 | — | 24 | 24 | 12 |
| К155ИД4 | 210 | — | 16 | 16 | 8 |
| К155КП1 | 360 | — | 24 | 24 | 12 |
| К155КП2 | 315 | — | 16 | 16 | 8 |
| К165КП5 | 230 | — | 14 | 14 | 7 |
| К155КП7 | 260 | — | 16 | 16 | 8 |
| К155ЛП5 | 262,5 | — | 14 | 14 | 7 |
| К155ИП2 | 294 | — | 14 | 14 | 7 |
| К155ИМ1 | 175 | | 14 | 14 | 7 |
| К155ИМ2 | 290 | | 14 | 4 | 11 |
| К155ИМЗ | 640 | — | 16 | 5 | 12 |
Недопустимо подключать ко входу ИС проводник, который во время работы может оказаться неподключенным к выходу источника сигнала, например, при управлении от кнопки или переключателя. Такие проводники обязательно следует подключать к источнику +6 В через резистор 1 — .1(0 кОм.На печатных платах с использованием ИС серии К155 необходима установка блокировочных конденсаторов между цепью +5 В и общим проводом. Их количество определяется одним-двумя конденсаторами емкостью 0,033 — 0,047 мкФ на каждые десять микросхем. Конденсаторы следует располагать на плате по возможности равномерно. Их следует также установить рядом со всеми ИС с мощным выходом (например, К155ЛА6) или с потребляемой мощностью более 0,5 Вт.
Цифровые ИС по своим функциям делятся на два широких класса — комбинационные и последовательностные. К первому классу относятся ИС, не имеющие внутренней памяти, состояние выходов этих ИС однозначно определяется уровнями входных сигналов в данный момент времени.
Ко второму классу относятся ИС, состояние выходов которых определяется не только уровнями входных сигналов в данный момент времени, но и состоянием ИС в предыдущий момент из-за наличия внутренней памяти.
К комбинационным ИС серии К155 относятся простые логические элементы И — НЕ, И — ИЛИ — НЕ, НЕ, ИЛИ — НЕ, И, ИЛИ, имеющие в своем обозначении буквы ЛА (К155ЛАЗ), ЛР (К155ЛР1), ЛН (К155ЛН1), ЛЕ (К155ЛЕ1), ЛИ (К155ЛИ1), ЛЛ (К155ЛЛ1), более сложные элементы — дешифраторы (К155ИД1, К155ИДЗ, КИ55ИД4), мультиплексеры (К155КП1, К155КП2, К155КП5, К.155КП7), сумматоры по модулю 2 (К155ЛП5, К155ИП2), полные сумматоры (КЛ55ИМ1, К155ИМ2, К155ИМЗ), а также
некоторые другие.К последовательностным ИС относятся триггеры (К155ТВ1, К155ТМ2, К155ТМ5, К155ТМ7), счетчики (К155ИЕ1 — К155ИЕ8), сдвигающие регистры (К155ИР1) и др.
Работа логических элементов достаточно проста — для элементов И выходной уровень логической 1 формируется при подаче на все входы элемента уровней логической 1, для элемента ИЛИ для формирования уровня логической 1 на выходе достаточно подачи хотя бы на один вход уровня логической 1. Элементы И — НЕ (основной элемент серии К155) и ИЛИ — НЕ дополнительно инвертируют выходной сигнал, элемент И — ИЛИ — НЕ состоит из нескольких элементов И, выходы которых подключены ко входам элемента ИЛИ — НЕ.
Изучение работы более сложных ИС серии К155 удобно начать с микросхем последовательностного типа.
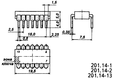
Микросхемы представляет собой двоичный счетчик. Каждая ИС состоит из четырех JK-триггеров,образуя счетчик делитель на 2 и 8. Установочные входы обеспечивают прекращение счета и одновременно возвращают все триггеры в состояние низкого уровня (на входы R0(1) и R0(2) подается высокий уровень). Выход Q1 не соединен с последующими триггерами. Если ИС используется как четырехразрядный двоичный счетчик, то счетные импульсы подаются на С1, а если как трехразрядный - то на вход С2. Корпус К155ИЕ5 типа 201.14-1, КМ155ИД5 типа 201.14-8.
Корпус ИМС К155ИЕ5

Корпус ИМС КМ155ИЕ5
Условное графическое обозначение

1 - вход счетный С2;
2 - вход установки 0 R0(1); 3 - вход установки 0 R0(2);
4,6,7,13 - свободные; 5 - напряжение питания +Uп;
8 - выход Q3; 9 - выход Q2;
10 - общий; 11 - выход Q4;
12 - выход Q1; 14 - вход счетный C1;
Функциональная схема


Электрические параметры
| 1 | Номинальное напряжение питания | 5 В 5 % |
| 2 | Выходное напряжение низкого уровня при Uп=4,75 В | не более 0,4 В |
| 3 | Выходное напряжение высокого уровня при Uп=4,75 В | не менее 2,4 В |
| 4 | Напряжение на антизвонном диоде при Uп=4,75 В | не менее 1,5 В |
| 5 | Входной ток низкого уровня по входам установки в 0 при Uп=5,25 В | не более -1,6 мА |
| 6 | Входной ток низкого уровня по счетным входам С1 и С2 при Uп=5,25 В | не более -3,2 мА |
| 7 | Входной ток высокого уровня по входам установки в 0 при Uп=5,25 В | не более -0,04 мА |
| 8 | Входной ток высокого уровня по счетным входам С1 и С2 при Uп=5,25 В | не более 0,08 мА |
| 9 | Ток входного пробивного напряжения по входам установки в 0 и счетным входам С1 и С2 | не более 1 мА |
| 10 | Ток потребления | не более 53 мА |
| 11 | Время задержки распространения при включении по счетному входу С1 при Uп=5 В | не более 135 нс |
| 12 | Время задержки распространения при выключении по счетному входу С1 при Uп=5 В | не более 135 нс |
| 13 | Ток короткого замыкания приUп=5,25 В | -18...57 мА |
Предельно допустимые режимы эксплуатации
| 1 | Напряжение питания | не более 6 В |
| 2 | Минимальное напряжение на входе | -0,4 В |
| 3 | Максимальное напряжение на входе | 5,5 В |
| 4 | Минимальное напряжение на выходе | -0,3 В |
| 5 | Максимальное напряжение на выходе закрытой ИС | 5,25 В |
| 6 | Температура окружающей среды К155ИЕ5 КМ155ИЕ5 | -10...+70 ° C -45...+85 ° C |
Вывод:В ходе выполнения курсового проекта приобрел навыки построения электронных схем по булевым выражениям. Были исследованы различные типы производственных цифровых логических и функциональных микросхем таких как логические элементы И, ИЛИ, НЕ, ИЛИ-НЕ, И-НЕ, дешифраторов, шифраторов мультиплексоры и т.д.
В результате выполнения заданий были построены принципиальные схемы с использованием цифровых микросхем. При построении использовались некоторые справочные материалы по этим устройствам, вследствие этого были приобретены навыки пользования различной схемотехнической литературой.
Поставленная задача была выполнена.
Список использованной литературы:- В.Л.Шило «Популярные цифровые микросхемы»
- С.А.Бирюков «Цифровые устройства на интегральных микросхемах»
- dia.org
- О.Н.Партала «Цифровая электроника»
- Н.А.Елагин,А.В.Ростов «конструкции и технологии в помощь радиолюбителям электроники»

Наименование деталей и материалов
5 %