В. Н. Шивринский проектирование информационных систем тесты
| Вид материала | Тесты |
- М. В. Красильникова проектирование информационных систем раздел: Теоретические основы, 1088.26kb.
- Учебно-методический комплекс дисциплины проектирование информационных систем Для студентов, 466.59kb.
- В. Н. Шивринский проектирование информационных систем учебно-методический комплекс, 2161.05kb.
- Учебная программа дисциплины сд. Ф. 01 Проектирование информационных систем, 130.91kb.
- Лекция: Основные понятия технологии проектирования информационных систем (ИС): Предмет, 189.07kb.
- Название научной школы, направлений, 378.51kb.
- Дисциплина по выбору студента «Лингвистическое обеспечение информационных систем» Для, 20.86kb.
- Методические рекомендации по выполнению курсовой работы по курсу «Проектирование информационных, 76.85kb.
- Учебно-методический комплекс дисциплины проектирование информационных систем Специальность, 449.6kb.
- «Проектирование информационных, вычислительных и автоматизированных систем», 94.77kb.
5.3.1. Какую информацию выдает основное оборудование системы инструментальной посадки?
1) О траектории посадки в горизонтальной и вертикальной плоскостях, а также о расстоянии до ВПП.
2) О высоте полета и пеленге радиостанции.
3) О высоте полета и пеленге самолета.
5.3.2. На каком методе основан принцип действия курсового радиомаяка СП-50М?
1) На методе максимума.
2) На равносигнальном методе.
3) На методе минимума глубины амплитудной модуляции.
5.3.3. Укажите диаграмму направленности антенной системы курсового радиомаяка СП-50М.

5.3.4. Каким образом в курсовом приемнике СП-50М происходит разделение сигнала переменной фазы и сигнала поднесущей частоты?
1) После усиления и детектирования сигналы разделяются фильтрами; один фильтр настроен на частоту 60 Гц и выделяет сигнал, несущий информацию об угле рассогласования; второй фильтр настроен на частоту 10 кГц и выделяет частотно-модулированную поднесущую.
2) После усиления и детектирования сигналы поступают на частотный (ЧД) и фазовый (ФД) детекторы; фазовый детектор выделяет сигнал переменной фазы; частотный детектор выделяет сигнал поднесущей частоты.
3) Содержащиеся в продетектированном сигнале составляющие с частотами 90 и 150 Гц выделяются фильтрами; один фильтр настроен на частоту 90 Гц и выделяет сигнал, несущий информацию об угле рассогласования; второй фильтр настроен на частоту 150 Гц и выделяет частотно-модулированную поднесущую.
5.3.5. Электромагнитные колебания какой несущей частоты излучают антенны глиссадного радиомаяка СП-50М ?
1) Обе антенны излучают сигналы одной несущей частоты (порядка 300 МГц), отличающиеся частотами модуляции.
2) Глиссадный канал работает на частоте около 110 МГц; антенная система маяка одновременно формирует в пространстве две диаграммы направленности; одна диаграмма создается на несущей частоте, промодулированной по амплитуде колебаниями поднесущей частоты 10 кГц; другая диаграмма создается на боковых частотах спектра высокочастотного колебания, балансно-модулированного напряжением с частотой 60 Гц.
3) Глиссадный канал работает на частоте 75 МГц; антенная система излучает высокочастотные колебания, которые модулируются напряжением с частотой 400, 1300 или 3000 Гц и манипулируются последовательностью точек или тире.
5.3.6. Каким образом передается опорный сигнал постоянной фазы в курсовом радиомаяке СП-50М ?
1) Высокочастотный сигнал, излучаемый центральным лепестком, модулируется по амплитуде опорным напряжением постоянной фазы частотой 60 Гц.
2) В боковых лепестках излучаются балансно-модулированные колебания, частота модуляции у них одна и та же (60 Гц), однако фазы высокочастотных колебаний лепестков отличаются на 180O; сигнал одного из боковых лепестков используется в качестве опорного.
3) Высокочастотный сигнал, излучаемый центральным лепестком, модулируется по амплитуде сигналом поднесущей частоты 10 кГц, который модулируется по частоте опорным напряжением.
5.3.7. Какой вид имеет диаграмма направленности антенны маркерного радиомаяка?
1) Антенна маркерного радиомаяка имеет диаграмму в виде восьмерки с двумя резко выраженными минимумами.
2) Антенна маркерного радиомаяка имеет диаграмму направленности, состоящую из двух пересекающихся лепестков; направление пересечения совпадает с осью антенной системы.
3) Антенна маркерного радиомаяка имеет диаграмму в виде направленной вверх воронки.
5.3.8. От чего зависит значение и полярность напряжения на выходе фазового детектора (ФД) курсового приемника СП-50М ?
1) Значение напряжения с ФД зависит от фазы модулирующего сигнала на выходе приемника, т. е. от знака углак, а полярность - от значения углак.
2) Значение напряжения с ФД зависит от амплитуды сигнала с рамочной антенны, т. е. от значения углак, а полярность - от фазы сигнала рамочной антенны, т. е. от знака углак.
3) Значение напряжения с ФД зависит от глубины модуляции сигнала на входе приемника, т. е. от углак, а полярность - от знака углак.
5.3.9. При каких метеорологических условиях и до какой высоты обеспечивается заход на посадку с помощью системы инструментальной посадки Ш категории?
1) Система Ш категории обеспечивает управление самолетом при заходе на посадку до высоты 60 м над поверхностью Земли при видимости на ВПП не менее 800 м.
2) Система Ш категории должна обеспечить посадку с приземлением при значительном ограничении или отсутствии видимости Земли.
3) Система Ш категории предназначена для управления самолетом при заходе на посадку до высоты 30 м при видимости на ВПП не менее 400 м.
5.3.10. При каких метеорологических условиях и до какой высоты обеспечивает заход на посадку система инструментальной посадки I категории?
1) Система I категории обеспечивает управление самолетом при заходе на посадку до высоты 60 м над поверхностью Земли при видимости на ВПП не менее 800 м.
2) Система I категории предназначена для управления самолетом при заходе на посадку до высоты 30 м при видимости на ВПП не менее 400 м.
3) Система I категории предназначена для управления самолетом при заходе на посадку при значительном ограничении или отсутствии видимости Земли.
5.3.11. При каких метеорологических условиях и до какой высоты обеспечивает заход на посадку система инструментальной посадки П категории?
1) Система П категории предназначена для управления самолетом при заходе на посадку до высоты 30 м при видимости на ВПП не менее 400 м.
2) Система П категории обеспечивает управление самолетом при заходе на посадку до высоты 60 м над поверхностью Земли при видимости на ВПП не менее 800 м.
3) Система П категории должна обеспечить посадку с приземлением при значительном ограничении или отсутствии видимости Земли.
5.3.12. Каким образом в глиссадном приемнике СП-50М происходит разделение сигналов, излучаемых верхним и нижним лепестками радиомаяка?
1) После усиления и детектирования сигналы разделяются фильтрами; один фильтр настроен на частоту 60 Гц и выделяет сигнал, несущий информацию об угле рассогласования; второй фильтр настроен на частоту 10 кГц и выделяет частотно-модулированную поднесущую.
2) После усиления и детектирования сигналы поступают на частотный и фазовый детекторы; фазовый детектор выделяет сигнал переменной фазы; частотный - сигнал поднесущей частоты.
3) Содержащиеся в продетектированном сигнале составляющие с частотами 90 и 150 Гц выделяются фильтрами Ф90 и Ф150.
5.3.13. Какой прибор используется в качестве указателя курсового и глиссадного каналов СП-50М ?
1) Магнитоэлектрический гальванометр с нулем в центре шкалы.
2) Магнитоэлектрический логометр с подвижным магнитом.
3) Сельсин, работающий в индикаторном режиме.
5.3.14. На каком методе основан принцип действия глиссадного радиомаяка СП-50М ?
1) На методе максимума.
2) На равносигнальном методе.
3) На методе минимума глубины амплитудной модуляции.
5.3.15. От чего зависит значение и полярность напряжения на выходе вычитающего устройства (ВУ) глиссадного приемника системы инструментальной посадки СП-50М ?
1) Значение напряжения с ВУ зависит от амплитуды сигнала с рамочной антенны, т. е. от значения углаг, а полярность - от фазы сигнала, т. е. от знака углаг.
2) Значение напряжения зависит от значения угла рассогласования по глиссадег, а полярность - от знака г.
3) Значение напряжения с ВУ зависит от глубины модуляции сигнала на входе приемника, т. е. от углаг, а полярность - от знака углаг.
5.3.16. В каком диапазоне частот работает система инструментальной посадки СП-50М?
1) 75300 МГц. 2) 30300 кГц. 3) 0.33 МГц.
5.3.17. Каким образом в курсовом приемнике СП-50М из сигнала поднесущей частоты выделяется опорное напряжение постоянной фазы?
1) В фазовом детекторе из поднесущей выделяется опорное напряжение, которое поступает на частотный детектор.
2) В частотном детекторе из поднесущей выделяется опорное напряжение, которое поступает на фазовый детектор.
3) После усиления и детектирования сигналы разделяются фильтрами; один фильтр настроен на частоту 60 Гц, который выделяет опорное напряжение постоянной фазы из сигнала поднесущей частоты.
5.3.18. В каких параметрах электромагнитного поля, создаваемого антенной системой курсового радиомаяка СП-50М, заключена информация о значении и знаке углового отклонения самолета от линии курса посадки?
1) В курсовой части СП-50М используется равносигнальный метод; обе антенны излучают сигналы одной несущей частоты, отличающиеся частотами модуляции (90 и 150 Гц); значение угла отклонения зависит от разности сигналов 90 и 150 Гц, а знак - от того, какой из сигналов (90 или 150 Гц) преобладает.
2) В амплитуде излучаемого сигнала заключена информация об угле рассогласования, а информация о знаке угла - в его фазе.
3) В результате сложения полей центрального и боковых облучателей образуются амплитудно-модулированные колебания, глубина модуляции которых зависит от значения углового отклонения точки приема от линии курса, а фаза огибающей - от знака этого отклонения.
5.3.19. Какое значение может принимать фаза модулирующего сигнала (сигнал переменной фазы) на входе приемника курсового канала СП-50М ?
1) Фаза модуляции принимает два фиксированных значения 0 и 180O и зависит от знака углак.
2) Фаза модуляции изменяется от 0 до 360O при изменении курса от 0 до 360O.
3) Фаза модулирующего сигнала на входе приемника курсового канала изменяется в пределах15O.
5.3.20. Каким образом происходит опознание ближнего, среднего и дальнего маркерных радиомаяков?
1) По коду манипуляции и частоте модуляции.
2) По виду модуляции и частоте несущего сигнала.
3) По наличию сигналов частоты 90 или 150 Гц и фазе сигнала поднесущей частоты 10 кГц.
5.3.21. Электромагнитные колебания какой несущей частоты излучают антенны курсового радиомаяка СП-50М ?
1) Все антенны КРМ излучают электромагнитные колебания, имеющие одинаковую несущую частоту (порядка 110 МГц).
2) Центральный лепесток излучает сигнал частотой 10 кГц, боковые лепестки - 60 Гц.
3) Один лепесток излучает сигнал 90 Гц, второй - 150 Гц.
5.3.22. Какого вида электромагнитные колебания излучаются боковыми лепестками антенной системы курсового радиомаяка СП-50М ?
1) В курсовой части системы посадки СП-50М используется равносигнальный метод; в боковых лепестках излучаются балансно-модулированные колебания, частота модуляции у них 45 и 75 Гц.
2) В боковых лепестках излучаются балансно-модулированные колебания, частота модуляции у них одна и та же (60 Гц), однако фазы высокочастотных колебаний лепестков отличаются на 180O.
3) Боковыми лепестками излучается высокочастотный сигнал, промодулированный по амплитуде сигналом поднесущей частоты 10-кГц, который модулируется по частоте сигналом 60 Гц.
5.4. Радиотехническая система ближней навигации РСБН-2
5.4.1. Когда измеритель азимута РСБН-2 переходит из режима поиска в режим сопровождения?
1) При совпадении импульсов ССГ (а следовательно, и азимутального импульса) с узким стробом.
2) При совпадении импульсов серий «35» и «36».
3) Режим поиска продолжается до тех пор, пока на второй каскад совпадения одновременно не поступят импульс ответа с приемника и поисковый импульс; первый из них, пройдя каскад совпадений, запускает генератор сигнальных импульсов; сигнальные импульсы поступают в счетно-запоминающий каскад; когда на последний поступят подряд 10-12 импульсов, срабатывает реле переключения режимов.
5.4.2. Какое назначение широкого строб-импульса измерителя азимута РСБН-2 ?
1) Широкий строб-импульс на самолете запускает передатчик и одновременно включает измеритель времени.
2) Широкий строб-импульс предназначен для ускорения поиска азимутального импульса.
3) С помощью этого импульса получается сигнал ошибки Uош = Uпд - Uо = Uо.
5.4.3. Какую длительность имеет узкий строб ГУС РСБН-2 ?
1) Узкий строб имеет постоянную длительность, соответствующую 3.5O.
2) Узкий строб имеет постоянную длительность, соответствующую 4.5O.
3) Длительность ГУС зависит от временного рассогласования азимутального и ближайшего к нему импульса последовательности «36», поступающего с формирующего каскада; при этом имеется остаточное рассогласование 2.25O, которое учитывается при градуировке измерителя.
5.4.4. Какие приборы используются в качестве указателей азимута в системе РСБН-2 ?
1) Информация на указатель азимута выдается в аналоговой форме с помощью двухканальной сельсинной передачи, работающей в трансформаторном режиме.
2) Информация на указатель азимута выдается в аналоговой форме с помощью двухканальной сельсинной передачи, работающей в индикаторном режиме.
3) Информация на указатель азимута выдается в аналоговой форме с помощью потенциометрической дистанционной передачи; в качестве указателя используется магнитоэлектрический логометр с подвижным магнитом.
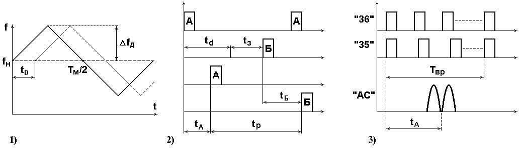
5.4.5. Укажите временные диаграммы сигналов угломерного канала (опорных и азимутальных) на выходе самолетного приемника азимутально-дальномерной системы ближней навигации.

5.4.6. Какой метод реализует схема угломерного канала РСБН-2 ?
1) Амплитудный. 2) Фазовый. 3) Временной.
5.4.7. Зависит ли время приема совпадающих импульсов (серий «35» и «36» РСБН-2) от углового положения самолета относительно радиомаяка?
1) Время приема совпадающих импульсов to не зависит от углового положения самолета относительно радиомаяка.
2) Момент приема совпадающих импульсов с азимутом самолета в системе РСБН-2 связан следующим выражением t = to + A/вр.
3) Время приема совпадающих импульсов серии «35» зависит от углового положения самолета относительно радиомаяка, а серии «36» - не зависит.
5.4.8. До каких пор продолжается режим поиска в измерителе дальности РСБН-2 ?
1) До момента совпадения импульса ССГ (а следовательно, и азимутального импульса) с узким стробом.
2) Пока на второй каскад совпадения одновременно не поступят импульс ответа с приемника и поисковый импульс; первый из них, пройдя каскад совпадений, запускает генератор сигнальных импульсов; сигнальные импульсы поступают в счетно-запоминающий каскад; когда на последний поступят подряд 10–12 импульсов, срабатывает реле переключения режимов.
3) До момента совпадения импульсов серий «35» и «36».
5.4.9. В какой момент времени генератор ГУС системы РСБН-2 прекращает работу?
1) Выделенное с помощью интегратора синусоидальное напряжение с частотой Fвр срывает колебания генератора узкого строб-импульса.
2) Если азимутальный импульс не совпадает с широким стробом, то при поступлении азимутального импульса срабатывает старт-стопный генератор ССГ, который генерирует импульс постоянной длительности, соответствующий 4.5O; с помощью этого импульса срываются колебания генератора ГУС.
3) Генератор ГУС прекращает работу по поступлении сигнала с формирователя импульсов, напряжение на который подается с точного фазовращателя.
5.4.10. В какой момент происходит совпадение одного из импульсов серии «35» с одним из импульсов серии «36» угломерного канала РСБН-2 ?
1) В момент совмещения оси симметрии диаграммы направленности вращающейся антенны радиомаяка с направлением на самолет.
2) В момент совмещения оси симметрии диаграммы направленности вращающейся антенны радиомаяка с северным направлением меридиана.
3) В момент совмещения оси симметрии рамочной антенны радиокомпаса с направлением на радиостанцию.
5.4.11. Чему равно напряжение пикового детектора РСБН-2 в режиме поиска, когда азимутальный импульс не совпадает с широким стробом?
1) UO. 2) 2UO. 3) 0.
5.4.12. Какие сигналы действуют на входе временного дискриминатора (ВД) измерителя дальности РСБН-2 в режиме сопровождения?
1) На ВД действуют сигнальные импульсы и напряжение Uоп с фазовращателя.
2) На ВД действуют селекторные импульсы и импульсы с формирователя ФИ-2, задержка которых во времени зависит от положения ротора фазовращателя ФВ.
3) На ВД действуют импульсы поисковые и ответные импульсы с приемника.
5.4.13. От чего зависит длительность импульса ССГ РСБН-2 в режиме сопровождения?
1) Импульс ССГ имеет постоянную длительность, соответствующую 4.5O.
2) Генератор ССГ прекращает работу по поступлении сигнала с формирователя импульсов, напряжение на который подается с точного фазовращателя; срыв колебаний генератора ССГ обеспечивается всегда одним и тем же импульсом и узкий строб имеет постоянную длительность (соответствующую 3.5O).
3) Длительность импульса ССГ зависит от временного рассогласования азимутального и ближайшего к нему импульса последовательности «36», поступающего с формирующего каскада.
5.4.14. Из какого условия выбирается период опорного напряжения, вырабатываемого опорным генератором с кварцевым стабилизатором (ГО) измерителя дальности РСБН-2?
1) Tоп соответствует дальности до ответчика, равной 10 км.
2) Tоп выбирается из условия совпадения одного из импульсов серий «35» и «36».
3) Tоп выбирается таким образом, чтобы в фазовом детекторе образовался сигнал разностной частоты Fвр = F36 - F35.
5.4.15. Измерение какого навигационного параметра осуществляется блоком «БИА» РСБН-2 ?
1) Азимута радиостанции. 2) Курсового угла радиостанции.
3) Азимута самолета.
5.4.16. Укажите диаграммы направленности антенной системы радиомаяка угломерного канала РСБН-2.

5.4.17. На какое время в измерителе дальности РСБН-2 поисковый импульс (ПИ) сдвинут относительно импульса запроса (ИЗ) ?
1) На период опорного напряжения Tоп, а в пересчете на дальность - 10 км.
2) В измерителе дальности положение ПИ относительно ИЗ зависит от временного рассогласования азимутального и ближайшего к нему импульса последовательности «36», поступающего с формирующего каскада.
3) ПИ сдвинут во времени относительно ИЗ на время, равное сумме задержки в фантастроне и задержки, задаваемой фазовращателем, и всегда привязан к переднему фронту одного из импульсов, сформированных из напряжения Uоп.
5.4.18. По какому принципу построен дальномерный канал РСБН-2 ?
1) По принципу импульсных радионавигационных устройств, у которых информация об измеряемом навигационном параметре содержится во временной задержке одного импульсного сигнала относительно другого.
2) По принципу амплитудных радионавигационных устройств, у которых информация об измеряемом навигационном параметре содержится в амплитуде принимаемого сигнала.
3) По принципу фазовых радионавигационных устройств, у которых информация о навигационном параметре содержится в фазе принимаемого сигнала.
5.4.19. Каким образом осуществляется запуск генератора селекторных импульсов (ГИСел) РСБН-2 ?
1) Задний фронт импульса фантастрона (изменяющий свое положение на оси времени) служит для запуска ГИСел.
2) Выделенное с помощью интегратора синусоидальное напряжение с частотой Fвр служит для запуска ГИСел.
3) Из азимутального сигнала в преобразователе (ВП) формируется импульс, передний фронт которого соответствует моменту минимума ДНА радиомаяка через точку приема; передний фронт этого импульса служит для запуска ГИСел.
5.4.20. Каким образом происходит запуск генератора узкого строб-импульса (ГУС) РСБН-2 ?
1) Выделенное с помощью интегратора синусоидальное напряжение с частотой Fвр запускает генератор узкого строб-импульса.
2) Задний фронт импульса фантастрона (изменяющий свое положение на оси времени) служит для запуска генератора узкого строб-импульса.
3) Из азимутального сигнала в преобразователе (ВП) формируется импульс, передний фронт которого соответствует моменту минимума ДНА радиомаяка через точку приема; передний фронт этого импульса служит для запуска генератор узкого строб-импульса.
5.4.21. Каким образом в схеме измерителя азимута РСБН-2 получается сигнал, частота которого равна частоте вращения диаграммы направленности антенны радиомаяка?
1) В фазовом детекторе образуется сигнал разностной частоты Fвр = F36 - F35.
2) Принятый на самолете сигнал детектируется и подается на фильтры Ф1 и Ф2, разделяющие частоты и 9.
3) В частотном детекторе из поднесущей выделяется опорный сигнал, частота которого равна частоте вращения диаграммы направленности антенны радиомаяка.
5.4.22. Каким образом на борту самолета (в системе РСБН-2) фиксируется момент, когда ось симметрии диаграммы направленности вращающейся антенны радиомаяка проходит через северное направление магнитного меридиана?
1) По максимальному значению амплитуды принимаемого сигнала.
2) По времени совпадения одного из импульсов серий «35» и «36».
3) По минимуму глубины амплитудной модуляции принимаемого сигнала.
5.4.23. Чему равно остаточное рассогласование в азимутальном канале РСБН-2 в установившемся режиме при прекращении сопровождения?
1) 2.25O. 2) 3.5O. 3) 4.5O.
5.4.24. Каким образом происходит опознавание самолетов с помощью РСБН-2 ?
1) Опознавание самолетов осуществляется по промежутку времени между моментом совпадения импульсов «35» и «36» и моментом прохождения оси симметрии диаграммы направленности вращающейся антенны через точку, где находится самолет.
2) Опознавание самолетов осуществляется по промежутку времени между моментом излучения запросного импульса и моментом приема ответного сигнала.
3) Опознавание самолетов осуществляется на экране ИКО с помощью кодирования ответных сигналов.
5.4.25. С какой точностью измеряется дальность системой РСБН-2 в режиме поиска?
1) Измеритель определяет десятикилометровый интервал, в котором находится ответный сигнал.
2) Точность дальномерного канала200 м.
3) В установившемся режиме напряжение пикового детектора равно UO, при этом имеется остаточное рассогласование 2.25O.
5.4.26. Чему равно напряжение на выходе схемы вычитания (сигнал ошибки) РСБН-2, если в режиме поиска азимутальный импульс не совпадает с широким стробом?
1) Uош = - Uо. 2) Uош = Uо. 3) Uош = 2Uо.
5.4.27. Какой ответчик используется в канале дальности РСБН-2 ?
1) Активный.
2) Пассивный.
3) Ретранслятор в дальномерном канале РСБН-2 не используется.
5.4.28. Чему равно напряжение пикового детектора РСБН-2 в режиме сопровождения?
1) Напряжение пикового детектора в режиме сопровождения меньше 2Uо, но больше Uо.
2) Напряжение пикового детектора в режиме сопровождения равно 2Uо.
3) Напряжение пикового детектора в режиме сопровождения равно 0.
5.4.29. Чему соответствует полный оборот ротора фазовращателя (ФВ) измерителя дальности РСБН-2 ?
1) Временному сдвигу синусоиды на период Tоп, а в пересчете на дальность - 10 км.
2) Грубому определению азимута с точностью до десятиградусного интервала.
3) Смещению импульса генератора ГУС по временной оси с коэффициентом скорости Vг =ФВГвр.
5.4.30. Почему коэффициент деления частоты в делителе частоты (ДЧ) РСБН-2 сделан нестабильным?
1) С целью упрощения конструкции прибора, когда используется генератор без кварцевой стабилизации.
2) Случайность периода следования импульсов запроса (ИЗ) уменьшает вероятность совпадения частоты запроса передатчика и частоты импульсов совпадения последовательностей серий «35» и «36».
3) Случайность периода следования импульсов запроса (ИЗ) уменьшает вероятность совпадения частоты запроса данного и других самолетов, и тем самым практически исключается возможность слежения за «чужим» ответным импульсом.
5.4.31. По какой схеме построен измеритель времени дальномерного канала РСБН-2 ?
1) По компенсационной схеме, когда временной модулятор измерителя, задерживая опорный сигнал на время tВМ, компенсирует задержку дальномерного (ответного) сигнала.
2) По схеме, реализующей метод непосредственного измерения задержки.
3) По схеме косвенного измерения задержки, основанной на преобразовании измеряемого интервала времени в напряжение, код.
5.4.32. Чему равно напряжение на выходе схемы вычитания (сигнал ошибки) РСБН-2, если в режиме поиска азимутальный импульс совпадает с широким стробом?
1) Uош = - Uо. 2) Uош = 2Uо. 3) Uош = Uо.
5.4.33. Чему равно напряжение пикового детектора РСБН-2 в режиме поиска, когда азимутальный импульс совпадает с широким стробом?
1) Uо. 2) 2Uо. 3) 0.
5.4.34. Что происходит в системе РСБН-2, если в режиме сопровождения напряжение пикового детектора равно Uо?
1) Измеритель азимута РСБН-2 переходит в режим сопровождения.
2) Измеритель азимута РСБН-2 работает в режиме поиска.
3) В установившемся режиме (при неизменном азимуте) сопровождение прекращается, когда напряжение пикового детектора равно Uо.
5.4.35. Какой метод используется в РСБН-2 для измерения временной задержки азимутального сигнала относительно северного совпадения?
1) Метод непосредственного измерения задержки.
2) Метод косвенного измерения задержки, основанной на преобразовании измеряемого интервала времени в напряжение, код.
3) Двушкальный фазометрический метод измерения временного интервала с компенсационным отсчетом.
5.4.36. Почему момент запуска генератора ГУС РСБН-2 смещается по временной оси с коэффициентом скорости Vг?
1) Так как диаграмма направленности антенны радиомаяка вращается с угловой скоростью вр, то момент запуска генератора ГУС смещается по временной оси с коэффициентом скорости Vг = вр/2.
2) Так как ротор ФВГ вращается с частотойФВГ, то момент запуска генератора ГУС смещается по временной оси с коэффициентом скорости Vг =ФВГ/вр.
3) Так как импульс запроса опережает ответный импульс на время tD = 2D/C.
5.4.37. Какие приборы используются в системе передачи информации с измерителя дальности на указатель ППДА РСБН-2 ?
1) Информация о дальности снимается с измерителя в аналоговой форме с помощью двухканальной сельсинной передачи, работающей в трансформаторном режиме.
2) Информация о дальности снимается с измерителя в аналоговой форме с помощью двухканальной сельсинной передачи, работающей в индикаторном режиме.
3) Информация о дальности снимается с измерителя в аналоговой форме с помощью потенциометрической дистанционной передачи; в качестве указателя используется магнитоэлектрический логометр с подвижным магнитом.
5.4.38. Какой момент является начальной точкой отсчета времени в дальномерном канале РСБН-2 ?
1) Момент излучения запросного сигнала.
2) Момент совпадения одного из импульсов серий «35» и «36».
3) Момент совмещения оси симметрии диаграммы направленности вращающейся антенны радиомаяка с северным направлением меридиана.
5.4.39. Укажите выражение, связывающее момент приема сигнала направленной антенны с азимутом самолета в системе РСБН-2.
1) tD = 2D/C. 2) t = to + A/вр. 3) tA = A/вр.
5.4.40. Как связаны между собой сигнальный импульс и напряжение с фазовращателя измерителя дальности РСБН-2 при переходе в режим слежения?
1) Измеритель построен так, что при переходе в режим слежения сигнальный импульс находится вблизи максимума напряжения Uоп.
2) Измеритель построен так, что при переходе в режим слежения сигнальный импульс находится вблизи нуля напряжения Uоп.
3) Измеритель построен так, что при переходе в режим слежения положение сигнального импульса не зависит от напряжения Uоп.
5.4.41. Укажите уравнение, по которому происходит определение дальности в системе РСБН-2.
1) D = (t2 - t1)C = tDC. 2) tD = 2D/C. 3) D = Cр/2м
5.4.42. Что представляет собой каскад регулируемой задержки грубого временного модулятора измерителя дальности РСБН-2 ?
1) Формирователь импульсов ФИ-2 генерирует импульс, задержка которого во времени зависит от положения ротора фазовращателя ФВ.
2) Фантастрон, генерирующий при поступлении импульса запроса новый импульс, длительность которого зависит от положения движка потенциометра, управляющего постоянной времени каскада.
3) Напряжение с частотой 59.76 Гц (соответствующее последовательности «36») проходит через фазовращатель грубого канала ФВГ, где создается фазовый сдвигг; поэтому фазовый сдвиг напряжения с частотой Fвр на выходе фазового детектора также равен г.
5.5.
