Авторефераты по темам >>
Разные специальности - [часть 1] [часть 2]
Мультимодульная ветроэлектростанция с инверторами тока для стабилизации выходного напряжения
Автореферат кандидатской диссертации
На правах рукописи
Соломенкова Ольга Борисовна
мультимодульнАЯ ветроэлектростанциЯ
аС инвертораМИа тока ДЛЯ СТАБИЛИЗАЦИИ
ВЫХОДНОГО НАПРЯЖЕНИЯ
Специальность 05.09.03 - Электротехнические комплексы и системы
А в т о р е ф е р а т
диссертации на соискание ученой степени
кандидата технических наук
Саратов - 2012
Работа авыполнена ава Федеральном агосударственном абюджетном
образовательном ааучреждении аавысшего апрофессионального аобразова-
ния Саратовский аагосударственный аатехнический аауниверситет ааимени а
Гагарина Ю.А..
аНаучный руководитель:а доктор технических наук, профессораа Степанов аСергей аФедорович
Официальные оппоненты:а ааМитяшин аНикита аПетрович,
доктор технических наук, профессор,
Саратовский агосударственный
технический ауниверситет
имени аГагарина аЮ.А.,
профессор кафедры Системотехника
а Змеев аАнатолий аЯковлевич,
кандидат технических наук, профессор, Саратовский государственный аграрный университет аимени аН.И. Вавилова,
профессор кафедры Применение электроэнергии ав асельском ахозяйстве
Ведущая организация ааИнститут проблем точной амеханики аи
управления Российской академии наук,
г. Саратов
Защита состоится 24 мая 2012 г. в 14.00 часов на заседании диссертационного совета Д 212.242.10 при Федеральном государственном бюджетнома образовательном учреждении высшего профессионального образованияа Саратовский государственный технический университет имени Гагарина Ю.А., 410054 , Саратов, ул. Политехническая, 77, корпус 2, ауд. 212.
С диссертацией можно ознакомиться в научно-технической библиотеке Федерального государственного бюджетногоа образовательного учреждения высшего профессионального образованияа Саратовский государственный технический университет имени Гагарина Ю.А..
Автореферат разослан л23 апреля 2012 г.
Автореферат размещен на сайте
Ученый секретарь
диссертационного совет ааЮ.Б. Томашевский
ОБЩАЯ ХАРАКТЕРИСТИКА РАБОТЫ
Актуальность работы. В настоящее время ветроэнергетика развивается быстрыми темпами в большинстве индустриально развитых стран. Она является одним из наиболее перспективных видов возобновляемой энергетики и направлений развития энергосберегающих технологий с практическиа неисчерпаемым потенциалом экологически чистой энергии.
Первое место среди электростанций на нетрадиционных возобновляемых источниках энергии занимают ветроэлектрические установки. Это связано с практически повсеместной распространенностью энергии воздушного потока, его большим потенциалом и значительными успехами, достигнутыми в мировой ветроэнергетике за последние годы.
В настоящее время 70% территории России, где проживает около 22 млн. человек, находится в зоне децентрализованного электроснабжения. Электроснабжение потребителей на этих территориях осуществляется от автономных дизельных электростанций. Себестоимость вырабатываемой электроэнергии в этих регионах достигает 15-25 руб. за кВтч. Т.к. большинство территорий расположено в регионах со среднегодовой скоростью ветра, не превышающей 4 м/с, то применение обычных ветроустановок зачастуюа оказывается экономическиа нецелесообразным. Поэтому для электроснабжения данных районов за счет энергии ветра необходима разработка ветроэнергетических установок, эффективно работающих при низкой скорости ветра.
Анализ существующих отечественных и зарубежных разработок в области ветроэнергетики показывает, что имеется ряд нерешенных апроблем, связанных са повышением эффективности самой ветроэнергетической установки, систем генерирования и стабилизации электрической энергии, особенно при работе на резкопеременную нагрузку в условиях нестабильности ветрового потока.
Большой вклад в разработку ветроустановок внесли отечественные учёные: В.Г. Залевский,а Н.Е. Жуковский, Г.Х. Сабинин, В. П. Ветчинкин, Н.В. Фатеев, К.А. Ушаков и др.; в развитие преобразовательной техники: И.И. Кантер, аГ.С. Зиновьев, аЮ.Г. Толстов, аА.Ф. Резчиков, аС.В. Хватов
и др.
Объектом исследования является мультимодульнаяа ветроэлектростанция с изменяемым количеством рабочих лопастей и стабилизирующим преобразователем частоты на основе инвертора тока.аа
Предметом исследования являются режимы стабилизации выходного напряжения по величине и частоте при работе на резкопеременную нагрузку в условиях нестабильности ветрового потока.
Цель работы и задачи исследования. Целью диссертационной работы является повышение эффективности выработки электроэнергии в ветроэлектростанциях мультимодульного типа с изменяемым количеством рабочих лопастей и стабилизирующим преобразователем частоты на основе инвертора тока.
Для достижения поставленной цели решались следующие задачи:
- Провести анализ существующих конструктивных схем ветроэлектростанций и предложить новую конструкцию мультимодульной ветроэлектростанции с изменяемым количеством рабочих лопастей, магнитоэлектрической системой перемещения ветроколес для изменения количества рабочих лопастей и выходным стабилизирующим преобразователем частоты на основе инвертора тока;
- Разработать математическую модель мультимодульной ветроэлектростанции с изменяемым количеством рабочих лопастей и преобразователем частоты на основе инвертора тока;
- Исследовать режимыа работы мультимодульной ветроэлектростанции с изменяемым количеством рабочих лопастей в диапазоне изменения скоростей ветра от 2,5 м/с до ураганных с получением мощностных параметров работы ветроэлектростанции;
- Выполнить технико-экономический расчет и оценить эффективность применения мультимодульной ветроэлектростанцииа с изменяемым количеством рабочих лопастей.
Методы исследования включают аналитические методы, которые базируются на современной теории работы ветроэнергетических установок, теории электрических машин, преобразователей частоты, магнитоэлектрических систем, аа также современном аппарате математического и имитационного компьютерного моделирования и методах определения экономической ааэффективностиаа результатов научно-исследовательских а
работ.
Научные положения и результаты, содержащиеся в работе и выносимые на защиту:
1.аа Способ повышенияа эффективности процесса преобразования энергии ветрового потока в электроэнергию за счет использования в ветроэлектростанциях ветроколес с изменяемым количеством рабочих лопастей;
2.аа Использование в структуре ветроэлектростанции преобразователя частоты на основе инвертора тока, что позволяет получить стабильное выходное напряжение при изменяющейся в широких пределах величине генераторного напряжения от 0,1 до 1,5 Uном.;
- Разработанная имитационная математическая модель мультимодульной ветроэлектростанции с изменяемым количеством рабочих лопастей, позволяющая исследовать как установившиеся, так и переходные режимы работы ветроэлектростанции при изменяющейся скорости ветра от 2,5 до 15 м/с.
- Результаты технико-экономического расчета разработанной мультимодульной ветроэлектростанции с изменяемым количеством рабочих лопастей.
- аНовое конструктивное исполнение ветроэлектростанции с изменяемым количеством работающих лопастей позволяет объединить достоинства тихоходных и быстроходных ветроколес: иметь пусковой момент в 4 раза больше, чем у типовых 3-лопастных ВЭС при скорости ветра 2,5 м/с и повышенный коэффициент использования энергии ветра 0,35-0,47 во всем диапазоне изменения скоростей ветра.
- Для стабилизации выходных значений напряжения и частоты ветроэлектростанцииа при изменении скорости ветра в пределах от 2,5 м/с до ураганных эффективно применениеа преобразователя частоты на основе инвертора тока.
- Применение мультимодульной ветроэлектростанции с составными перестраиваемыми ветроколесами позволяет увеличить годовую выработкуа электроэнергии ана 22% по асравнению ас атиповой а3-лопастной
- Продолжительность работыа мультимодульной ветроэлектростанции с составными перестраиваемыми ветроколесами, размещенной в районе Заволжья Саратовской области, в режиме выработкиа электро-энергии составляет более 300 дней в году при использовании ветрового потока от 2,5 м/с до ураганных, что в три раза больше, чем у ветроэлектростанций, выполненных по типовой схеме.
- Выполнение ветроэлектростанции в виде мультимодульной с составными перестраиваемыми ветроколесами не требует больших финансовых и трудовых затрат на проектные, строительные и монтажные работы за счет высокой степени заводской готовности поставляемого оборудования, легкости его монтажа и запуска в работу, а также увеличивает надежность и ремонтопригодность.
- Срок окупаемости мультимодульной ветроэлектростанцииа мощностью 20 кВт с диаметром ветроколеса 3 м и числом модулей 15 шт.а составляет 11 лет при стоимости электроэнергии 3 руб./кВтч.
- Соломенкова, О.Б. аХарактеристики акомбинированного ветроколеса /О.Б. Соломенкова, И.М. Павленко // Вестник Саратовского государственного технического университета. - 2010. - №4 (50). - Вып. 2. - С.49-50.
- Соломенкова, О.Б.а Мультимодульная ветроэлектростанция для районов Заволжья Саратовской области / О.Б. Соломенкова [и др.] // Вестник Саратовского государственного технического университета. - 2011.- №1 (54). - Вып. 3.- С.181-186.
- Соломенкова, О.Б. Математическая модель электротехнического комплекса модуля мультимодульной ветроэлектростанции [Электронный ресурс] / О.Б. Соломенкова // Современные проблемы науки и образования. - 2012. - № 2; URL: в других изданиях:
- Соломенкова, О.Б. аМультимодульная ветроэлектростанция комбинированного типа для расширенного диапазона ветровых нагрузок / О.Б. Соломенкова [и др.] // Инновационные технологии в обучении и производстве: материалы VI Всерос. науч.-практ. конф.а Камышин,14-15 октября 2009 г./ ИУНЛ ВолгГТУ. -а Волгоград, 2010. - Т.2. - С.93-99.
- Соломенкова, О.Б. Мультимодульная ветроэлектростанция с комбинированным ветроколесом/ О.Б. Соломенкова, С.Ф. Степанов, И.М. Хусаинов // Инновационные и актуальные проблемы техники и технологии: материалы аВсерос. анауч.-практ. аконф. молодых ученых / Сарат. гос. техн.
ун-т. - Саратов, 2010. - Т.2. - С. 223-225.
- Соломенкова, О.Б. Электрические генераторы для ветроэлектростанций: состояние и перспективы развития / О.Б. Соломенкова [и др.] // Инновационные технологии в обучении и производстве: материалы VII Всерос. науч.-практ. конф. Камышин, 22-23 декабря 2010 г./ ИУНЛ ВолгГТУ.а -а Волгоград, 2010. - Т.4. - С. 77-80.
- Соломенкова, О.Б. Мультимодульная ветроэлектростанция с комбинированным ветроколесом для работы на низких скоростях ветра / О.Б. Соломенкова, И.М. Хусаинов, С.Ф. Степанов // Инновационные технологии в обучении и производстве: материалы VII Всерос. науч.-практ. конф. Камышин, 22-23 декабря 2010 г./ ИУНЛ ВолгГТУ.а -а Волгоград, 2010. - Т.1. - С.138-141.
- Соломенкова, О.Б. Электрические генераторы автономных ветроэлектрических установок / И.М. Павленко, О.Б. Соломенкова,а С.Ф. Степанов // Актуальные проблемы энергетики АПК: материалы II Междунар. науч.-практ. конф. / Сарат. гос. агр. ун-т. - Саратов, 2011. - С. 225-226.
- Solomenkova, О. Electric power generating system for wind power station based on axial flux permanent magnets generator and converter frequency based on current inverter/ I. Pavlenko, О. Solomenkova// Young scientist for innovations: shaping the future: International internet conference proceedings of the International internet festival for young scientist 2011. Saratov, April 27-29, 2011 / Saratov State Technical University. - Saratov, 2011. - P. 141-144.
аСоломенкова, О.Б. аМультимодульные ветроэлектростанции - одно из перспективных направлений использования ветровой энергии / С.Ф. Степанов, О.Б. Соломенкова, И.М. Павленко // Энергосбережение в Саратовской области. - 2011. - №2(44). - С. 42-43.- аСоломенкова, О.Б. аАльтернативное направление в конструировании ветроэлектростанций / О.Б. Соломенкова, И.М. Павленко, С.Ф. Степанов // Энергетика в современном мире: материалы V Междунар. науч.-практ. конф. Чита, 15-16 ноября 2011 г. / ЗабГУ. - Чита, 2011. - С. 176-180.
- аСоломенкова, О.Б. Математическая модель мультимодульной ветроэлектростанции / О.Б. Соломенкова [и др.] // Проблемы электроэнергетики: сб. науч. тр./ Сарат. гос. техн. ун-т. - Саратов, 2011. -а С.16-21.
- аСоломенкова, О.Б. аМультимодульная ветроэлектростанция с электрогенерирующим комплексом / О.Б. Соломенкова, С.Ф. Степанов // Компьютерные технологии и информационные системы в электротехнике: сб. материалов Всерос. конкурса науч. работ студентов, магистрантов и аспирантов / ТГУ. - Тольятти, 2011. - С. 86-92.
Подписано в печать 19.04.2012 Формат 60?84 1/16
Бум. офсет.а аУсл. печ. л. 1,0аа аа Уч.-изд. л. 1,0
Тираж 100 экз.а Заказ 10
ООО Издательский Дом Райт-Экспо
410031, Саратов, Волжская ул., 28
Отпечатано в ООО ИД Райт-Экспо
410031, Саратов, Волжская ул., 28, тел. (8452) 90-24-90
Авторефераты по темам >>
Разные специальности - [часть 1] [часть 2]
Научная новизна работыа заключается:
-в развитии способа получения электроэнергии из ветрового потока путем создания ветроколеса с перестраиваемой структурой;
-в использовании для стабилизации выходного напряжения преобразователя частотыа на основе инвертора тока при изменении генераторного напряжения в широких пределах;
- в разработке имитационной модели модуля мультимодульной ветроэлектростанции с изменяемым количеством рабочих лопастей, позволяющей получать электрические и мощностные характеристики ветроэлектростанции в зависимости от скорости ветра.
Практическую ценность и полезность работы представляют:а конструкция составного перестраиваемого ветроколеса с изменяемым количеством рабочих лопастей, эффективно работающая в расширенном диапазоне скоростей ветра; конструкция мультимодульной ветроэлектростанции с увеличенной на 22% выработкой электроэнергии, обладающая повышенной надежностью и ремонтопригодностью; имитационные математические модели, позволяющие снизить расходы на проектирование и разработку ветроэнергетических установок; способ стабилизации выходного напряжения в условиях изменения генераторного напряжения в широких пределах за счет использования инвертора тока. а
Реализация результатов работы. Результаты диссертационной работы реализованы:
- в госбюджетной научно-исследовательской работе СГТУ-341 Разработка теоретических основ создания локальных систем электроснабжения на основе комплексного использования источников электроэнергии различной физической природы в разделе применения автономных ветроэнергетических установок;
- по хоздоговору №261 Разработка схемных решений по подключению вентильного генератора от 100 до 500 кВт с безредукторным приводом от вала отбора мощности газоперекачивающего агрегата к системе электроснабжения, компрессорного цеха (компрессорной станции) при создании имитационной визуализированной математической модели синхронного генератора на постоянных магнитах с системой стабилизации в виде преобразователя частоты на основе инвертора тока;
- в научно-исследовательской и опытно-конструкторской работе по теме: Разработка модуля мультимодульной ветроэлектростанции с комбинированным ветроколесом, договор №30 от 01.07.2011 г. с ООО НП ТЭСО со сдачейа отчетов для проведения НИОКР;
- в учебном процессе кафедры Электроснабжение промышленных предприятий Саратовского государственного технического университета имени Гагарина Ю.А. при чтении курса лекцийа Гидроэнергоустановки и нетрадиционные источники энергии.
Работа выполнялась в соответствии с программой 06В Научные основы создания высокоэффективных, энергосберегающих систем по производству, транспортировке, преобразованию, распределению и потреблению электроэнергии, входящей в перечень основных научных направлений СГТУ имени Гагарина Ю.А.
Апробация работы. Основные положения и результаты исследо-вания аадоложены аана ааежегодных ааВсероссийских аанаучно-практическиха
конференцияха в аг.а Камышине 2009-2011 гг.; аВсероссийских анаучно-практическиха конференцияха молодых ученых СГТУ в 2010, 2011 гг.;а II Международной научно-практической конференции СГАУ в 2011 г.; Международной научно-практической интернет-конференции в рамках Международного интернет-фестиваля молодых ученых СГТУ в 2011 г.;а V Международной научно-практической конференции в г. Чите в 2011 г.; Всероссийском конкурсе научных работ студентов, магистрантов, аспирантов в г. Тольятти в 2011 г. В 2011 г. автор стал победителем в конкурсе проектоваа анаучно-технического аатворчества аамолодежиа аи аапрограмме
Участник молодежного научно-инновационного конкурса.
Публикации. Основные положения диссертации опубликованы в 13 печатных работах, в том числе 3 статьи в журналах, рекомендуемых ВАК.
Объём и структура диссертации. Диссертационная работа состоит из введения, четырёх глав, заключения, списка использованной литературы. Объем аработы асоставляет а162 страницы, в тексте а82 аиллюстрации,
29 таблиц. Список литературы включает 136 наименований.
КРАТКОЕ СОДЕРЖАНИЕ РАБОТЫ
Во введении определены актуальность работы, цель и задачи исследования, структура и содержание диссертационной работы.
В первой главе рассмотрены вопросы аклассификации ветроэлектростанций (ВЭС), особенности конструкции существующих ветродвигателей (ВД), а также электрогенераторов, применяемых на ВЭС для выработки электроэнергии, рассмотрены географические характеристики и ветровые нагрузки района размещения разрабатываемой ВЭС.а Предполагаемым месторасположениема являются районы Заволжья Саратовской области (п. Александрова Гай). Для данного района количество дней в году, когда скорость ветра имеет значение от 2,5 до 5 м/с, составляет 250, 65 дней в году скорость ветра меньше 2,5 м/с и только 50 дней в году скорость ветра более 5 м/с. Применение в этом регионе типовых ВЭС является экономически нецелесообразным, т.к. они будут эффективно работать всего 13% от общего количества дней в году. Под типовой ВЭС подразумевается трехлопастная ВЭС с радиусом ветроколеса 11 м и стартовой скоростью 5 м/с, номинальной мощностью 20 кВт. В результате анализа существующих ВЭС, выбраны основные технические решения, на основе которых создавалась новая конструкция. Это ВД с горизонтальной осью вращения, обладающий наибольшим коэффициентом эффективности использования энергии ветра по сравнению с вертикально-осевыми ВД. Модульный принцип построения ВЭС позволяет обеспечить гарантированное энергоснабжение объекта, при этом осуществлять сервисное обслуживание, не прерывая подачу электроэнергии, а также не требует больших финансовых и трудовых затрат на проектные, строительные и монтажные работы за счет высокой степени заводской готовности поставляемого оборудования, легкости его монтажа и запуска в работу. При этом отсутствует необходимость избыточного резервирования устанавливаемых мощностей.
Во второй главе предложены новые конструктивные решения: составное перестраиваемое ветроколесо (СПВК) и на его основе мультимодульная ВЭС. СПВК состоит из трех ветроколес (ВК) и магнитоэлектрической системы перемещения ВК для включения в работу разного количества рабочих лопастей 12, 6, 3. Данное решение позволяет обеспечить возможность ВЭС работать в широком диапазоне изменения скоростей ветра при высоком значении коэффициента использования энергии ветра ? = 0,35 Ц0,47 и пусковом моменте (для преодоления сил трения) в 4 раза больше, чем у типовых ВЭС (при скорости ветра 2,5 м/с).
СПВК сочетает в себе достоинства быстроходных и тихоходных ВК: высокий коэффициент использования энергии ветра и большой пусковой момент.
На рис. 1 представлены графики изменения коэффициента использования энергии ветра ? иа вращающего момента
ав зависимости от быстроходности Z для 3-, 6- и 12-лопастных ветроколес, сплошной линией изображена график разработанного СПВК.
Рис. 1.а Графики коэффициента
использования энергии ветра
и вращающего момента СПВК:
1- двенадцатилопастное ВК; 2- шестилопастное ВК; 3- трехлопастное ВК; Zопт1 - оптимальная быстроходность двенадцатилопастного ВК; Zопт2 - оптимальная быстроходность шестилопастного ВК; Zопт3 - оптимальная быстроходность трехлопастного ВК
Из графиков видно, что СПВК позволяет иметь оптимальную быстроходность Z в пределах от 1 до 3, с максимальным коэффициентом использования энергии ветра и большими пусковыми моментами в зоне малых скоростей ветра.
В зависимости от скорости ветра СПВК работает в следующих режимах. При низкой скорости ветра от 2,5 до 4 м/с лопасти всех ветроколес (общее количество лопастей - 12) совмещены в одной плоскости и участвуют в работе СПВК, обеспечивая максимальный вращающий момент при высоком коэффициенте использования энергии ветра (рис. 2, а). При средней скорости ветра от 4 до 6,5 м/с ВК, содержащее шесть лопастей, отсоединяется от аосновного аВК, смещаетсяа вправоа иа перестаета вращаться
(рис. 2, б). В работе остаются два ВК с общим количеством лопастей 6. При скорости ветра от 6,5 до 15 м/с ВК, содержащее три лопасти, отсоединяется от основного ВК, смещается влево и перестает вращаться (рис. 2, в). При этом в работе остается одно 3-лопастное ВК, которое продолжает работать с максимальной скоростью вращения, а остановившиеся ВК - не препятствуют вращению основного ВК, а являются направляющими для ветрового потока.

Рис. 2. Режимы работы СПВК
в зависимости ота скорости ветра
Управление перемещением ВК происходит от микропроцессорного блока управления, подающего управляющие сигналы на электромагниты перемещения подвижных ветроколес.
Основное дифференциальное уравнение, описывающее динамику вращения СПВК, представлено в виде:Основными составляющими модуля рассматриваемой ветроэлектростанции являются СПВК и электротехнический комплекс, включающий магнитоэлектрические системы перемещения ветроколес,а электрический генератор, преобразователь частоты на основе инвертора тока с коммутирующими конденсаторами и регулируемым тиристорно-индуктивным компенсатором выпрямительного типа, накопитель электрической энергии в виде аккумуляторной батареи с зарядным устройством, а также микропроцессорный блок управления с набором датчиков тока, напряжения, скорости и направления ветрового потока. Блок-схема модуля МВЭС представлена на рис. 3.
Рис. 3. Блок - схема модуля мультимодульной ВЭС
Модульный принцип построения ВЭС позволяет путем увеличения количества модулей получить необходимую мощность. Максимальная мощность данных установок может достигать 100-150 кВт. Общий вид мультимодульной ВЭС, состоящей из пятнадцати однотипных модулей небольшой мощности,а представлен на рис. 4.
Рис. 4. Общий вид мультимодульной ВЭС:аа 1 - модуль; 2 - металлическая рама; 3 - металлическая балка; 4 - платформа; 5 - система для крепления рамы к платформе и поворота модулей; 6 - опора; 7 - датчик направления и скорости ветра; 8 - блок управления
При рабочих скоростях ветра поворотный механизм платформы (4) МВЭС по командам блока управления поворачивает платформу с модулями перпендикулярно потоку ветра. При ураганной скорости ветра данный механизм поворачивает ВЭС вдоль воздушного потока, что предотвращает поломку лопастей. При порывистом ветре избыточная энергия будет сбрасываться в накопитель. В штилевые дни, число которых по продолжительности составляет не более двух для регионов Заволжья, на примере п. Александров Гай, электроснабжение потребителей осуществляется от аккумуляторных батарей (АБ). Емкость АБ рассчитана на беспрерывную подачу электроэнергии в течение двух суток.
В третьей главе разработаны алгоритм расчета магнитоэлектрической системы для изменения количества рабочих лопастей ветроколеса в программе ELCUT [Профессиональный 5.6.0.680] и выполненные ва MATLAB Simulink [Version 7.11.0.584 (R2010b)] имитационные математические модели СПВК и модуля мультимодульной ветроэлектростанции.
В результате расчета и исследования динамических режимова магнитоэлектрической системы были получены значения пондеромоторной силы, действующей между постоянным магнитом перемещаемого ВК и опорным электромагнитом, значения магнитного потока, поверхностной энергии, потокосцепления и индуктивности катушки в зависимости от величины зазора между втулками с постоянным магнитом и электромагнитом.
Имитационная математическая модель СПВК представлена на рис.5.
Рис. 5. Имитационная математическая модель СПВК
мультимодульной ВЭС
Результаты работы СПВК в диапазоне изменения скоростей ветра от 2,5 до 15 м/с представлены на графиках (рис. 6, 7).

Рис. 6. График зависимости момента СПВК аот скорости ветра
Рис. 7. График действующего значения линейного
напряжения генератора в зависимости от скорости ветра
На рис. 6 выделены три зоны работы СПВК в зависимости от скорости ветра. При достижении скорости ветра заданной величин 4,5 или 7 м/с меняется количество рабочих лопастей СПВК. До 4,5 м/с работают все 12 лопастей. При скорости ветра в пределах 4,5 - 7 м/с работают 6 лопастей. При скорости ветра больше 7 м/с происходит переключение СПВК на работу с 3 лопастями. Из рис. 7 следует, что величина выходного напряжения меняется от 40 В при скорости ветра 2,5 м/с до 550 В при 15 м/с.
Соизмеримость мощностей генератора автономного источника питания, его нагрузки и приводного ветродвигателя определяет взаимное влияние элементов ветроустановки. Следовательно, исследование мультимодульной ВЭС должно осуществляться на основе системного подхода с учетом основных характеристик всех элементов энергоустановки, рассматриваемых как единое целое с помощью имитационной математической модели модуля мультимодульной ВЭС (рис. 8).
В ВЭС с генератором на постоянных магнитах величина генерируемого выходного напряжения изменяется пропорционально изменению скорости ветра.а При скорости ветра 2,5 м/с величина генераторного напряжения составляет 10 % от требуемой величины выходного напряжения 380 В. Мощность ветрового потока при этом составляет 1 % от номинальной мощности модуля. Проблема получения необходимого по величине и частоте выходного напряжения была решена за счет применения преобразователя частоты на основе инвертора тока (ИТ), который в наибольшей степени подходит по своим свойствам к режиму работы ВЭС.
Применение апреобразователя частоты на основе ИТ позволяет иметь выходное напряжение необходимой величины и качества при изменении генераторного напряжения в широких пределах. Основной особенностью ИТ является возможность получения выходного напряжения, значительно превышающего входное.
Однако внешняя характеристика ИТ имеет круто падающий характер. Для получения стабильного выходного напряжения при изменении нагрузки от холостого ходаа до номинальной необходимо схему дополнить компенсирующим устройством (рис. 9). В данной схеме применен индуктивно-тиристорный компенсатор выпрямительного типа.
![]()

Рис. 9. Схема преобразователя частоты на основе ИТ
с индуктивно-тиристорным компенсатором реактивной мощности:
VS1-VS6 - тиристоры выпрямителя; VS7-VS12 - тиристоры инвертора
тока; VS13-VS18 - тиристоры компенсатора; Lk - входной дроссель
компенсатора; Lf, Cf - сглаживающие фильтры; Ld - входной дроссель инвертора тока; C1-C3 Цкоммутирующие конденсаторы
На рис. 10 представлены внешние характеристики ИТ при совместной работе с компенсирующим устройством и без компенсирующего устройства. Из графиков видно, что при работе ИТ совместно с компенсатором имеем участки строго постоянного выходного напряжения при изменении нагрузки в определенных пределах. Данные характеристики хорошо согласуются с особенностями работы ВЭС при ветровых нагрузках от очень слабых до максимальных.
Рис. 10. Внешние характеристики ИТ:
? - угол управления компенсатором;
1- без учета работы компенсатора реактивной мощности;
2 -а с учетом работы компенсатора реактивной мощности
Внешняя характеристика ИТаа в относительных величинах (в рамках метода основной гармоники) выражается в виде зависимости:
,аа а(7)
где а
а - отношение авеличины выходного анапряжения аU к анапряжениюа
питания Ud;
В - коэффициент загрузки;
а - угол запирания;
а - фазовый угол нагрузки.
Коэффициент загрузки определяется из выражения:
,аа аа(8)
где а
а - выходная частота, рад/с;
z - сопротивление нагрузки, Ом;
C - фазная емкость коммутирующей батареи, Ф.
При В> 0 (режим холостого хода) выражение (7) стремится к виду
.
В области малых значений В (режим разгрузки ИТ) выходное напряжение ИТ резко возрастает, теоретически становясь сколь угодно большим. Такой характер внешней характеристики ИТ наиболее подходит для применения его в структуре ВЭС.
На рис. 11 - 14 представлены результаты расчета основных параметров электротехнического комплекса при скорости ветра 10 м/с в режиме холостого хода.
Рис. 11. Графики токов статора генератора
Рис. 12. График на выходе генератора линейного напряжения

Рис. 13. Графики тока компенсатора, тока в цепи постоянного тока, напряжения
на выходе инвертора
Рис. 14. Графики выходныха трехфазных токов
и напряжений на нагрузке
Применение преобразователя на основе ИТ для работы при частоте 50 Гц позволяет получить кривую выходного напряжения, по форме близкую к синусоидальной, и обеспечить наличие стабильного по величине напряжения на нагрузке во всем диапазоне изменения мощности ветрового потока.
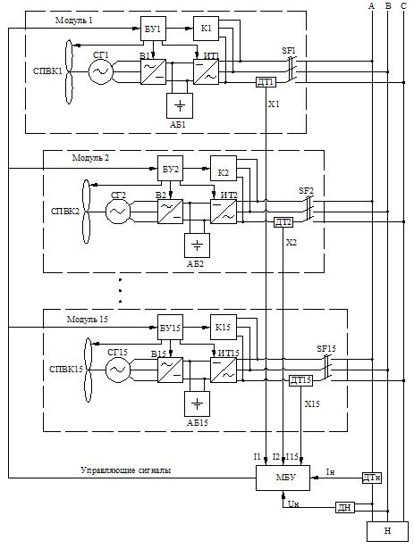
Для обеспечения параллельной работы модулей мультимодульной ВЭС необходимо соблюдение условий: равенство частот модулей, равенство выходных напряжений модуля по величине и фазе. Выполнение этих условий обеспечивается за счет применения микропроцессорного блока управления. Микропроцессорный блок управления формирует управляющие сигналы строго постоянной частоты, которые подаются одновременно на все выпрямительные и инверторные блоки модулей. Равномерная загрузка модулей по току обеспечивается изменением угла управления компенсаторами. Схема мультимодульной ВЭС представлена на рис. 15.

Рис. 15.а Схема мультимодульной ВЭС:
СПВК - составное перестраиваемое ветроколесо; СГ - синхронный генератор; аВ Цвыпрямитель; ИТ - инвертор тока; БУ - блок управления инвертором; К Ца компенсатор реактивной мощности; АБ - аккумуляторная батарея;а МБУ - микропроцессорный блок управления; SF - автоматический выключатель; ДТ - датчик тока; ДТн - датчик тока нагрузки; ДН - датчик напряжения; Н - нагрузка
В четвертой главе приведено технико-экономическое обоснование применения мультимодульной ВЭС, выполненное по методу расчетных затрат. Метод основан на асравнении эффективности вариантов мультимодульной ВЭС и типовой ВЭС, т.е. сравнении доходов и расходов с учетом дисконтирования на протяжении всего периода существования проекта. В результате проведенных расчетов был определен дисконтированный срок окупаемости мультимодульной ВЭС, который составил 11 лет.
ОСНОВНЫЕ РЕЗУЛЬТАТЫ РАБОТЫ
ВЭС, при этом 14% за счет установки составного перестраиваемого ветроколеса, 8% за счет работы мультимодульной ветроэлектростанции в расширеннома диапазоне скоростей ветра.
Основные публикации по теме диссертации
аНаучные статьи, опубликованные в изданиях по списку ВАК РФ:
