Авторефераты по темам >>
Разные специальности - [часть 1] [часть 2]
Повышение эффективности мелиоративных насосных станций методом внедрения эжекции во всасывающие и напорные трубопроводы центробежных насосов
Автореферат кандидатской диссертации
На правах рукописи
Александров Виктор Викторович
ПОВЫШЕНИЕ ЭФФЕКТИВНОСТИ МЕЛИОРАТИВНЫХ НАСОСНЫХ СТАНЦИЙ МЕТОДОМ ВНЕДРЕНИЯ ЭЖЕКЦИИ
ВО ВСАСЫВАЮЩИЕ И НАПОРНЫЕ ТРУБОПРОВОДЫ ЦЕНТРОБЕЖНЫХ НАСОСОВ
Специальность 06.01.02 - Мелиорация, рекультивация и охрана земель
АВТОРЕФЕРАТ
диссертации на соискание ученой степени
кандидата технических наук
Волгоград - 2012
Работа выполнена в Федеральном государственном бюджетном образовательном учреждении высшего профессионального образования Новочеркасская государственная мелиоративная академия
Научный руководитель: доктор технических наук, профессор
Тарасьянц Сергей Андреевич
Официальные оппоненты: Григоров Сергей Михайлович
доктор технических наук, профессор,
зав. кафедрой Мелиорация земель и природообустройство ФГБОУ ВПО Волгоградский ГАУ,
Свистунов Юрий Анатольевич
доктор технических наук, профессор,
зав. кафедрой Комплексные системы водоснабжения ФГБОУ ВПО Кубанский ГАУ
Ведущая организация - ГНУ Поволжский научно-исследовательский
институт эколого-мелиоративныха технологий РАСХН
Защита состоится л02 июля 2012 г. в 12 ч 30 мин на заседании диссертационного совета Д 220.008.02 на базе ФГБОУ ВПО Волгоградский государственный аграрный университет по адресу: 400002, г. Волгоград, Университетский проспект 26, ауд. 214.
С диссертацией и авторефератом можно ознакомиться в научной библиотеке ФГБОУ ВПО Волгоградский государственный аграрный университет.
Автореферат разослан ла мая 2012 г.а и размещен на официальном Интернет-сайте ВАК
Ученый секретарь
диссертационного совета,
профессора А.И. Ряднов
ОБЩАЯ ХАРАКТЕРИСТИКА РАБОТЫ
Актуальность проблемы. В настоящее время подъем сельского хозяйства в Российской Федерации рассматривается Правительством в качестве национального проекта. Для получения гарантированного урожая необходимо восстановить регулярное орошение сельскохозяйственных культур.
Известно, что забор воды на существующих мелиоративныха насосных станциях с колебаниями уровня более 4 м затруднен из-за ограниченности высоты всасывания центробежных насосов. Многие мелиоративные насосные станции построены заглубленными, что экономически нецелесообразно.
Кроме того, на существующих мелиоративных насосных станциях при необходимых малых напорах устанавливается насосное оборудование с избыточной величиной напора, который из-за необходимости ввода агрегатов в оптимальный режим гасят задвижками на напорных трубопроводах.
Изменить существующее положение можно с помощью установки на всасывающих линиях насосных станций струйных насосов (эжекторов) или установкой дополнительных эжекторов на напорных трубопроводах для использования избыточных напоров насосных агрегатов и получения дополнительной подачи воды на поля орошения.
Настоящей проблемой занимались многие ученые: В. М.Папин, В. А. Бородзич, Г. Е. Мускевич, Х. Ш. Мустафин, П. Н. Каменев, В. П. Лахтин, С. А. Тарасьянц и др.
Внедрение данных схем в производство ограничено из-за низких энергетических возможностей струйных насосов (КПД ниже 25 %).
Отсутствие рекомендаций и оптимальных компоновочно-конструктивных и технологических решений водоподъема мелиоративными насосными станциями из водоисточников с колебаниями уровней более 4 м и создание комплекса насосного оборудования комплектуемого центробежными и струйными насосами с высоким КПД является актуальной проблемой, не разрешенной в достаточной степени до настоящего времени.
Цель работы - разработка эффективных конструктивных и технологических схем и методов расчета совместной работы центробежных и струйных насосов при колебаниях уровней в водоисточнике более 4 м и малой геометрической высоте подачи.
Задачи исследований:
- изучить состояние известных систем водоподъема, используемых при орошении;
- экспериментальным путем определить оптимальные геометрические и гидравлические параметры кольцевого 2-хповерхностного эжектора новой конструкции;
- разработать теоретические основы расчета кольцевых струйных насосов с повышенным коэффициентом полезного действия;
- разработать технологический процесс водоподъема оросительных насосных станций с колебаниями уровня воды в водоисточниках более 4 м и повышенной водоподачей с помощью эжекторных установок;
- разработать компоновочно-конструктивные схемы и процесс использования избыточного напора центробежных насосов, установленных на насосной станции с малой геометрической высотой подачи;
- экономически обосновать использование струйных насосов на оросительных насосных станциях.
Основные положения, выносимые на защиту:
- методика расчета насосных агрегатов с всасывающими трубопроводами, оборудованными струйными насосами;
- технические решения и технологический процесс водоподъема насосными станциями, оборудованными центробежными насосами с колебаниями уровней воды в водоисточнике более 4 м;
- технические решения и технологический процесс использования эжекторов, установленных на напорных трубопроводах центробежных насосов;
- экспериментальные зависимости для расчета струйной системы водоподачи.
Объекты исследования. В качестве основных объектов исследовались:
- струйные насосы различных конструкций с целью определения оптимальныха гидравлических и геометрических параметров при максимальном коэффициенте полезного действия;
- насосные станции, комплектуемые центробежными и струйными насосами.
Методика исследования. Экспериментальные исследования проведены в лабораторных и натурных условиях с применением теории планирования эксперимента. При проведении исследований использовались стандартные общепринятые методики. Для измерения различных кинематических характеристик применялись специально сконструированные устройства и дифференциальные манометры. В основу теоретических исследований положены уравнения Д. Бернулли.
Научная новизна работы. В работе научно обоснованы:
- методика расчета совместной работы центробежных и струйных насосов при колебаниях уровней в водоисточнике более 4 м и малой геометрической высоте водоподачи;
- математические зависимости для определения оптимальных параметров агеометрических и гидравлических параметров струйных насосов с высоким КПД;
- технологический процесс совместной работы центробежных и струйных насосов.
Практическая значимость работы. Изложенные в диссертационной работе результаты исследований по методике расчета геометрических и гидравлических параметров и определению коэффициентов гидравлических сопротивлений элементов струйного насоса с высокими энергетическими характеристиками для мелиоративных насосных станций дают возможность проверить практические расчеты в условиях водохозяйственных проектных организаций.
Результаты исследований внедрены на орошаемых участках Ростовмелиоводхоза и Республики Дагестан, приняты в качестве методических пособий институтом Южводпроект г. Ростов-на-Дону для проектирования орошаемых участков.
Соответствие диссертации паспорту научной специальности. Диссертационная работа соответствует паспорту научной специальности 06.01.02 Мелиорация, рекультивация и охрана земель, п. 9 - Разработка методов расчета элементов инженерно-мелиоративных систем, разработка их более совершенных конструкций.
Реализация результатов исследований. Диссертационная работа рассмотрена и рекомендована к внедрению на научно-техническом совете института Южводпроект. Отдельные разделы рассматривались на научно-техническом совете Министерства мелиорации Республики Дагестан.
Апробация работы. Основные положения диссертации доложены и одобрены на научно-практических конференциях и семинарах ФГБОУ ВПО НГМА Экологические проблемы природопользования в мелиоративном земледелии (2-3 февраля 2006 г.), Гидротехническое строительство (15 мая 2009 г.), а также на конференциях молодых ученых и сотрудников ФГНУ РосНИИПМ Пути повышения эффективности орошаемого земледелия (2008 г.), на международной научно-практической конференции Ресурсосберегающие экологически устойчивые технологии в сельском хозяйстве (Шумаковские чтения совместно с заседанием секции РАСХН, 2010 г.)
ичный вклад автора в получении результатов, изложенных в диссертации, заключается в обосновании направления и разработке методики проведения исследований, обработке и анализе полученных данных, подготовке диссертации, выводов и предложений производству, внедрении полученных результатов на орошаемых участках.
Публикации. Основные положения диссертационной работы опубликованы в 8 печатных работах, в том числе в двух статьях в изданиях, рекомендованных ВАК Минобрнауки России.
Структура и объем работы. Диссертация состоит из введения, 5 глав и общих выводов. Работа изложена на 136 страницах машинописного текста и включает в себя 21 рисунок, 21 таблицу, 2 приложения, список использованной литературы из 143 наименований, включая 22 иностранных источника.
СОДЕРЖАНИЕ РАБОТЫ
Во введении обоснована актуальность темы исследований и сформулированы цель и задачи, научная новизна, практическая значимость иа основные положения, выносимые на защиту.
В первой главе Существующие схемы водоподъема в мелиорации, их достоинства и недостатки дан обзор традиционных схем водоподъема.
Водоподъем в мелиорации осуществляется насосными установками, укомплектованными центробежными или осевыми насосами. Основным недостатком данной схемы является ограниченная (до 3-4 м) высота всасывания центробежных насосов.
В практике проектирования встречаются схемы насосных станций, на всасывающих трубопроводах которых установлены струйные насосы. Наиболее часто встречающиеся компоновочно-конструктивные схемы приведены на рисунке 1.
Из всех выше приведенных схем водоподъемных установок наиболее удобна в эксплуатации насосная станция с эжектором на всасывающей линии (рис. 1в), повышающим высоту всасывания центробежного насоса и
1 - струйный насос; 2 - насос-нагнетатель; 3 - задвижки
Рисунок 1 - Конструктивные схемы водоподъемных установок с применением центробежных и струйных насосов
эжектором на напорной линии, повышающим суммарную подачу (рис. 1г).
Попытки широкого внедрения данных схем ограничены из-за энергетической эффективности эжекторов.
Всем вышеизложенным обосновывается цель и задачи настоящей диссертационной работы.
Во второй главе лЭкспериментальные исследования кольцевых струйных насосов описаны экспериментальные исследования, их цель и задачи, экспериментальная установка, методы исследования и полученные результаты.
Экспериментальные исследования проводились на установке (рис. 2) са целью определения следующих относительных оптимальных параметров кольцевого струйного насоса с двухповерхностной рабочей струей и повышенными энергетическими характеристиками (рис. 3):
- относительный диаметр наружного сопла ![]()
,
- относительная длина смесителя
;
- относительное расстояние от обреза сопла до начала цилиндрической части смесителя
;
- диаметр смесителя.
Исследования насосов проводились с геометрической характеристикой (отношение площади смесителя к площади сопла) m=4, 8, 12, величины m приняты по известным рекомендациям Г. Е. Мускевича.
В процессе исследований определялись величины рабочего, подсасываемого и смешанного (суммарного) расхода, напоров насоса-нагнетателя и струйного насоса (рис. 2).
1 - насос-нагнетатель; 2,3- струйные насосы; 4,5- баки; 6,7- расходомеры; 8,9,10.11,12- задвижки; 13,14,15,16- трубопроводы; 17,18,19,20- манометры
Рисунок 2 - Схема лабораторного стенда для испытания струйного насоса
Задача оптимизации исследуемых параметров решалась с использованием методов теории планирования эксперимента.
В качестве критерия оптимизации принят коэффициент полезного действия струйного насоса (?), определяемый по формуле:
,а (1)
где
? относительный напор струйного насоса;
? относительный напор насоса-нагнетателя;
?0 ? коэффициент эжекции (отношение подсасываемого расхода к рабочему расходу).
1 - соединительные патрубки; 2 - приемная камера; 3 - камера смешения; 4 - кольцевое активное сопло; 5 - сопловые щели; 6 - фланец задний внутренний; 7 - фланец передний внутренний; 8 - кольцевой коллектор внутренний; 9 Цфланец задний наружный; 10 - коллектор кольцевой наружный; 11 - фланец передний наружный
наружный; 11 - фланец передний наружный
Рисунок 3 - Схема струйного кольцевого двухповерхностного насоса
(по а.с. №1620693)
Для каждого значения геометрической характеристики струйного насоса (m) были приняты интервалы варьирования факторов (табл. 1)а (числитель для m =4, знаменатель для m =8,12).
Таблица 1 - Интервалы варьирования исследуемых факторов
Факторы |
Код |
Интервалы варьирования |
Уровень |
||
Основной О |
Нижний л- |
Верхний л+ |
|||
|
X1 |
|
|
0,5 |
|
|
X2 |
4 |
8 |
4 |
12 |
|
X3 |
|
|
|
|
Матрицы планирования и результаты опытов для m=4, 8, 12 приведены в таблицах 2, 3, 4. В результате обработки результатов опытов методами линейной алгебры получены математические модели параметров оптимизации для струйных насосов с m=4, 8, 12:
- m=4аа
(2)
- m=8
(3)
- m=12
(4)
Таблица 2 - Матрица планирования и результаты опытов для геометрической характеристики m=4,0
№ опы-тов |
Переменные |
|
|
|
|
|
|
|
||
|
|
|
||||||||
1 |
2 |
3 |
4 |
5 |
6 |
7 |
8 |
9 |
10 |
11 |
1 |
+ |
+ |
0 |
0,224 |
+0,224 |
+0,224 |
0 |
+0,224 |
+0,224 |
0 |
2 |
- |
- |
0 |
0,244 |
-0,244 |
-0,244 |
0 |
+0,244 |
+0,244 |
0 |
Продолжение таблицы 2 |
||||||||||
1 |
2 |
3 |
4 |
5 |
6 |
7 |
8 |
9 |
10 |
11 |
3 |
+ |
- |
0 |
0,216 |
+0,216 |
-0,216 |
0 |
+0,216 |
+0,216 |
0 |
4 |
- |
+ |
0 |
0,240 |
-0,240 |
+0,240 |
0 |
+0,240 |
+0,240 |
0 |
6 |
0 |
+ |
+ |
0,240 |
0 |
+0,240 |
+0,240 |
0 |
+0,240 |
+0,240 |
7 |
0 |
+ |
- |
0,276 |
0 |
+0,276 |
-0,276 |
0 |
+0,276 |
+0,276 |
8 |
0 |
- |
+ |
0,294 |
0 |
-0,294 |
+0,294 |
0 |
+0,294 |
+0,294 |
9 |
0 |
- |
- |
0,276 |
0 |
-0,276 |
-0,276 |
0 |
+0,276 |
+0,276 |
11 |
+ |
0 |
+ |
0,260 |
+0,260 |
0 |
+0,260 |
+0,260 |
0 |
+0,260 |
12 |
- |
0 |
- |
0,292 |
-0,292 |
0 |
-0,292 |
+0,292 |
0 |
+0,292 |
13 |
+ |
0 |
- |
0,260 |
+0,260 |
0 |
-0,260 |
+0,260 |
0 |
+0,260 |
14 |
- |
0 |
+ |
0.245 |
-0.245 |
0 |
+0.245 |
+0.245 |
0 |
+0.245 |
Таблица 3 - Матрица планирования и результаты опытов для геометрической характеристики m=8
№ опы-тов |
Переменные |
|
|
|
|
|
|
|
||
|
|
|
||||||||
1 |
+ |
+ |
0 |
0,102 |
+0,102 |
+0,102 |
0 |
+0,102 |
+0,102 |
0 |
2 |
- |
- |
0 |
0,155 |
-0,155 |
-0,155 |
0 |
+0,155 |
+0,155 |
0 |
3 |
+ |
- |
0 |
0,110 |
+0,110 |
-0,110 |
0 |
+0,110 |
+0,110 |
0 |
4 |
- |
+ |
0 |
0,156 |
-0,156 |
+0,156 |
0 |
+0,156 |
+0,156 |
0 |
6 |
0 |
+ |
+ |
0,075 |
0 |
+0,075 |
+0,075 |
0 |
+0,075 |
+0,075 |
7 |
0 |
+ |
- |
0,148 |
0 |
+0,148 |
-0,148 |
0 |
+0,148 |
+0,148 |
8 |
0 |
- |
+ |
0,075 |
0 |
-0,075 |
+0,075 |
0 |
+0,075 |
+0,075 |
9 |
0 |
- |
- |
0,145 |
0 |
-0,145 |
-0,145 |
0 |
+0,145 |
+0,145 |
11 |
+ |
0 |
+ |
0,050 |
+0,050 |
0 |
+0,050 |
+0,050 |
0 |
+0,050 |
12 |
- |
0 |
- |
0,140 |
-0,140 |
0 |
-0,140 |
+0,140 |
0 |
+0,140 |
13 |
+ |
0 |
- |
0,140 |
+0,140 |
0 |
-0,140 |
+0,140 |
0 |
+0,140 |
14 |
- |
0 |
+ |
0.120 |
-0.120 |
0 |
+0.120 |
+0.120 |
0 |
+0.120 |
Полученные экспериментальные зависимости (2), (3) и (4) позволяют определить оптимальные величины факторов
,
,
аи критический по кавитации коэффициент эжекции ?к для различных напоров
Таблица 4 - Матрица планирования и результаты опытов для геометрической характеристики m=12
№ опы-тов |
Переменные |
|
|
|
|
|
|
|
||
|
|
|
||||||||
1 |
+ |
+ |
0 |
0,102 |
+0,102 |
+0,102 |
0 |
+0,085 |
+0,085 |
0 |
2 |
- |
- |
0 |
0,155 |
-0,155 |
-0,155 |
0 |
+0,135 |
+0,135 |
0 |
3 |
+ |
- |
0 |
0,110 |
+0,110 |
-0,110 |
0 |
+0,130 |
+0,130 |
0 |
4 |
- |
+ |
0 |
0,156 |
-0,156 |
+0,156 |
0 |
+0,130 |
+0,130 |
0 |
6 |
0 |
+ |
+ |
0,075 |
0 |
+0,075 |
+0.100 |
0 |
+0.100 |
+0.100 |
7 |
0 |
+ |
- |
0,148 |
0 |
+0,148 |
-0.115 |
0 |
+0.115 |
+0.115 |
8 |
0 |
- |
+ |
0,075 |
0 |
-0,075 |
+0.095 |
0 |
+0.095 |
+0.095 |
9 |
0 |
- |
- |
0,145 |
0 |
-0,145 |
-0.113 |
0 |
+0.113 |
+0.113 |
11 |
+ |
0 |
+ |
0,050 |
+0,050 |
0 |
+0.055 |
+0.055 |
0 |
+0.055 |
12 |
- |
0 |
- |
0,140 |
-0,140 |
0 |
-0.125 |
+0.125 |
0 |
+0.125 |
13 |
+ |
0 |
- |
0,140 |
+0,140 |
0 |
-0.130 |
+0.130 |
0 |
+0.130 |
14 |
- |
0 |
+ |
0.120 |
-0.120 |
0 |
+0.120 |
+0.120 |
0 |
+0.120 |
насоса-нагнетателя. Оптимальные геометрические размеры исследуемого аппарата приведены в таблице 5.
Таблица 5 - Оптимальные параметры для геометрических размеров исследуемого струйного насоса
|
Параметры |
Значения параметров |
|||||
m=4 |
m=8 |
m=12,0 |
||||
Код |
Факт, мм |
Код |
Факт ,мм |
Код |
Факт, мм |
|
|
+0,14 |
321,2 |
-1,0 |
16,0 |
-1,0 |
50 |
|
-1,0 |
254,4 |
-1,0 |
200 |
+1,0 |
200 |
|
+1,0 |
49,6 |
+0,3 |
151,7 |
+0,16 |
16,7 |
Кроме того, определены величины критических коэффициентов эжекции ?К для m=4 ?К=1,2, m=8 ?К=1,4, m=12 ?К=1,8, и средние значения коэффициентов гидравлических сопротивлений диффузора ?д и сопла ?о.а
Для m=4 ?д=0,11, ?о=0,07, для m=8 ?д=0,12, ?о=0,08, для m=12 ?д=0,13, ?о=0,1.
В третьей главе Теоретический расчет кольцевого струйного насоса с повышенным коэффициентом полезного действия проведен расчет исследуемого струйного насоса.
Методика расчета составлена на основе известных решений В. М.Папина, Г. Е.Мускевича, С. А. Тарасьянца с включением опытных значений коэффициентов гидравлических сопротивлений сопла ?О и диффузора ?Д., полученных в настоящей работе. Кроме того в методике расчета приняты оптимальные гидравлические и геометрические параметры, полученные опытным путем, z, lц и
.
Методики расчета составлены для установки с эжектором на всасывающей и напорной линиях центробежного насоса (табл. 6, 7).
Таблица 6 - Расчет струйной установки с эжектором, установленным на всасывающем трубопроводе центробежного насоса
Наименование показателей, единица измерения |
Расчетные формулы и пример расчета |
Ссылка на информацию |
1 |
2 |
3 |
1.Оптимальный коэффициент эжекции |
(?вх-коэффициент сопротивления входа, ?д-коэффициент сопротивления диффузора) |
По результатам экспериментальных исследований |
2. Приведенный напор нагнетания, НГПР, м, (напор струйного насоса) |
hWвх- потери напора в напорном трубопроводе струйного насоса, принимаются 1 м. |
-//- |
3. Оптимальная геометрическая характеристика, mоpt |
|
-//- |
4. Оптимальный относительный напор нагнетания, НГ |
|
-//- |
Продолжение таблицы 6 |
||
1 |
2 |
3 |
5. Скорость выхода потока из сопла V0, м/с |
|
итературные данные |
6. Относительный напор нагнетателя (центробежного насоса) |
(?0-коэффициент сопротивления сопла) |
По результатам экспериментальных исследований |
7. Приведенный напор нагнетателя, м (напор перед струйным насосом) |
|
итературные данные |
8. Напор центробежного насоса, м |
(?hW- потери напора в трубопроводе от напорного патрубка центробежного насоса до патрубка струйного насоса, принимается без расчета 5 м) |
-//- |
9. Рабочий расход эжектора, Q0, м3/с |
|
_ |
10. Обьемный суммарный расход, Q2 (расход центробежного насоса), м3/с |
|
_ |
11.Критический коэффициент эжекции |
|
По теоретическомуа расчету |
Таблица 7 - Пример расчета струйной установки с эжектором, установленным на напорном трубопроводе центробежного насоса
Наименование показателей, единица измерения |
Расчетные формулы и ссылка на информацию |
1 |
2 |
1.Коэффициент гидравлического трения в трубопроводах, ? |
0,02 (принимается) |
2.Суммарный коэффициент местных потерь в трубопроводах ?hWаот фланца центробежного насоса до фланца эжектора |
2,15 (принимается) |
3.Длина напорного трубопровода центробежного насоса, LН.ТР. , м |
46 (рассчитывается по схеме) |
4.Длина напорного трубопровода эжектора, м |
15,2 (рассчитывается по схеме) |
Продолжение таблицы 7 |
|
1 |
2 |
5.Суммарные потери напора на участке от фланца центробежного насоса до фланца эжектора, м |
|
6.Подсасывающий эжектором расход Q1апри ?0=0 , м3/с |
|
7.Суммарный расход после эжектора Q2, м3/с |
|
8.Диаметр напорного трубопровода центробежного насоса DН.Ц.апри VЦ=2,5 м/с |
|
9.Приведенный напор нагнетания (эжектора) НГПР, м |
|
10.Оптимальная геометрическая характеристика, mopt |
|
11.Относительный напор нагнетания эжектора, |
|
12.Скорость выхода потока из сопла V0, м/с |
|
13.Относительный напор нагнетателя,
|
|
14.Приведенный напор нагнетателя НГПР, м |
|
15.Напор центробежного насоса НЦ, м |
|
аа По расчетным величинам
аи ?0 подбирается центробежный насос, по гидравлическим параметрам и скорости в сопле - расход и напор струйного насоса.
В четвертой главе Технологический процесс эксплуатации насосных станций с эжектором на всасывающей и напорнойа линиях насоса-нагнетателя приведены конструктивно-компоновочные схемы и описан технологический процесс пуска и эксплуатации поверхностных мелиоративных насосных станций со встроенным во всасывающий патрубок центробежных насосов струйным аппаратом (рис. 4). Рассмотрена также схема установки струйных насосов на напорных трубопроводах для использования избыточного напора центробежных насосов для увеличения общей подачи (рис. 5).
Перед пуском центробежных насосов на мелиоративной насосной станции с эжектором на всасывающей линии.

1-центробежный насос; 2-струйный насос; 3-приподнятое всасывающее колено; 4-задвижка с электроприводом; 5-мановокууметр; 6,8,10-задвижки; 7-всасывающий трубопровод; 9-напорный трубопровод; 11-бак |
|
1-центробежный насос; 2- струйный насос; 3,9- всасывающий трубопровод центробежного насоса; 4- задвижка на напорном трубопроводе центробежного насоса; 5-вакууметр; 6,7,8- манометры; 10- напорный трубопровод струйного насоса; 11-трубопровод |
Рисунок 4 - Технологическая схема насосной станции с устройством струйного насоса во всасывающем трубопроводе центробежных насосов |
|
Рисунок 5 - Технологическая схема насосной станции с установкой струйного насоса на напорном трубопроводе центробежных насосов |
Струйный и центробежный насосы работают последовательно, центробежный насос 1 работает не с вакуумом на всасывающей линии, а с подпором.
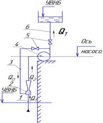
На рисунке 5 приведена технологическая схема, предусматривающая установку струйного аппарата на напорном трубопроводе центробежных насосов для использования избыточного напора с целью увеличения общей подачи насосной станции. В таком случае центробежный насос 1 (рис. 6) включается традиционным способом и расход Q0 подается по напорному трубопроводу 11 к струйному насосу 2.
В пятой главе лЭкономическое обоснование использования эжекторной насосной станции с высокими колебаниями уровня в источнике проведено технико-экономическое сравнение заглубленных (рис. 6) и поверхностных насосных станций (рис. 7) с установкой струйных насосов на всасывающей линии центробежных насосов.
1-здание насосной станции; 2- нагнетательный трубопровод; 3 - всасывающий трубопровод; 4 - водоприемник; 5 - насос |
|
1-всасывающий трубопровод эжектора; 2-эжектор; 3-напорный трубопровод насоса-нагнетателя (он же нагнетательный в эжектор); 4-насос-нагнетатель; 5-задвижки; 6-напорный трубопровод насосно-эжекторного агрегата |
Рисунок 6 - Схема заглубленной насосной станции |
|
Рисунок 7 - Схема поверхностной насосной станции с установкой струйного насоса на всасывающей линии |
Для построения графика сравнительной эффективности выполнены расчеты для насосных станций с колебаниями уровня воды в водоисточнике 5, 7 и 9 м.
Расчет экономического эффекта выполнен в соответствии с инструкцией Определение годового экономического эффекта от использования в водохозяйственном строительстве новой техники (Попова Т. Е., Мануховаа Е. Н.). Годовой экономический эффект (Э) складывается из годового эффекта от создания и эксплуатации (ЭНС) Эс и годового эффекта в сфере эксплуатации от функционирования объекта за период досрочного ввода Эф (табл. 8).
Таблица 8 - Результаты расчета годового экономического эффекта от внедрения эжекторной насосной станции
Н,м |
|
|
|
|
|
|
|
|
|
т.р. |
|
|
5 |
0,163 |
0,179 |
0,907 |
1,2 |
1,0 |
8374 |
3050 |
674 |
518 |
5268 |
1248 |
6516 |
7 |
- |
- |
- |
- |
- |
10948 |
3266 |
799 |
529 |
7687 |
1296 |
8983 |
9 |
- |
- |
- |
- |
- |
13436 |
3502 |
920 |
540 |
10040 |
1349 |
11389 |
Сопоставление производится:
- при паспортных данных заглубленной НС;
- при максимальной расчетной подаче ЭНС.
Затраты на электроэнергию ЭНС превышают одноименные затраты к заглубленной НС на 12,5 % (на 288 тыс. руб.) при снижении подачи на 11 % (на 60 л/с) и повышении напора на 1,4 % (1,3 м).
Из таблицы 8 следует, что при водозаборе из естественных водоисточников использование ЭНС обеспечит годовой экономический эффект при колебании уровня до 9 м по сравнению со стационарной НС 11389 тыс. руб. Экономический расчет насосной станции с эжектором на напорной линии в данной работе не приводится.
ОБЩИЕ ВЫВОДЫ
- Выполненный анализ имеющихся научных материалов свидетельствует о том, что основные мелиоративные станции при колебаниях уровня воды в водоисточнике более 4 м строятся заглубленными. Рассматриваемые в литературе схемы с искусственным подпором на всасывающих трубопроводах центробежных насосов, практически не реализованы в действительности. Предлагаемые методы расчета основаны на традиционных методах определения напора и расхода центробежного насоса-нагнетателя, по которым определяются параметры выбранного типа эжектора.
- По принципу работы в настоящее время выделяют три типа эжекторов: с центральным подводом, кольцевой одноповерхностный и кольцевой двухповерхностный с наиболее повышенными энергетическими характеристиками и минимальными величинами коэффициентов гидравлических сопротивлений сопла ?о=0,10 и диффузора ?д=0,12.
- Предложенная в работе методика расчета насосно-эжекторных агрегатов на основе имеющихся литературных данных и собственных выводах автора по расчету относительных максимальных скоростей подсасываемого потока и определенных для исследуемого эжектора коэффициентов гидравлических сопротивлений его элементов позволяет провести расчет относительных геометрических и гидравлических параметров исследуемого струйного насоса: внешний и внутренний диаметры сопла л
и
, расстояние от обреза сопла до начала цилиндрической части камеры смешения Z, длина смесителя Lц и его диаметр dЦ. - По результатам лабораторных исследований кольцевого струйного насоса по а.с. 1620693 для геометрических характеристик m=4; 8 и 12, проведенных с помощью теории планирования эксперимента, выведены математические зависимости для определения оптимальных относительных факторов и рассчитаны при m=4, z=321,2 мм, Lц=254,4 мм,
=49,6 мм, ?к=1,10, m=8, z=16 мм, Lц=200 мм,
=151,7 мм, ?к=1,20, m=12, z=50 мм, Lц=1200 мм,
=16,7 мм, ?к=1,50 - Рассмотренным в работе технологическим процессом пуска и эксплуатации насосных станций с эжектором на всасывающих и напорных трубопроводах показаны варианты пуска и безаварийной эксплуатации насосного оборудования эжекторных мелиоративных насосных станций.
- Установлено, что при водозаборе из естественных водоисточников использование ЭНС обеспечит годовой экономический эффект при колебаниях уровня до 9 м по сравнению со стационарной заглубленной трехагрегатной насосной станцией с насосами 1Д 200-90 составит от 9 до 11 млн. руб.
РЕКОМЕНДАЦИИ ПРОИЗВОДСТВУ
- Исследованная система повышения всасывающей способности центробежных насосов может быть использована как на вновь проектируемых, так и на существующих заглубленных насосных станциях, при необходимости увеличивая всасывающую способность центробежных насосов.
- На работающие в мелиорации насосные станции с центробежным насосами РФ при необходимых малых напорах рекомендуется с целью повышения КПД системы устанавливать на напорных трубопроводах струйные насосы, при помощи которых увеличивается подача, уменьшается напор, центробежные насосы вводятся в режим с максимальным КПД.
- Проектным организациям при использовании разработанной методики расчета следует применять полученные опытным и теоретическим путем зависимости для геометрических характеристик 8-12, как наиболее оптимальных, рекомендуемых литературными данными и настоящими исследованиями.
ОСНОВНЫЕ ПОЛОЖЕНИЯ ДИССЕРТАЦИИ ОПУБЛИКОВАНЫ В СЛЕДУЮЩИХ РАБОТАХ:
Статьи в периодических научных изданиях, рекомендуемых ВАК:
- Тарасьянц, С. А. Сравнительные исследования энергетической эффективности кольцевого струйного насоса с двухповерхностной рабочей струей./ С. А.Тарасьянц, В. В. Александров //Журнал Вестник Саратовского госагроуниверситета им. Н. И. Вавилова: раздел Технические науки / СГАУ им. Н. И. Вавилова. - Саратов. - 2009 г. - Выпуск 7. - С. 39-41.
- Александров, В. В.а Экспериментальные исследования кольцевого струйного насоса./ В. В. Александров, Д. Н. Кольжанов // Политематический сетевой научный электронный НАУЧНЫЙ ЖУРНАЛ Кубанского государственного аграрного университета. - №73 (09). - 2011. - [Электронный ресурс]. - Режим доступа: а опубликованные в научных изданиях:
- Тарасьянц, С .А.Технологическая схема очистки дна водозаборного ковша береговой насосной станции №1 Ставропольской ГРЭС/ С. А.Тарасьянц, Ю. С.Уржумова, В. В. Александров // Экологические проблемы природопользования в мелиоративном земледелии: материалы международной науч.-практ. конф. (2-3 февр. 2006 г., г. Новочеркасск) : Т.1. / ФГОУ ВПО НГМА. - Новочеркасск, 2006. - с. 111-112.
- Тарасьянц, С. А.Состояние водозаборных сооружений береговых насосных станций №1 и №2 Ставропольской ГРЭС/ С. А. Тарасьянц, Ю. С. Уржумова, В. В. Александров // Экологические проблемы природопользования в мелиоративном земледелии: материалы международной науч.-практ. конф. (2-3 февр. 2006 г., г. Новочеркасск) : Т.1. - Новочеркасск, 2006. - с. 371-140.
- Апальков, А. Ф. Экономическое обоснование использования эжекторной насосной станции с высокими колебаниями уровней в водоисточнике / А. Ф. Апальков, В. А. Ряснов, В. В. Александров, С. А. Тарасьянц // Пути повышения эффективности орошаемого земледелия: сб. ст. ФГНУ РосНИИПМ / Под ред. В.Н.Щедрина. - Новочеркасск: ООО Геликон, 2007 г. - Вып. 38. - стр. 171-175.
- Александров, В. В. Определение максимальных скоростей подсасываемого потока на участке смешения в струйных насосах / В. В. Александров, А. С. Тарасьянц, Ю. С. Уржумова, С. А. Тарасьянц // Гидротехническое строительство: материалы регион. науч.-технич. конф. Гидротехника, гидравлика и геоэкология (15 мая 2009 г., г. Новочеркасск) / ФГОУ ВПО НГМА. - Новочеркасск: ЛИК, 2009 г. - Вып. 2. - С. 129-133.
- Уржумова, Ю. С. Сопоставление опытных и расчетных максимальных относительных скоростей во внешней и внутренней областях подсасываемого потока. / Ю. С. Уржумова, В. В. Александров, А. С. Тарасьянц, С. А. Тарасьянц // Гидротехническое строительство: материалы регион. науч.-технич. конф. Гидротехника, гидравлика и геоэкология(15 мая 2009 г. г. Новочеркасск) / ФГОУ ВПО НГМА. - Новочеркасск: ЛИК, 2009 г. - Вып. 2. - С. 133-136.
- Александров, В. В. Технологический процесс эксплуатации насосных с эжектором на всасывающей и напорной линии насоса-нагнетателя./ В. В. Александров, Д .Н. Кольжанов // Научный журнал Российского НИИ проблем мелиорации. - № 2(02). - 2011 г. [Электронный ресурс]. - Режим доступа: www/rosnipm-sm.ru.
Подписано в печатьаа а18.05.2012а аФормат 60х84 1/16
Объем уч. изд. 1 п.л. ааТираж 100 экз.а ааЗаказ №
Отдел оперативной полиграфии ФГБОУ ВПО НГМА,аа 346428,а
г. Новочеркасск,аа ул. Пушкинская, 111.
Авторефераты по темам >>
Разные специальности - [часть 1] [часть 2]





(Принимается m=8,0)