Все методички по написанию и оформлению магистерской диссертации
МОСКОВСКИЙ ЭНЕРГЕТИЧЕСКИЙ ИНСТИТУТ
Кафедра Информационно-измерительной техники
МЕТОДИЧЕСКИЕ УКАЗАНИЯ
по оформлению учебных работ студентов кафедры Информационно- измерительной техники
Москва 2004
Методические указания содержат правила оформления текстовых и графических работ, выполняемых студентами кафедры Информационно-измерительной техники. Они относятся к типовым расчетам (ТР), курсовым работам (КР), выпускным работам бакалавров (ВРБ), дипломным проектам (ДП) и магистерским диссертациям (МД) *).
Методические указания основаны на требованиях стандарта [1], на изданиях [2-4] и на решениях кафедры.
Методические указания составлены доцентом В.Ю. Кончаловским и отредактированы доцентом Ю.Н. Евлановым.
*) Далее любая из этих пяти работ именуется лучебной работой.
1. Общие положения
Из каких частей состоит учебная работа?
Из пояснительной записки и графической части (схемы, чертежи, плакаты), демонстрируемой на защите; ТР содержит только пояснительную записку, графическая часть КР – только схемы.
Что включает в себя пояснительная записка?
- Титульный лист
- Содержание
- Задание
- Аннотацию
- Введение
- Разделы основной части
- Заключение
- Список использованных источников
- Приложения
Каков объём пояснительной записки?
Учебная работа | ТР | КР | ВРБ | ДП | МД |
Примерное количество страниц | 15 | 30 | 30 | 50 | 70 |
Каков объем графической части?
Учебная работа | ТР | КР | ВРБ | ДП | МД |
Минимальное количество листов | - | 2 | 3 *) | 6 **) | 6 |
*) Две схемы и один плакат.
**) Из них не менее четырёх листов – схемы и чертёж, остальные – плакаты.
Какие обычно выполняют схемы?
Электрические: структурную, функциональную, принципиальную, расположения, а также схемы алгоритмов и экспериментов; иногда ещё схемы соединений и подключений.
Какой обычно выполняют чертеж?
Сборочный чертеж – расположение элементов на печатной плате.
Что может быть на плакатах?
- временные диаграммы сигналов;
- основные расчетные формулы;
- результаты эксперимента;
- фотографии макетов;
ВНИМАНИЕ! Не допускается:
∙ Применять для одного и того же понятия различные термины (синонимы);
∙ Писать обозначения единиц физических величин без численных значений; в этих случаях нужно использовать их наименования;
∙ Использовать в тексте математический знак минус перед отрицательными значениями величин; следует писать слово минус вместо этого знака;
∙ Употреблять математические знаки (≤, ≥, %, ≠ и т.п.) без цифр;
∙ Применять индексы стандартов (ГОСТ, ОСТ и т.п.) без регистрационного номера.
2. Правила выполнения пояснительной записки
На чём и как писать записку?
На одной стороне листов белой бумаги формата А4 (210х297мм) одним из следующих способов:
- принтером (кегль14) ;
- на печатной машинке через 1,5 интервала;
На листах оставлять поля:
- верхние, нижние и левые 20 мм;
- правые 10 мм.
Титульный лист и задание на ВРБ, ДП и МД выполняются на бланках. Титульный лист и задание ТР и КР печатаются по образцу соответствующих бланков на ВРБ.
Какова рубрикация записки?
Основная часть записки разбивается на разделы, разделы могут быть разбиты ещё на подразделы, а подразделы – на пункты.
Все они должны иметь краткие наименования и нумерацию, причем наименования разделов пишут прописными (лбольшими) буквами, а подразделов и пунктов – строчными (кроме первой буквы – прописной).
Расстояния между наименованиями раздела и подраздела (заголовками), а также между заголовками и текстом (последующим и предыдущим) должны быть равны трём интервалам.
Каждый пункт записывают с абзаца, причем текст следует сразу же после наименования пункта.
Что и как нумеровать в записке?
Любая нумерация выполняется арабскими цифрами.
Нумеруют:
- Все листы (страницы) по порядку, включая листы с таблицами и рисунками. Титульный лист считается первым (на нём номер не ставят). Номера ставят внизу посередине.
- Разделы, подразделы и пункты.
Разделы нумеруют по порядку и обозначают цифрой с точкой после неё; далее следует наименование. Введение не нумеруют, первый раздел идёт после него. Подразделы нумеруют в пределах каждого раздела, например, подразделы первого раздела нумеруют 1.1; 1.2 и т. д., а пункты – в пределах каждого подраздела (1.1.1; 1.1.2 и т.д.).
- Иллюстрации (схемы, графики, фотографии и проч.), таблицы и формулы следует располагать в записке непосредственно после текста, в котором они упоминаются, или на следующей странице. Их нумеруют последовательно в пределах раздела так же, как подразделы. Иллюстрации обозначаются лРис., например, лРис. 1.2. − второй рисунок первого раздела.
Над левым верхним углом таблицы помещается надпись лТаблица с указанием её номера и наименования, например, для второй таблицы в третьем разделе: лТаблица 3.2. Технические характеристики АЦП.
Формулы выделяют в отдельную строку Номер формулы пишут в круглых скобках с правой стороны листа на уровне формулы (последней строки формулы, если она записана в несколько строк), например, (3.1) – первая формула третьего раздела.
- итературные источники нумеруют по порядку первых ссылок на них в пределах всей записки. Номера источников при ссылках пишут в квадратных скобках, например:
Известно [15], что зависимость...
Что такое ланнотация?
Это очень краткое, объёмом не более полстраницы, изложение существа выполненной работы. Она не нумеруется как раздел пояснительной записки. Заголовок лАННОТАЦИЯ печатается (или пишется) посредине страницы прописными буквами.
Как оформлять содержание?
Оно включает: введение, наименование всех разделов, подразделов и пунктов, если они имеют наименование, заключение, список использованных источников, приложения. Указывают номера страниц, на которых начинается данный материал. Слово СОДЕРЖАНИЕ служит заголовком и печатается (или пишется) прописными буквами посредине страницы.
Что давать во введении и что в заключении?
И то и другое должно быть кратким. Во введении нужно кратко сформулировать цель работы, в заключении – основные результаты. Заглавиями служат слова лВВЕДЕНИЕ и лЗАКЛЮЧЕНИЕ на отдельной строке прописными буквами.
Какими могут быть иллюстрации в пояснительной записке?
Рисунки, схемы, чертежи, фотографии, осциллограммы, графики и диаграммы. Все они должны иметь наименование, которое пишут под иллюстрацией после слова лрис. с номером.
На чём и чем делать иллюстрации?
На бумаге пояснительной записки с использованием принтера или тушью, или ручкой с чёрными чернилами. Графики и диаграммы можно делать на миллиметровой бумаге светлых тонов и наклеивать их на листы белой бумаги, если их формат меньше А4. Фотографии тоже нужно наклеивать на листы белой бумаги.
Как располагать иллюстрации на листе?
Так, чтобы их можно было смотреть без поворота записки. Если это невозможно, то так, чтобы для рассматривания иллюстрации надо было повернуть записку по часовой стрелке на 90о.
Как оформлять список литературных источников?
Заголовок лСПИСОК ИСПОЛЬЗОВАННЫХ ИСТОЧНИКОВ прописными буквами располагается посередине страницы. Включаются в список те источники, на которые делаются ссылки в тексте записки и располагаются в том порядке, в каком на них даются первые ссылки. Они нумеруются цифрой и точкой.
Если данный источник – это книга с количеством авторов до трех, то сведения о ней даются в следующем порядке:
- фамилия и инициалы автора (авторов);
- заглавие книги;
- сведения о повторности издания;
- место издания (если книга издана в Москве, то пишется лМ с точкой, если в Санкт-Петербурге – лС.-П., названия всех других городов пишутся полностью);
- названия издательства;
- порядковый номер тома, выпуска или части;
- год издания;
- количество страниц и сведения о наличии иллюстраций.
Например:
Фигурнов В.Э. IВМ РС для пользователя. Изд. 6-е, перераб. и доп. – М.: ИНФРА-М, 1995. – 432с.; ил.
Если количество авторов книги больше трех, то сначала пишется заглавие книги, потом сведения об авторах, а далее – как в предыдущем случае. Сведения об авторах даются либо в виде фамилий и инициалов первых трёх (далее пишется ли др.), либо фамилия и инициалы редактора, либо и то и другое.
Например:
Электрические измерения: Учеб. пособие для вузов/ В.Н. Малиновский, Р.М. Демидова - Панферова, Ю.Н.Евланов и др.; под ред. д-ра техн. наук В.Н. Малиновского. – М.: Энергоатомиздат, 1985. – 416с., ил.
Если источник – статья из журнала или сборника, то сведения о ней даются в следующем порядке:
1) фамилия и инициалы авторов;
2) заглавие статьи;
3) сведения об издании, в котором помещена статья:
- заголовок издания;
- место издания (для журналов не надо);
- название издательства (для журналов не надо);
- порядковый номер издания;
4) страницы, на которых помещена статья.
Например:
Куликов С.В., Крюков Л.В., Колобаев Л.П. Широкодиапазонный преобразователь сопротивления в длительность импульсов.- Приборы и системы управления, 1974, №8, с.23-24.
Как оформлять приложения?
Их оформляют как продолжение работы со сквозной нумерацией страниц.
Каждое приложение начинают с новой страницы, наверху посередине пишут прописными буквами слово лПРИЛОЖЕНИЕ и заглавную букву русского алфавита (если приложений несколько), например, лПРИЛОЖЕНИЕ А. Приложение должно иметь наименование. При необходимости текст приложения может разделяться на подразделы и пункты с нумерацией в рамках приложения. Иллюстрации, формулы и таблицы тоже нумеруют в рамках данного приложения, например: Рис. А.1.1., Таблица Б.2.1.
Обратите, пожалуйста, особое ВНИМАНИЕ на правила выполнения формул, графиков и таблиц в пояснительной записке!
ФОРМУЛЫ
Как нужно располагать формулы в тексте записки?
Все формулы выносят в отдельную строку, выше и ниже оставляют не менее одной свободной строки.
Как быть с длинными формулами?
Если формула не умещается в одну строку, она должна быть перенесена в следующую после знака равенства или знаков плюс, минус, умножения и деления.
Что и как надо расшифровывать в формулах?
Расшифровывать надо буквенные обозначения (символы) переменных величин, а также значения параметров и числовых коэффициентов.
Расшифровку надо начинать непосредственно после формулы и по возможности в той последовательности, как читается формула.
Каждую расшифровку дают с новой строки, причем первую строку начинают со слова лгде без двоеточия.
В тех случаях, когда буквенное обозначение уже применялось ранее, повторять расшифровку не нужно, но для облегчения чтения рекомендуется в начало учебной работы поместить список обозначений.
Пример расшифровки обозначений в формуле
до,п = [ 0,005 + 0,002 (|UК/U| - 1)], (3.5)
где до,п – предел основной относительной погрешности вольтметра в процентах;
U – значение измеряемого напряжения;
UК – конечное значение диапазона измерения;
0,005 и 0,002 – числа, выраженные в процентах и соответствующие
обозначению класса точности 0,005 / 0,002 вольтметра.
Как должны соотноситься между собой буквенные обозначения в разных формулах?
Нужно соблюдать единство обозначений, т.е. нельзя одну и ту же величину обозначать по-разному в разных местах записки. По мере возможности нужно стремиться ещё и к тому, чтобы каждая данная буква обозначала только какую-либо одну величину.
ГРАФИКИ
По какой координатной оси откладывать независимую переменную (аргумент функции)?
Как правило, по оси абсцисс.
Как создавать шкалы значений, изображаемых на графике величин?
Либо в виде делительных штрихов на координатных осях, либо в виде координатной сетки. Последнее предпочтительно, потому что графики выполняются на белой бумаге.
Как обозначать величины, откладываемые по координатным осям, и их единицы?
- ибо в виде располагаемой в конце шкалы дроби, в числителе которой – буквенное обозначение величины, а в знаменателе – обозначение единицы (Рис. 1,а);
- ибо в виде наименования величины и, через запятую, обозначения единицы, написанных вдоль оси с внешней стороны (Рис. 1,б),
- ибо в виде стрелки с обозначением величины с одной ее стороны и обозначением единицы с другой (Рис. 1,в).


а) б) в)
Рис. 1. Примеры выполнения графиков
Как писать цифры, выражающие значения величин на шкалах?
Рядом с делениями координатной сетки или делительными штрихами, по возможности вне поля графика. Нуль писать только один раз.
Как выделять отдельные точки графика?
– Характерные точки линий функциональной зависимости, обозначенные буквами или цифрами, можно выделять кружком (Рис. 1,б).
– Точки, полученные путем измерения или расчета, можно обозначать кружком, крестиком и т.п. (Рис. 1,в).
Как изобразить на одном графике несколько зависимостей?
Если графики пересекаются, их лучше давать линиями различных типов (сплошная, штриховая и т.п.). Если от одного и того же аргумента (ось абсцисс) зависят несколько разных величин, то для них предусматриваются отдельные оси ординат со своими масштабами.
ТАБЛИЦЫ
Что давать в табличной форме?
Технические данные используемых элементов, результаты расчетов и экспериментов, сметы и т.п.
Заголовки таблицы, строк и граф начинают с прописной буквы, подзаголовки граф – либо со строчной, если они составляют одно предложение с заголовками граф либо с прописной, если они самостоятельные.
Для сокращения текста заголовков и подзаголовков их можно заменять буквенными обозначениями при обязательном условии их расшифровки. При этом величины с одним и тем же буквенным обозначением, но с разными индексами располагают в порядке возрастания индексов, например, U1; U2; U3 и т.д.
Что делать, если таблица не умещается на листе?
При большом количестве строк таблицу переносят на другой лист или, если количество граф невелико, делят на части и размещают их рядом на одном листе: слева – начало таблицы, справа – продолжение; в этом случае на продолжении повторяют заголовки и подзаголовки граф.
При большом количестве граф продолжение таблицы переносят на другой лист или, если количество строк невелико, помещают на этом же листе ниже; в обоих случаях на продолжении повторяют заголовки строк. Над продолжениями таблиц пишут: Продолжение таблицы Е
Как располагать таблицу на листе?
Так, чтобы её можно было читать без поворота записки. Если это невозможно, то так, чтобы для её чтения надо было повернуть записку по часовой стрелке на 900С.
В каком месте текста помещать таблицу?
На следующем листе после первого упоминания о ней; если таблица маленькая – на этом же листе сразу после фразы с упоминанием.
Таблицы со вспомогательными данными лучше выносить в приложение.
В каком месте таблицы указывать единицы физических величин, значения которых даны в таблице?
– Если численные данные в графах выражены в разных единицах, то их указывают в заголовках граф.
– Если все численные данные, размещенные в таблице, выражены в одних и тех же единицах, например, в милливольтах, то обозначение единицы указывают в заголовке таблицы, например, Напряжение на выходе датчика в милливольтах.
Как располагать цифры в графах?
Так, чтобы одинаковые разряды чисел во всей графе были точно один под другим.
Как быть с повторяющимися словами и цифрами?
– Если в графе повторяется одно слово, то его можно заменить кавычками, если строки не разделены линиями.
– Если повторяются два и более слов, то при первом повторении их надо заменить словами то же, а далее – кавычками.
– Нельзя ставить кавычки вместо повторяющихся цифр, марок, знаков, математических символов.
Что делать при отсутствии тех или иных данных?
Ставить прочерк.
3. Правила выполнения схем и чертежей
На какой способ демонстрации графической части учебной работы ориентироваться?
Есть три варианта:
- Современный – с использованием компьютерных средств, в частности, лазерного проектора, подключённого к компьютеру;
- Устаревающий – с использованием прозрачных плёнок и проектора;
- Устаревший – карандашом или тушью на листах ватмана.
В первом и втором вариантах для членов комиссии должны быть изготовлены копии демонстрируемых на экране изображений.
Как изображать различные элементы и устройства на схемах?
В виде условных графических обозначений, установленных стандартами ЕСКД и ЕСПД. Размеры условных обозначений, указанные в стандартах, можно пропорционально увеличивать.
Где на схемах размещать различную информацию?
– Около графических обозначений (справа или сверху);
– Внутри графических обозначений;
– На свободном поле, например, около графических обозначений элементов на принципиальных электрических схемах указывают их буквенно-цифровые обозначения, а на свободном поле дают диаграммы, таблицы, тексты.
Как делать буквенно-цифровые обозначения?
Заглавными буквами латинского алфавита с последующей цифрой того же размера, начиная с единицы в пределах каждой группы, например, R1, R2, R3 и т.д.; С1, С2, С3 и т. д.
Номера надо присваивать в соответствии с расположением элементов на схеме сверху вниз и далее слева направо.
Как делать перечень элементов?
Данные об элементах принципиальной электрической схемы записывают в таблицу перечня элементов, которая подшивается в конец пояснительной записки в качестве приложения.
На рис. 2 приведён пример заполнения таблицы и размеры её граф и строк.
В графе лПозиционные обозначения дают буквенно-цифровые позиционные обозначения, присвоенные элементам принципиальной электрической схемы.
В графе лНаименование - наименование по группам, которое подчеркивают тонкой линией, например, Конденсаторы и далее в строках – тип и основные параметры элемента. В пределах каждой группы элементы располагают по возрастанию порядковых номеров.
Позиц. обознач. | Наименование | Кол. | Примечание |
Конденсаторы | |||
С1 | К53-4-47 мкФ30%-20В | 1 | |
С2 | КМ-6-0,1 мкФ5%-25В | 1 | |
Микросхемы | |||
DA1 | К140 УД 26А | 1 | |
DD1 | КР 572 ПВ2 | 1 | |
Резисторы | |||
R1...R3 | C2-33-0,125Вт-47 кОм 5% | 3 | |
R4 | C2-29-0,125Вт-10 Ом 0,05% | 1 | |
и т.д.
Рис. 2. Пример оформления перечня элементов
Примечание:
Первая буква D в обозначениях DА1 и DD1 означает, что это микросхема; буква А в обозначении DА1 - что эта микросхема аналоговая; вторая буква D в обозначении DD1 - что эта микросхема дискретная (синонимы: цифровая, логическая).
Как показывать связь данной принципиальной схемы с остальной частью устройства?
Входные и выходные цепи показывают в виде таблицы (одной или нескольких) взамен разъёмов и других средств соединения с указанием адреса и характеристик цепей (рис. 3).
Пример оформления входных и выходных цепей
Контакт | Цепь | Адрес |
1 | Дf=0,3Е3 кГц | =А1-Х1:1 |
2 | Uвых=0,5В | =А1-Х1:2 |
3 | Uвых=60В | =А1-Х1:3 |
4 | Uвых=20В | =А1-Х1:4 |
Рис. 3
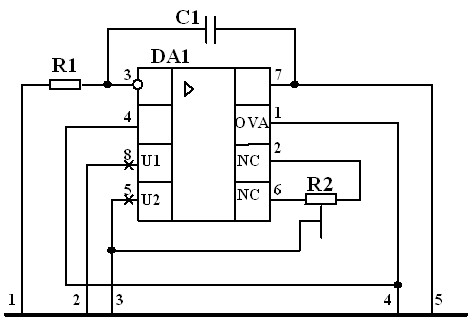
Чем отличаются функциональные схемы от структурных?
Схема электрическая структурная (Э1) содержит основные функциональные части, указывает их назначение и взаимосвязи. Эта схема должна дать представление об общем принципе работы устройства. Схема электрическая функциональная (Э2) детализирует отдельные функциональные узлы и иногда поясняет с помощью временных диаграмм электрические процессы в них (рис. 4.). Эта схема должна дать более углублённое представление о работе как отдельных функциональных узлов, так и об устройстве в целом.
а)
б)
в)
Примечание:
Выводы 3 и 4 микросхемы DA1 на рис. 4в – инвертирующий и неинвертирующий входы операционного усилителя, вывод 7 – его выход, 1 – общий аналоговый, 2 и 6 – регулировка смещения нуля, 8 и 5 – напряжения питания.
Рис. 4. Изображение интегратора на электрических схемах: структурной (а), функциональной (б) и принципиальной (в).
итература
1. ГОСТ 7.32−2001. Отчёт о научно-исследовательской работе. Структура и правила оформления.
- Методические указания по организации выполнения и проведения защиты выпускной работы на степень бакалавра по всем направлениям подготовки в МЭИ. М.: Изд-во МЭИ, 1998.
- Методические указания по организации выполнения и проведения защиты диплома инженера по всем направлениям подготовки в МЭИ. М.: Изд-во МЭИ, 1998.
- Методические указания по организации выполнения и проведения защиты магистерской диссертации по всем направлениям подготовки в МЭИ. М.: Изд-во МЭИ, 1998.
ПРИЛОЖЕНИЕ А
Стандарты, рекомендуемые для оформления учебных работ
Наименование документа | Обозначение стандарта |
Форматы Масштабы инии Шрифты чертёжные Основные надписи Пояснительная записка Расчёты Таблицы Обозначения конструкт. документов Библиографическая документация Сборочный чертёж печатной платы Правила выполнения схем Обозначения условные графические в схемах
Программы и программные документы | ЕСКД ГОСТ 2.301-68 2.302-68 2.303-68 2.304-68 3. 1103-82 2.105-95 2.106-96 2.105-79 2.201-80 2. 758-81 2.109-73 2.701ЕЕЕ2.711-82 2.721-74Е2.758-81,2.743-91, 2.759-82 ЕСПД ГОСТ 19.781-90, 19.701-90 |
Все методички по написанию и оформлению магистерской диссертации
ЗАКАЗАТЬ НАПИСАНИЕ ДИССЕРТАЦИИ |

ЗАКАЗАТЬ НАПИСАНИЕ ДИССЕРТАЦИИ